Скачать Типовой проект 902-2-321 Альбом IV. Часть 1. Нестандартизированное оборудование. Оборудование хлордозаторной. Аэратор механический, поверхностный, вертикальный диаметром 1,0 м (АМПВ-1,0)Дата актуализации: 01.01.2021
|
| Обозначение: | Типовой проект 902-2-321 |
| Обозначение англ: | 902-2-321 |
| Статус: | действует |
| Название рус.: | Альбом IV. Часть 1. Нестандартизированное оборудование. Оборудование хлордозаторной. Аэратор механический, поверхностный, вертикальный диаметром 1,0 м (АМПВ-1,0) |
| Дата добавления в базу: | 01.09.2013 |
| Дата актуализации: | 01.01.2021 |
| Дата введения: | 29.09.1978 |
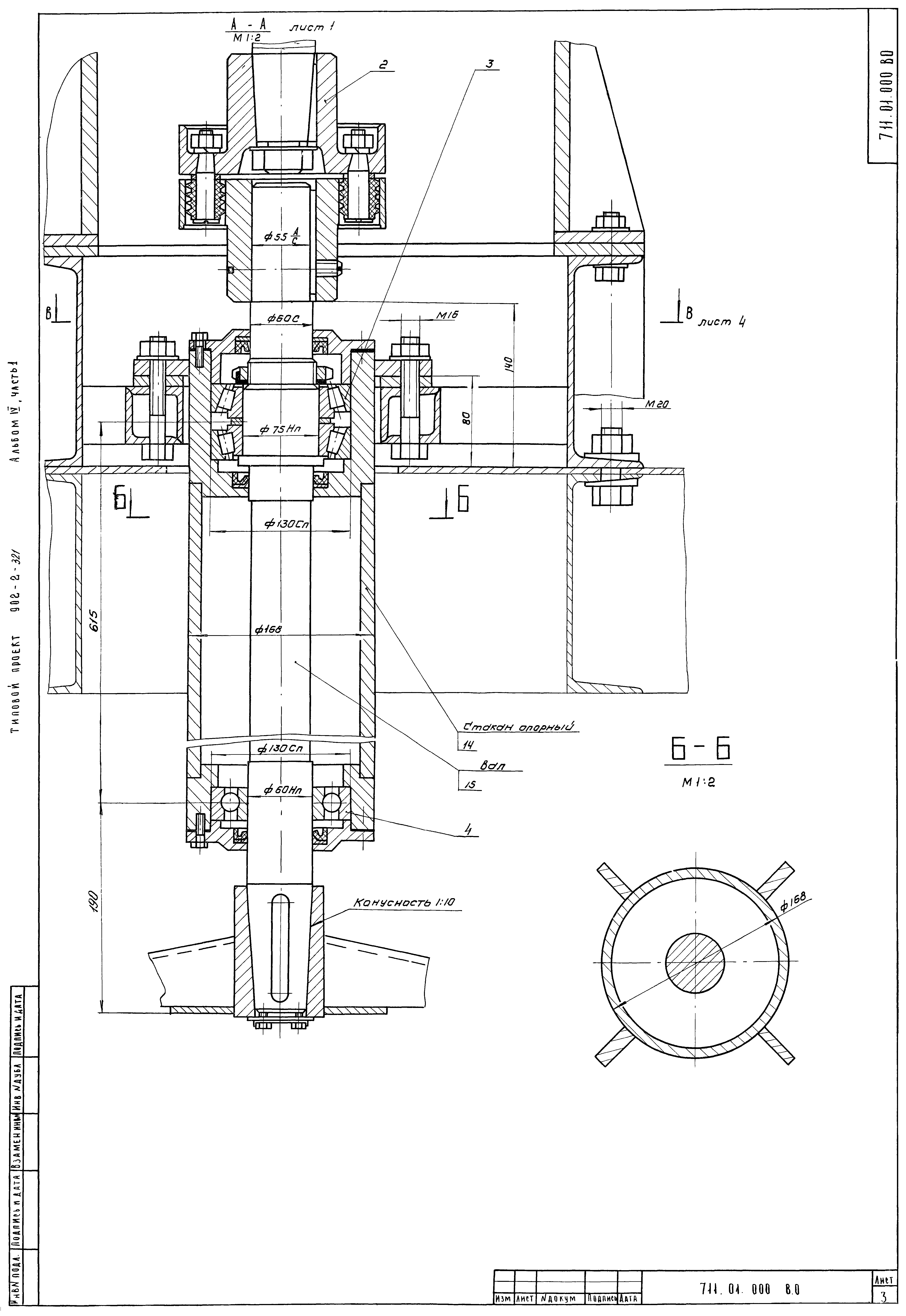
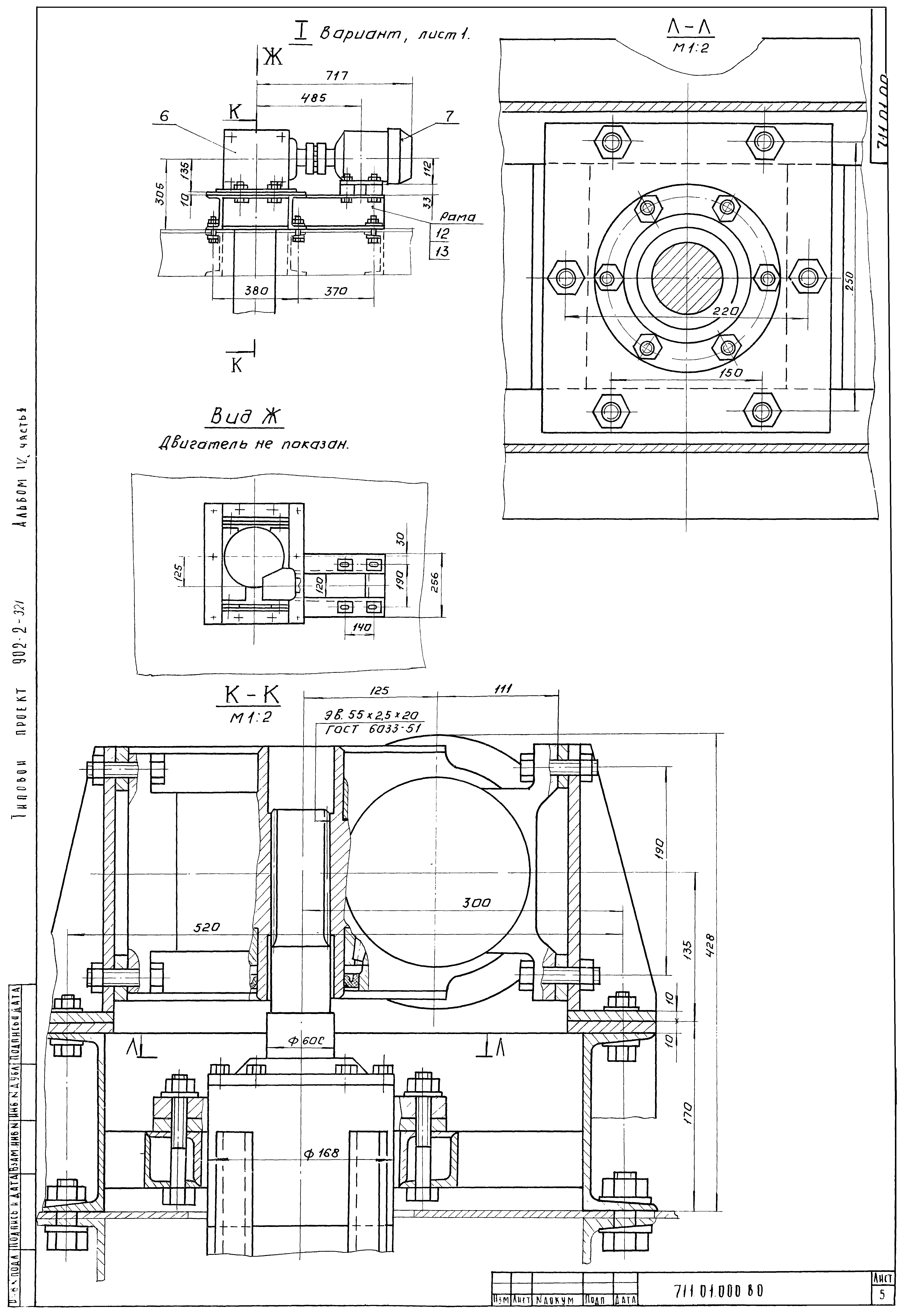
| Оглавление: | ТП 902-2-321 Обложка ТП 902-2-321 Титульный лист ТП 902-2-321 Содержание альбома ТП 902-2-321 711.01.000.РР Установка аэратора вертикального ø1000. Расчеты ТП 902-2-321 711.01.000.ВО Установка аэратора вертикального ø1000. Чертеж общего вида. Лист 1 ТП 902-2-321 711.01.000.ВО Установка аэратора вертикального ø1000. Чертеж общего вида. Лист 2 ТП 902-2-321 711.01.000.ВО Установка аэратора вертикального ø1000. Чертеж общего вида. Лист 3 ТП 902-2-321 711.01.000.ВО Установка аэратора вертикального ø1000. Чертеж общего вида. Лист 4 ТП 902-2-321 711.01.000.ВО Установка аэратора вертикального ø1000. Чертеж общего вида. Лист 5 ТП 902-2-321 711.03.000.ВО Футляр для поврежденных баллонов с хлором. Чертеж общего вида. Лист 1 ТП 902-2-321 711.03.000.ВО Футляр для поврежденных баллонов с хлором. Чертеж общего вида. Лист 2 ТП 902-2-321 711.04.000.ВО Грязевик для хлора. Чертеж общего вида. Лист 1 ТП 902-2-321 711.05.000.ВО Нейтрализатор. Чертеж общего вида. Лист 1 ТП 902-2-321 711.06.000.ВО Подставка на весах для 3х баллонов. Чертеж общего вида. Лист 1 ТП 902-2-321 711.06.000.ВО Подставка на весах для 3х баллонов. Чертеж общего вида. Лист 2 ТП 902-2-321 Обложка ТП 902-2-321 Титульный лист ТП 902-2-321 Содержание альбома ТП 902-2-321 711.01.000.РР Установка аэратора вертикального ø1000. Расчеты ТП 902-2-321 711.01.000.ВО Установка аэратора вертикального ø1000. Чертеж общего вида. Лист 1 ТП 902-2-321 711.01.000.ВО Установка аэратора вертикального ø1000. Чертеж общего вида. Лист 2 ТП 902-2-321 711.01.000.ВО Установка аэратора вертикального ø1000. Чертеж общего вида. Лист 3 ТП 902-2-321 711.01.000.ВО Установка аэратора вертикального ø1000. Чертеж общего вида. Лист 4 ТП 902-2-321 711.01.000.ВО Установка аэратора вертикального ø1000. Чертеж общего вида. Лист 5 ТП 902-2-321 711.03.000.ВО Футляр для поврежденных баллонов с хлором. Чертеж общего вида. Лист 1 ТП 902-2-321 711.03.000.ВО Футляр для поврежденных баллонов с хлором. Чертеж общего вида. Лист 2 ТП 902-2-321 711.04.000.ВО Грязевик для хлора. Чертеж общего вида. Лист 1 ТП 902-2-321 711.05.000.ВО Нейтрализатор. Чертеж общего вида. Лист 1 ТП 902-2-321 711.06.000.ВО Подставка на весах для 3х баллонов. Чертеж общего вида. Лист 1 ТП 902-2-321 711.06.000.ВО Подставка на весах для 3х баллонов. Чертеж общего вида. Лист 2 |
| Разработан: | ЦНИИЭП |
| Утверждён: | 19.07.1977 Госгражданстрой (Gosgrazhdanstroy 144) |















