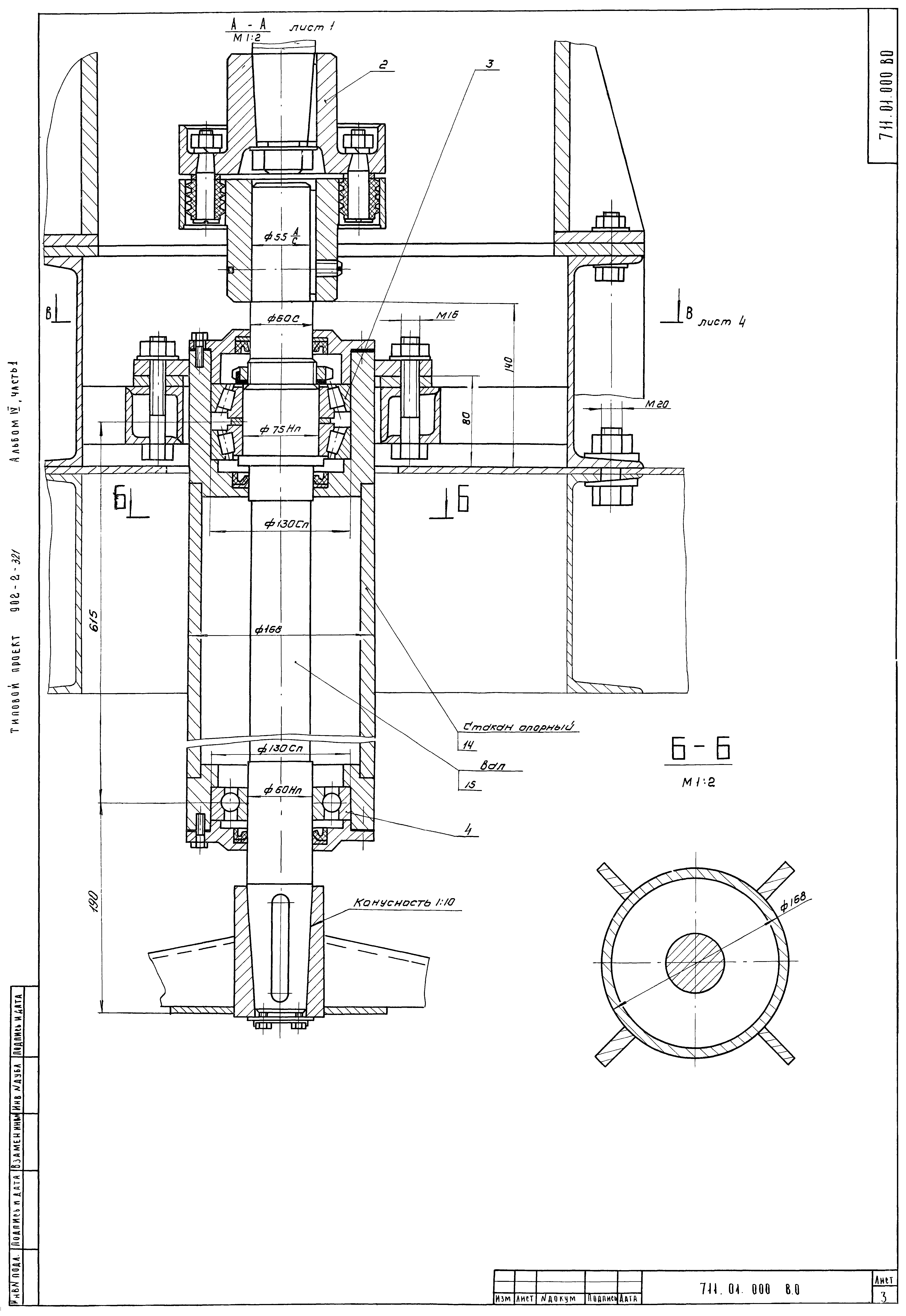
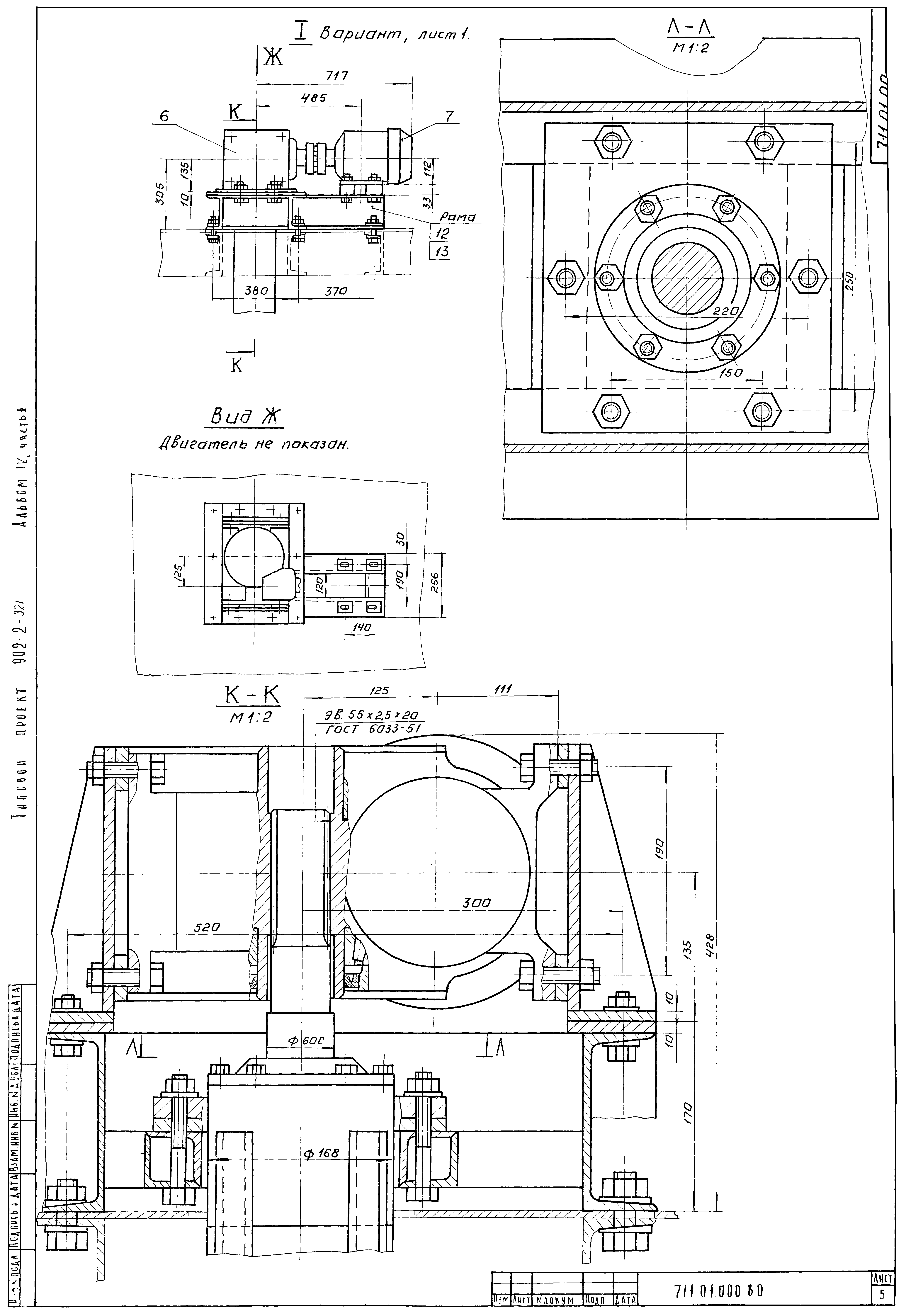
Скачать Типовой проект 902-2-320 Альбом IV. Часть 1. Нестандартизированное оборудование. Оборудование хлордозаторной. Аэратор механический, поверхностный, вертикальный диаметром 1,0 м (АМПВ-1,0) (из ТП 902-2-321)Дата актуализации: 01.01.2021 Типовой проект 902-2-320
Альбом IV. Часть 1. Нестандартизированное оборудование. Оборудование хлордозаторной. Аэратор механический, поверхностный, вертикальный диаметром 1,0 м (АМПВ-1,0) (из ТП 902-2-321)| Обозначение: | Типовой проект 902-2-320 | | Обозначение англ: | 902-2-320 | | Статус: | действует | | Название рус.: | Альбом IV. Часть 1. Нестандартизированное оборудование. Оборудование хлордозаторной. Аэратор механический, поверхностный, вертикальный диаметром 1,0 м (АМПВ-1,0) (из ТП 902-2-321) | | Дата добавления в базу: | 01.09.2013 | | Дата актуализации: | 01.01.2021 | | Дата введения: | 29.09.1978 | | Разработан: | ЦНИИЭП
| | Утверждён: | 19.07.1977 Госгражданстрой (Gosgrazhdanstroy 144)
|
              
|