Скачать Типовой проект 310-5-4 Альбом IV. КМИ. Изделия заводского изготовления. Изделия металлические (из ТП 310-4-1)Дата актуализации: 01.01.2021
|
| Обозначение: | Типовой проект 310-5-4 |
| Обозначение англ: | 310-5-4 |
| Статус: | не определен законодательством |
| Название рус.: | Альбом IV. КМИ. Изделия заводского изготовления. Изделия металлические (из ТП 310-4-1) |
| Дата добавления в базу: | 01.09.2013 |
| Дата актуализации: | 01.01.2021 |
| Дата введения: | 12.04.1982 |
| Дата окончания срока действия: | 30.06.2003 |
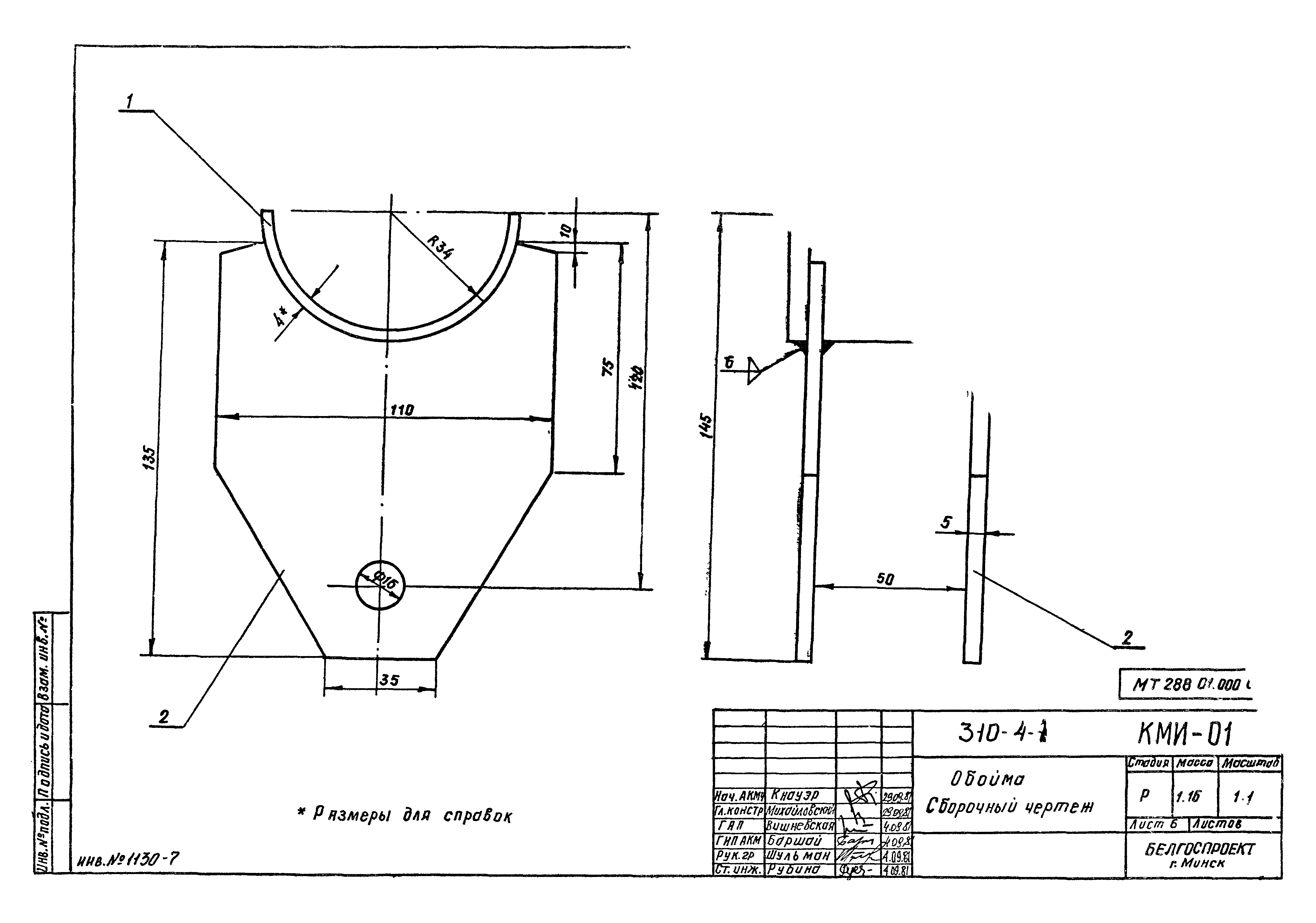
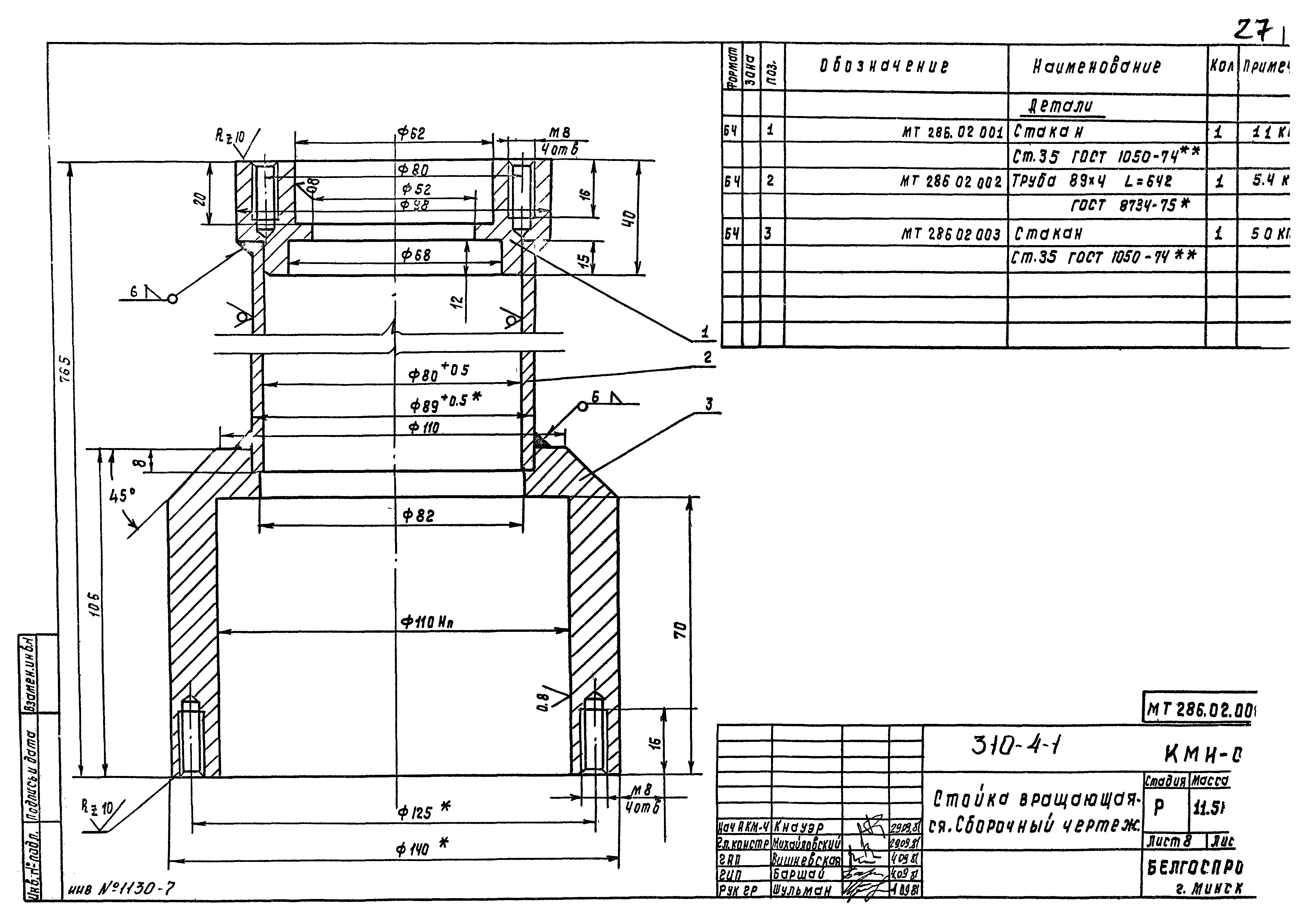
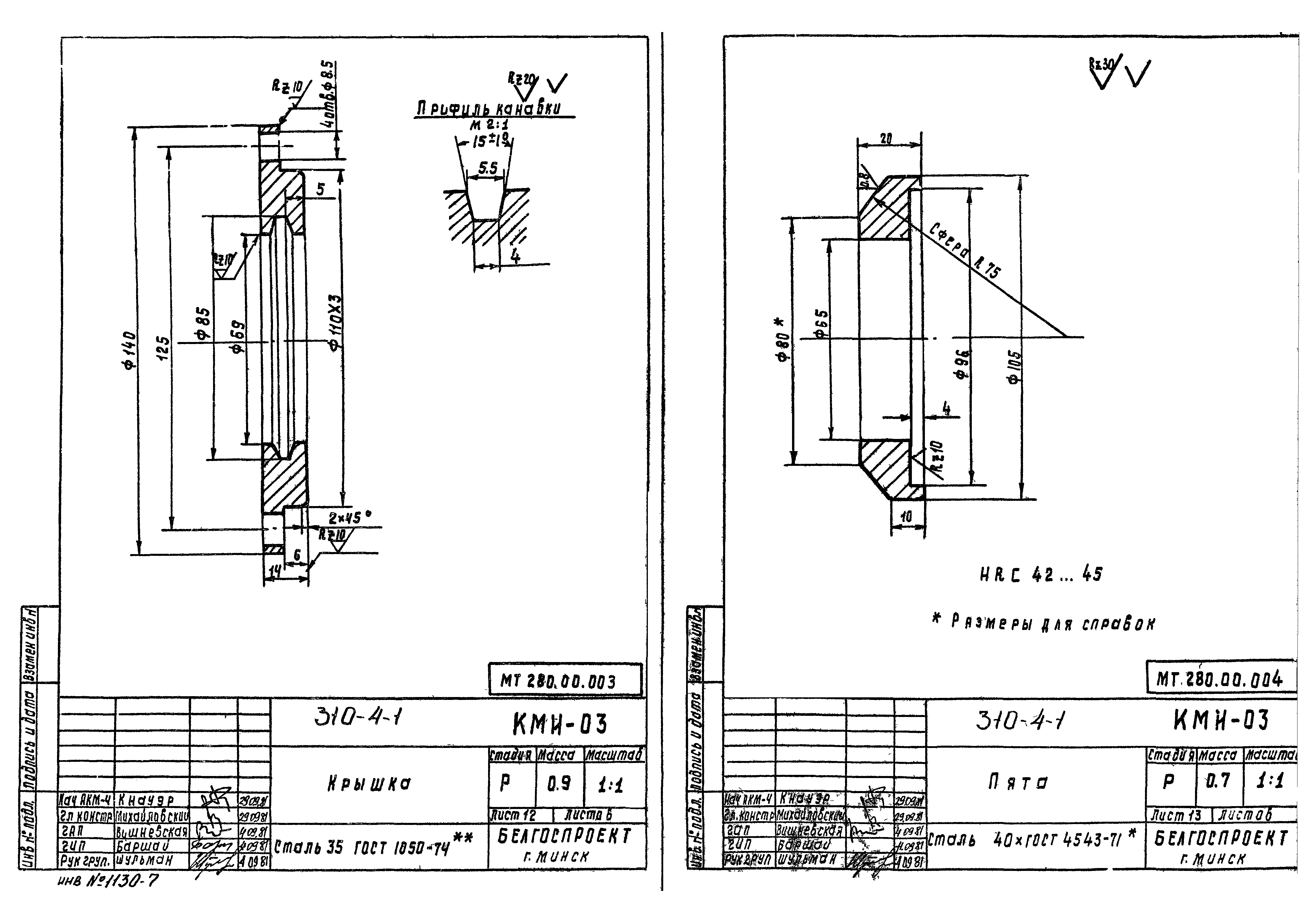
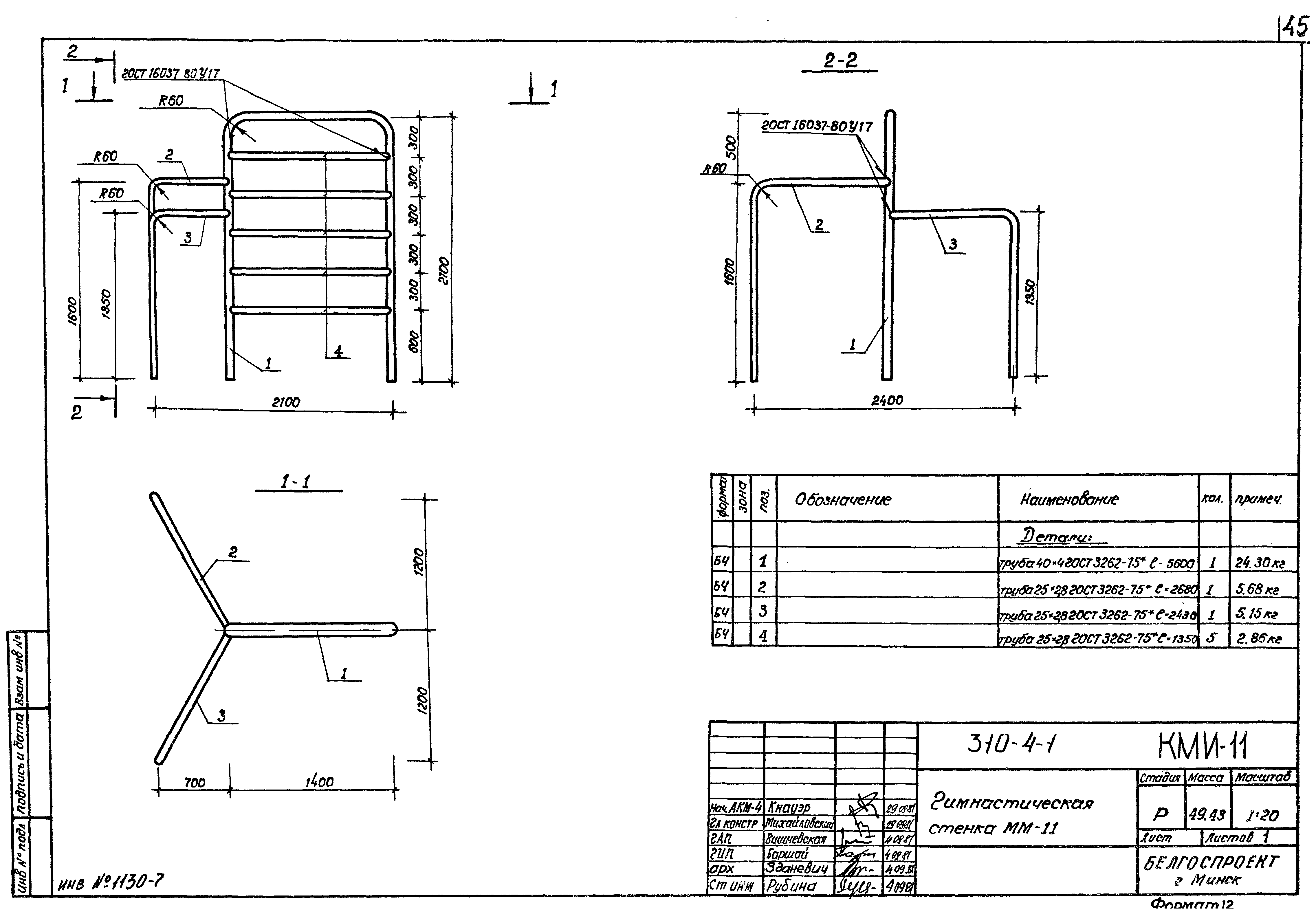
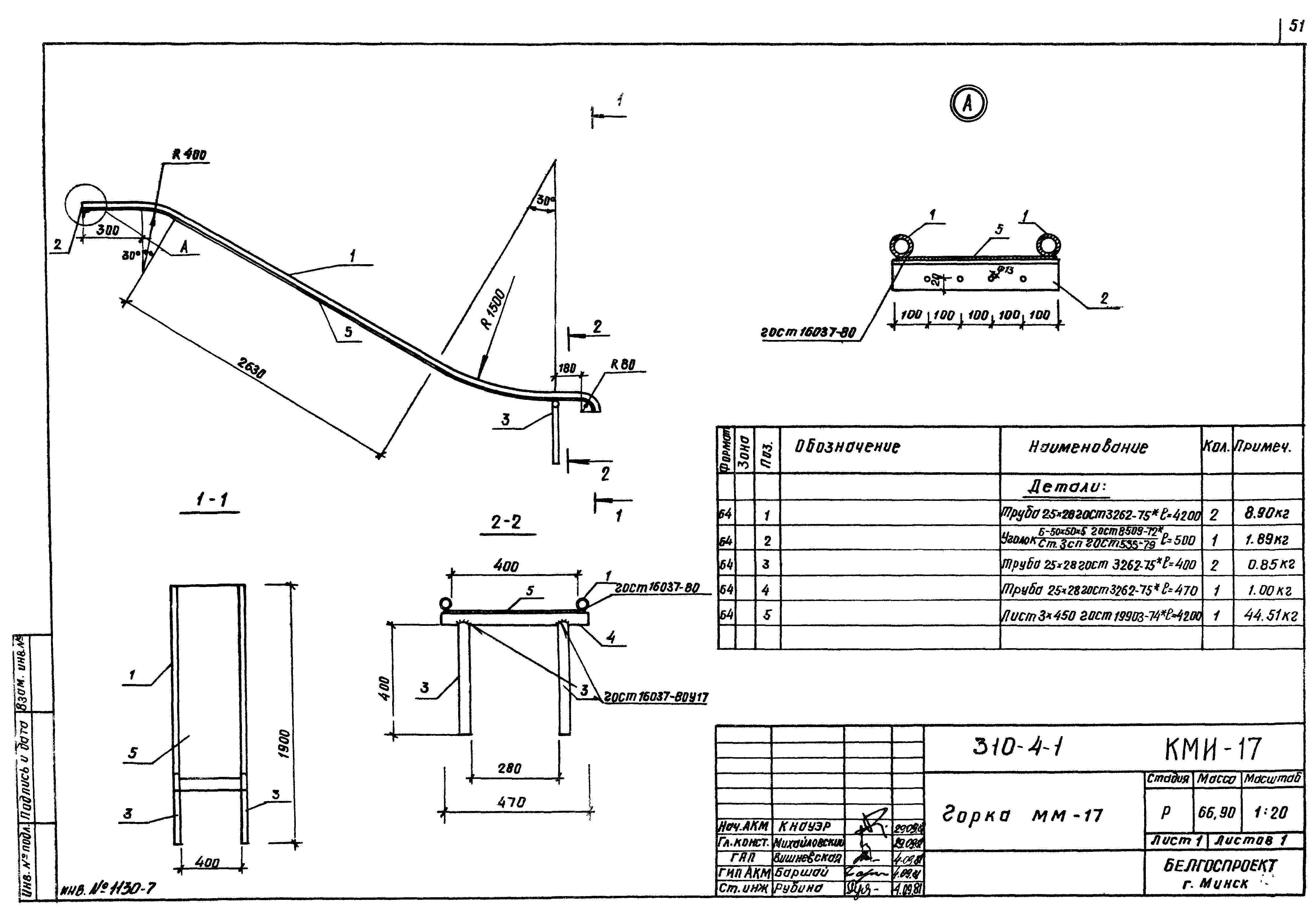
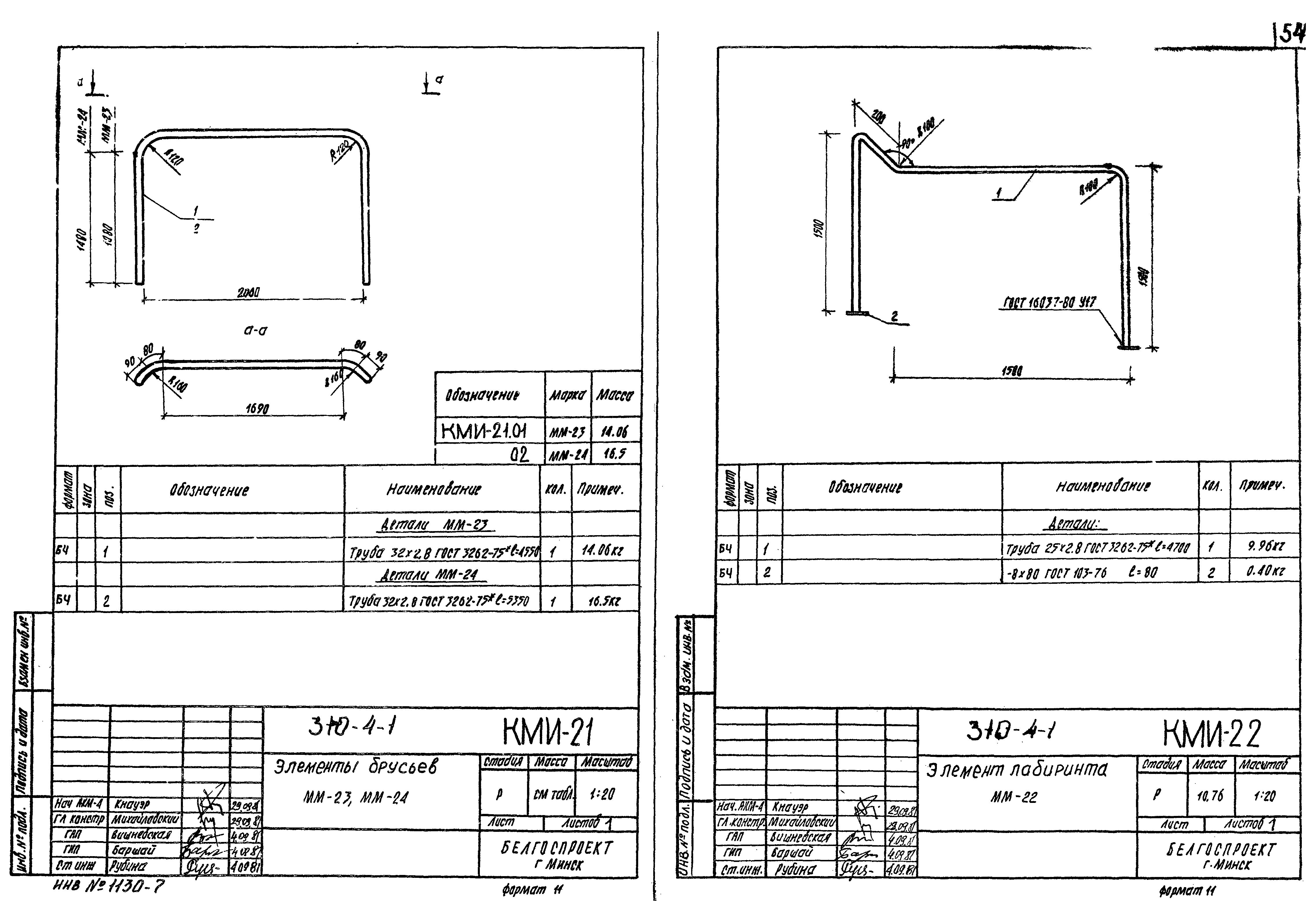
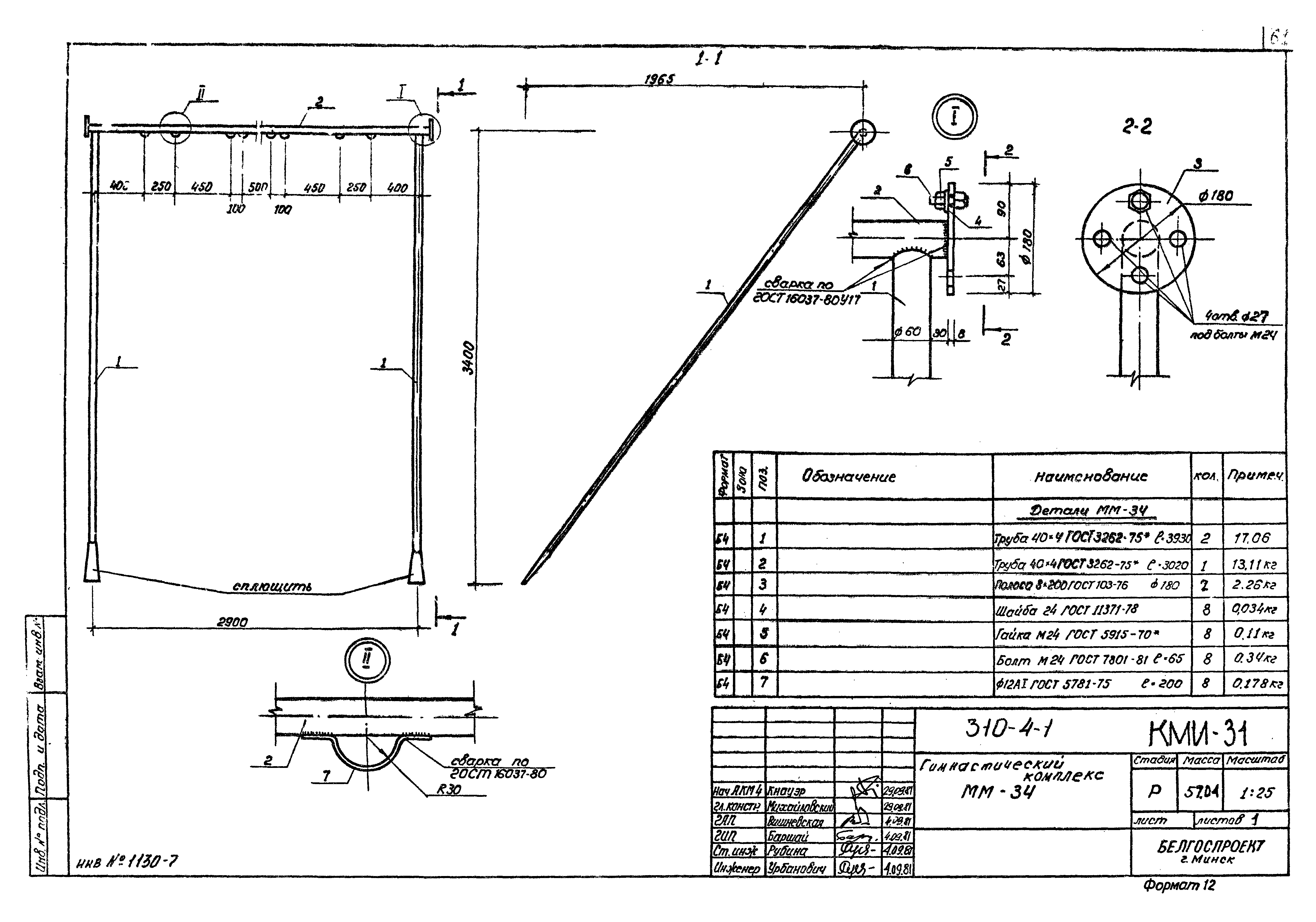
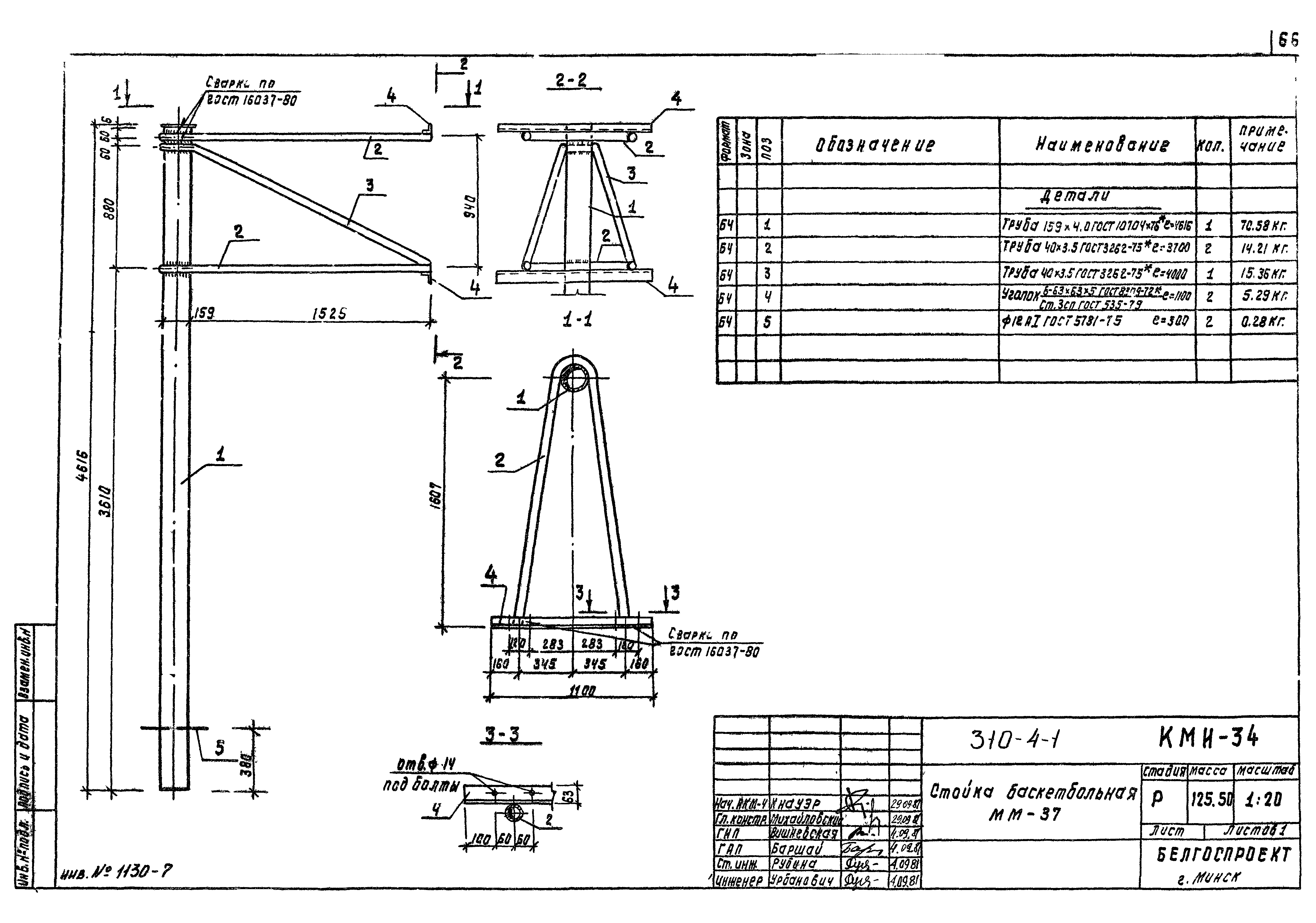
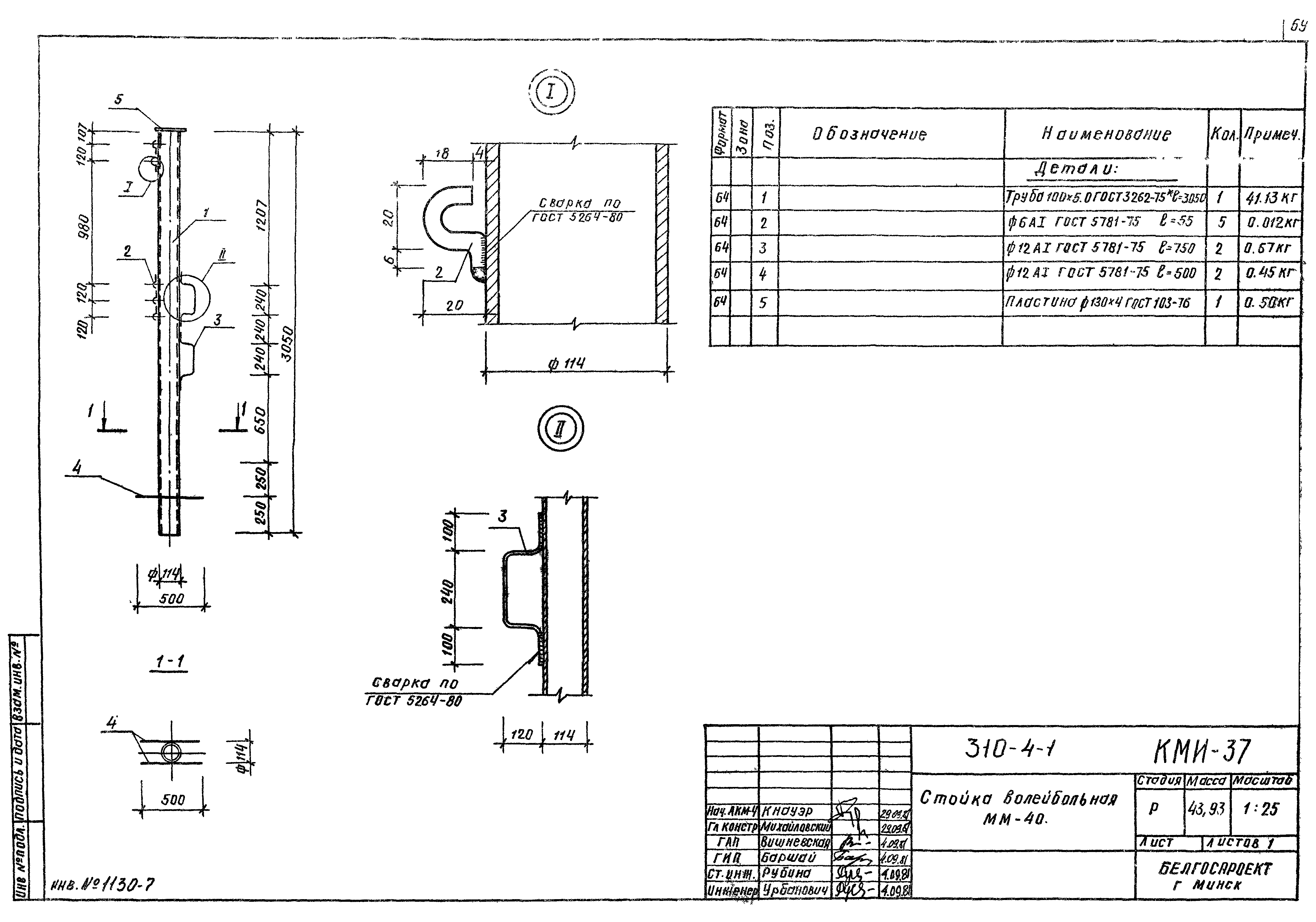
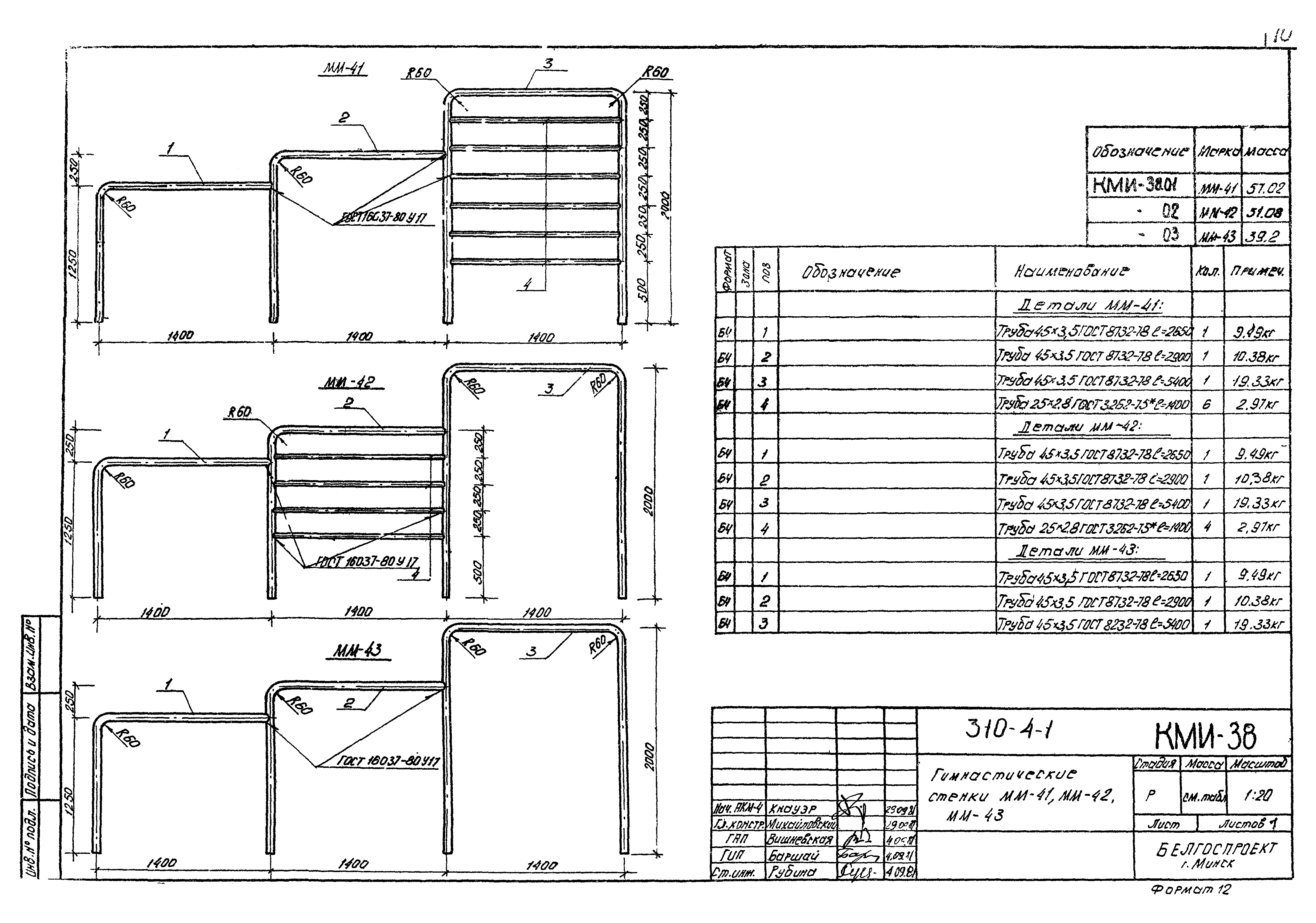
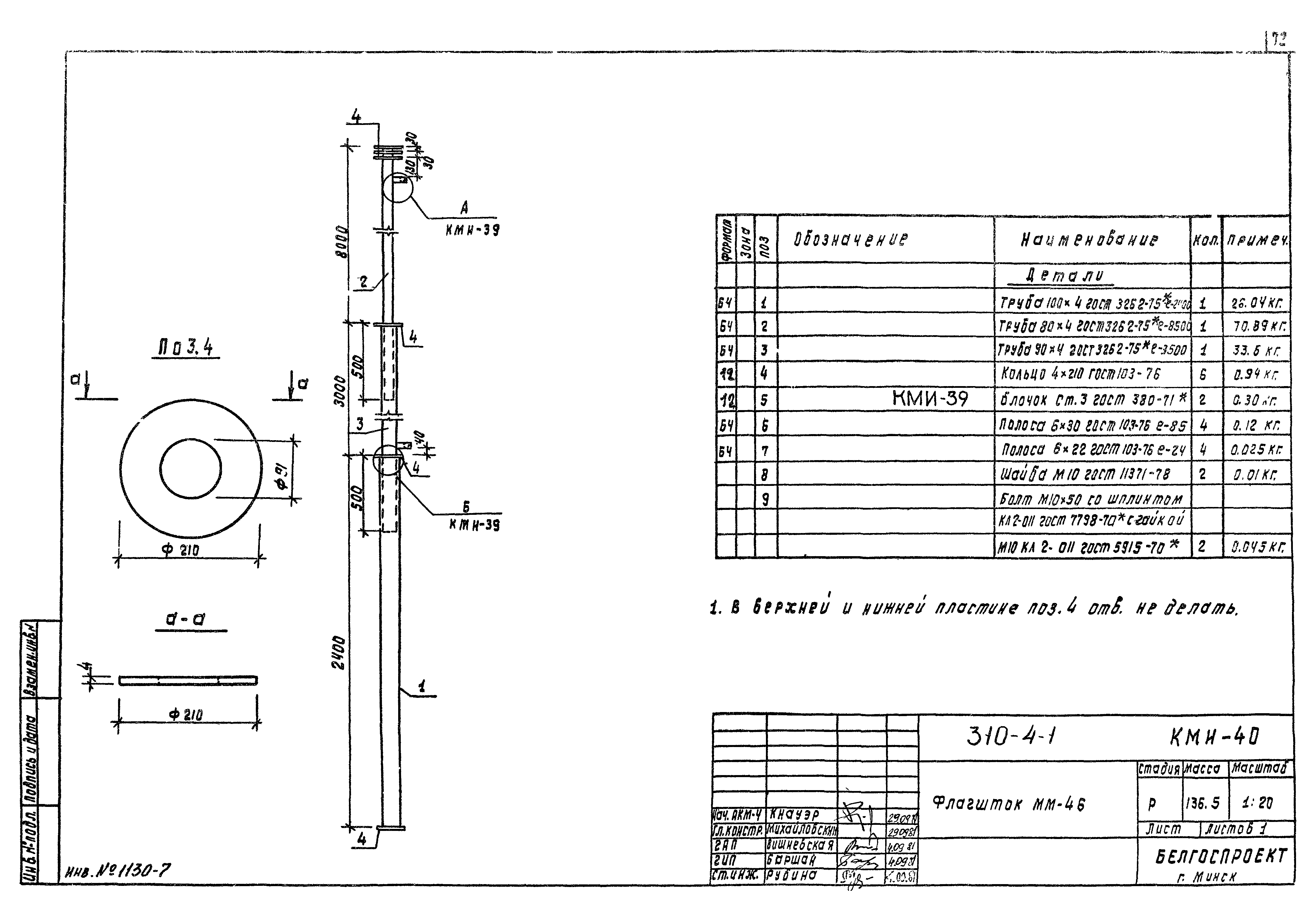
| Оглавление: | ТП 310-4-1-КМИ-ДО Общие данные (начало) ТП 310-4-1-КМИ-ДО Общие данные (продолжение) ТП 310-4-1-КМИ-ДО Общие данные (окончание) ТП 310-4-1-КИИ-00 Номенклатура металлических изделий (начало) ТП 310-4-1-КМИ-00 Номенклатура металлических изделий (продолжение) ТП 310-4-1-КМИ-00 Номенклатура металлических изделий (окончание) ТП 310-4-1-КМИ-01 Качели ММ-1 ТП 310-4-1-КМИ-02 Карусель ММ-2 ТП 310-4-1-КМИ-03 Карусель ММ-3 ТП 310-4-1-КМИ-04 Барабан ММ-4 ТП 310-4-1-КМИ-05 Рукоход ММ-5 ТП 310-4-1-КМИ-06 Турник ММ-6 ТП 310-4-1-КМИ-07 Шведская стенка ММ-7 ТП 310-4-1-КМИ-08 Рукоход ММ-8 ТП 310-4-1-КМИ-09 Башня ММ-9 ТП 310-4-1-КМИ-10 Стойка ММ-10 ТП 310-4-1-КМИ-11 Гимнастическая стенка ММ-11 ТП 310-4-1-КМИ-12 Фигурный душ ММ-12 ТП 310-4-1-КМИ-13 Стойка ММ-13 ТП 310-4-1-КМИ-14 Горка ММ-14 ТП 310-4-1-КМИ-15 Горка ММ-15 ТП 310-4-1-КМИ-16 Горка ММ-16 ТП 310-4-1-КМИ-17 Горка ММ-17 ТП 310-4-1-КМИ-18 Спираль ММ-18 ТП 310-4-1-КМИ-19 Элементы лабиринта ММ-19,ММ-20 ТП 310-4-1-КМИ-20 Элементы лабиринта ММ-21,ММ-21Н ТП 310-4-1-КМИ-21 Элементы брусьев ММ-23,ММ-24 ТП 310-4-1-КМИ-22 Элемент лабиринта ММ-20 ТП 310-4-1-КМИ-23 Лиана ММ-25 ТП 310-4-1-КМИ-24 Лиана ММ-26 ТП 310-4-1-КМИ-25 Лиана ММ-27 ТП 310-4-1-КМИ-26 Кольцо ММ-44 ТП 310-4-1-КМИ-27 Мачта для лазания ММ-28 ТП 310-4-1-КМИ-28 Сетка для лазания ММ-29,ММ-30 ТП 310-4-1-КМИ-29 Сетка для лазания ММ-31,ММ-32 ТП 310-4-1-КМИ-30 Гимнастический комплекс ММ-33 ТП 310-4-1-КМИ-31 Гимнастический комплекс ММ-34 ТП 310-4-1-КМИ-32 Ворота хоккейные ММ-35 ТП 310-4-1-КМИ-33 Стойка баскетбольная ММ-36 ТП 310-4-1-КМИ-34 Стойка баскетбольная ММ-37 ТП 310-4-1-КМИ-35 Опорная рама ММ-38 ТП 310-4-1-КМИ-36 Ворота футбольные ММ-39 ТП 310-4-1-КМИ-37 Стойка волейбольная ММ-40 ТП 310-4-1-КМИ-38 Гимнастические стенки ММ-41,ММ-42,ММ-43 ТП 310-4-1-КМИ-39 Флагшток ММ-45 ТП 310-4-1-КМИ-40 Флагшток ММ-46 ТП 310-4-1-КМИ-41 Элементы ММ-47,ММ-48 ТП 310-4-1-КМИ-42 Кольцо ММ-49,ММ-50 ТП 310-4-1-КМИ-43 Элементы ММ-51,ММ-52 ТП 310-4-1-КМИ-44 Ограждение лестниц ММ-54,ММ-55 ТП 310-4-1-КМИ-45 Ведра ММ-56,ММ-57 ТП 310-4-1-КМИ-46 Кронштейн для скамьи ММ-58 ТП 310-4-1-КМИ-47 Опора качалки ММ-76 ТП 310-4-1-КМИ-48 Ручка качалки ММ-59,ММ-60 ТП 310-4-1-КМИ-49 Элементы ММ-61,ММ-62 ТП 310-4-1-КМИ-50 Стойка ММ-63,ММ-63н ТП 310-4-1-КМИ-51 Стойка М-64 ТП 310-4-1-КМИ-52 Стойка М-65 ТП 310-4-1-КМИ-53 Стойка ММ-66,ММ-66н ТП 310-4-1-КМИ-54 Стойка ММ-67,ММ-67н ТП 310-4-1-КМИ-55 Кронштейн для скамьи ММ-68 ТП 310-4-1-КМИ-56 Крепежный элемент ММ-77 ТП 310-4-1-КМИ-57 Узел крепления качалки ММ-69 ТП 310-4-1-КМИ-58 Элементы ММ-70,ММ-71 ТП 310-4-1-КМИ-59 Элемент ММ-72 ТП 310-4-1-КМИ-60 Элементы каркаса зонта ММ-73,ММ-74 ТП 310-4-1-КМИ-61 Контейнер для пищевых отходов ММ-75 ТП 310-4-1-КМИ-62 Крепежный элемент ММ-78 ТП 310-4-1-КМИ-63 Ведро ММ-79 ТП 310-4-1-КМИ-64 Лестница ММ-80 ТП 310-4-1-КМИ-65 Лестница ММ-81 ТП 310-4-1-КМИ-66 Элементы ММ-82,ММ-83 ТП 310-4-1-КМИ-67 Элемент ММ-84 ТП 310-4-1-КМИ-68 Стойка ММ-85 ТП 310-4-1-КМИ-69 Поручень ММ-86 ТП 310-4-1-КМИ-70 Стяжка ММ-87,ММ-88,ММ-89 ТП 310-4-1-КМИ-71 Стяжка ММ-90,ММ-91 ТП 310-4-1-КМИ-72 Стяжка ММ-92,ММ-93,ММ-94 ТП 310-4-1-КМИ-73 Поручень ММ-95 ТП 310-4-1-КМИ-74 Качалка ММ-96 ТП 310-4-1-КМИ-75 Стойка ММ-97 ТП 310-4-1-КМИ-76 Стойка ММ-98 ТП 310-4-1-КМИ-77 Стойка ММ-100,ММ-100н ТП 310-4-1-КМИ-78 Стойка ММ-99 ТП 310-4-1-КМИ-79 Крепежный элемент ММ-102 ТП 310-4-1-КМИ-80 Крепежный элемент ММ-103 ТП 310-4-1-КМИ-81 Элементы ММ-104,ММ-105 ТП 310-4-1-КМИ-82 Поручень ММ-106 ТП 310-4-1-КМИ-83 Перекладина ММ-107 ТП 310-4-1-КМИ-84 Решетка МР-2 ТП 310-4-1-КМИ-85 Решетка МР-1 |
| Разработан: | Белгоспроект |
| Утверждён: | 30.04.1976 Госстрой БССР (BSSR Gosstroy 59) |



































































































