Скачать Типовой проект 0901-9-22.87 Альбом II. Электротехническая часть. Технологический контроль (из ТП 0901-9-17.1.87)Дата актуализации: 01.01.2021
|
| Обозначение: | Типовой проект 0901-9-22.87 |
| Обозначение англ: | 0901-9-22.87 |
| Статус: | не определен законодательством |
| Название рус.: | Альбом II. Электротехническая часть. Технологический контроль (из ТП 0901-9-17.1.87) |
| Дата добавления в базу: | 01.09.2013 |
| Дата актуализации: | 01.01.2021 |
| Дата введения: | 16.10.1987 |
| Дата окончания срока действия: | 30.06.2003 |
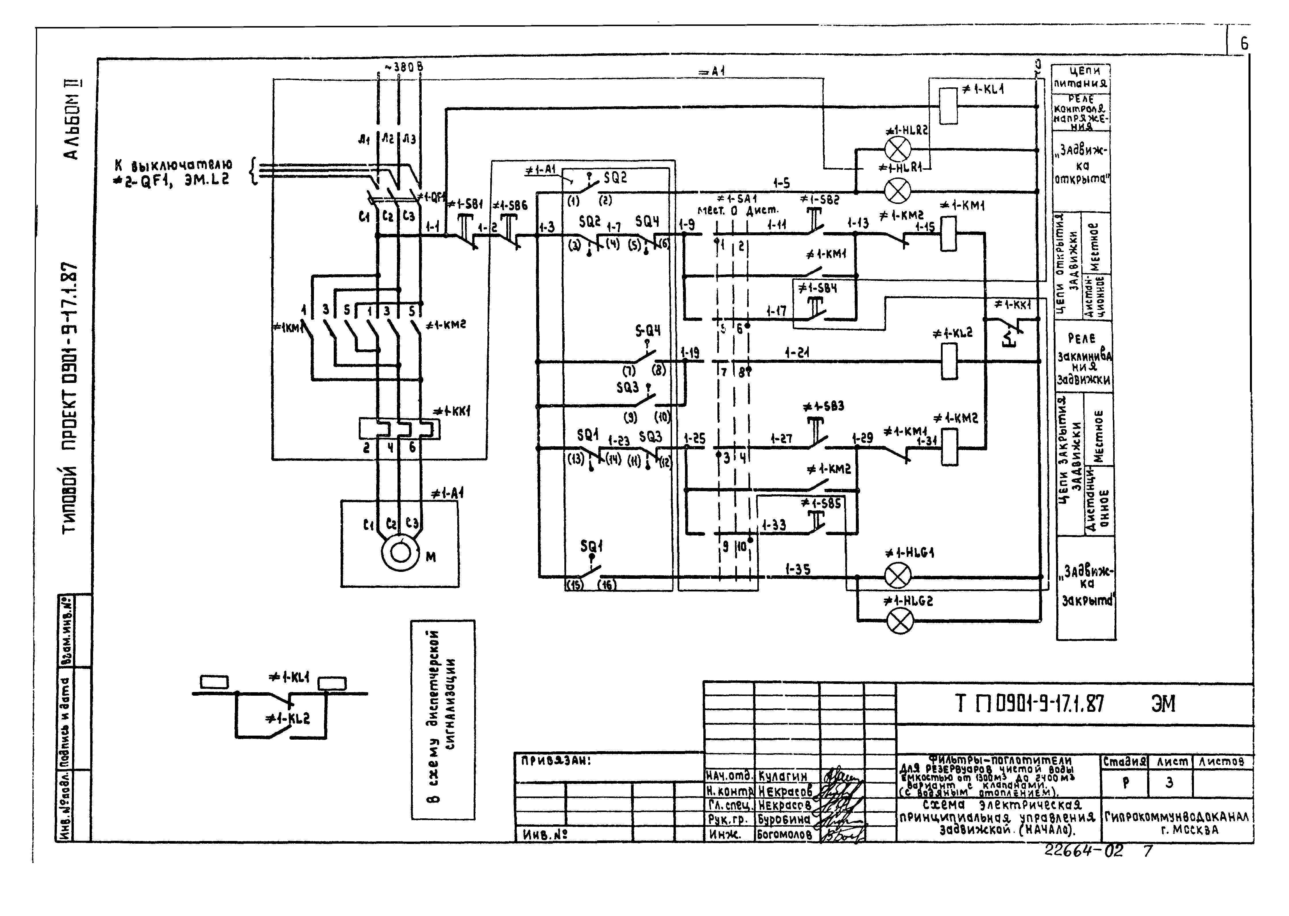
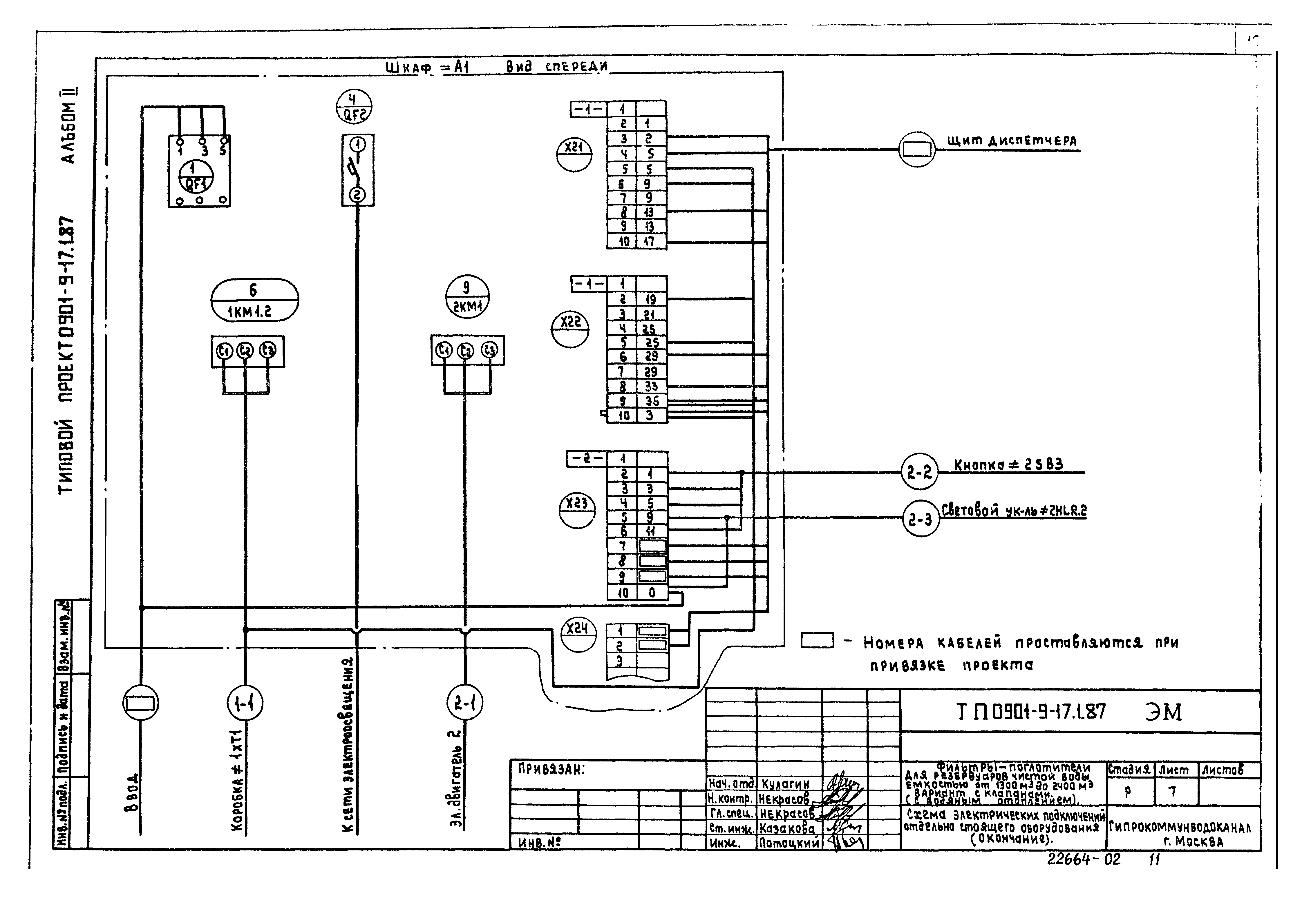
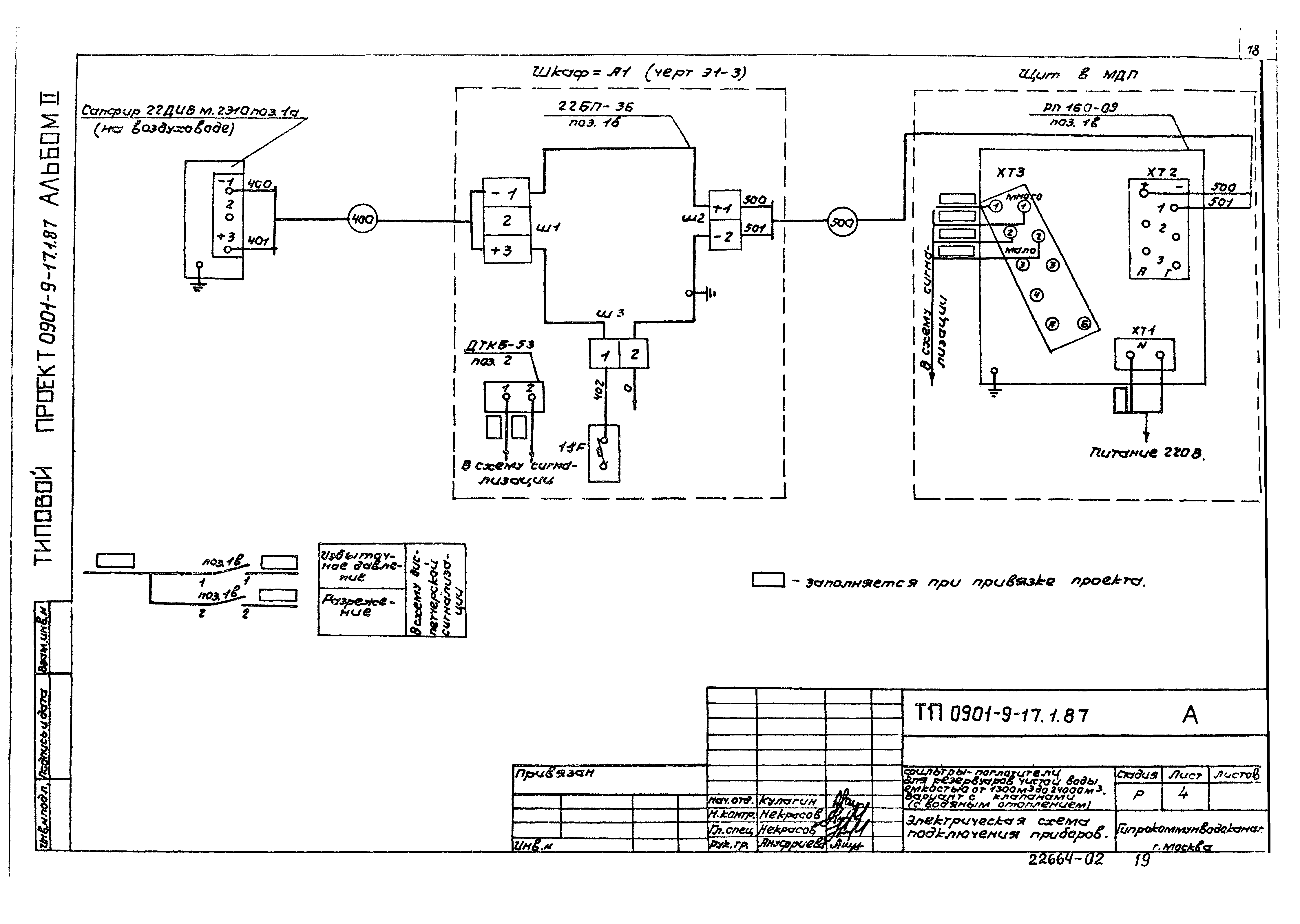
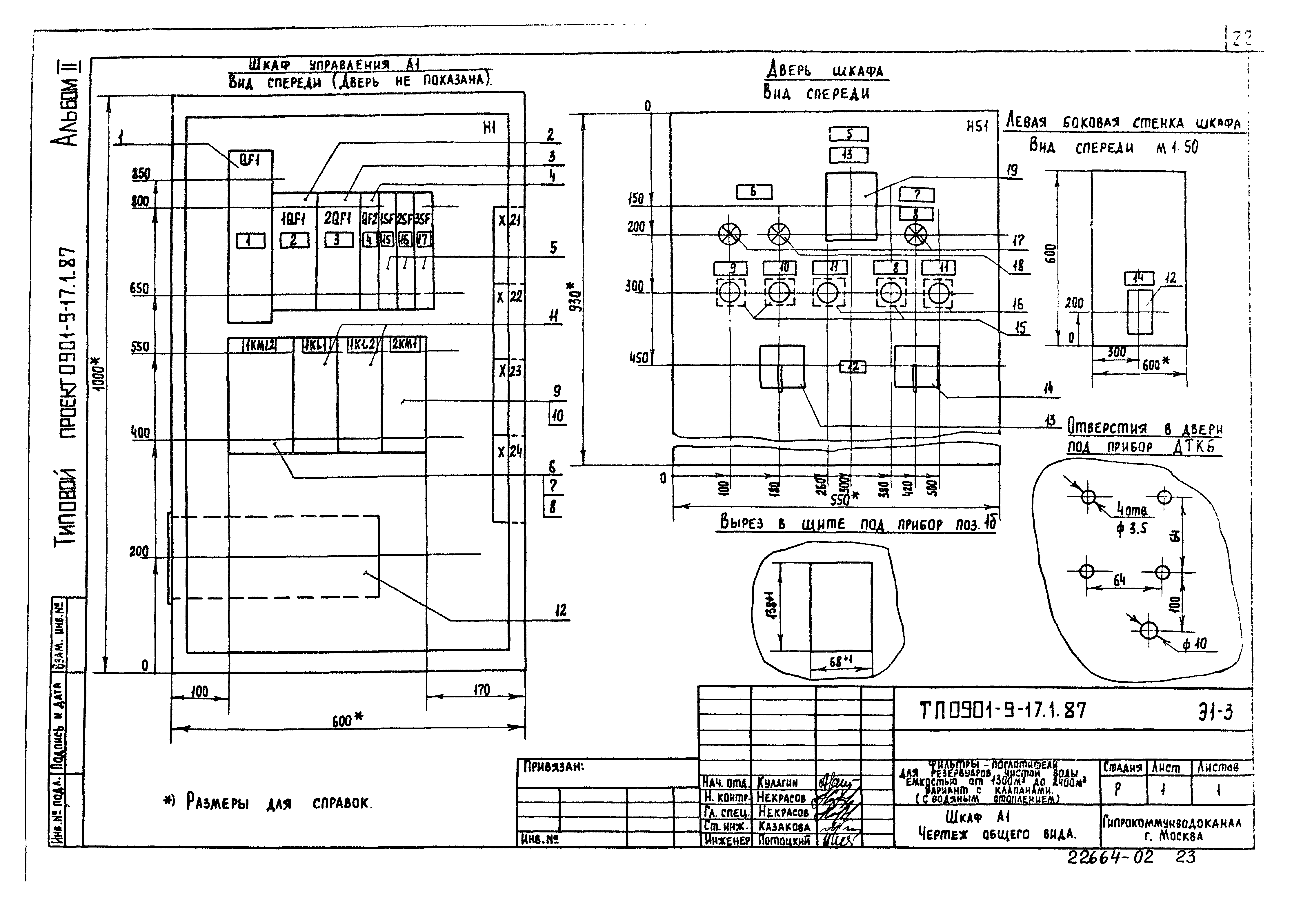
| Оглавление: | ТП 0901-9-17.1.87 Содержание альбома ТП 0901-9-17.1.87-ПЗ Пояснительная записка ТП 0901-9-17.1.87-ЭМ Основной комплект чертежей марки ЭМ ТП 0901-9-17.1.87-ЭМ-1 Общие данные ТП 0901-9-17.1.87-ЭМ-2 Схема электрическая принципиальная однолинейная 380/220 В ТП 0901-9-17.1.87-ЭМ-3 Схема электрическая принципиальная управления задвижкой ТП 0901-9-17.1.87-ЭМ-4 Схема электрическая принципиальная управления вентилятором ТП 0901-9-17.1.87-ЭМ-5 Схема электрических подключений отдельностоящего оборудования ТП 0901-9-17.1.87-ЭМ-6 Кабельный журнал. Сводка кабелей и проводов ТП 0901-9-17.1.87-ЭМ-7 Расположение электрооборудования, прокладка труб и кабелей. Зануление ТП 0901-9-17.1.87-ЭМ-8 Электроосвещение ТП 0901-9-17.1.87-А Основной комплект чертежей марки А ТП 0901-9-17.1.87-А-1 Общие данные ТП 0901-9-17.1.87-А-2 Схема функциональная ТП 0901-9-17.1.87-А-3 Схема внешних кабельных и трубных проводок. Схема электрическая принципиальная питания приборов ТП 0901-9-17.1.87-А-4 Электрическая схема подключения приборов ТП 0901-9-17.1.87-А-5 План расположения средств автоматизации и проводок ТП 0901-9-17.1.87-Э1 Задание заводу-изготовителю на шкаф=А1 марки Э1 ТП 0901-9-17.1.87-Э1-1 Содержание. Перечень комплектных устройств ТП 0901-9-17.1.87-Э1-2 Шкаф=А1. Технические данные аппаратов ТП 0901-9-17.1.87-Э1-3 Шкаф=А1. Чертеж общего вида ТП 0901-9-17.1.87-Э1-4 Шкаф=А1. Схема электрическая соединений ТП 0901-9-17.1.87-Э1-5 Шкаф=А1. Перечень надписей |
| Разработан: | Гипрокоммунводоканал Минжилкомхоза РСФСР |
| Утверждён: | 16.10.1987 МЖКХ РСФСР (12-ТД) |


























