Скачать Типовой проект 902-2-469.89 Альбом 4. Отстойники. Строительные изделияДата актуализации: 01.01.2021
|
| Обозначение: | Типовой проект 902-2-469.89 |
| Обозначение англ: | 902-2-469.89 |
| Статус: | не определен законодательством |
| Название рус.: | Альбом 4. Отстойники. Строительные изделия |
| Дата добавления в базу: | 01.09.2013 |
| Дата актуализации: | 01.01.2021 |
| Дата введения: | 27.04.1989 |
| Дата окончания срока действия: | 30.06.2003 |
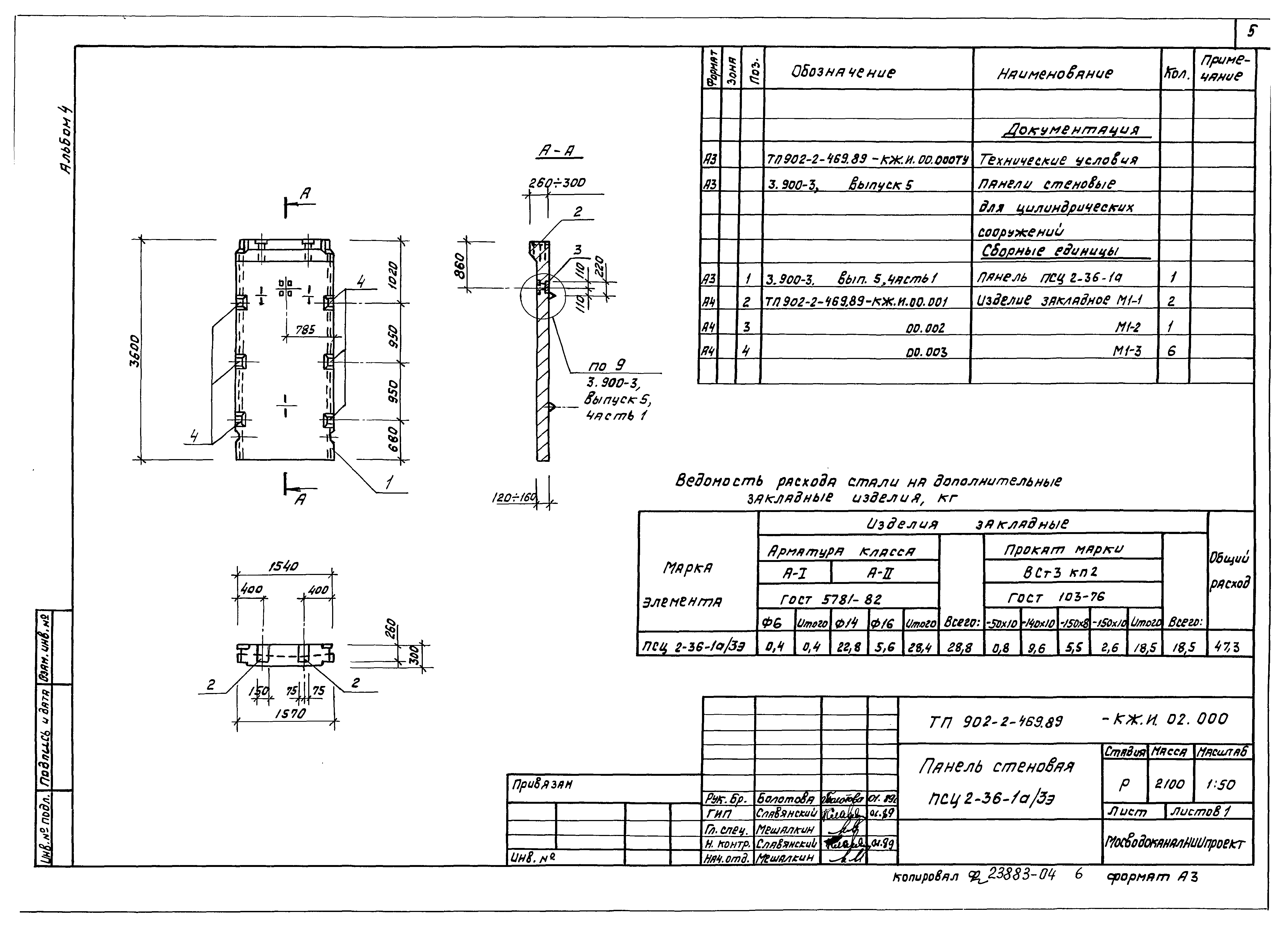
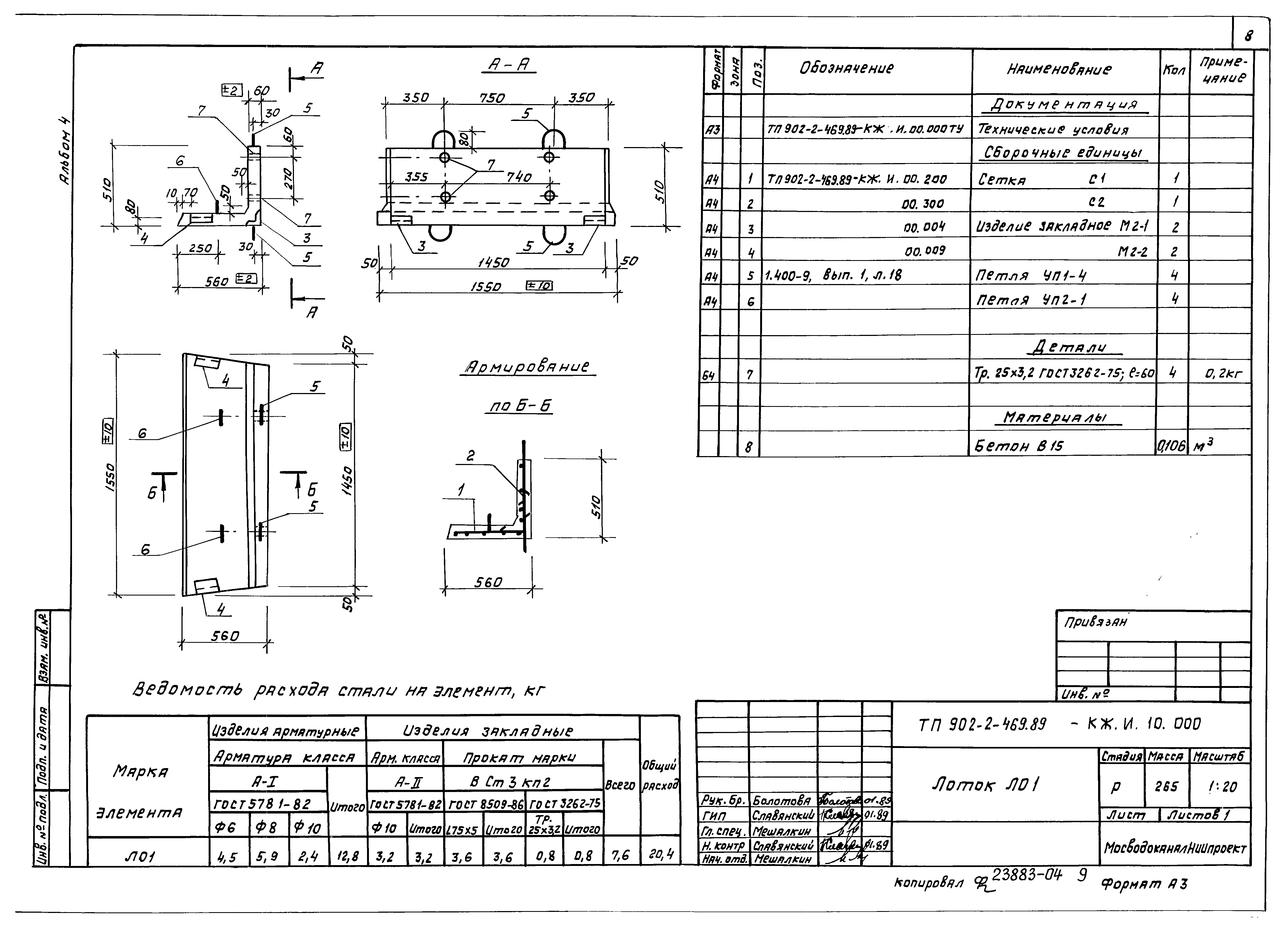
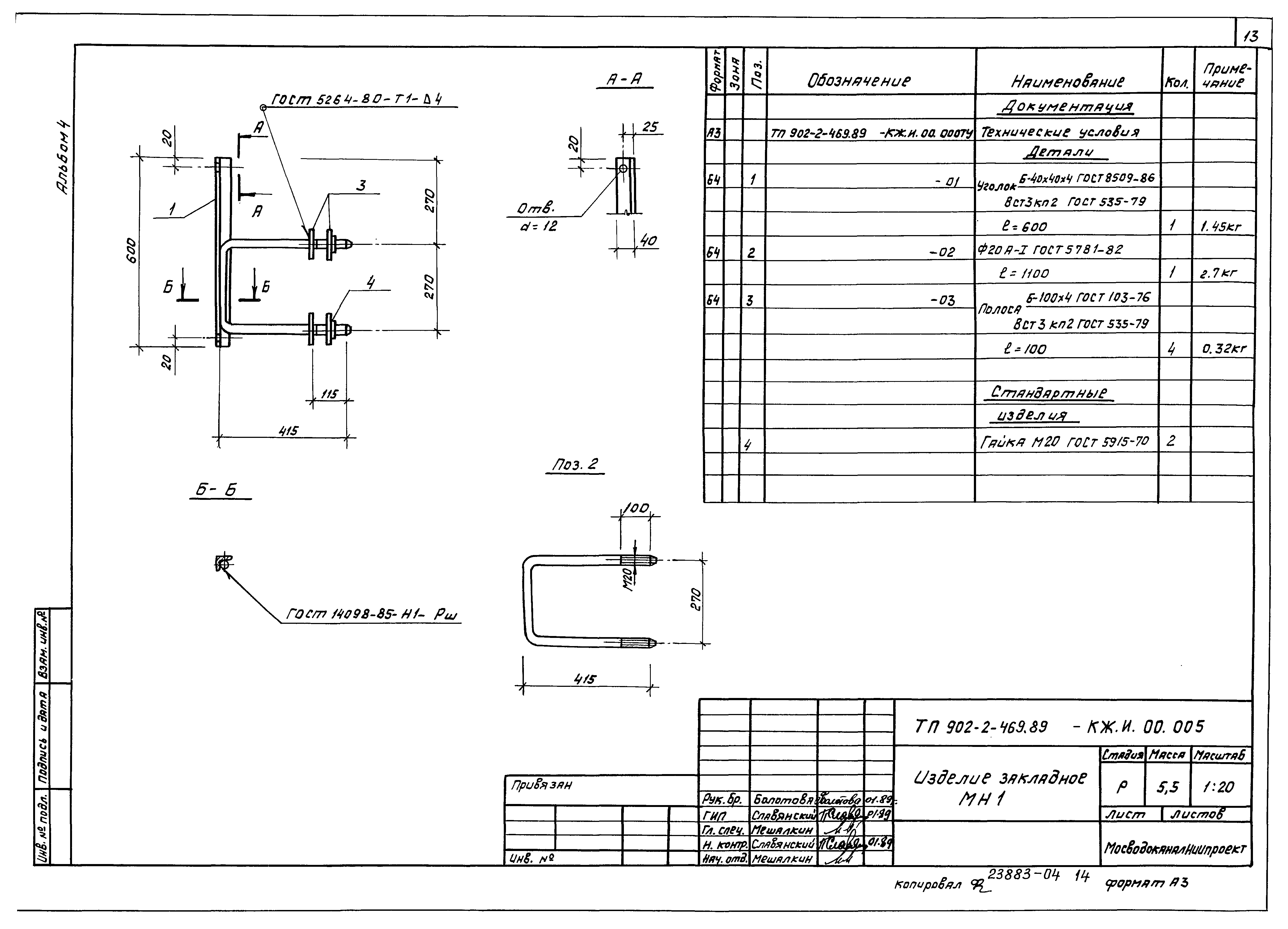
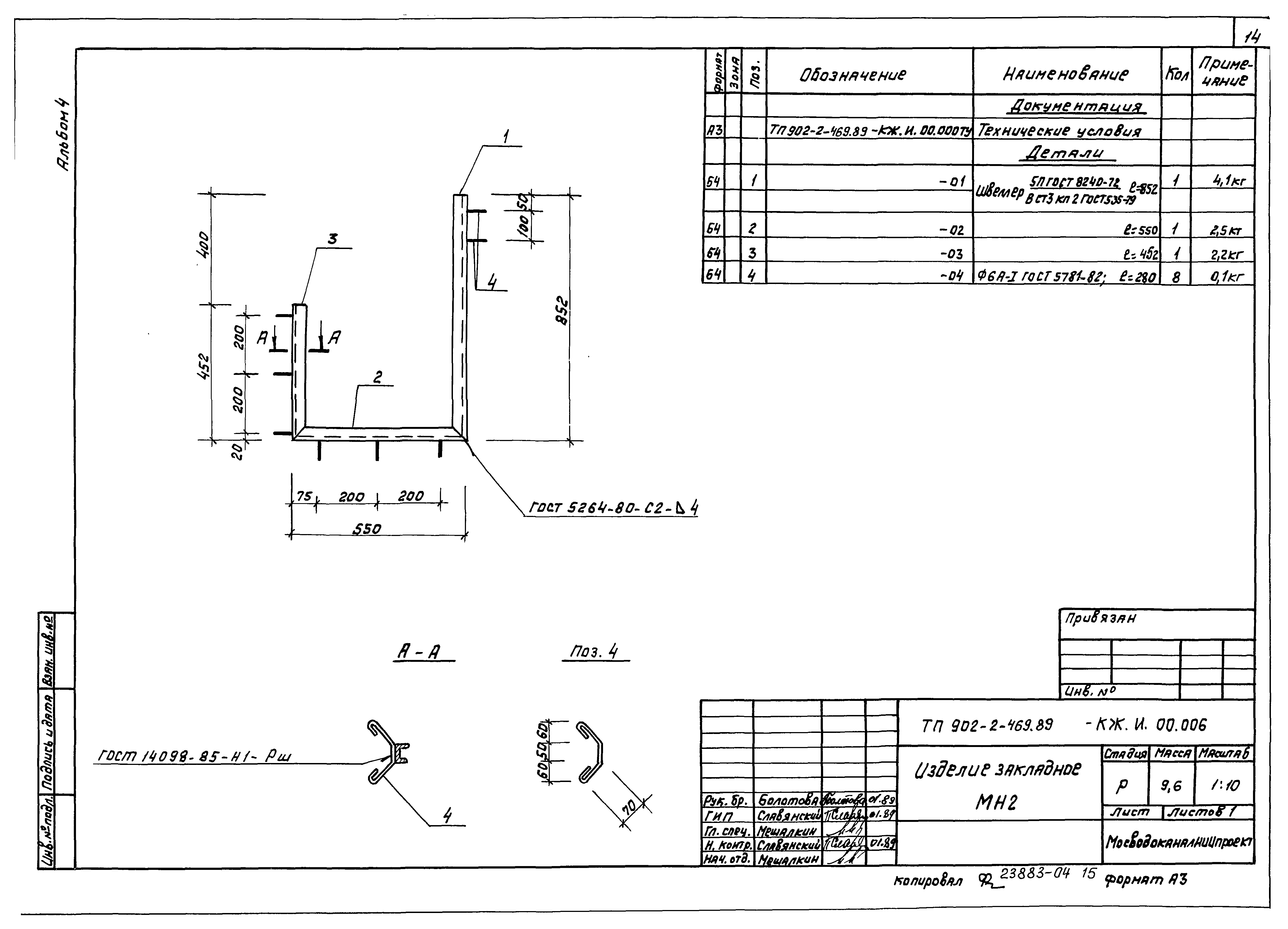
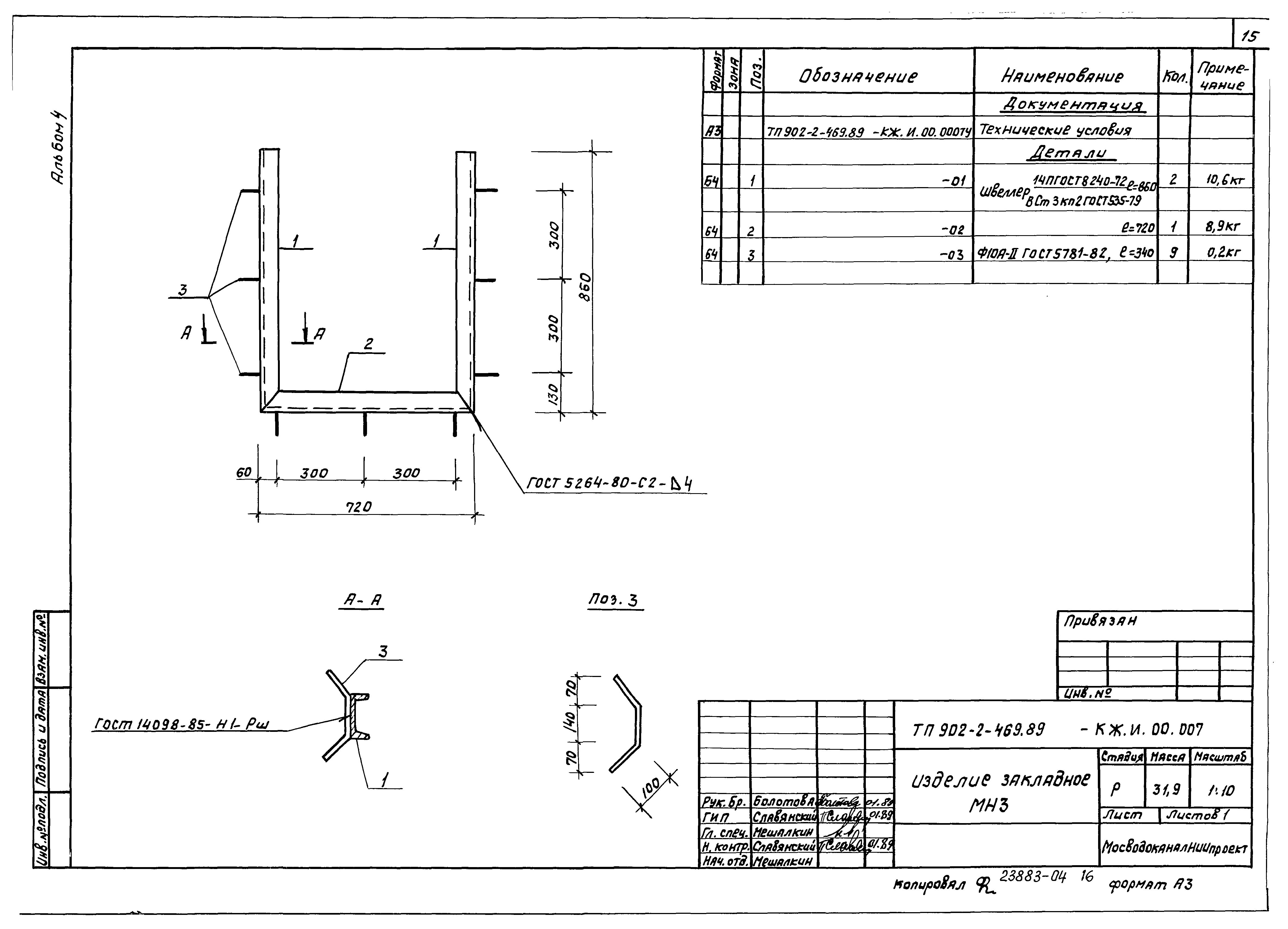
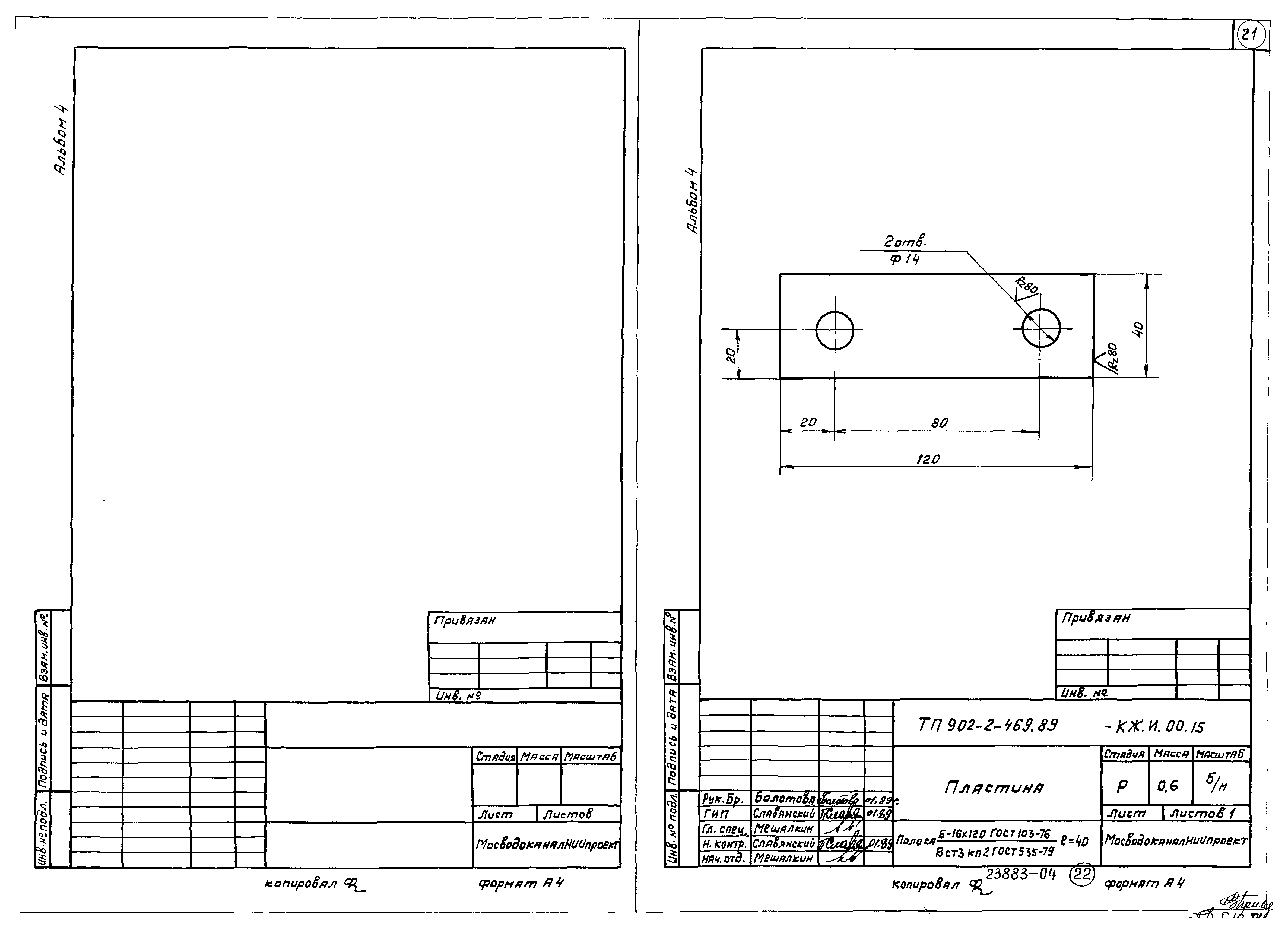
| Оглавление: | ТП 902-2-469.89 Содержание альбома ТП 902-2-469.89-КЖ.И.00.000.ТУ Технические условия ТП 902-2-469.89-01.000 Панель стеновая ПСЦ2-36-1а/3 ТП 902-2-469.89-02.000 Панель стеновая ПСЦ2-36-1а/3э ТП 902-2-469.89-03.000 Панель стеновая ПСЦ2-36-1а/4 ТП 902-2-469.89-04.000 Панель стеновая ПСЦ2-36-1а/4э ТП 902-2-469.89-10.000 Лоток ЛО1 ТП 902-2-469.89-00.100 Каркас плоский КР1 ТП 902-2-469.89-00.200 Сетка С1 ТП 902-2-469.89-00.300 Сетка С2 ТП 902-2-469.89-00.001 Изделие закладное М1-1 ТП 902-2-469.89-00.002 Изделие закладное М1-2 ТП 902-2-469.89-00.003 Изделие закладное М1-3 ТП 902-2-469.89-00.004 Изделие закладное М2-1 ТП 902-2-469.89-00.005 Изделие закладное МН1 ТП 902-2-469.89-00.006 Изделие закладное МН2 ТП 902-2-469.89-00.007 Изделие закладное МН3 ТП 902-2-469.89-00.008 Изделие закладное МН4 ТП 902-2-469.89-00.009 Изделие закладное М2-2 ТП 902-2-469.89-00.010 Изделие закладное МН5 ТП 902-2-469.89-00.011 Напрягаемый стержень НС1 ТП 902-2-469.89-00.012 Изделие закладное МН6 ТП 902-2-469.89-00.400 Электрозажим ЭЖ1 ТП 902-2-469.89-00.013 Пластина ТП 902-2-469.89-00.014 Пластина ТП 902-2-469.89-00.015 Пластина |
| Разработан: | МосводоканалНИИпроект |
| Утверждён: | 24.04.1989 Мосгорисполком (Mosgorispolkom 842р) |





















