Скачать Типовой проект 902-2-469.89 Альбом 6. Электросиловое оборудование. Автоматизация технологического процесса. Автоматизация вентсистемДата актуализации: 01.01.2021
|
| Обозначение: | Типовой проект 902-2-469.89 |
| Обозначение англ: | 902-2-469.89 |
| Статус: | не определен законодательством |
| Название рус.: | Альбом 6. Электросиловое оборудование. Автоматизация технологического процесса. Автоматизация вентсистем |
| Дата добавления в базу: | 01.09.2013 |
| Дата актуализации: | 01.01.2021 |
| Дата введения: | 27.04.1989 |
| Дата окончания срока действия: | 30.06.2003 |
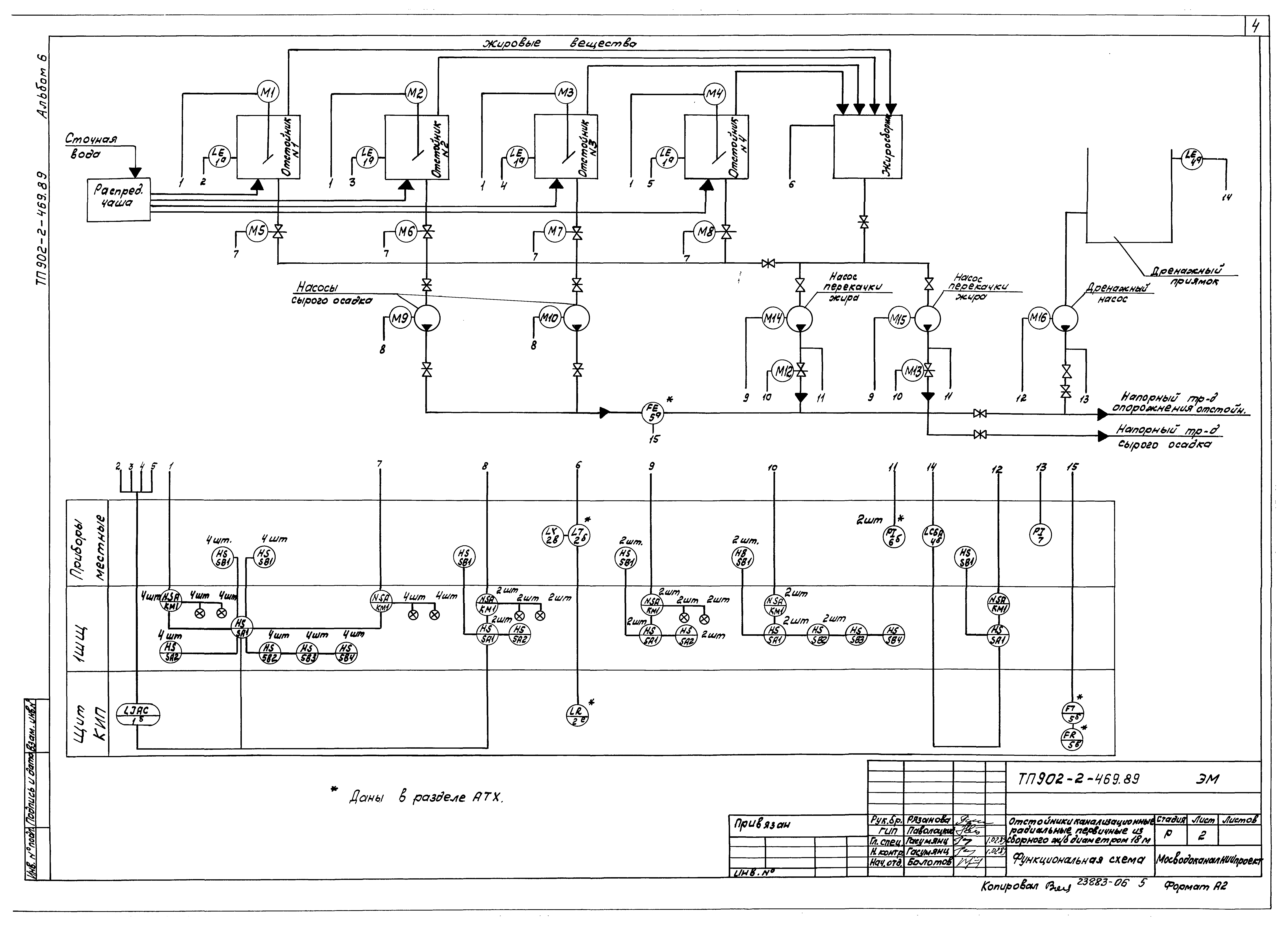
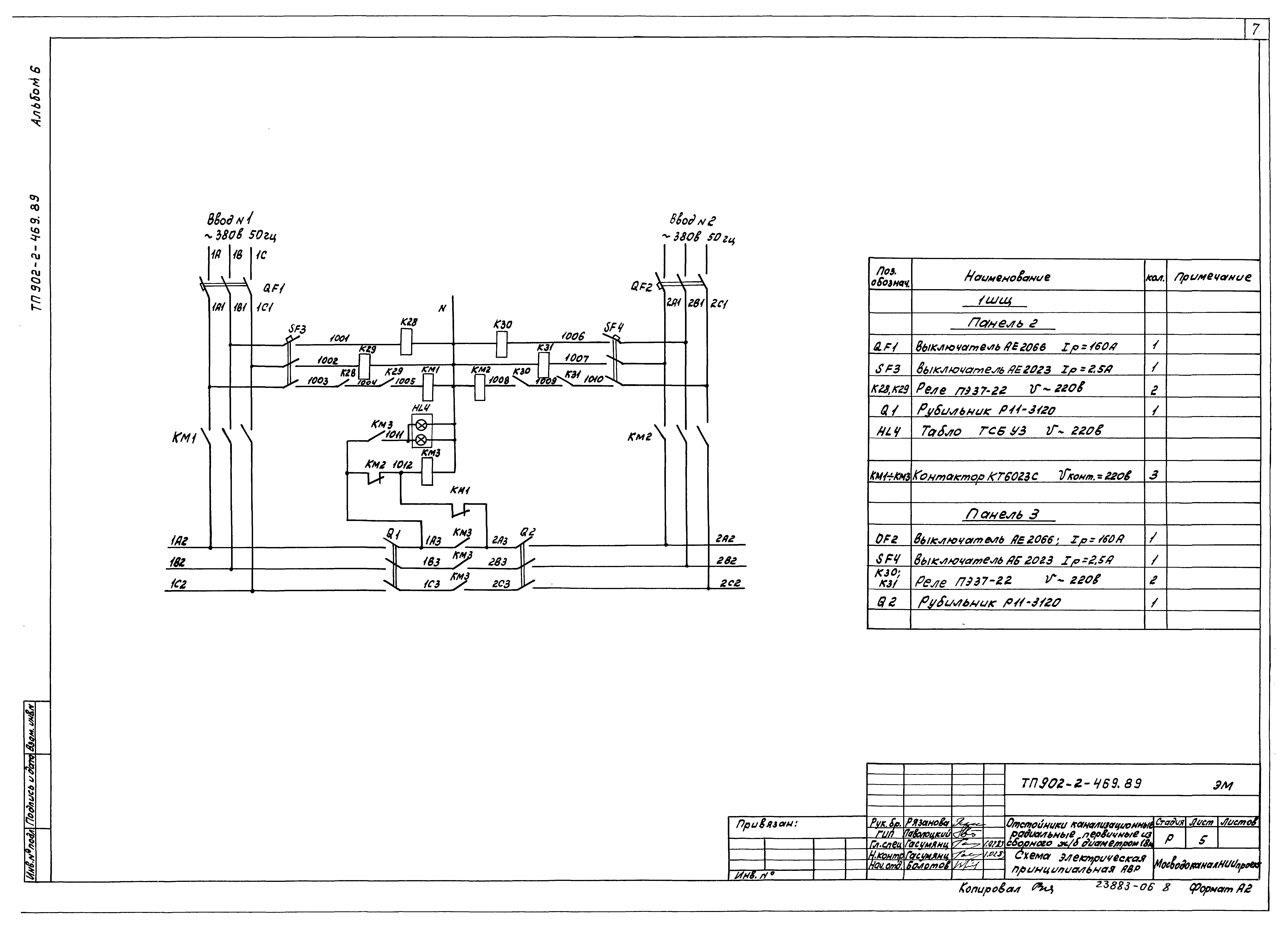
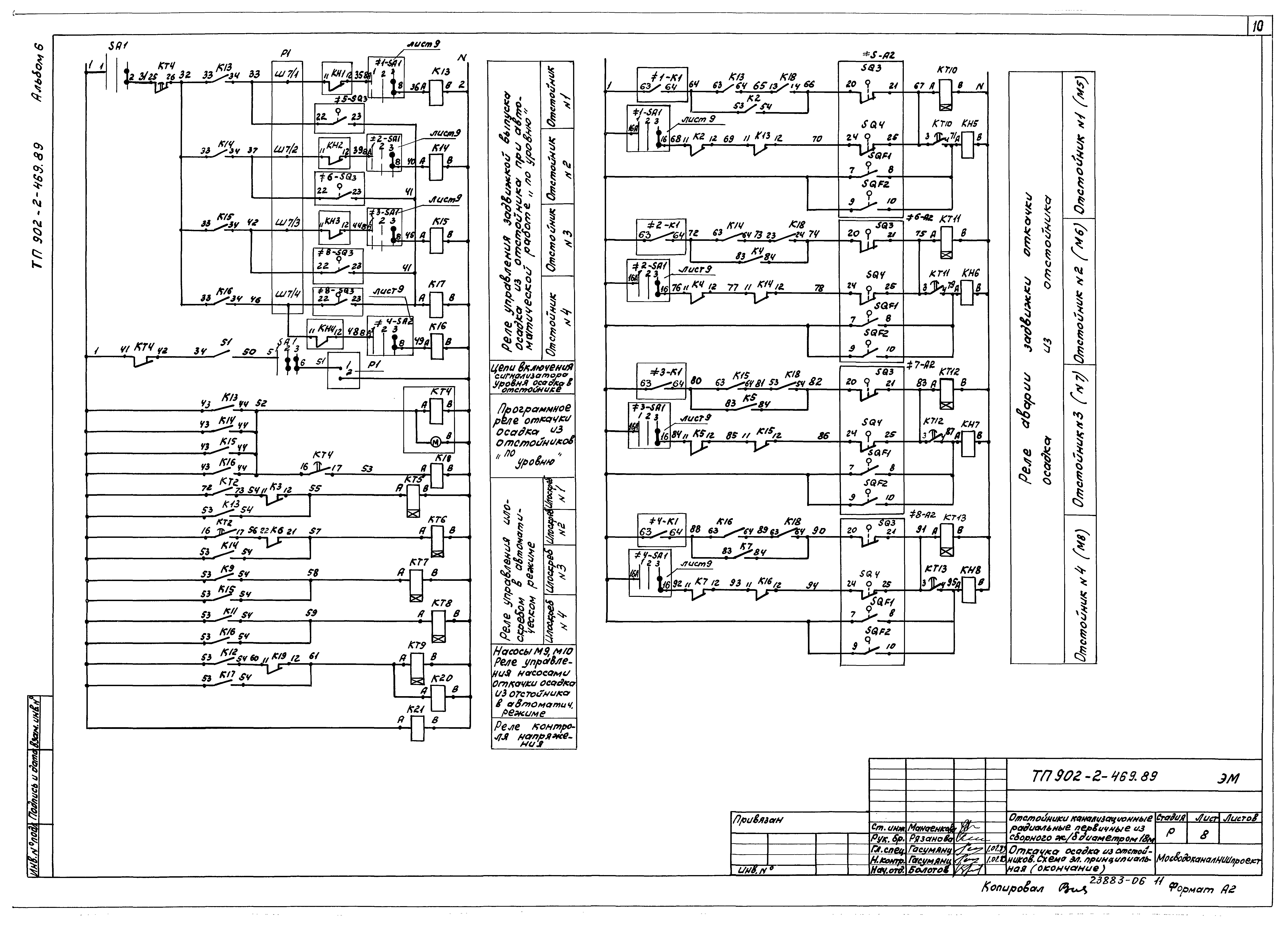
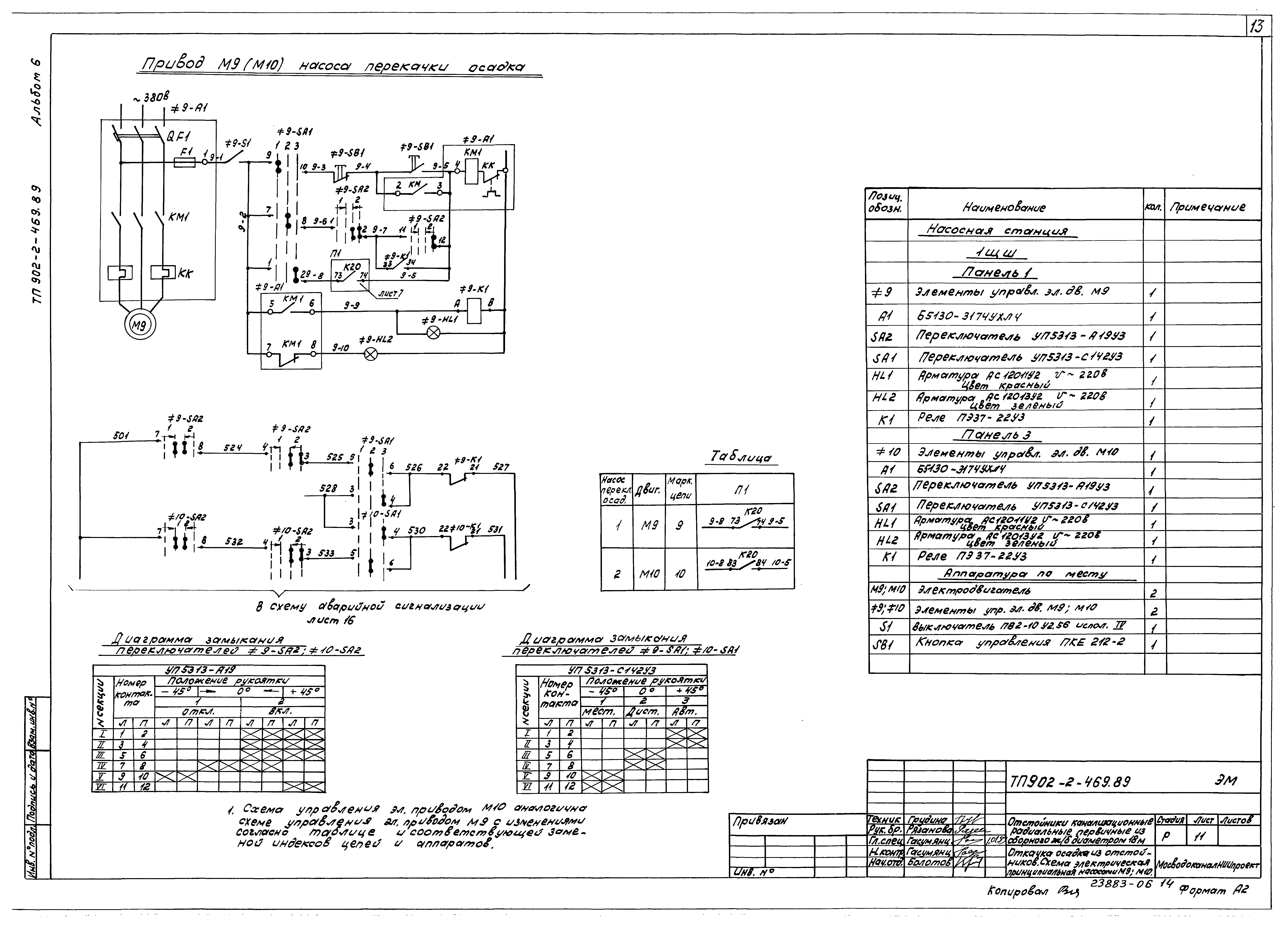
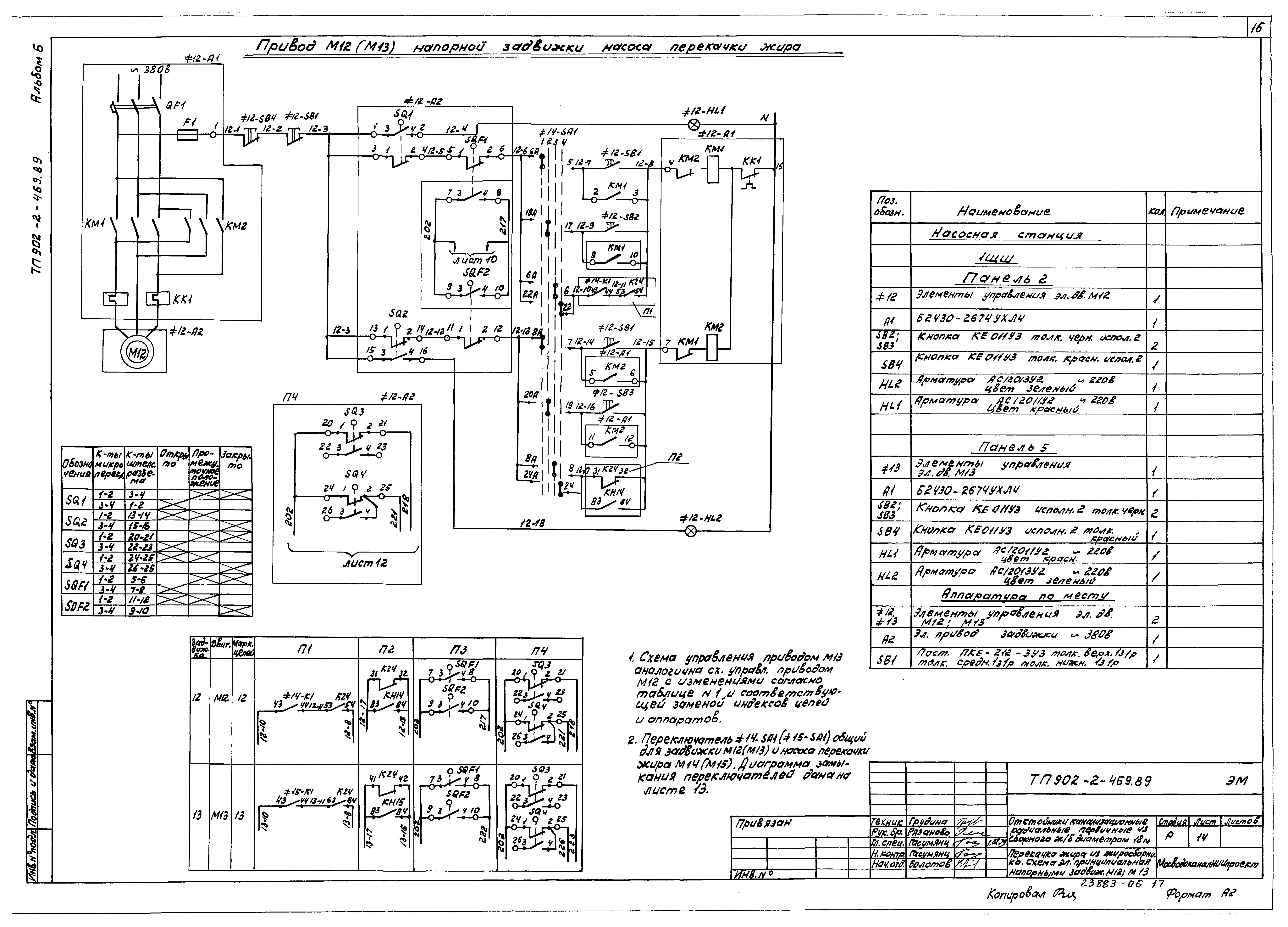
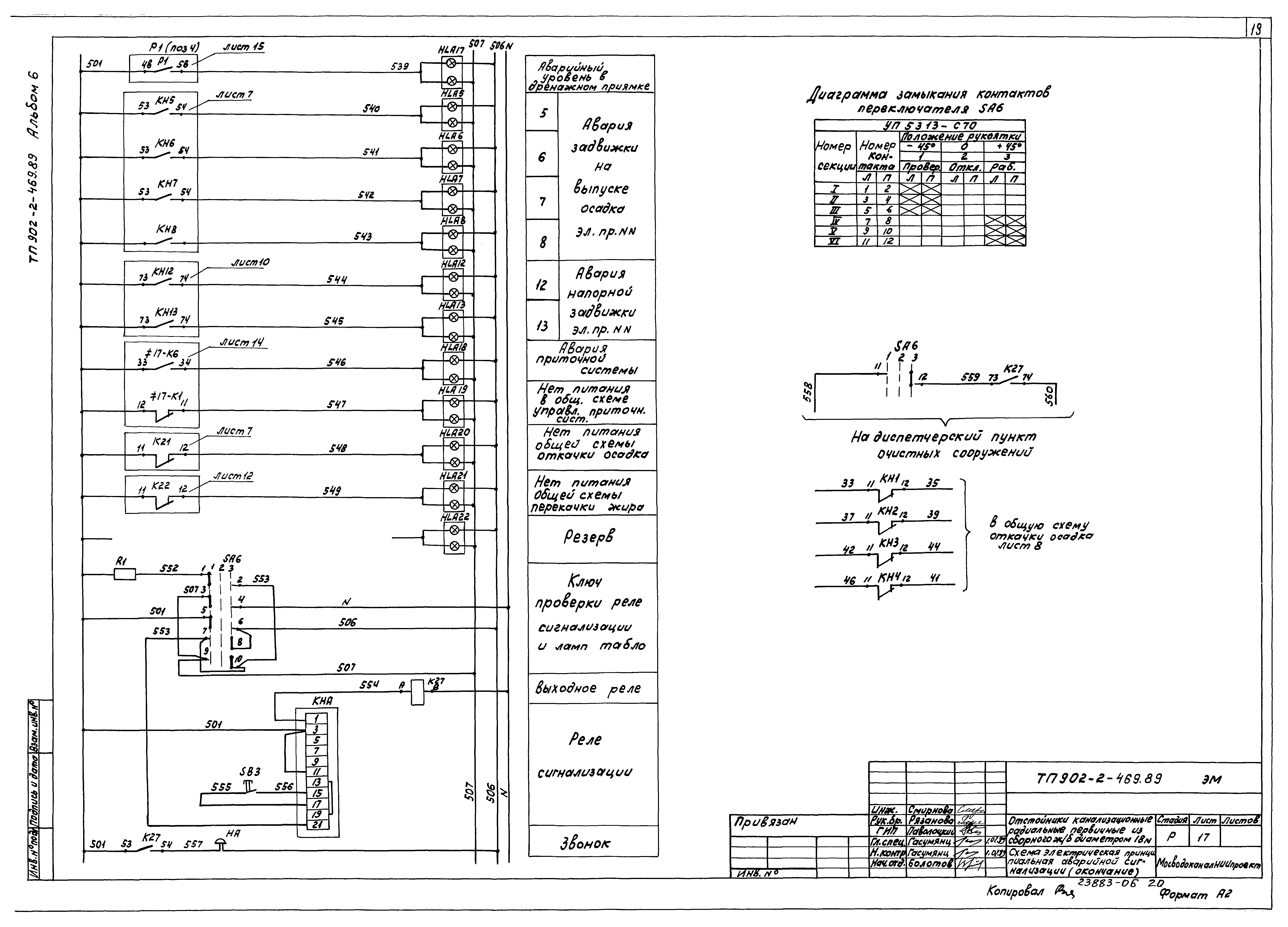
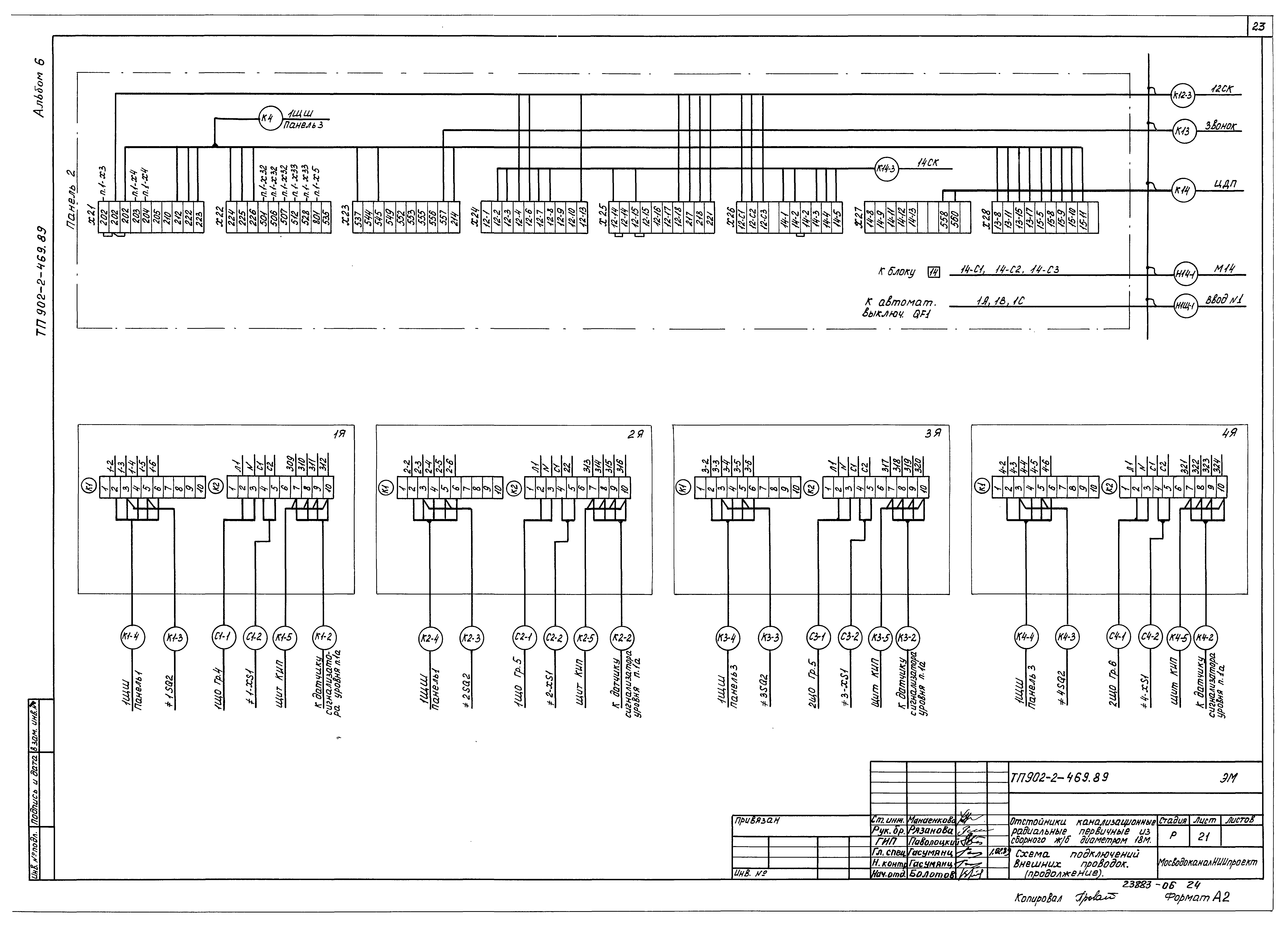
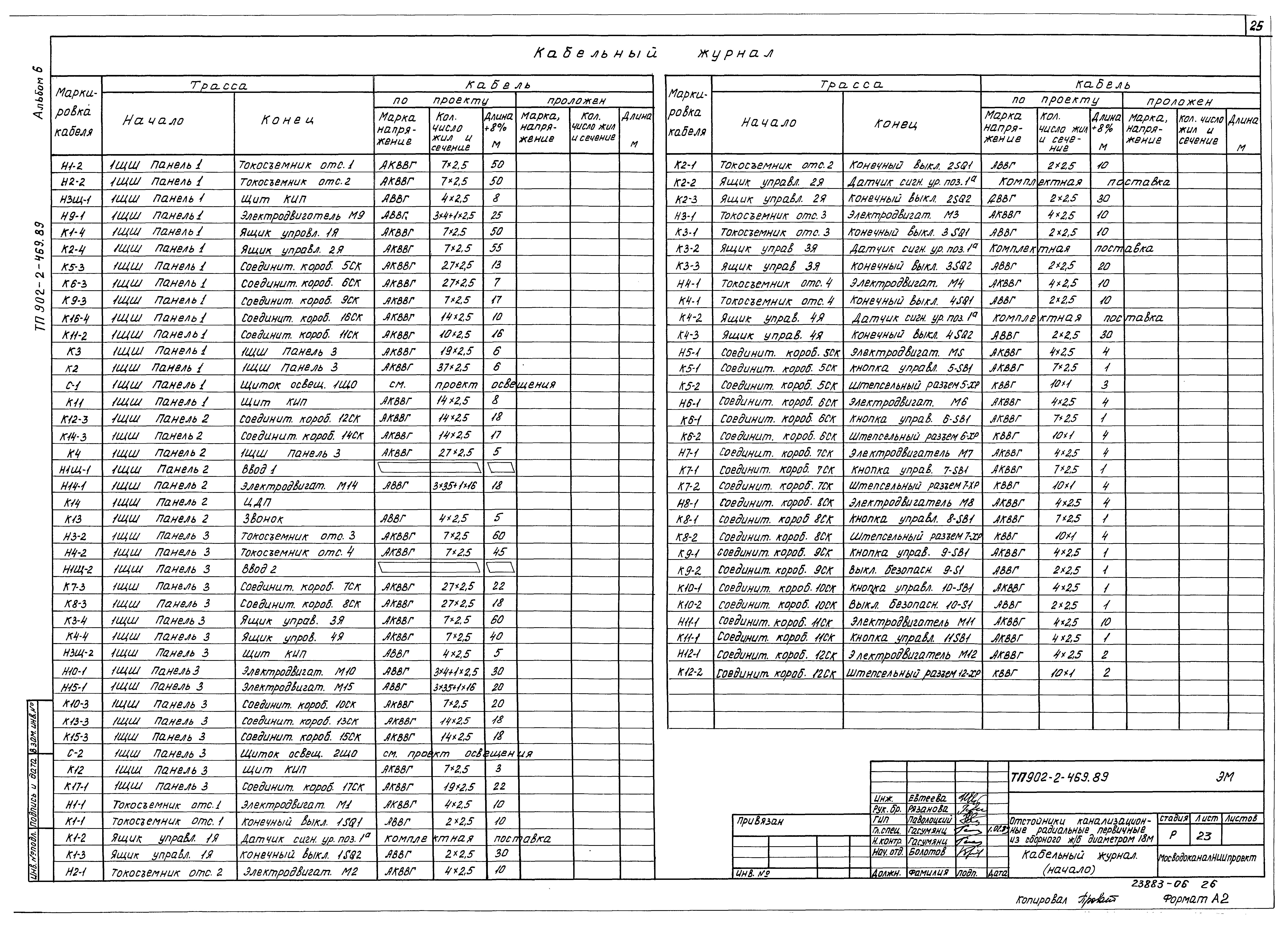
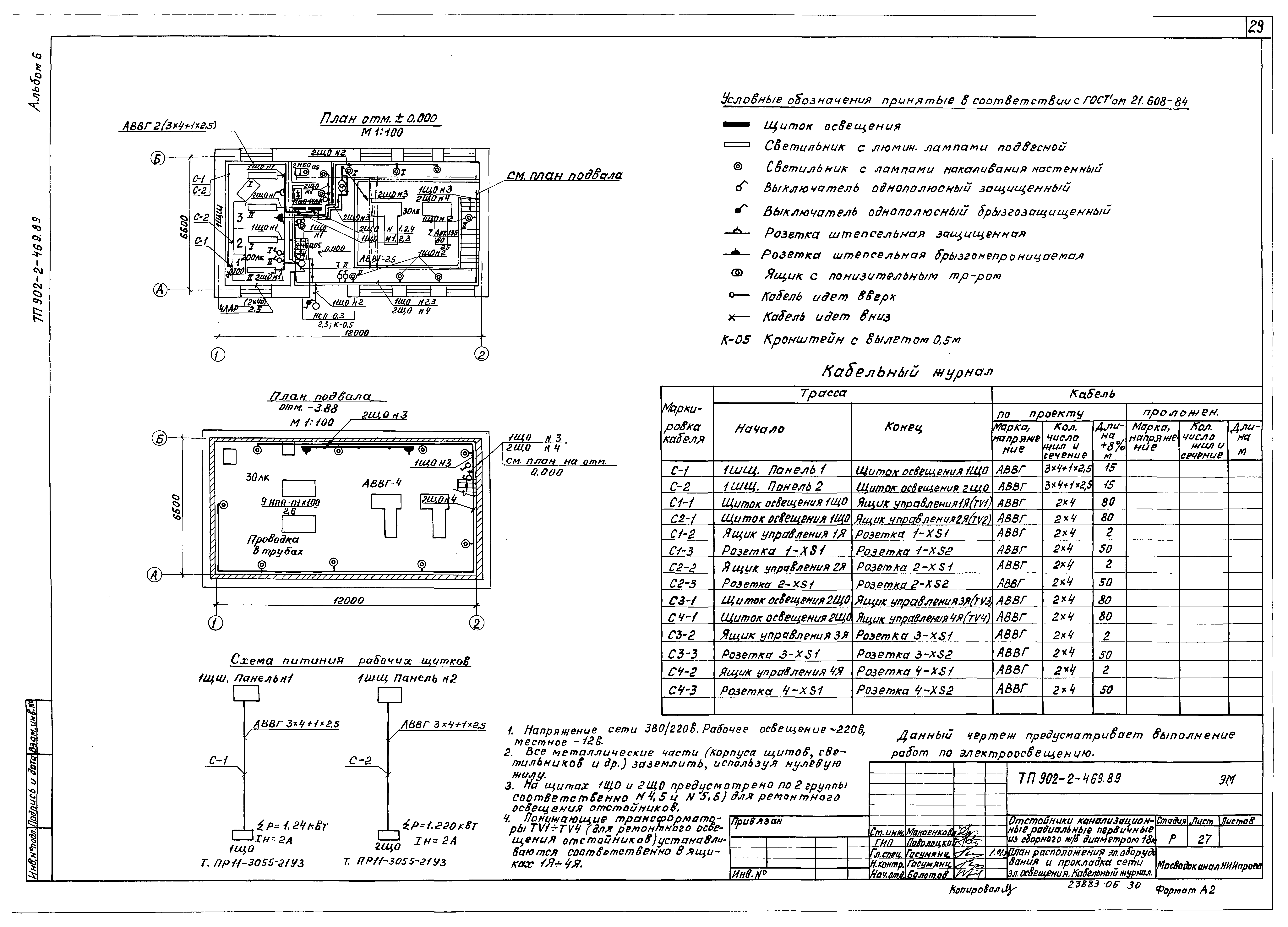
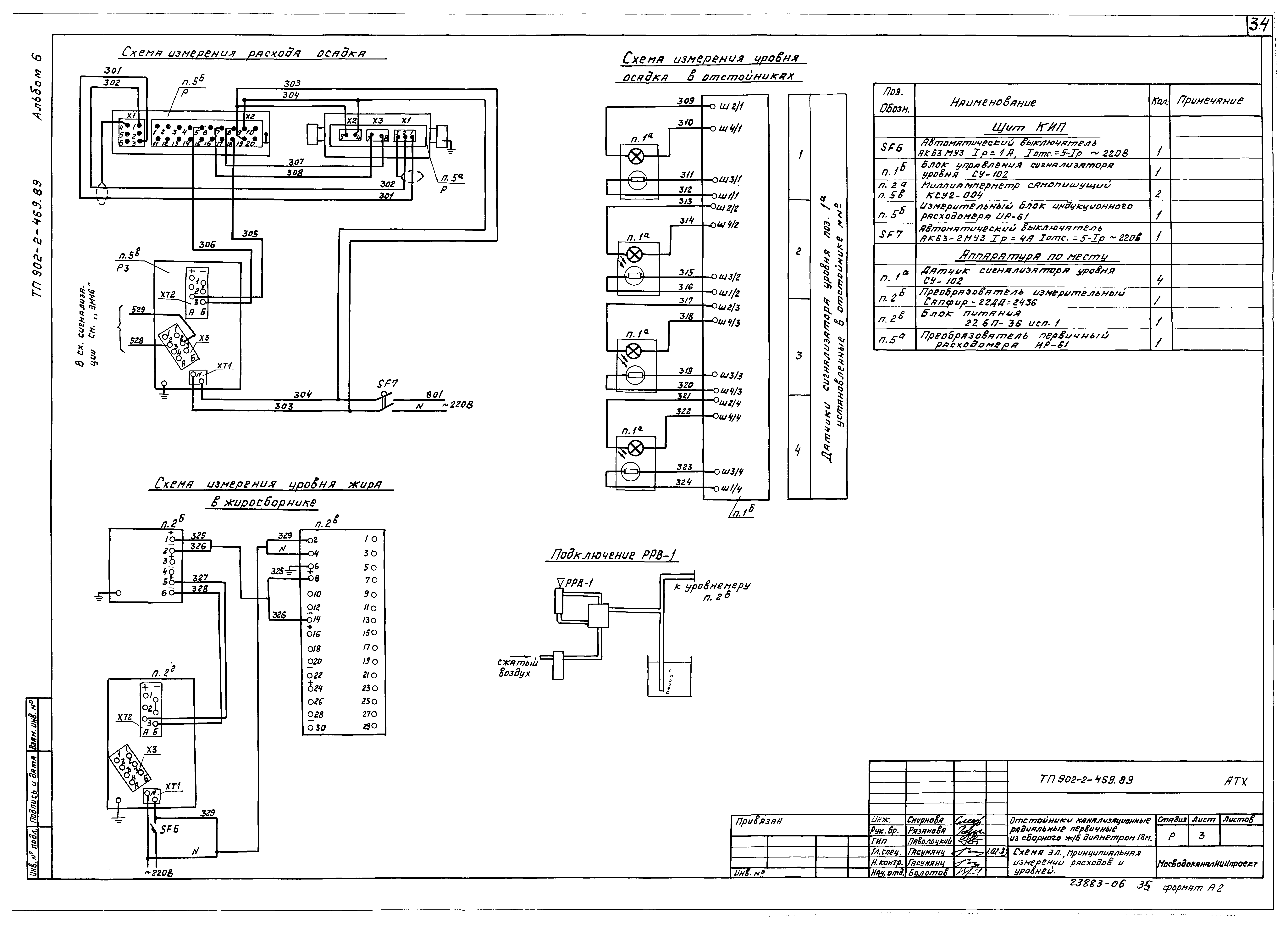
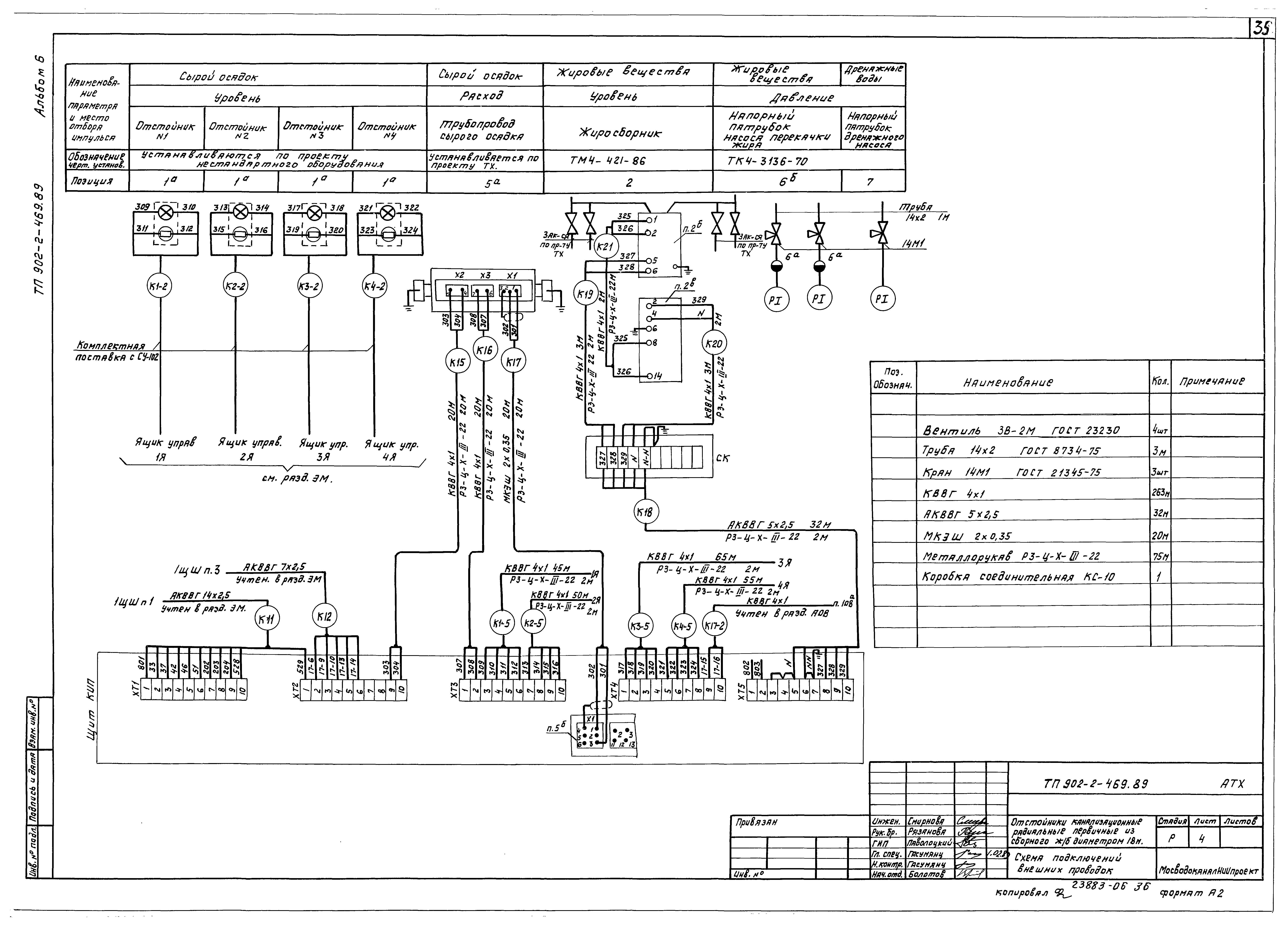
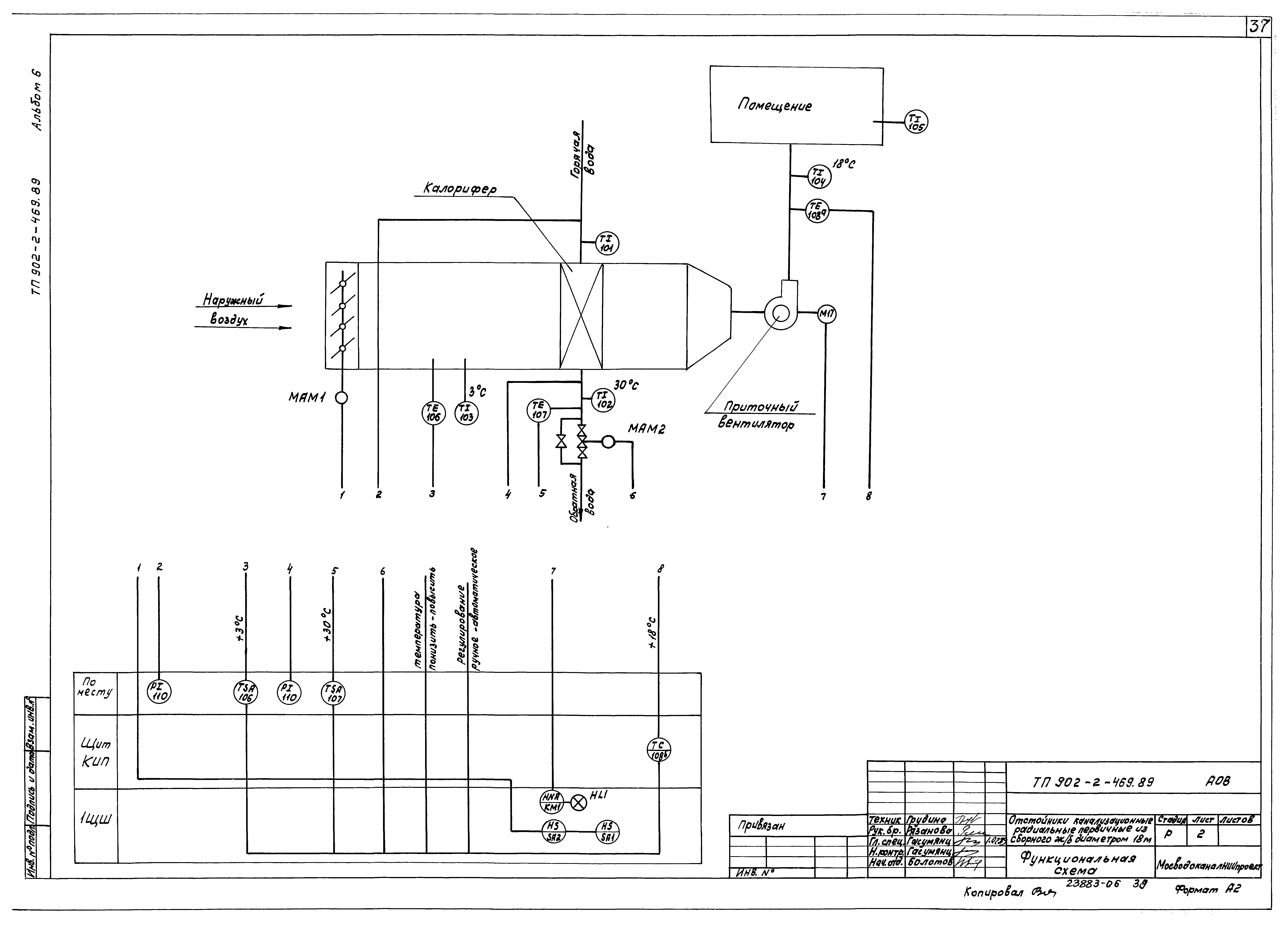
| Оглавление: | ТП 902-2-469.89 Содержание альбома ТП 902-2-469.89-ЭМ Основной комплект ЭМ ТП 902-2-469.89-ЭМ-1 Общие данные ТП 902-2-469.89-ЭМ-2 Функциональная схема ТП 902-2-469.89-ЭМ-3 Схема электрическая принципиальная распределительной сети ~380/220 В. Начало ТП 902-2-469.89-ЭМ-4 Схема электрическая принципиальная распределительной сети ~380/220 В. Окончание ТП 902-2-469.89-ЭМ-5 Схема электрическая принципиальная АВР ТП 902-2-469.89-ЭМ-6 Откачка осадка из отстойников. Диаграмма работы механизмов и настройка программных реле времени ТП 902-2-469.89-ЭМ-7 Откачка осадка из отстойников. Схема электрическая принципиальная (начало) ТП 902-2-469.89-ЭМ-8 Откачка осадка из отстойников. Схема электрическая принципиальная (окончание) ТП 902-2-469.89-ЭМ-9 Откачка осадка из отстойников. Схема электрическая принципиальная управления илоскребами (М1...М4) ТП 902-2-469.89-ЭМ-10 Откачка осадка из отстойников. Схема электрическая принципиальная управления задвижками выпуска осадка (М5...М8) ТП 902-2-469.89-ЭМ-11 Откачка осадка из отстойников. Схема электрическая принципиальная управления насосами М9,М10 ТП 902-2-469.89-ЭМ-12 Перекачка жира из жиросборника. Схема электрическая принципиальная ТП 902-2-469.89-ЭМ-13 Перекачка жира из жиросборника. Схема электрическая принципиальная управления насосами М14,М15 ТП 902-2-469.89-ЭМ-14 Перекачка жира из жиросборника. Схема электрическая принципиальная управления напорными задвижками М12,М13 ТП 902-2-469.89-ЭМ-15 Схема электрическая принципиальная управления дренажным насосом М16 и вытяжным вентилятором М11 ТП 902-2-469.89-ЭМ-16 Схема электрическая принципиальная аварийной сигнализации (начало) ТП 902-2-469.89-ЭМ-17 Схема электрическая принципиальная аварийной сигнализации (окончание) ТП 902-2-469.89-ЭМ-18 Схема подключения внешних проводок (начало) ТП 902-2-469.89-ЭМ-19-21 Схема подключения внешних проводок (продолжение) ТП 902-2-469.89-ЭМ-22 Схема подключения внешних проводок (окончание) ТП 902-2-469.89-ЭМ-23 Кабельный журнал (начало) ТП 902-2-469.89-ЭМ-24 Кабельный журнал (окончание) ТП 902-2-469.89-ЭМ-25 План расположения. Кабельные трассы (начало) ТП 902-2-469.89-ЭМ-26 План расположения. Кабельные трассы (окончание) ТП 902-2-469.89-ЭМ-27 План расположения электрооборудования. Прокладка сети электроосвещения. Кабельный журнал ТП 902-2-469.89-ЭМ-Н1 Щит 1ЩШ. Ящики 1Я...4Я. Эскизный чертеж общего вида ТП 902-2-469.89-АТХ Основной комплект АТХ ТП 902-2-469.89-АТХ-1 Общие данные ТП 902-2-469.89-АТХ-2 Схема автоматизации. Схема питания ТП 902-2-469.89-АТХ-3 Схема электрическая принципиальная измерения расходов и уровней ТП 902-2-469.89-АТХ-4 Схема подключений внешних проводок ТП 902-2-469.89-АОВ Основной комплект АОВ ТП 902-2-469.89-АОВ-1 Общие данные ТП 902-2-469.89-АОВ-2 Функциональная схема ТП 902-2-469.89-АОВ-3 Схема электрическая принципиальная управления и регулирования приточной системой ТП 902-2-469.89-АОВ-4 Схема соединений внешних проводок |
| Разработан: | МосводоканалНИИпроект |
| Утверждён: | 24.04.1989 Мосгорисполком (Mosgorispolkom 842р) |







































