Скачать Типовой проект 902-2-483.91 Альбом 5. Электрооборудование и автоматизация. Технологический контроль. Связь и сигнализация (из ТП 902-2-482.91)Дата актуализации: 01.01.2021
|
| Обозначение: | Типовой проект 902-2-483.91 |
| Обозначение англ: | 902-2-483.91 |
| Статус: | не определен законодательством |
| Название рус.: | Альбом 5. Электрооборудование и автоматизация. Технологический контроль. Связь и сигнализация (из ТП 902-2-482.91) |
| Дата добавления в базу: | 01.09.2013 |
| Дата актуализации: | 01.01.2021 |
| Дата введения: | 08.10.1991 |
| Дата окончания срока действия: | 30.06.2003 |
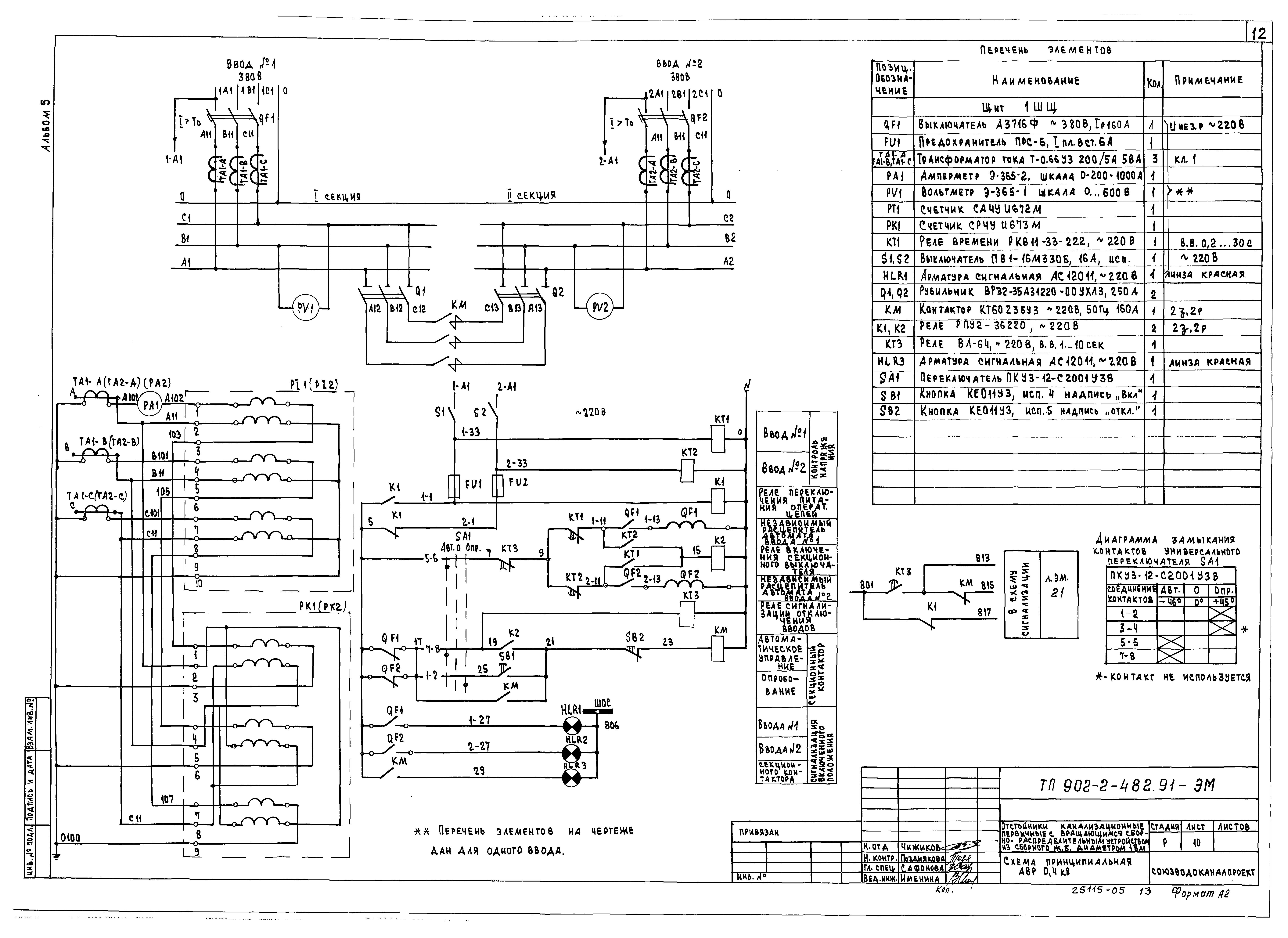
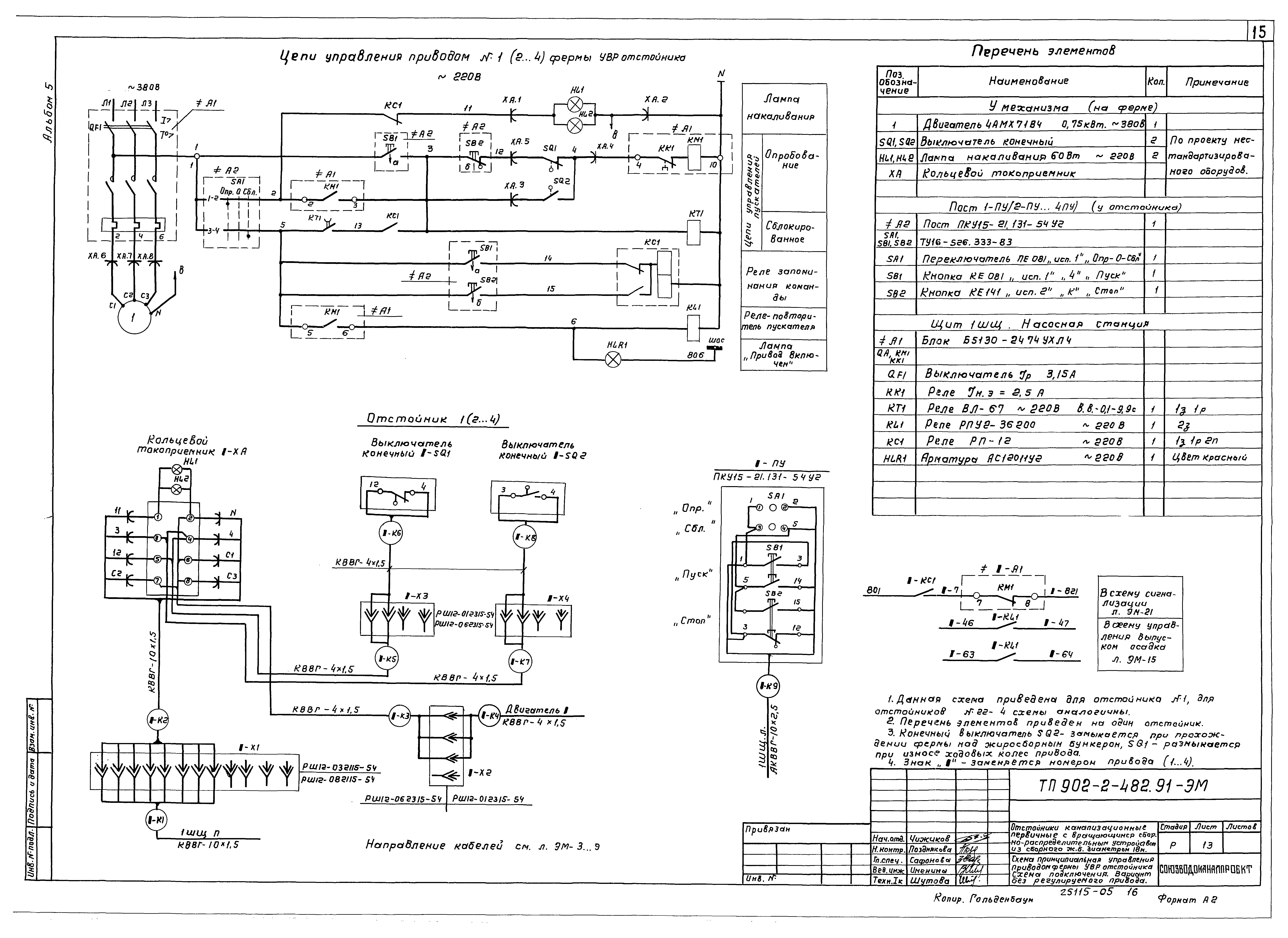
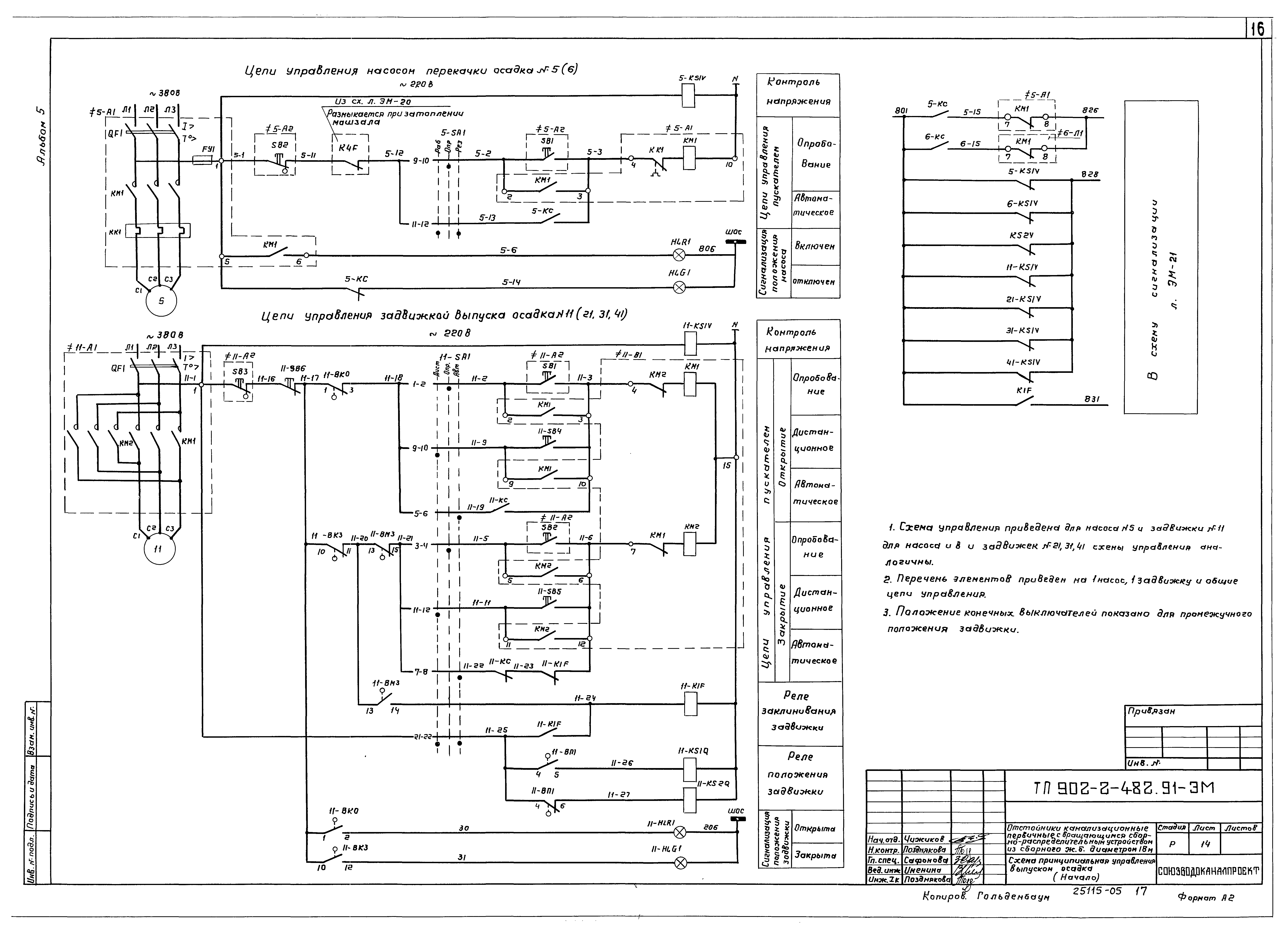
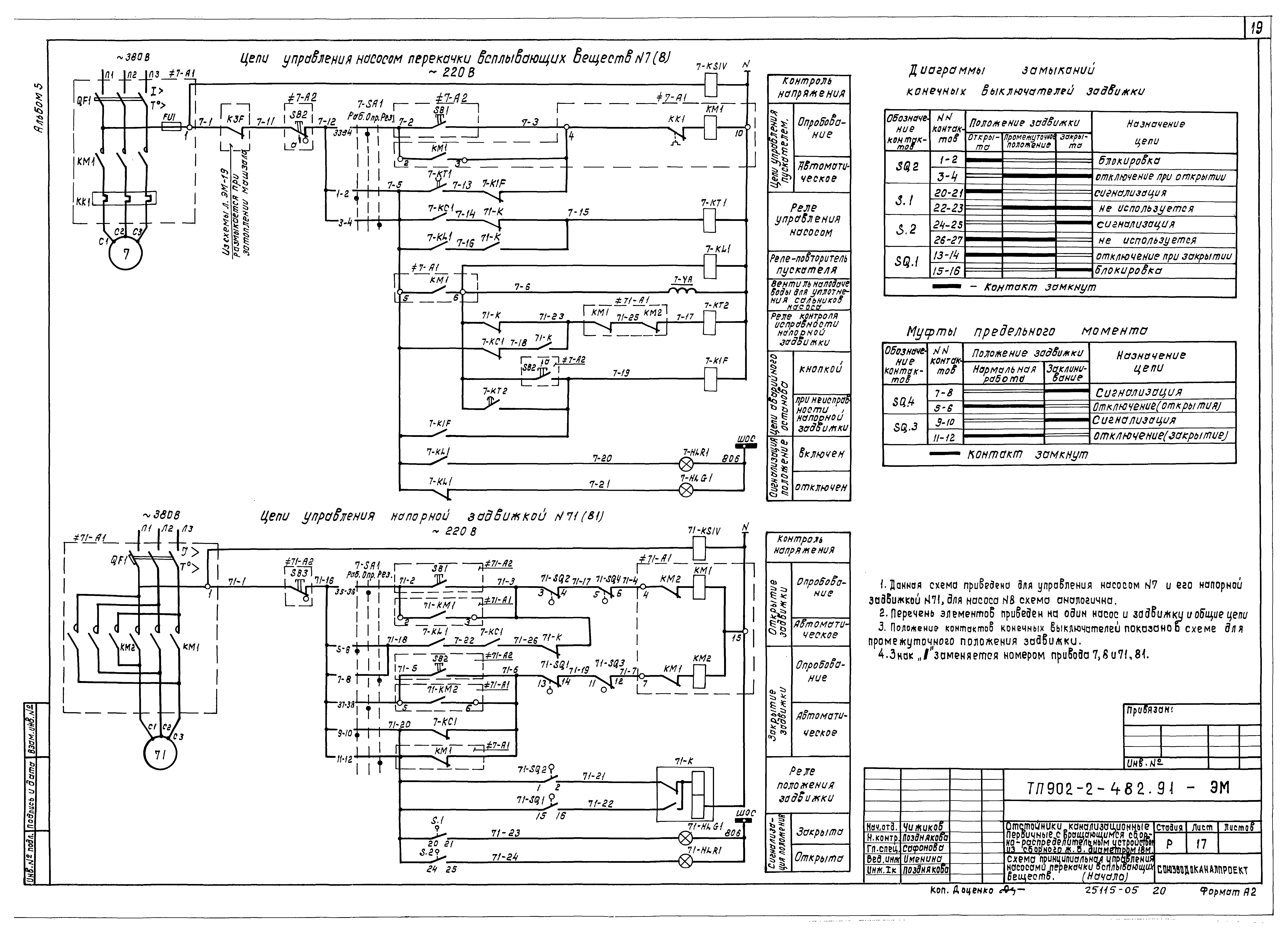
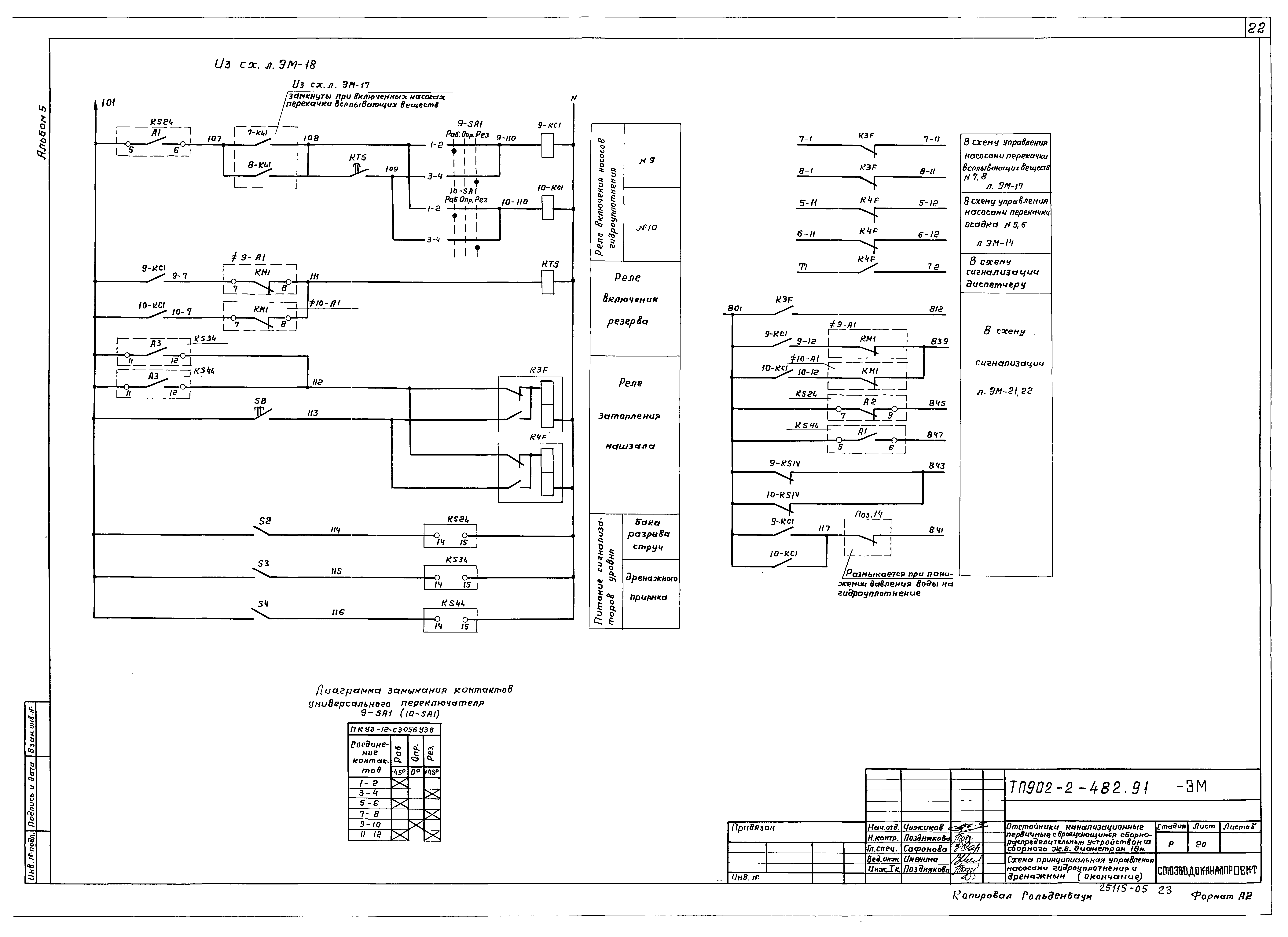
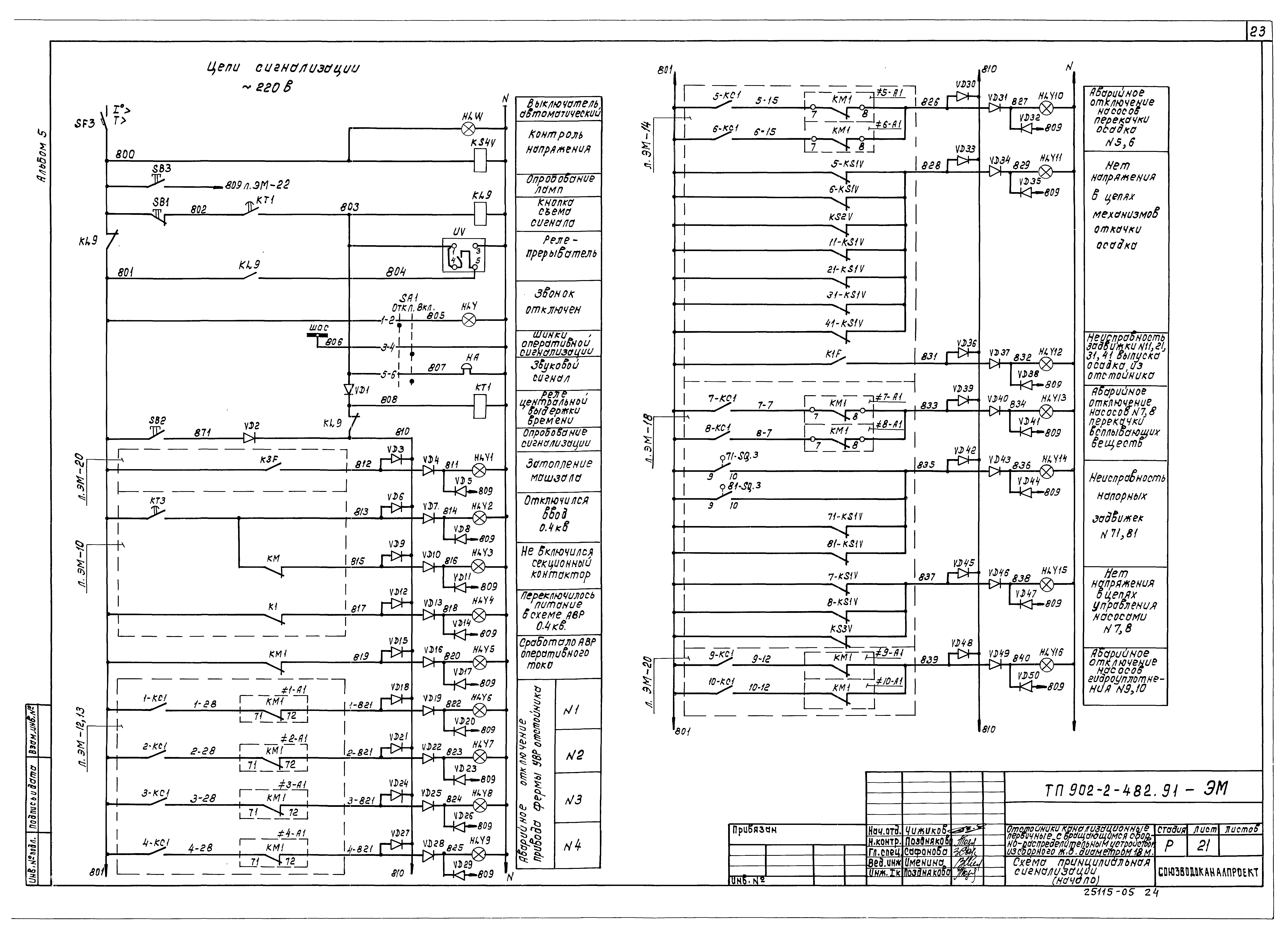
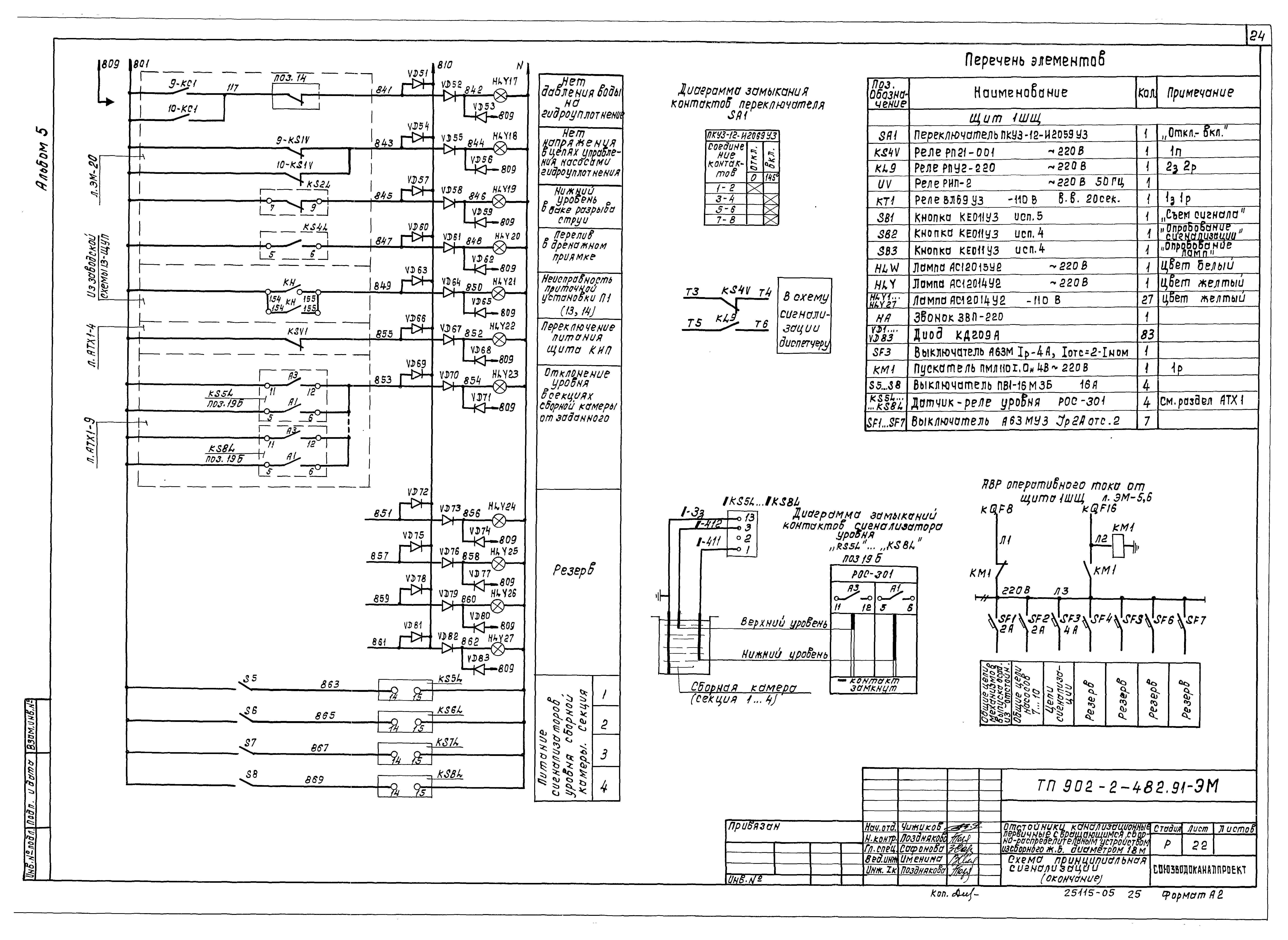
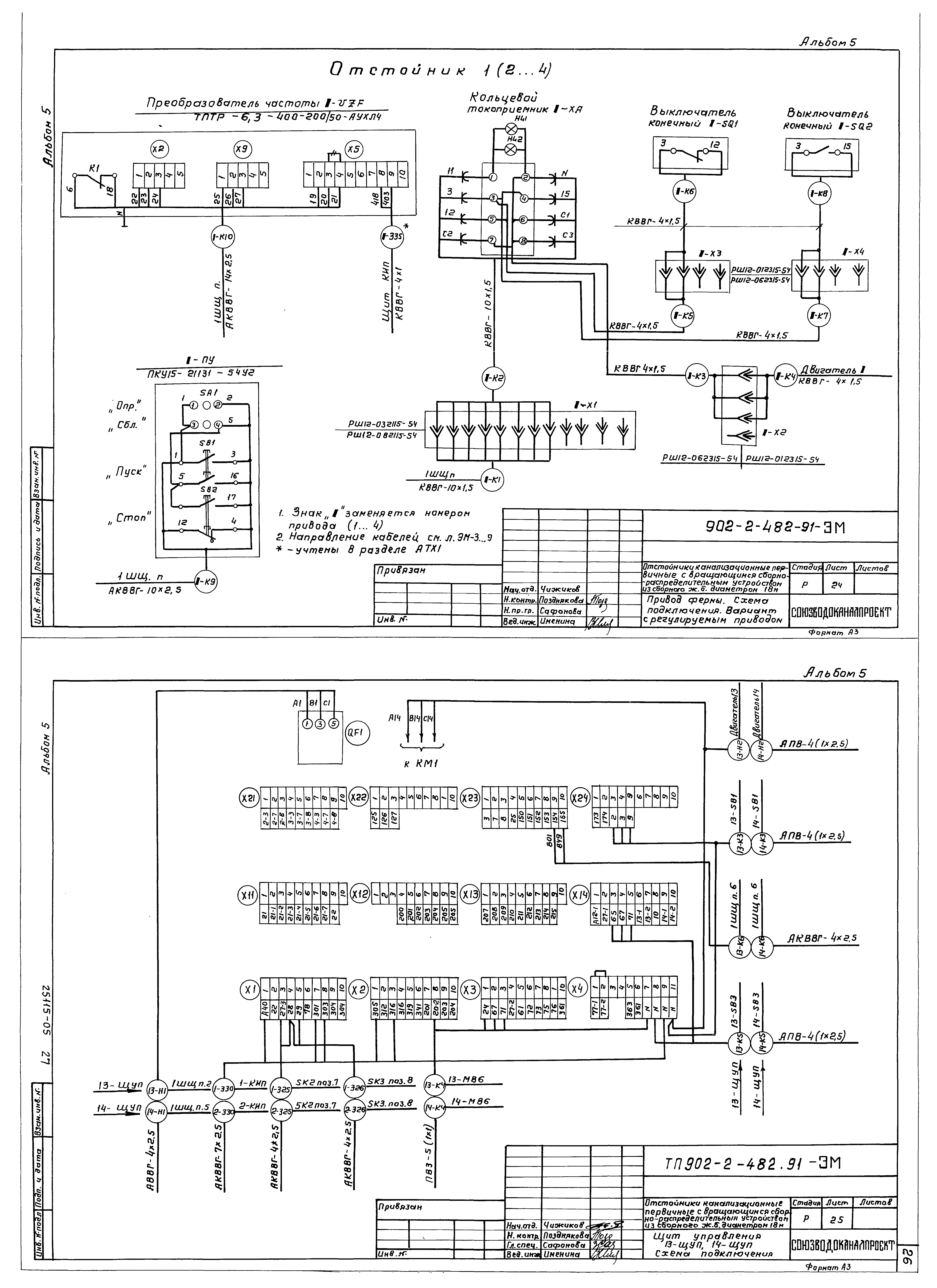
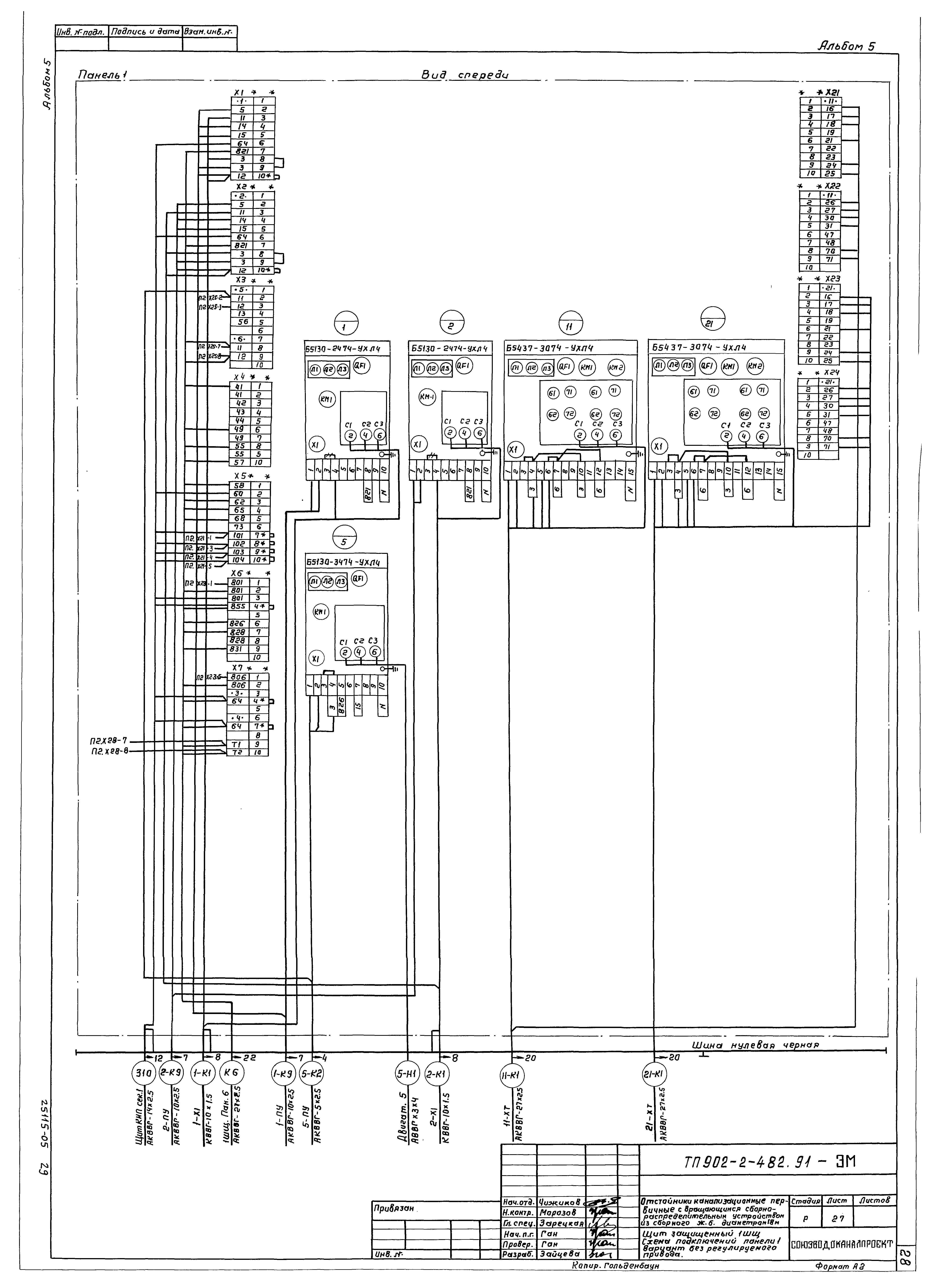
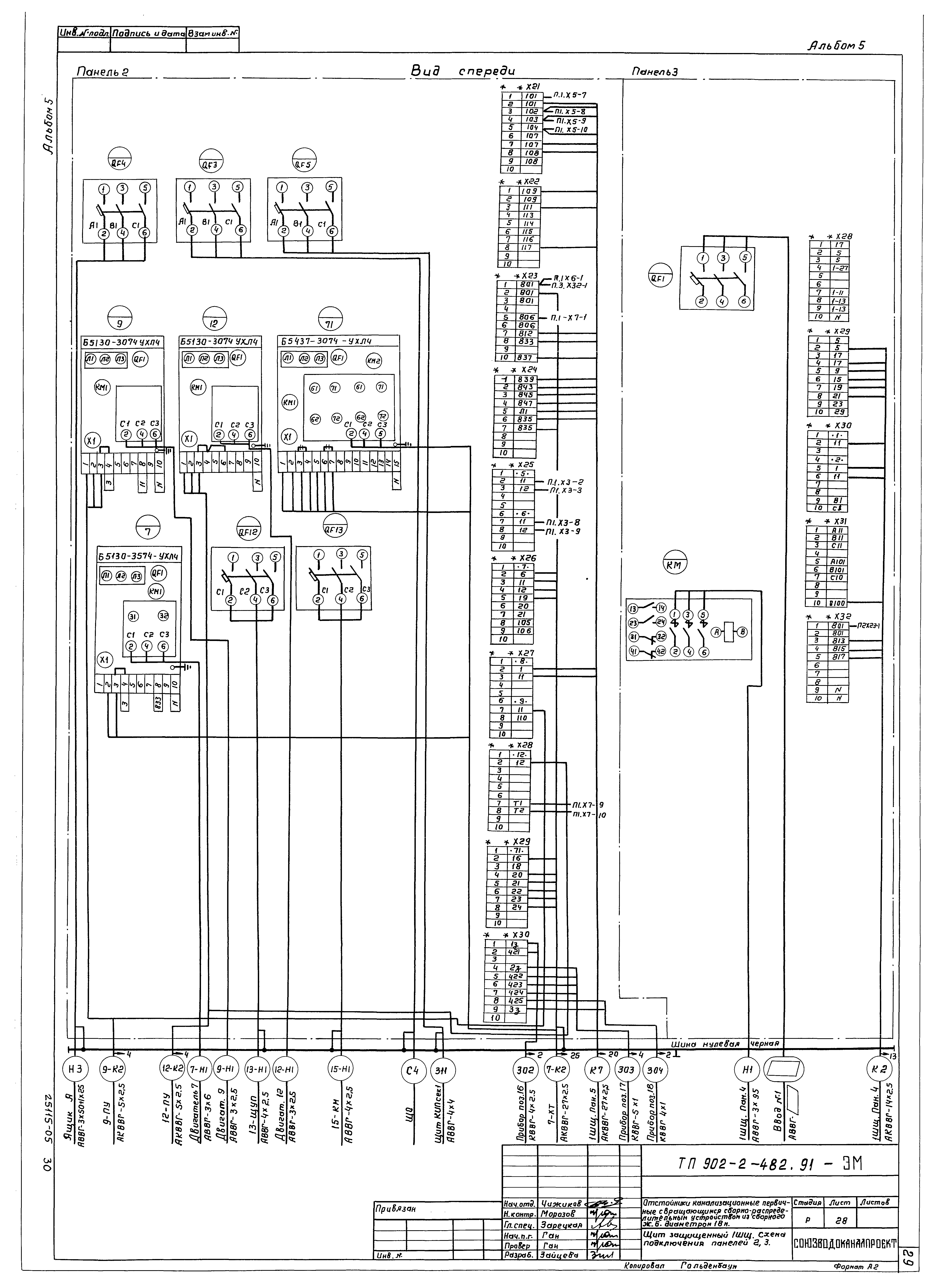
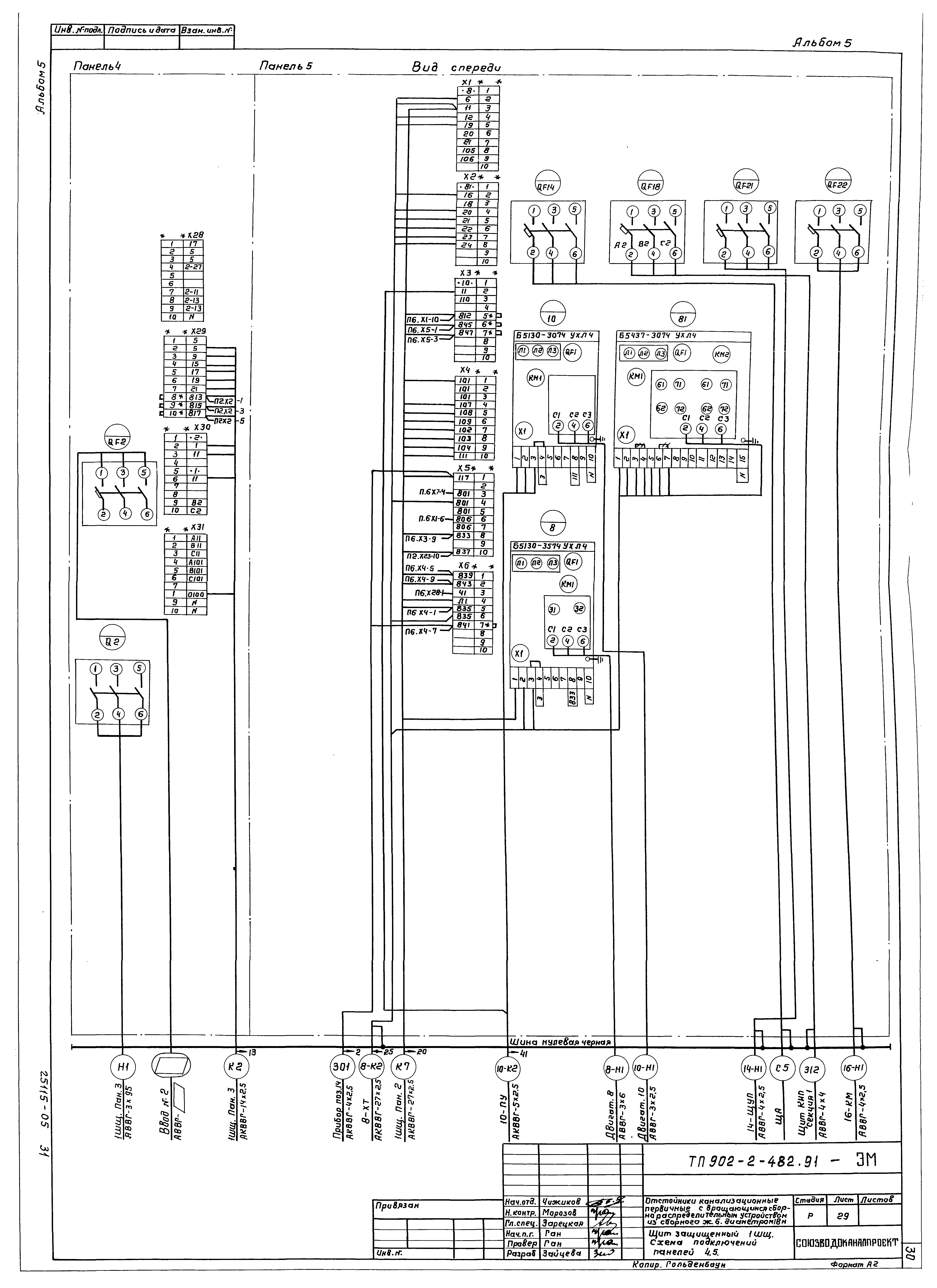
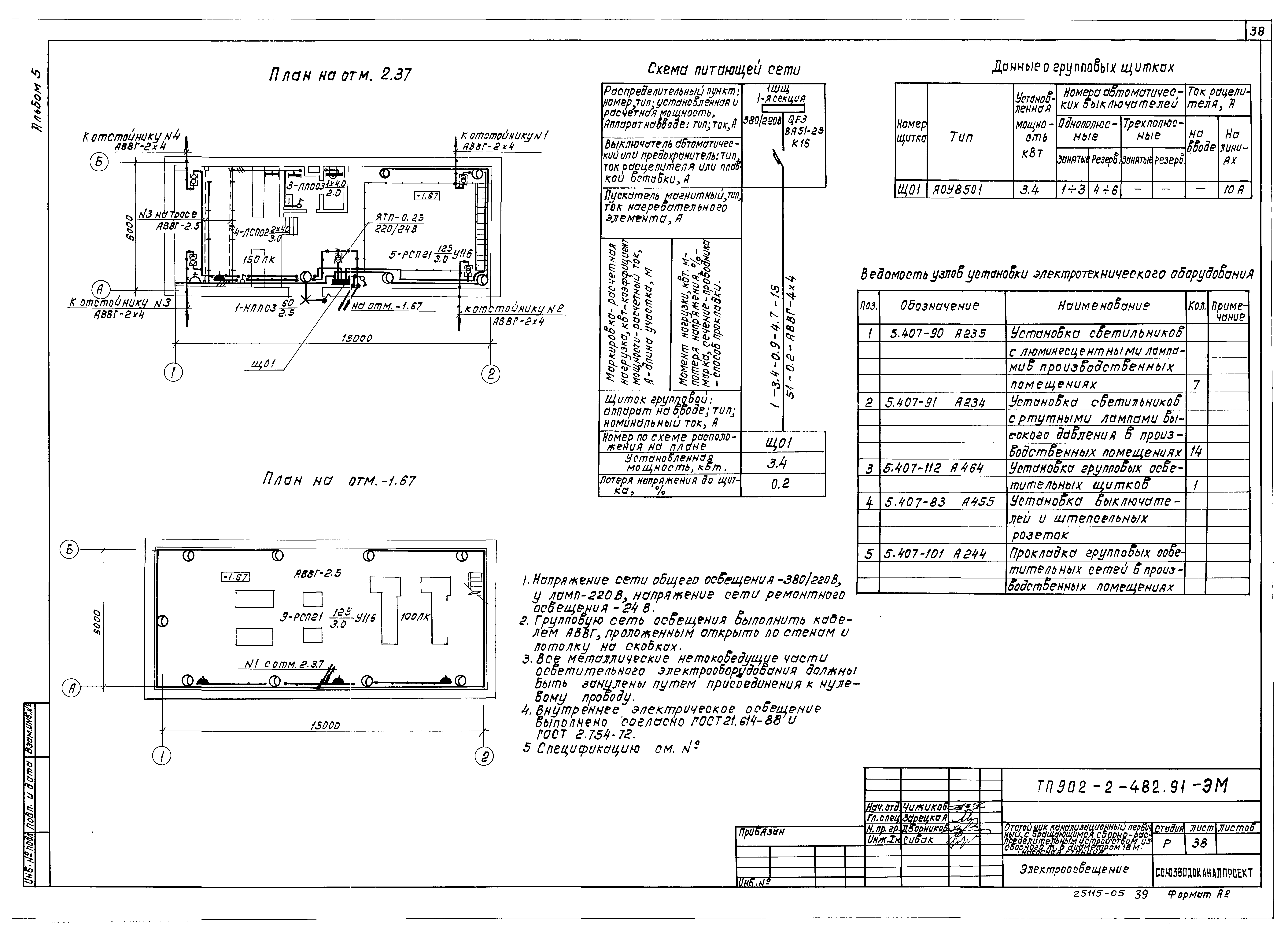
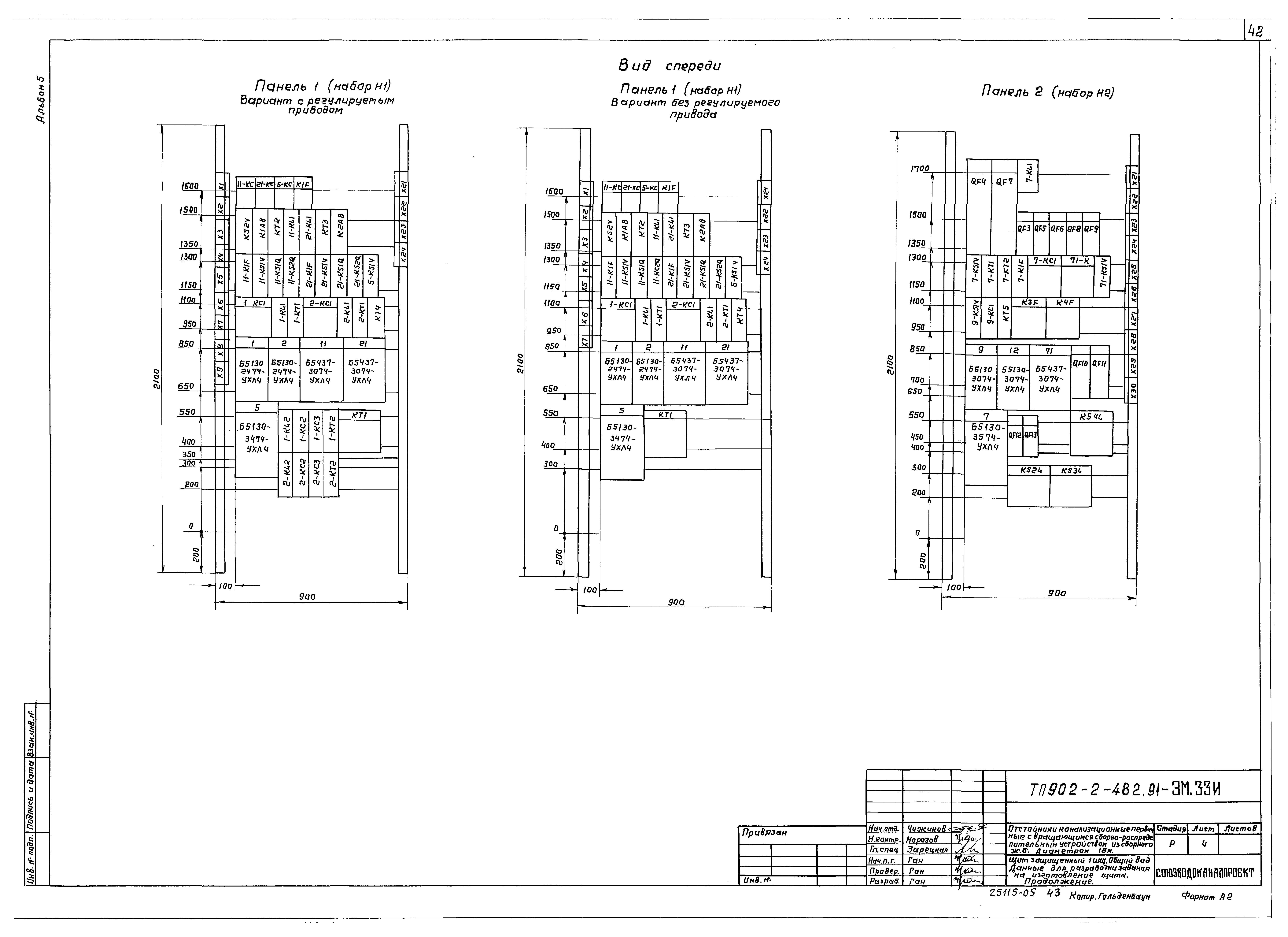
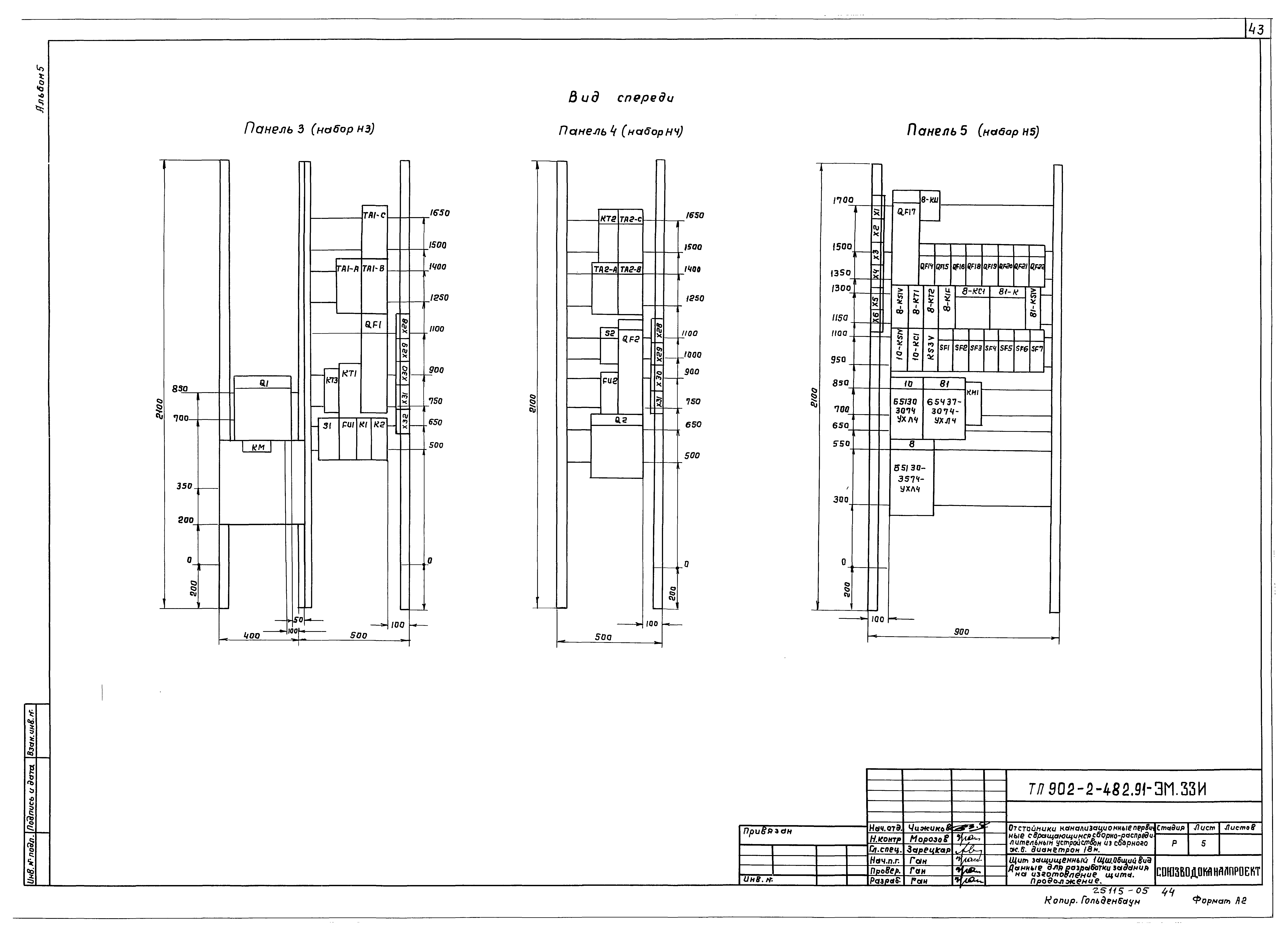
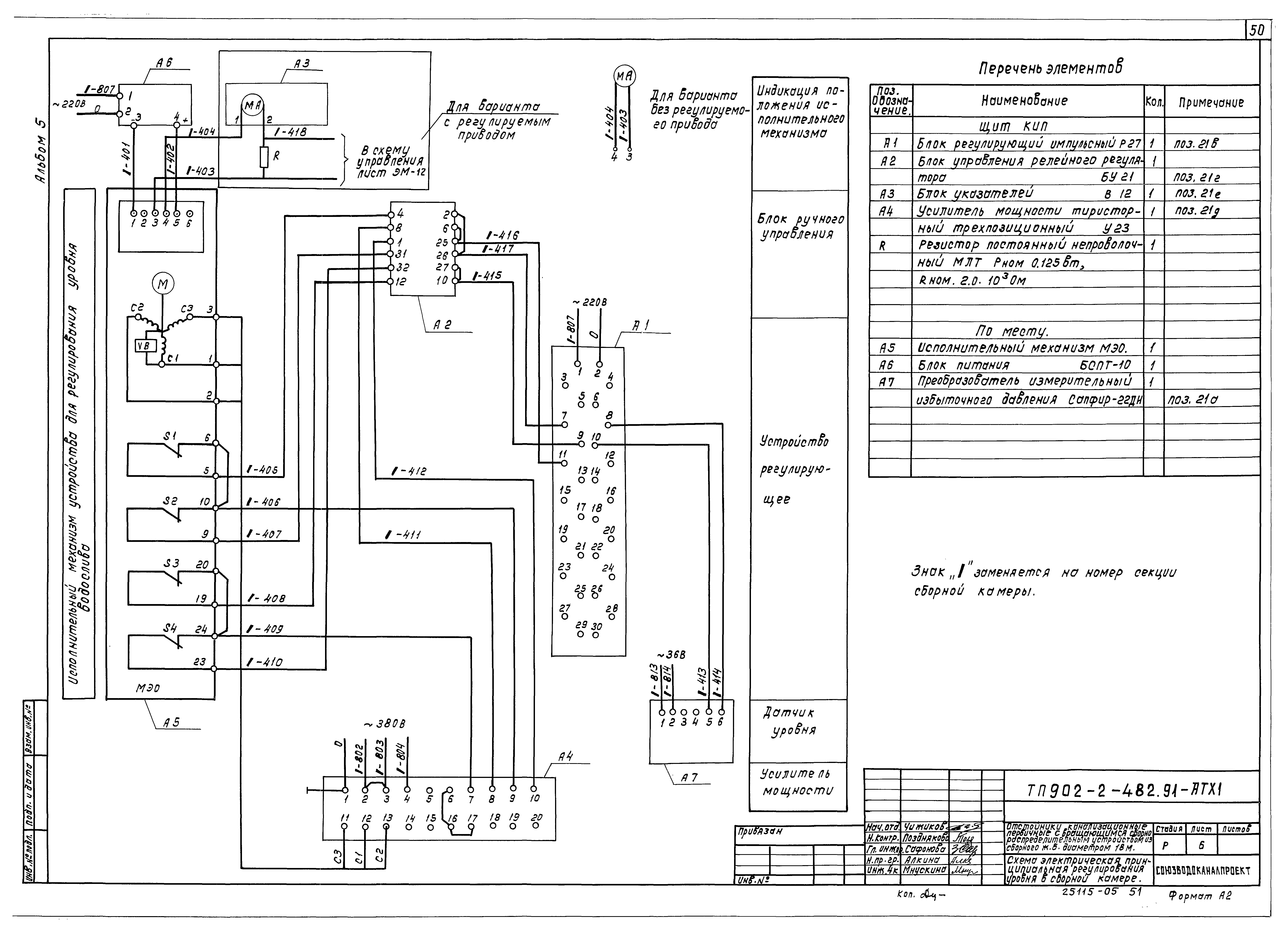
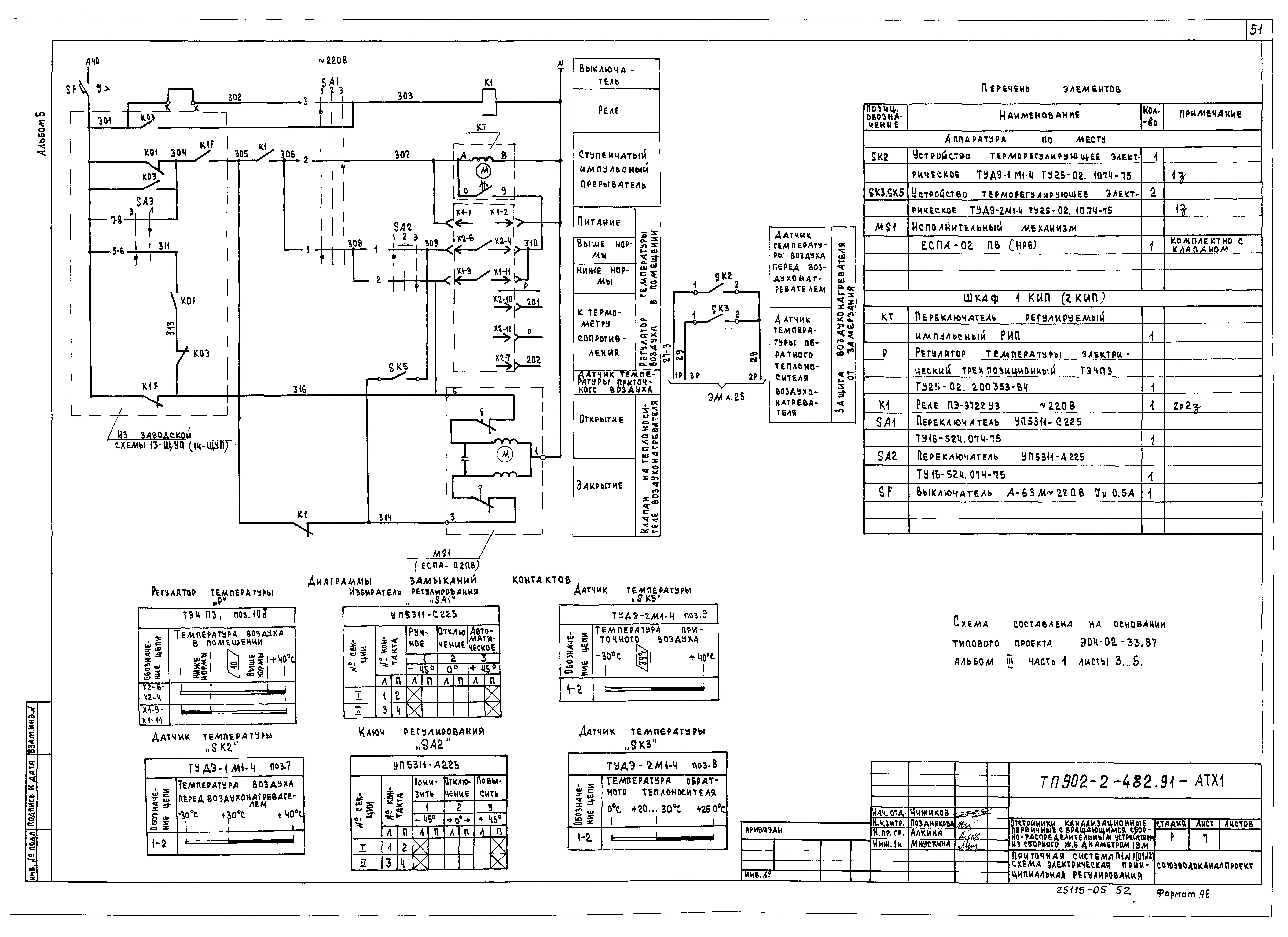
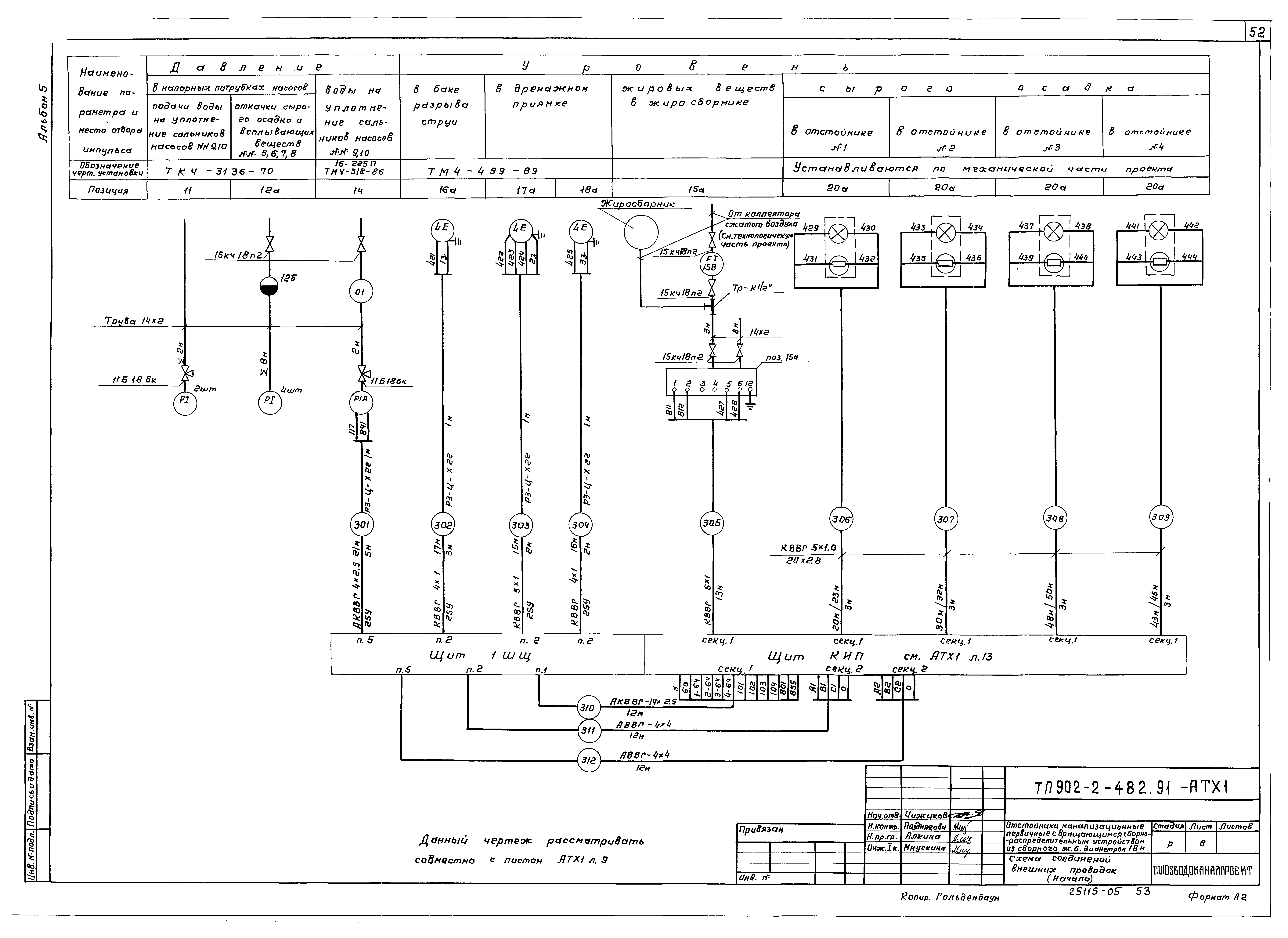
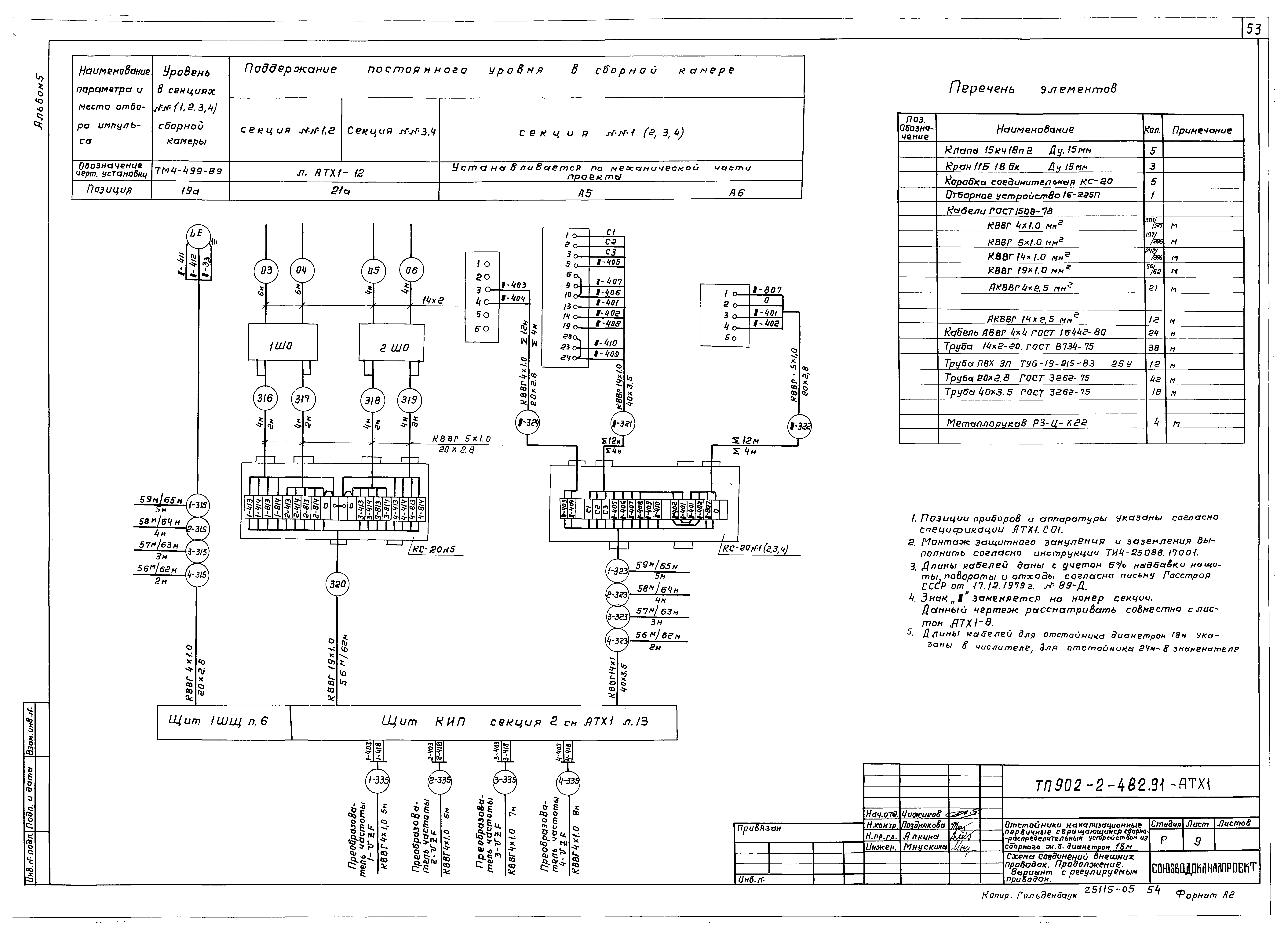
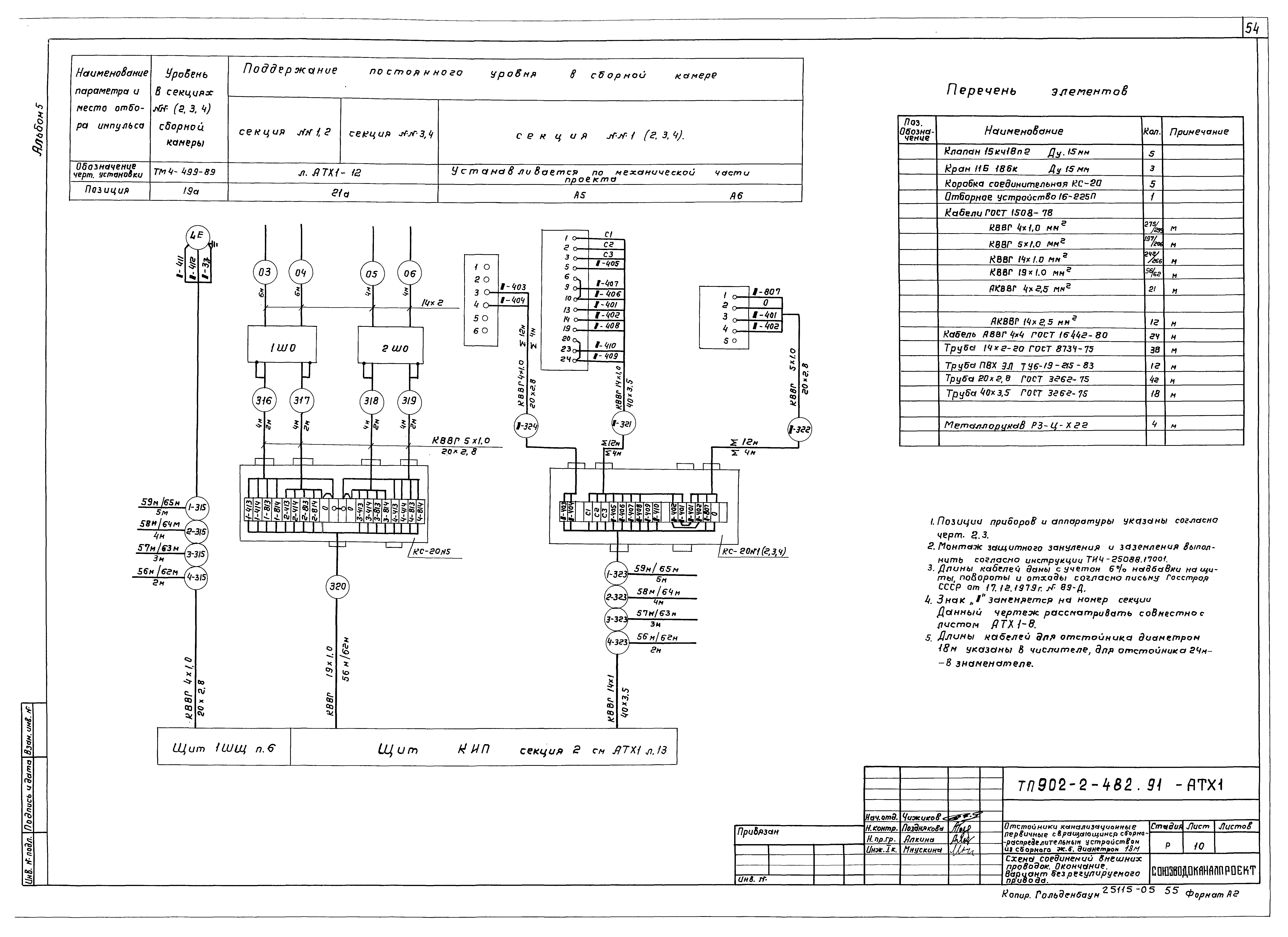
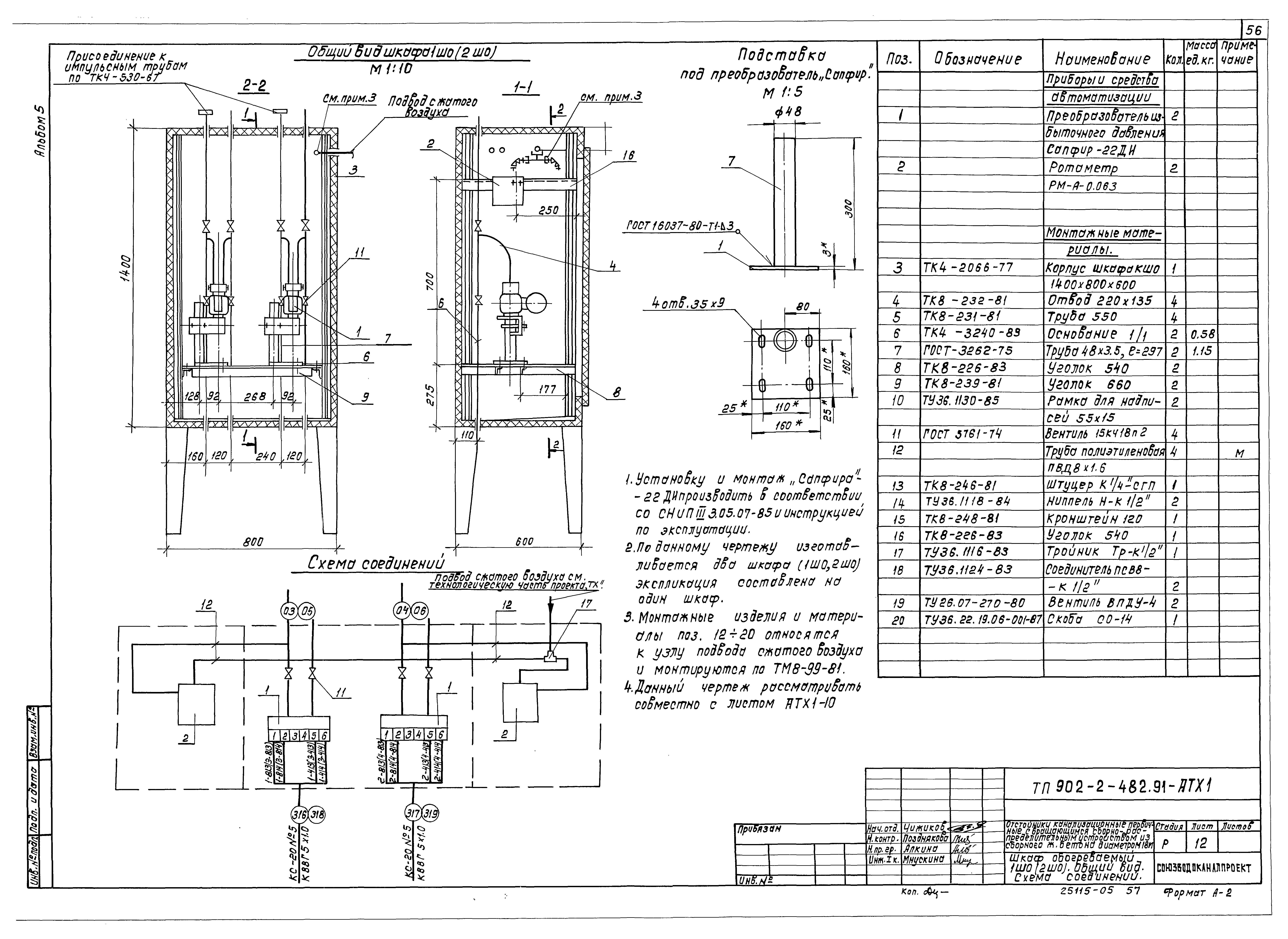
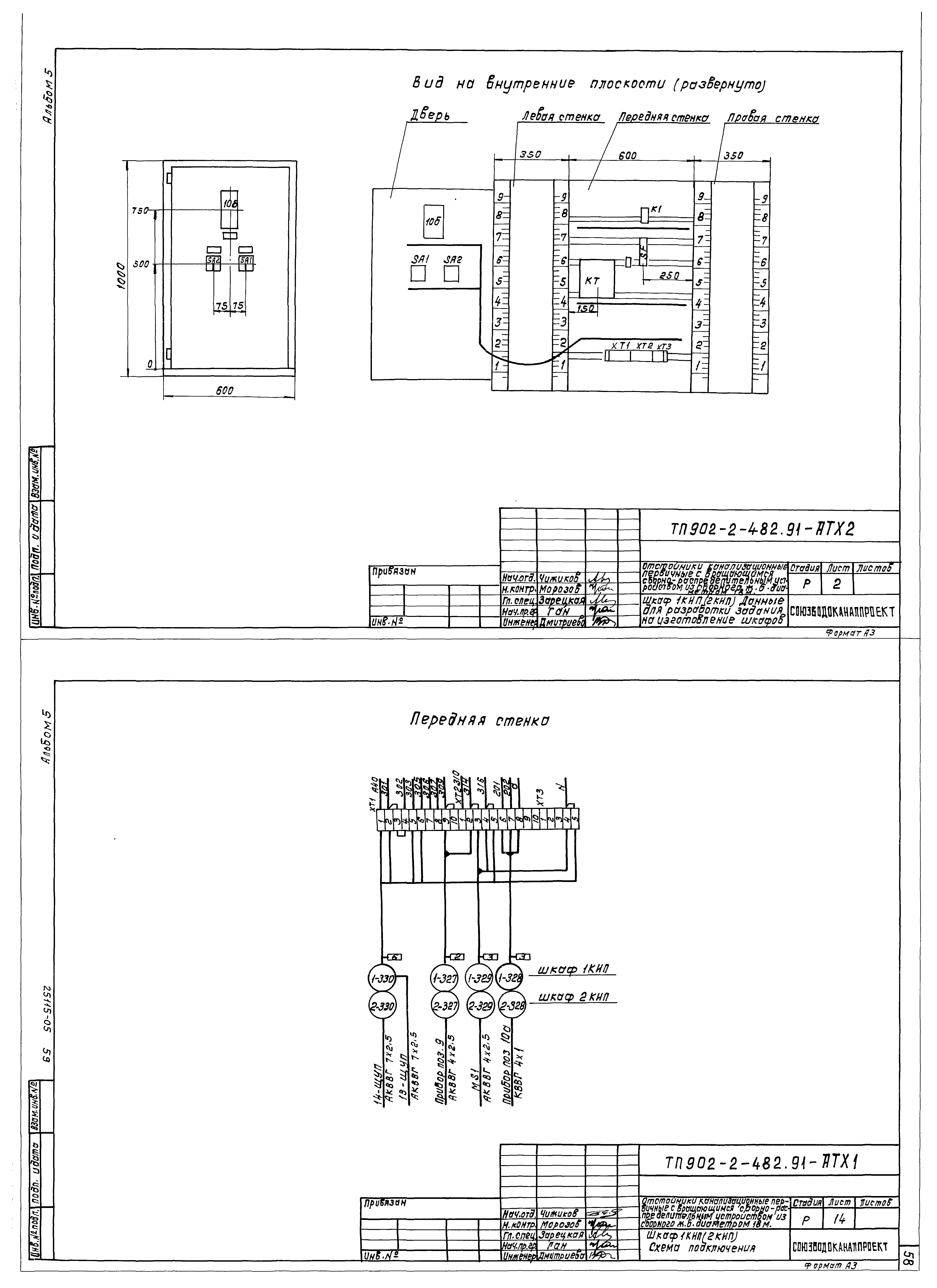
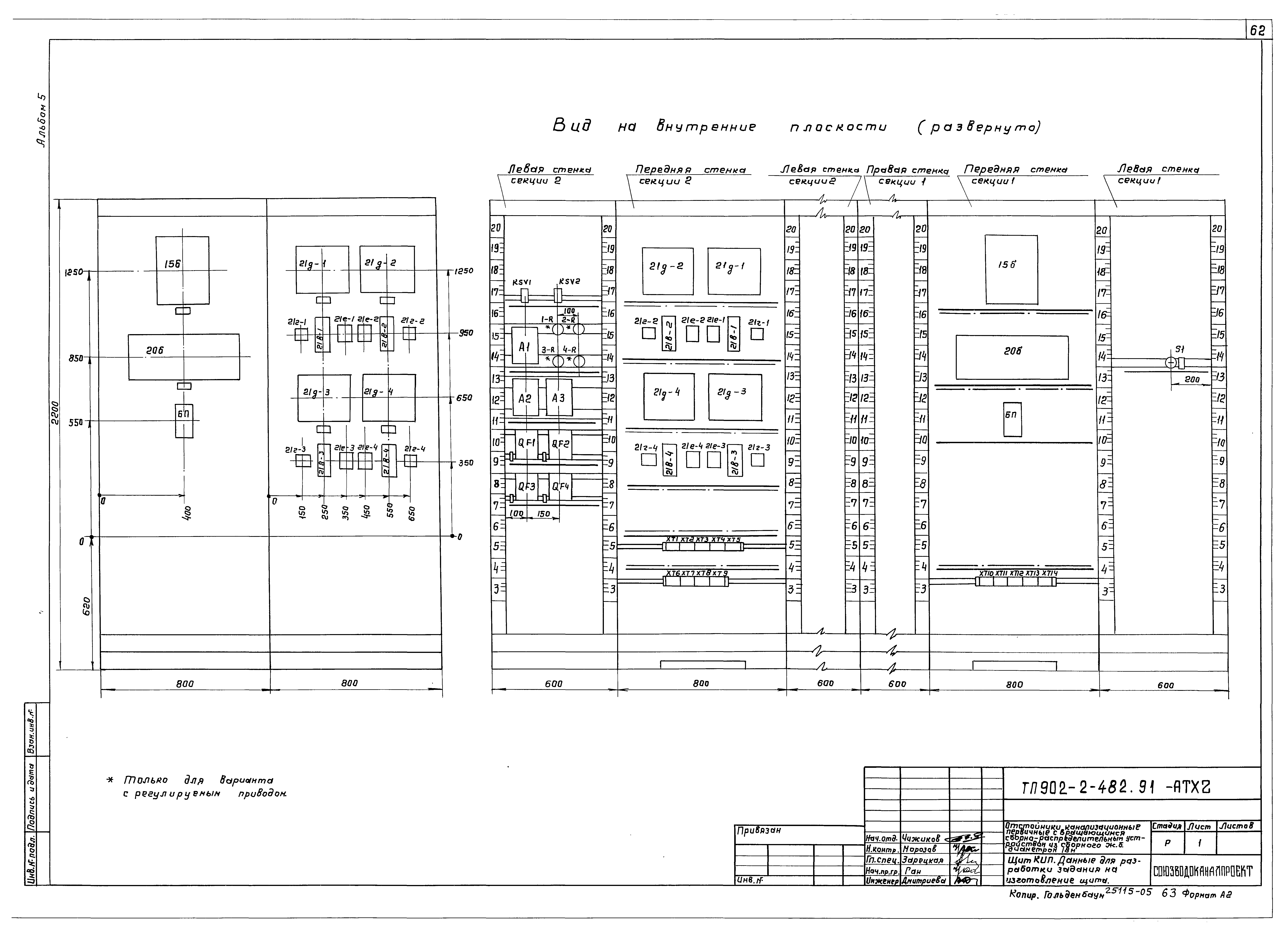
| Оглавление: | ТП 902-2-482.91-ЭМ Основной комплект марки ЭМ ТП 902-2-482.91-ЭМ-1,2 Общие данные ТП 902-2-482.91-ЭМ-3 Принципиальная схема распределительной сети. Начало. Вариант с регулируемым приводом ТП 902-2-482.91-ЭМ-4 Принципиальная схема распределительной сети. Начало. Вариант без регулируемого привода ТП 902-2-482.91-ЭМ-5-7 Принципиальная схема распределительной сети. Продолжение ТП 902-2-482.91-ЭМ-8 Принципиальная схема распределительной сети. Окончание. Вариант с регулируемым приводом ТП 902-2-482.91-ЭМ-9 Принципиальная схема распределительной сети. Окончание. Вариант без регулируемого привода ТП 902-2-482.91-ЭМ-10 Схема принципиальная АВР 0.4 кВ ТП 902-2-482.91-ЭМ-11 Поясняющая технологическая схема ТП 902-2-482.91-ЭМ-12 Схема принципиальная управления приводом фермы УВР отстойника. Вариант с регулируемым приводом ТП 902-2-482.91-ЭМ-13 Схема принципиальная управления приводом фермы УВР отстойника. Вариант без регулируемого привода ТП 902-2-482.91-ЭМ-14-16 Схема принципиальная управления выпуском осадка ТП 902-2-482.91-ЭМ-17,18 Схема принципиальная управления насосами перекачки всплывающих веществ ТП 902-2-482.91-ЭМ-19,20 Схема принципиальная управления насосами гидроуплотнения и дренажными насосами ТП 902-2-482.91-ЭМ-21,22 Схема принципиальная сигнализации ТП 902-2-482.91-ЭМ-23 Схема подключения отдельностоящего оборудования ТП 902-2-482.91-ЭМ-24 Привод фермы. Схема подключения. Вариант с регулируемым приводом ТП 902-2-482.91-ЭМ-25 Щит управления 13-ЩУП,14-ЩУП. Схема подключения ТП 902-2-482.91-ЭМ-26 Щит защищенный 1ШЩ. Схема подключений панели 1. Вариант с регулируемым приводом ТП 902-2-482.91-ЭМ-27 Щит защищенный 1ШЩ. Схема подключений панели 1. Вариант без регулируемого привода ТП 902-2-482.91-ЭМ-28 Щит защищенный 1ШЩ. Схема подключений панелей 2,3 ТП 902-2-482.91-ЭМ-29 Щит защищенный. Схема подключений панелей 4,5 ТП 902-2-482.91-ЭМ-30 Щит защищенный. Схема подключений панели 6. Вариант с регулируемым приводом ТП 902-2-482.91-ЭМ-31 Щит защищенный. Схема подключений панели 6. Вариант без регулируемого привода ТП 902-2-482.91-ЭМ-32 Насосная станция. Расположение электрооборудования, прокладка кабелей и труб. План на отм. -0.000 м ТП 902-2-482.91-ЭМ-33 Насосная станция. Расположение электрооборудования. Прокладка кабелей и труб. План на отм. -3.800 м ТП 902-2-482.91-ЭМ-34 Отстойники диаметром 18 м. Расположение электрооборудования, прокладка кабелей и труб. Ремонтное электроосвещение ТП 902-2-482.91-ЭМ-35 Отстойники диаметром 24 м. Расположение электрооборудования, прокладка кабелей и труб. Ремонтное электроосвещение ТП 902-2-482.91-ЭМ-36 Отстойники. Расположение электрооборудования, прокладка кабелей и труб. Разрез 1-1. Вид А ТП 902-2-482.91-ЭМ-37 Насосная станция. План сети зануления ТП 902-2-482.91-ЭМ-38 Насосная станция. Электроосвещение ТП 902-2-482.91-ЭМ.ЗЗИ-1-6 Щит защищенный 1ШЩ. Общий вид. Данные для разработки задания на изготовление щита ТП 902-2-482.91-АТХ1 Основной комплект марки АТХ1 ТП 902-2-482.91-АТХ1-1 Общие данные ТП 902-2-482.91-АТХ1-2 Схема принципиальная технологического контроля ТП 902-2-482.91-АТХ1-3 Приточная система П1№1(П1№2). Схема принципиальная технологического контроля ТП 902-2-482.91-АТХ1-4,5 Схема питания приводов ТП 902-2-482.91-АТХ1-6 Схема электрическая принципиальная регулирования уровня в сборной камере ТП 902-2-482.91-АТХ1-7 Приточная система П1№1(П1№2). Схема электрическая принципиальная регулирования ТП 902-2-482.91-АТХ1-8 Схема соединений внешних проводок (начало) ТП 902-2-482.91-АТХ1-9 Схема соединений внешних проводок (продолжение). Вариант с регулируемым приводом ТП 902-2-482.91-АТХ1-10 Схема соединений внешних проводок (окончание). Вариант без регулируемого привода ТП 902-2-482.91-АТХ1-11 Приточные системы П1№1(П1№2). Схема соединений внешних проводок ТП 902-2-482.91-АТХ1-12 Шкаф обогреваемый 1ШО(2ШО). Общий вид и схема соединения ТП 902-2-482.91-АТХ1-13 Щит КИП. Схема подключения секций 1,2 ТП 902-2-482.91-АТХ1-14 Щит 1КИП(2КИП). Схема подключения ТП 902-2-482.91-АТХ1-15 Отстойники диаметром 18 м. План расположения СА и проводок ТП 902-2-482.91-АТХ1-16 Отстойники диаметром 24 м. План расположения СА и проводок ТП 902-2-482.91-АТХ1-17 Насосная станция. План расположения СА и проводок ТП 902-2-482.91-АТХ2-1 Щит КИП. Данные для разработки задания на изготовление щита ТП 902-2-482.91-АТХ2-2 Щит 1КИП(2КИП). Данные для разработки задания на изготовление шкафов ТП 902-2-482.91-СС Основной комплект марки СС ТП 902-2-482.91-СС-1 Общие данные. Сеть телефонной связи на отм. -3.170 |
| Разработан: | Союзводоканалниипроект |
| Утверждён: | 25.07.1991 СоюзводоканалНИИпроект (SoyuzvodokanalNIIproject 13) |































































