Скачать Типовые проектные решения 902-2-0408.86 Альбом 4. Рабочие чертежи секций шириной 9 мДата актуализации: 01.01.2021
|
| Обозначение: | Типовые проектные решения 902-2-0408.86 |
| Обозначение англ: | 902-2-0408.86 |
| Статус: | справочные материалы, мп, тпр |
| Название рус.: | Альбом 4. Рабочие чертежи секций шириной 9 м |
| Дата добавления в базу: | 01.09.2013 |
| Дата актуализации: | 01.01.2021 |
| Дата окончания срока действия: | 29.08.1985 |
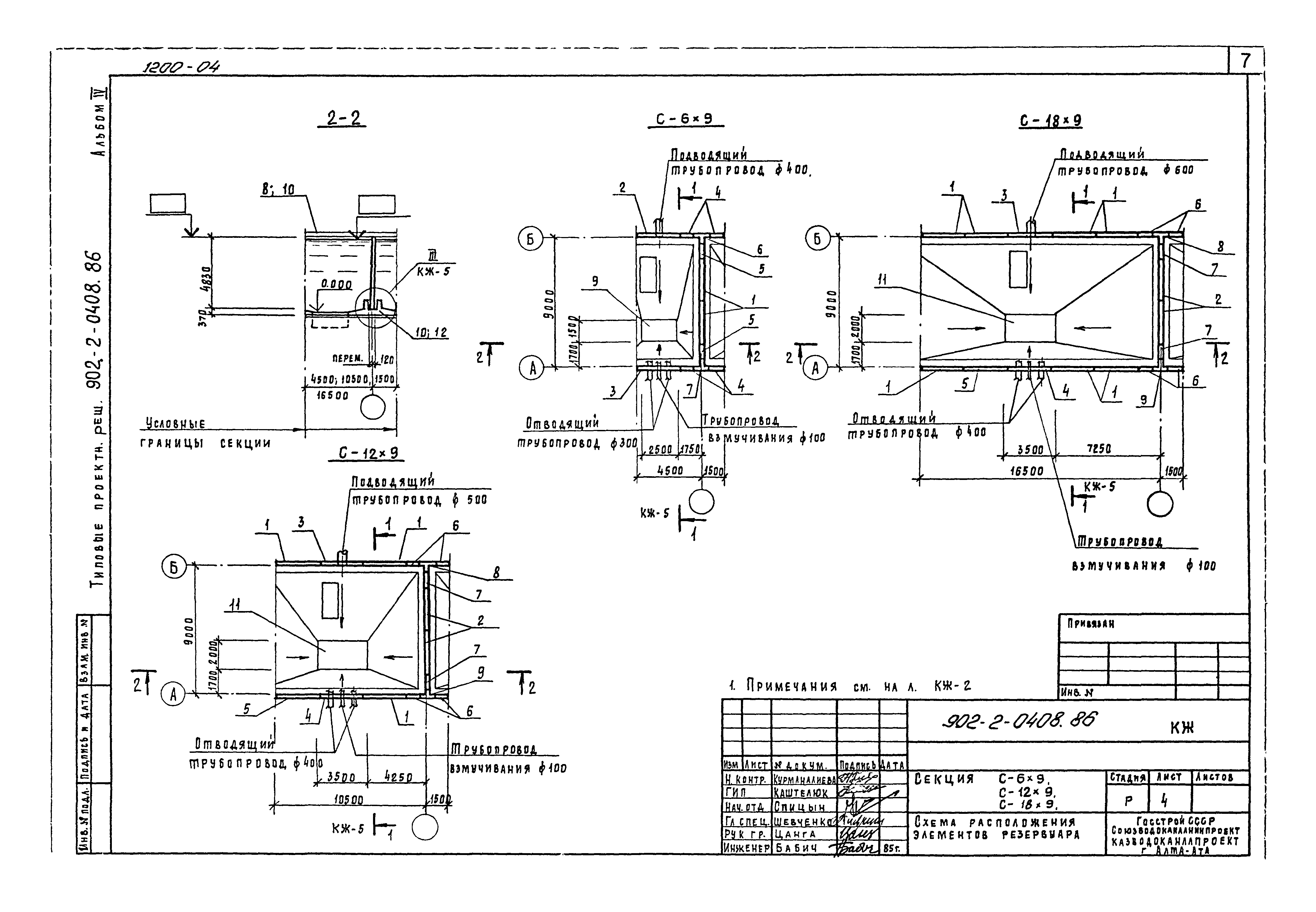
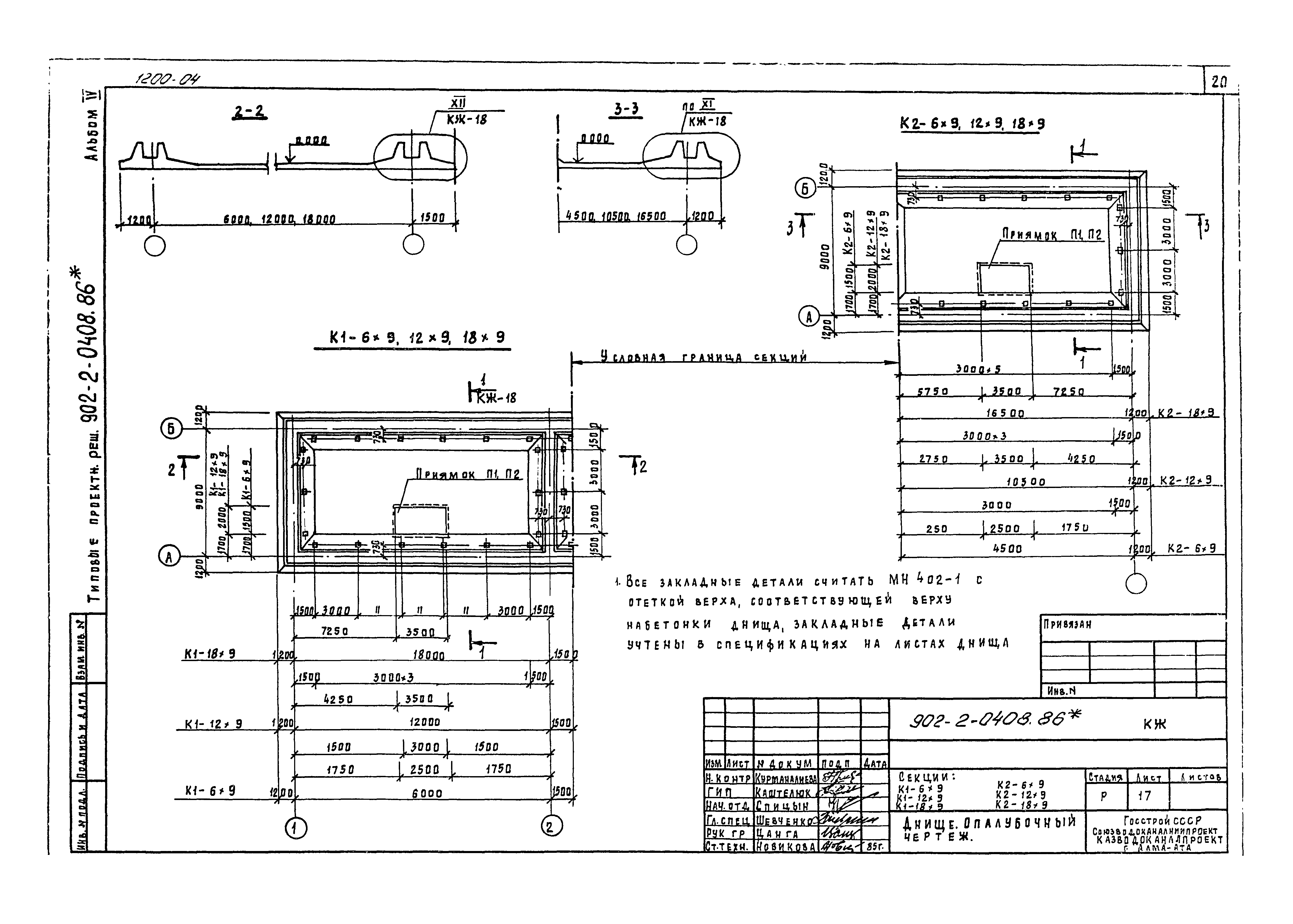
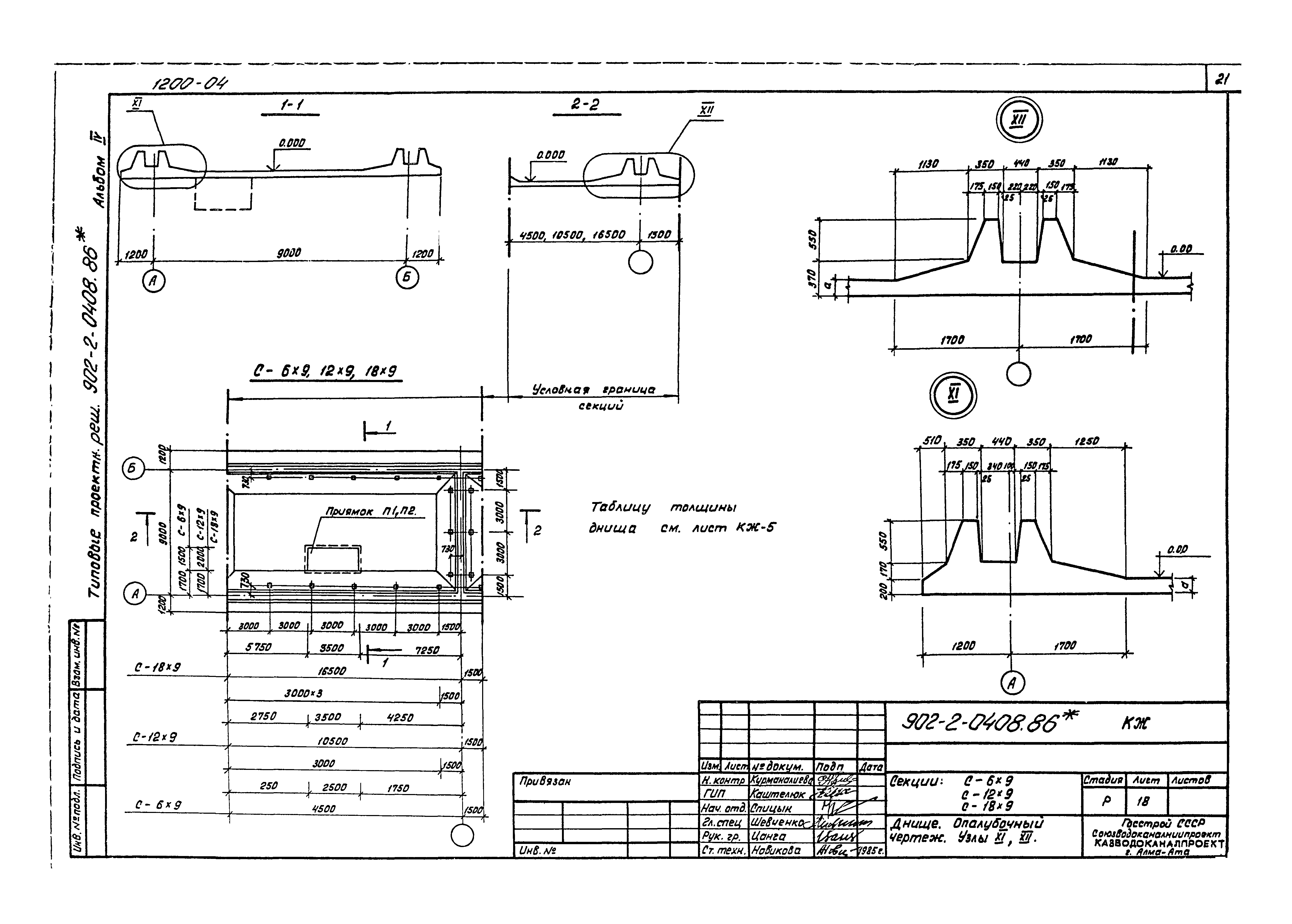
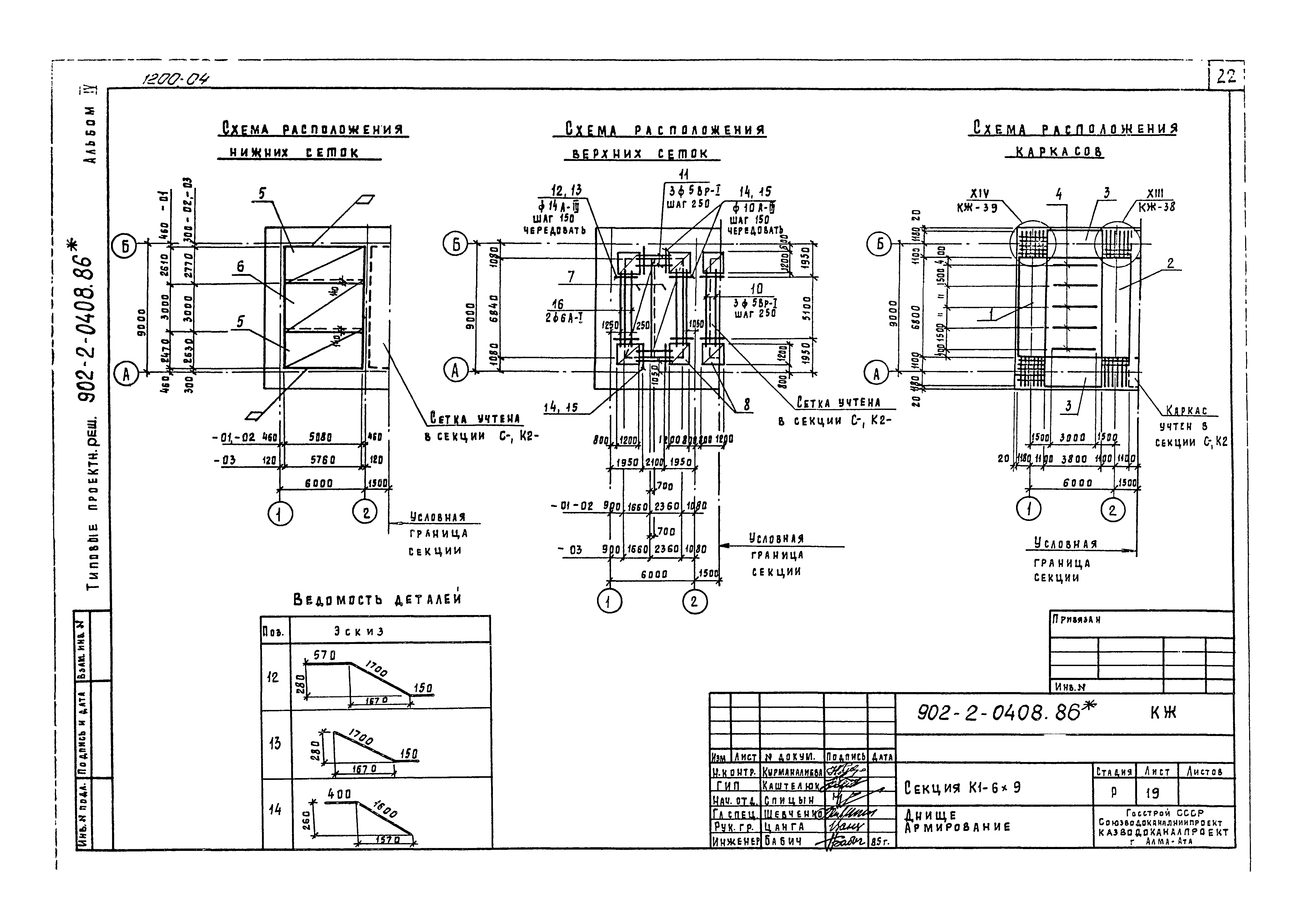
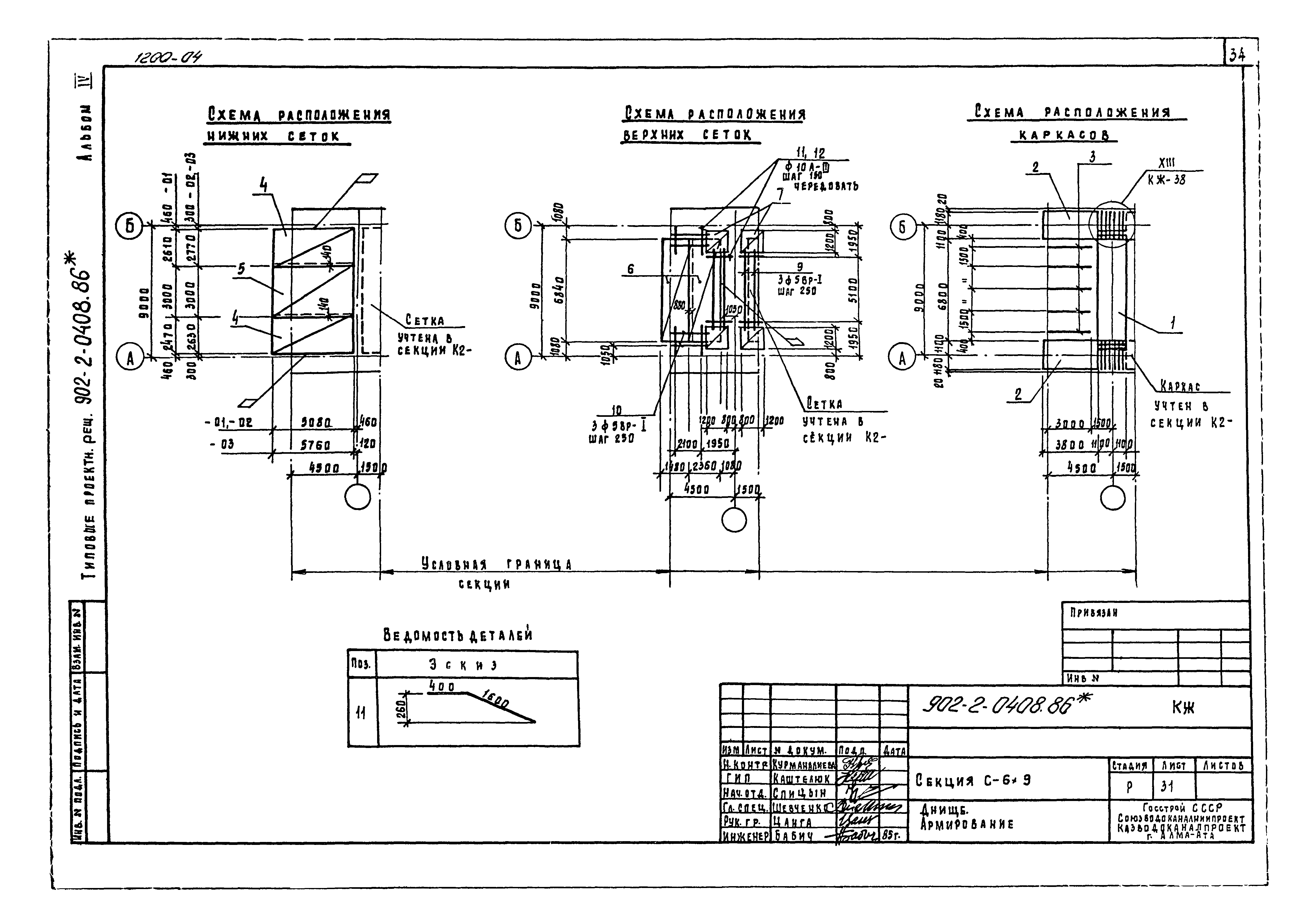
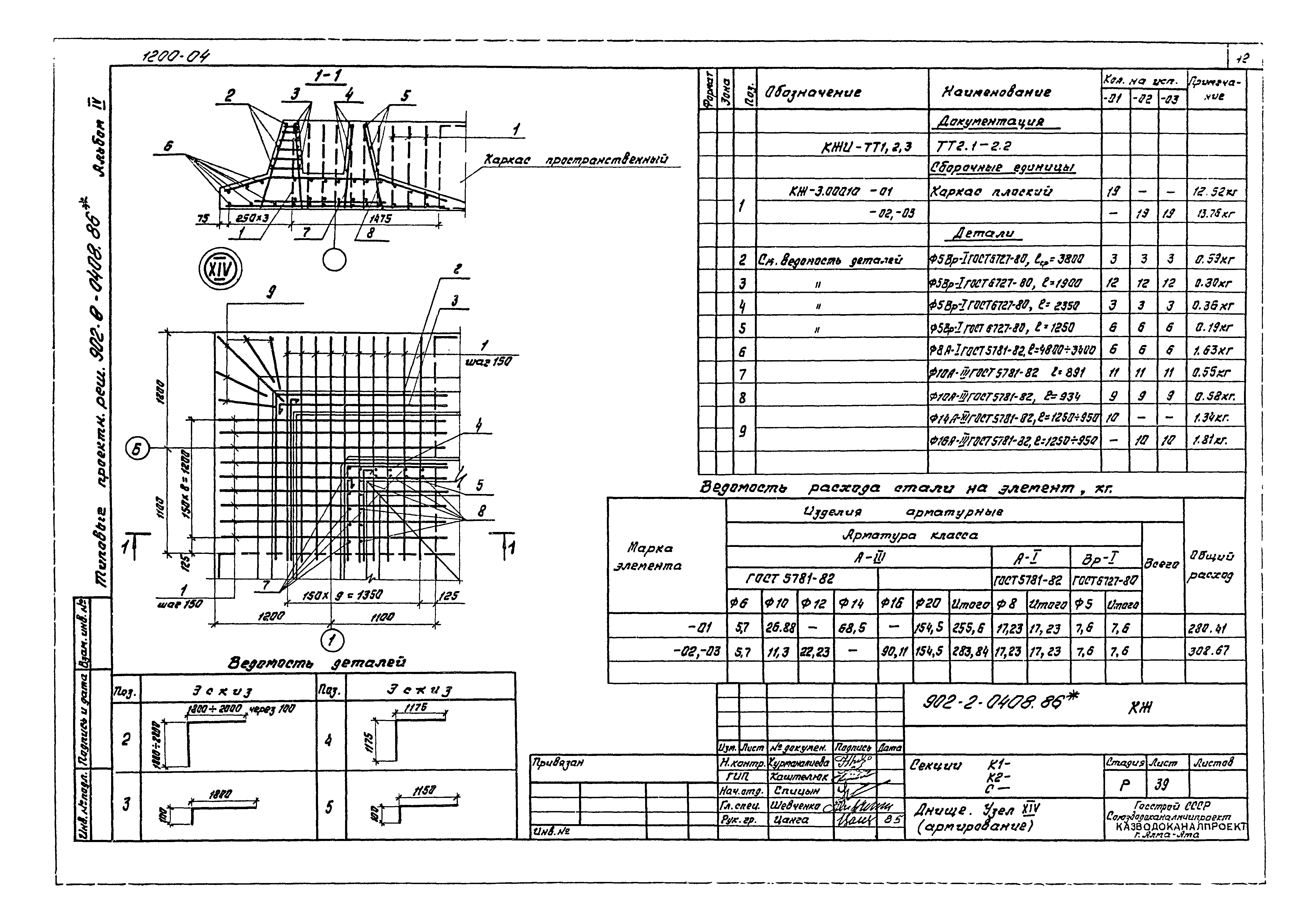
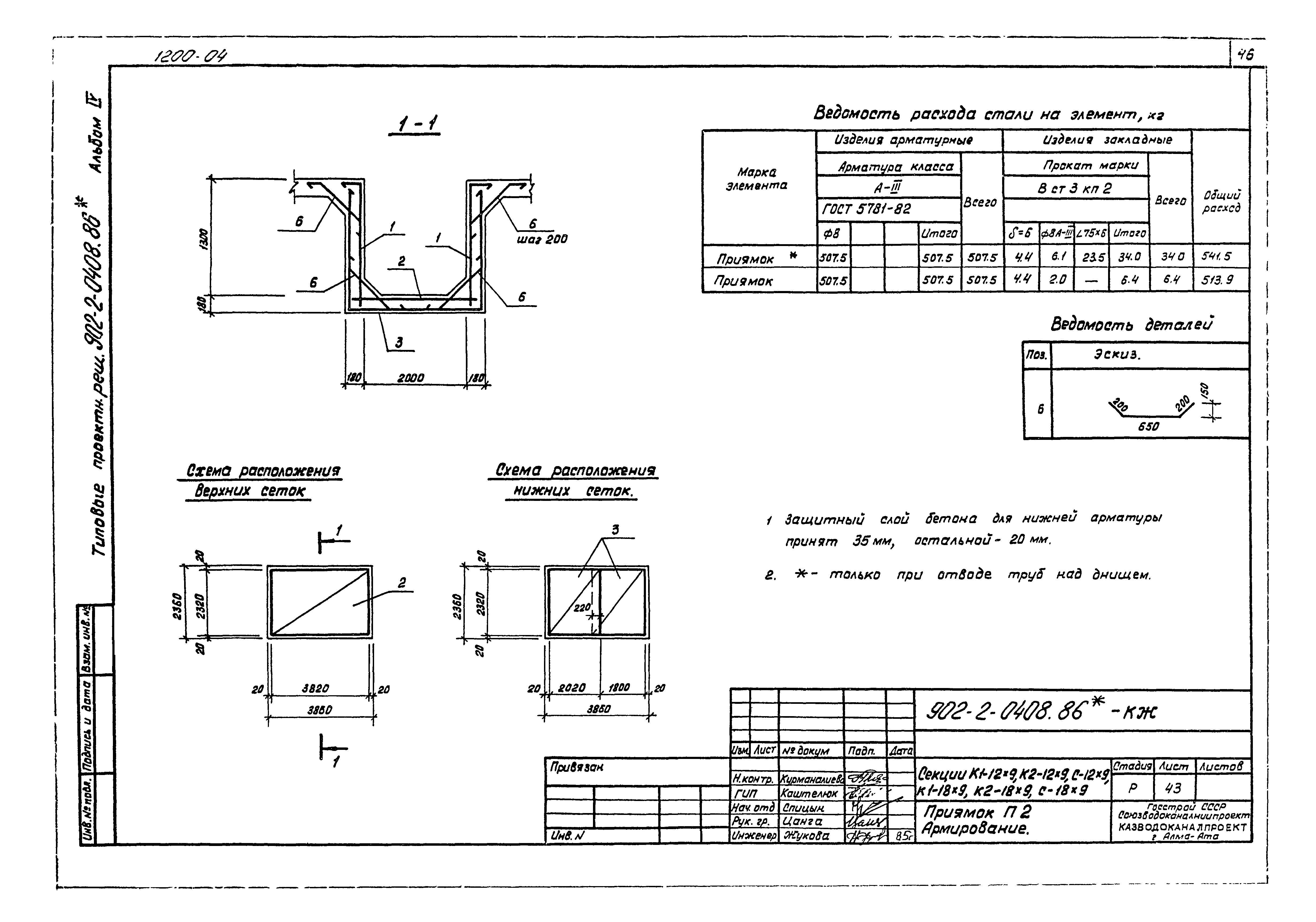
| Оглавление: | ТПР 902-2-0408.86 Содержание альбома ТПР 902-2-0408.86-КЖ Марка КЖ ТПР 902-2-0408.86-КЖ-1 Общие данные ТПР 902-2-0408.86-КЖ-2 Секции К1-6х9,К1-12х9,К1-18х9. Схема расположения элементов резервуара ТПР 902-2-0408.86-КЖ-3 Секции К2-6х9,К2-12х9,К2-18х9. Схема расположения элементов резервуара ТПР 902-2-0408.86-КЖ-4 Секции С-6х9,С-12х9,С-18х9. Схема расположения элементов резервуара ТПР 902-2-0408.86-КЖ-5 Секции К1-6х9,К1-12х9,К1-18х9,С-6х9,С-12х9,С-18х9,К2-6х9,К2-12х9,К2-18х9. Разрез 1-1. Узлы 1,2,3 ТПР 902-2-0408.86-КЖ-6 Секции К1-6х9. Спецификация к схеме расположения элементов резервуара ТПР 902-2-0408.86-КЖ-7 Секции К1-12х9. Спецификация к схеме расположения элементов резервуара ТПР 902-2-0408.86-КЖ-8 Секции К1-18х9. Спецификация к схеме расположения элементов резервуара ТПР 902-2-0408.86-КЖ-9 Секции К2-6х9,К2-12х9. Спецификация к схеме расположения элементов резервуара ТПР 902-2-0408.86-КЖ-10 Секции К2-18х9. Спецификация к схеме расположения элементов резервуара ТПР 902-2-0408.86-КЖ-11 Секции С-6х9,С-12х9. Спецификация к схеме расположения элементов резервуара ТПР 902-2-0408.86-КЖ-12 Секции С-18х9. Спецификация к схеме расположения элементов резервуара ТПР 902-2-0408.86-КЖ-13 Секции К1-6х9,К2-6х9,С-6х9. Монтажные узлы стен ТПР 902-2-0408.86-КЖ-14 Секции К1-12х9,К2-12х9,С-12х9. Монтажные узлы стен ТПР 902-2-0408.86-КЖ-15 Секции К1-18х9,К2-18х9,С-18х9. Монтажные узлы стен ТПР 902-2-0408.86-КЖ-16 Секции К1-6х9,К2-6х9,С-6х9,К1-12х9,К2х12х9,С-12х9,К1-18х9,К2-18х9,С-18х9. Монтажные узлы стен 4-10 ТПР 902-2-0408.86-КЖ-17 Секции К1-6х9,К1-12х9,К1-18х9,К2-6х9,К-12х9,К2-18х9. Днище. Опалубочный чертеж ТПР 902-2-0408.86-КЖ-18 Секции С-6х9,С-12х9,С-18х9. Днище. Опалубочный чертеж. Узлы 11,12 ТПР 902-2-0408.86-КЖ-19 Секция К1-6х9. Днище. Армирование ТПР 902-2-0408.86-КЖ-20 Секция К1-6х9. Днище. Спецификация ТПР 902-2-0408.86-КЖ-21 Секция К1-12х9. Днище. Армирование ТПР 902-2-0408.86-КЖ-22 Секция К1-12х9. Днище. Спецификация ТПР 902-2-0408.86-КЖ-23 Секция К1-18х9. Днище. Армирование ТПР 902-2-0408.86-КЖ-24 Секция К1-18х9. Днище. Спецификация ТПР 902-2-0408.86-КЖ-25 Секция К2-6х9. Днище. Армирование ТПР 902-2-0408.86-КЖ-26 Секция К2-6х9. Днище. Спецификация ТПР 902-2-0408.86-КЖ-27 Секция К2-12х9. Днище. Армирование ТПР 902-2-0408.86-КЖ-28 Секция К2-12х9. Днище. Спецификация ТПР 902-2-0408.86-КЖ-29 Секция К2-18х9. Днище. Армирование ТПР 902-2-0408.86-КЖ-30 Секция К2-18х9. Днище. Спецификация ТПР 902-2-0408.86-КЖ-31 Секция С-6х9. Днище. Армирование ТПР 902-2-0408.86-КЖ-32 Секция С-6х9. Днище. Спецификация ТПР 902-2-0408.86-КЖ-33 Секция С-12х9. Днище. Армирование ТПР 902-2-0408.86-КЖ-34 Секция С-12х9. Днище. Спецификация ТПР 902-2-0408.86-КЖ-35 Секция С-18х9. Днище. Армирование ТПР 902-2-0408.86-КЖ-36 Секция С-18х9. Днище. Спецификация ТПР 902-2-0408.86-КЖ-37 Секции К1-,К2-,С-. Днище. Узлы 11,12 (армирование) ТПР 902-2-0408.86-КЖ-38 Секции К1-,К2-,С-. Днище. Уел 13 (армирование) ТПР 902-2-0408.86-КЖ-39 Секции К1-,К2-,С-. Днище. Уел 14 (армирование) ТПР 902-2-0408.86-КЖ-40 Секции К1-6х9,К2-6х9,С-6х9. Приямок П1. План, разрезы ТПР 902-2-0408.86-КЖ-41 Секции К1-6х9,К2-6х9,С-6х9. Приямок П1. Армирование ТПР 902-2-0408.86-КЖ-42 Секции К1-12х9,К2-12х9,С-12х9,К1-18х9,К2-18х9,С-18х9. Приямок П2. План, разрезы ТПР 902-2-0408.86-КЖ-43 Секции К1-12х9,К2-12х9,С-12х9,К1-18х9,К2-18х9,С-18х9. Приямок П2. Армирование ТПР 902-2-0408.86-НК Марка НК (1 вариант) ТПР 902-2-0408.86-НК-1 Общие данные ТПР 902-2-0408.86-НК-2 Технологические трубопроводы. Планы. Разрез 4-4. Узел 1 ТПР 902-2-0408.86-НК-3 Технологические трубопроводы. План. Узел 2 ТПР 902-2-0408.86-НК-4 Технологические трубопроводы. Разрезы 1-1,2-2,3-3 ТПР 902-2-0408.86-НК-5 Технологические трубопроводы. Спецификация (начало) ТПР 902-2-0408.86-НК-6 Технологические трубопроводы. Спецификация (продолжение) ТПР 902-2-0408.86-НК Марка НК (2 вариант) ТПР 902-2-0408.86-НК-1 Общие данные ТПР 902-2-0408.86-НК-2 Технологические трубопроводы. Планы. Разрезы 5-5,6-6. Узел 1 ТПР 902-2-0408.86-НК-3 Технологические трубопроводы. План. Разрез 4-4. Узел 2 ТПР 902-2-0408.86-НК-4 Технологические трубопроводы. Разрезы 1-1,2-2,3-3,7-7,8-8 ТПР 902-2-0408.86-НК-5 Технологические трубопроводы. Спецификация (начало) ТПР 902-2-0408.86-НК-6 Технологические трубопроводы. Спецификация (продолжение) ТПР 902-2-0408.86-ЭК Марка ЭК ТПР 902-2-0408.86-ЭК-1 Общие данные. Спецификация основных монтажных материалов и изделий (начало) ТПР 902-2-0408.86-ЭК-2 Общие данные. Спецификация основных монтажных материалов и изделий (продолжение) ТПР 902-2-0408.86-ЭК-3 Установка датчиков уровня (начало) ТПР 902-2-0408.86-ЭК-4 Установка датчиков уровня (продолжение) |
| Разработан: | Казводоканалпроект Госстроя СССР |
| Утверждён: | 23.05.1985 СоюзводоканалНИИпроект (SoyuzvodokanalNIIproject 25) |































































