Скачать Типовые проектные решения 902-2-0408.86 Альбом 6. Рабочие чертежи изделий для секций шириной 6 мДата актуализации: 01.01.2021
|
| Обозначение: | Типовые проектные решения 902-2-0408.86 |
| Обозначение англ: | 902-2-0408.86 |
| Статус: | справочные материалы, мп, тпр |
| Название рус.: | Альбом 6. Рабочие чертежи изделий для секций шириной 6 м |
| Дата добавления в базу: | 01.09.2013 |
| Дата актуализации: | 01.01.2021 |
| Дата окончания срока действия: | 29.08.1985 |
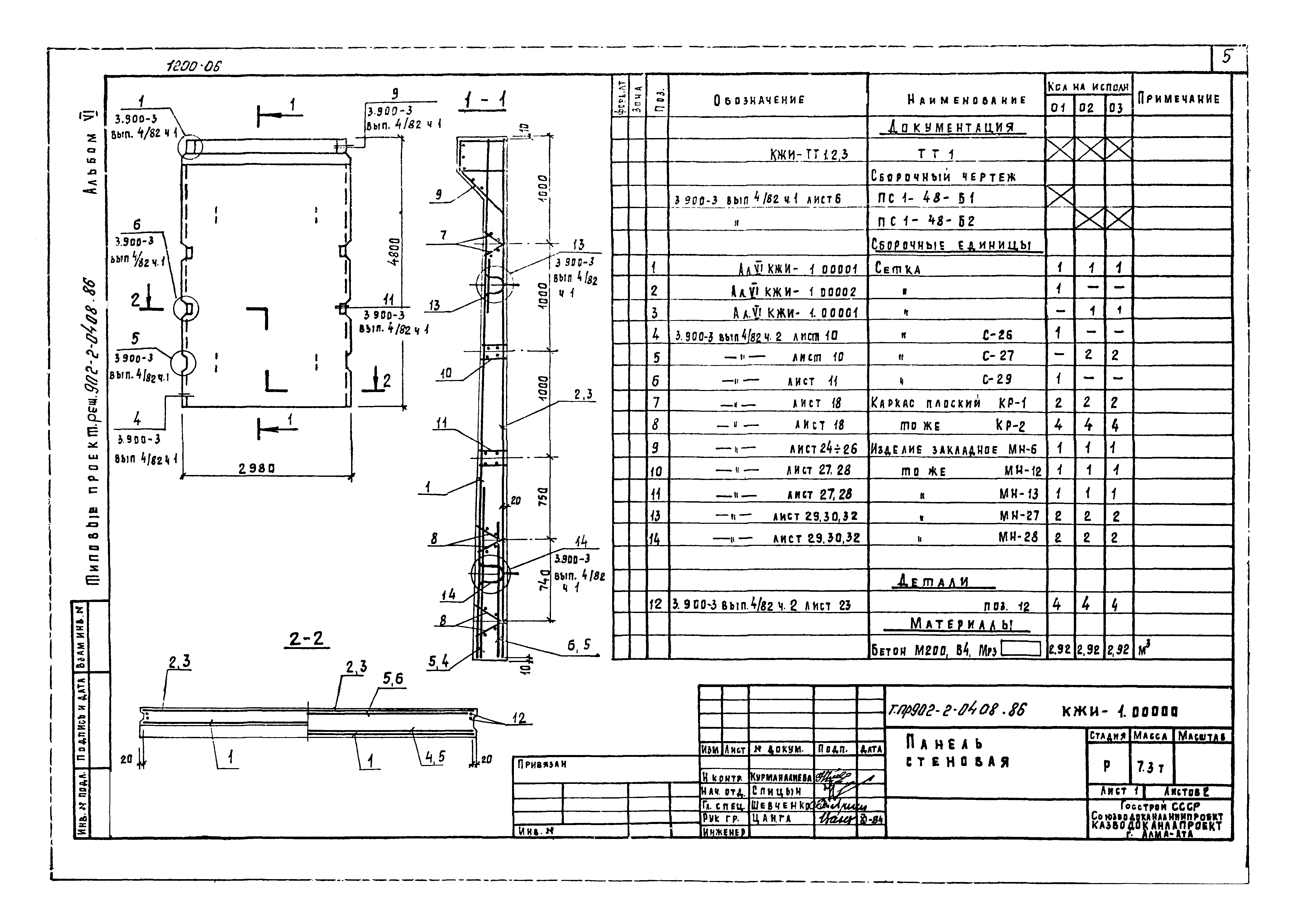
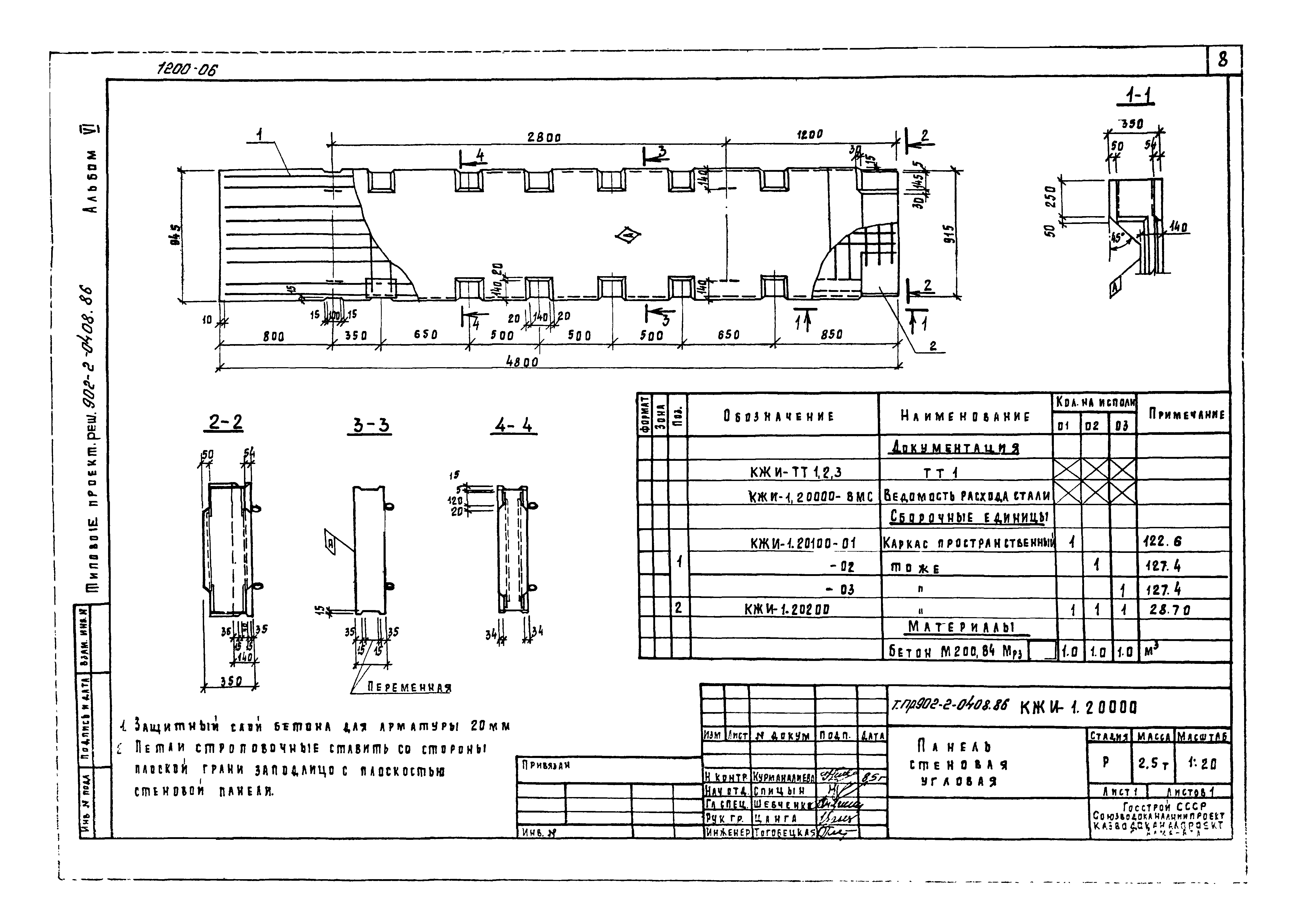
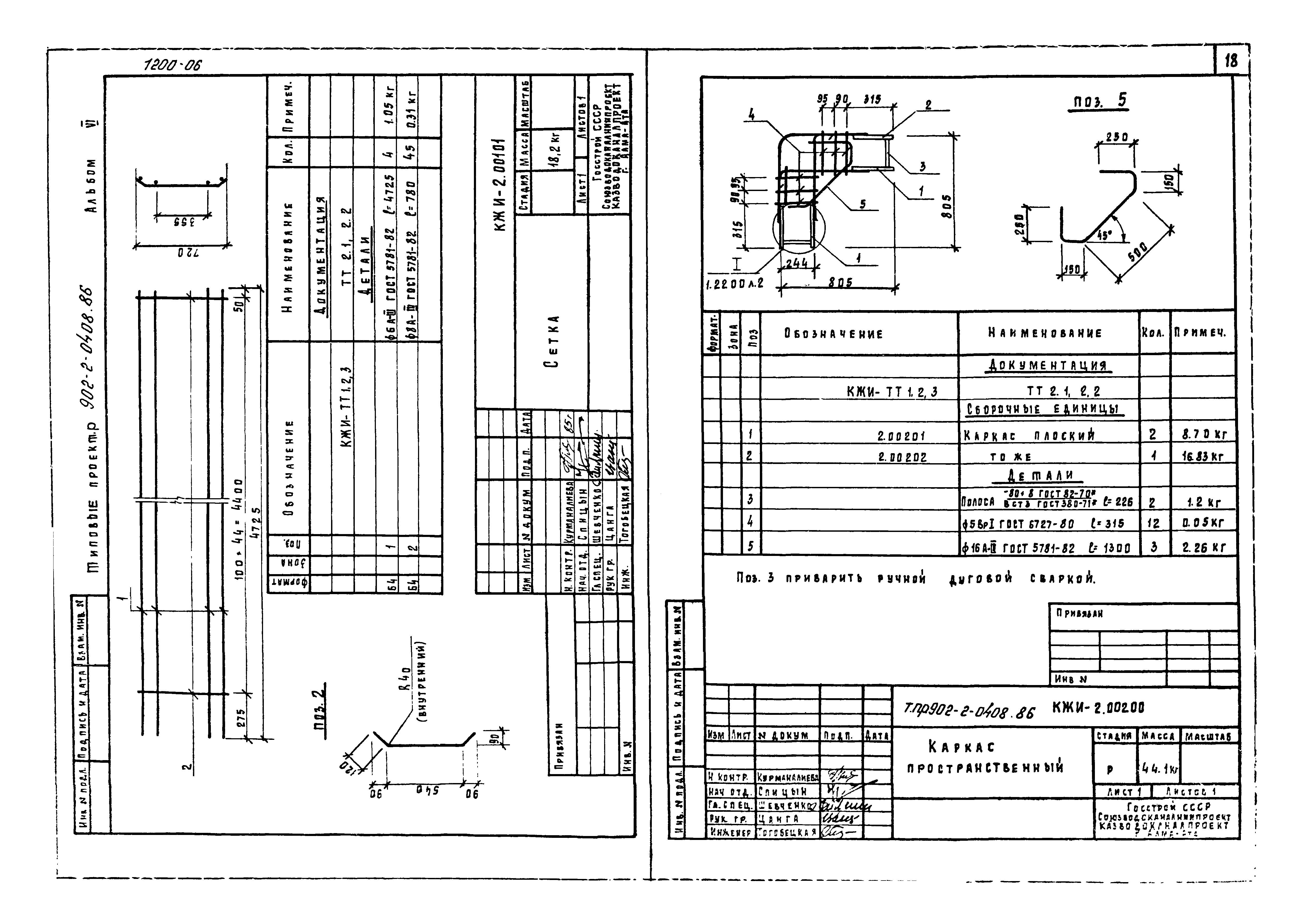
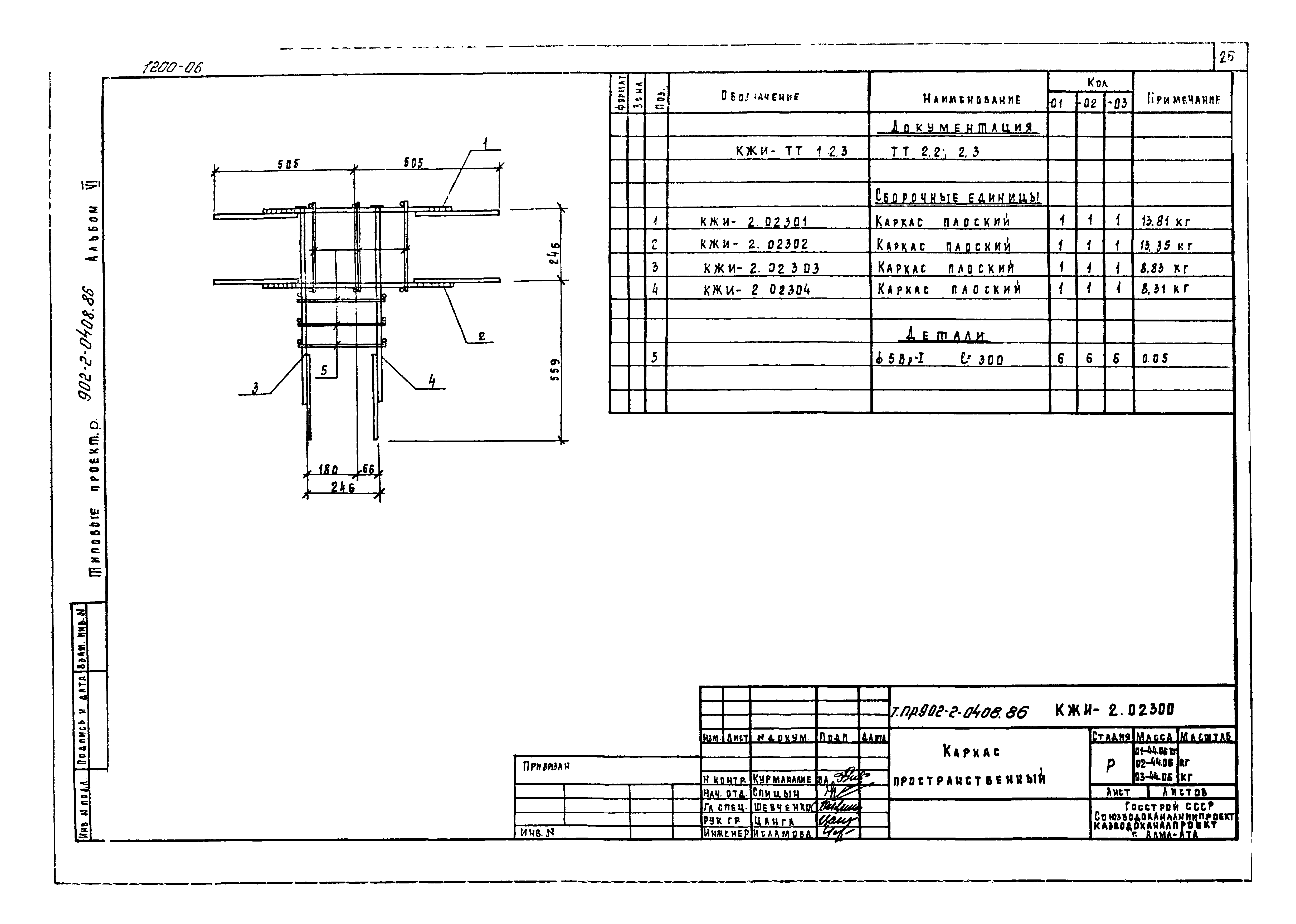
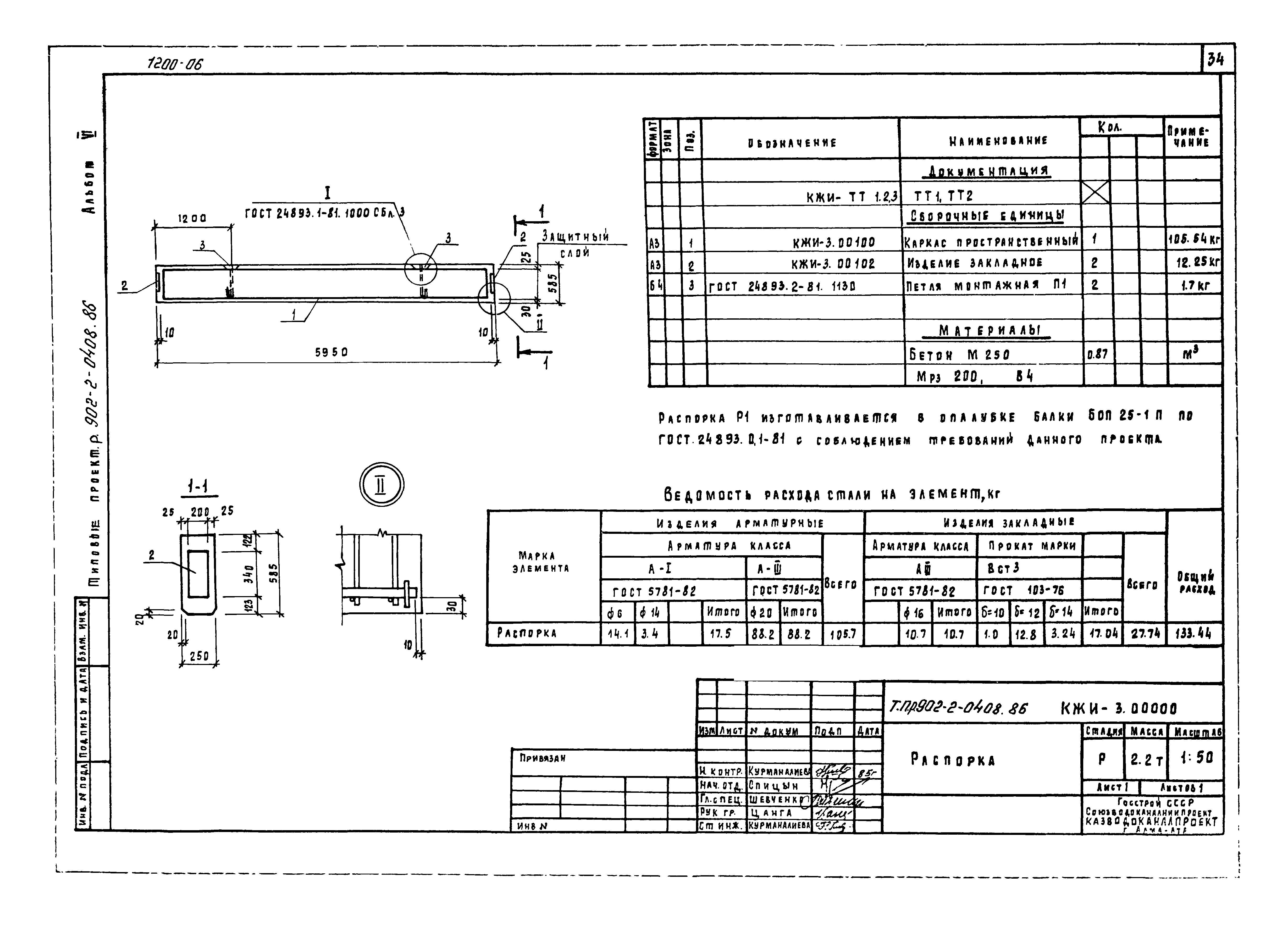
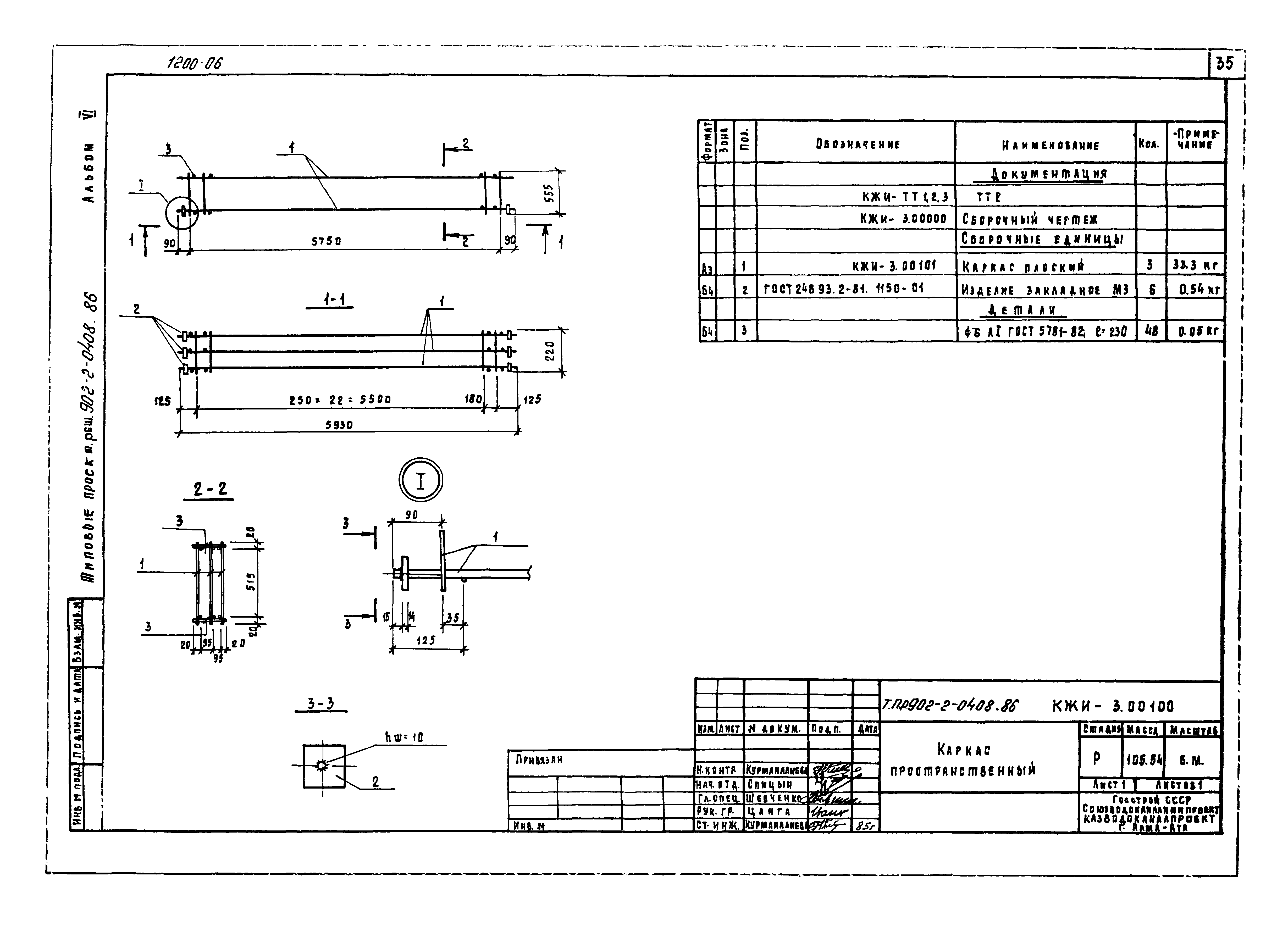
| Оглавление: | ТПР 902-2-0408.86-КЖИ Содержание альбома ТПР 902-2-0408.86-КЖИ-ТТ1,2,3 Технические требования ТПР 902-2-0408.86-КЖИ-1.00000 Панель стеновая ТПР 902-2-0408.86-КЖИ-1.00000 ВМС Панель стеновая. Ведомость расхода стали ТПР 902-2-0408.86-КЖИ-1.00001 Сетка ТПР 902-2-0408.86-КЖИ-1.00002 Сетка ТПР 902-2-0408.86-КЖИ-1.20000 ВМС Панель стеновая угловая. Ведомость расхода стали ТПР 902-2-0408.86-КЖИ-1.20000 Панель стеновая угловая ТПР 902-2-0408.86-КЖИ-1.20100 Каркас пространственный ТПР 902-2-0408.86-КЖИ-1.20200 Каркас пространственный ТПР 902-2-0408.86-КЖИ-1.20201 Каркас плоский ТПР 902-2-0408.86-КЖИ-1.20202 Каркас плоский ТПР 902-2-0408.86-КЖИ-1.20101 Петля строповочная ТПР 902-2-0408.86-КЖИ-1.20102 Петля строповочная ТПР 902-2-0408.86-КЖИ-1.20110 Каркас пространственный ТПР 902-2-0408.86-КЖИ-1.20111 Сетка ТПР 902-2-0408.86-КЖИ-2.00000 Блок угловой ТПР 902-2-0408.86-КЖИ-2.00000 СБ Блок угловой. Сборочный чертеж ТПР 902-2-0408.86-КЖИ-2.00100 Каркас пространственный ТПР 902-2-0408.86-КЖИ-2.00100 СБ Каркас пространственный. Сборочный чертеж ТПР 902-2-0408.86-КЖИ-2.00101 Сетка ТПР 902-2-0408.86-КЖИ-2.00200 Каркас пространственный ТПР 902-2-0408.86-КЖИ-2.00201 Каркас плоский ТПР 902-2-0408.86-КЖИ-2.00202 Каркас плоский ТПР 902-2-0408.86-КЖИ-2.02000 ВМС;2.03000 ВМС Блок угловой ТПР 902-2-0408.86-КЖИ-2.02000 СБ; 2.03000 СБ Блок угловой ТПР 902-2-0408.86-КЖИ-2.02100 Каркас пространственный ТПР 902-2-0408.86-КЖИ-2.02200 Каркас пространственный ТПР 902-2-0408.86-КЖИ-2.02300 Каркас пространственный ТПР 902-2-0408.86-КЖИ-2.02301 Каркас плоский ТПР 902-2-0408.86-КЖИ-2.02302 Каркас плоский ТПР 902-2-0408.86-КЖИ-2.02303 Каркас плоский ТПР 902-2-0408.86-КЖИ-2.02304 Каркас плоский ТПР 902-2-0408.86-КЖИ-1.01000;1.03000;1.05000;1.12000 Панель стеновая ТПР 902-2-0408.86-КЖИ-1.02000;1.04000;1.10000 Панель стеновая ТПР 902-2-0408.86-КЖИ-1.07000;1.11000;1.13000;1.06000 Панель стеновая ТПР 902-2-0408.86-КЖИ-1.15000;1.08000;1.09000;1.14000 Панель стеновая ТПР 902-2-0408.86-КЖИ-1.21000 Панель стеновая угловая ТПР 902-2-0408.86-КЖИ-1.14001 Изделие закладное ТПР 902-2-0408.86-КЖИ-3.00000 Распорка ТПР 902-2-0408.86-КЖИ-3.00100 Каркас пространственный ТПР 902-2-0408.86-КЖИ-3.00101 Каркас плоский ТПР 902-2-0408.86-КЖИ-3.00102 Изделие закладное ТПР 902-2-0408.86-КЖИ-5.00100 Каркас пространственный ТПР 902-2-0408.86-КЖИ-5.00200 Каркас пространственный ТПР 902-2-0408.86-КЖИ-5.00101 Каркас плоский ТПР 902-2-0408.86-КЖИ-5.00201 Каркас плоский ТПР 902-2-0408.86-КЖИ-5.00300 Каркас пространственный ТПР 902-2-0408.86-КЖИ-5.00400 Каркас пространственный ТПР 902-2-0408.86-КЖИ-5.00401 Каркас плоский ТПР 902-2-0408.86-КЖИ-5.00300 Каркас ТПР 902-2-0408.86-КЖИ-5.00600 Каркас ТПР 902-2-0408.86-КЖИ-5.00001 Каркас плоский ТПР 902-2-0408.86-КЖИ-5.00002 Каркас плоский ТПР 902-2-0408.86-КЖИ-5.00003 Сетка ТПР 902-2-0408.86-КЖИ-5.00004 Сетка ТПР 902-2-0408.86-КЖИ-5.00005 Сетка ТПР 902-2-0408.86-КЖИ-5.00006 Сетка ТПР 902-2-0408.86-КЖИ-5.00007 Сетка ТПР 902-2-0408.86-КЖИ-5.00008 Сетка ТПР 902-2-0408.86-КЖИ-5.00009 Сетка ТПР 902-2-0408.86-КЖИ-5.00010 Сетка ТПР 902-2-0408.86-КЖИ-5.00011 Сетка ТПР 902-2-0408.86-КЖИ-5.00012 Сетка ТПР 902-2-0408.86-КЖИ-7.00000 Изделие соединительное МС1 ТПР 902-2-0408.86-КЖИ-5.00013 Сетка ТПР 902-2-0408.86-КЖИ-5.00017;5.00014 Сетка арматурная ТПР 902-2-0408.86-КЖИ-5.00015 Сетка арматурная ТПР 902-2-0408.86-КЖИ-5.00016;5.00019 Сетка арматурная ТПР 902-2-0408.86-КЖИ-5.00018 Сетка арматурная ТПР 902-2-0408.86-КЖИ-4.00000 Щит съемного покрытия ТПР 902-2-0408.86-КЖИ-8.00.00 Решетка ТПР 902-2-0408.86-КЖИ-МК-8.00.00 СБ Решетка. Сборочный чертеж ТПР 902-2-0408.86-КЖИ-МК-10.00.00 Кожух ТПР 902-2-0408.86-КЖИ-МК-10.00.00 СБ Кожух. Сборочный чертеж ТПР 902-2-0408.86-КЖИ-МК-11.00.00 Бобышка ТПР 902-2-0408.86-КЖИ-МК-12.00.00 Фланец ТПР 902-2-0408.86-КЖИ-МК-16.00.00 СБ Отводящий трубопровод. 1 вариант. Сборочный чертеж ТПР 902-2-0408.86-КЖИ-МК-16.00.00 Отводящий трубопровод. 1 вариант ТПР 902-2-0408.86-КЖИ-МК-17.00.00 Отводящий трубопровод. 2 вариант ТПР 902-2-0408.86-КЖИ-МК-17.00.00 СБ Отводящий трубопровод. 2 вариант. Сборочный чертеж ТПР 902-2-0408.86-КЖИ-МК-18.00.00 Патрубок ТПР 902-2-0408.86-КЖИ-МК-18.00.00 СБ Патрубок. Сборочный чертеж |
| Разработан: | Казводоканалпроект Госстроя СССР |
| Утверждён: | 23.05.1985 СоюзводоканалНИИпроект (SoyuzvodokanalNIIproject 25) |



























































