Скачать ОСТ 1 02587-86 Системы автоматизированного проектирования. Требования к чертежам аэродинамических моделей

Дата актуализации: 01.01.2021

ОСТ 1 02587-86

Системы автоматизированного проектирования. Требования к чертежам аэродинамических моделей

Обозначение: ОСТ 1 02587-86
Обозначение англ: 02587-86
Статус:введен впервые
Название рус.:Системы автоматизированного проектирования. Требования к чертежам аэродинамических моделей
Дата добавления в базу:01.09.2013
Дата актуализации:01.01.2021
Дата введения:01.07.1987
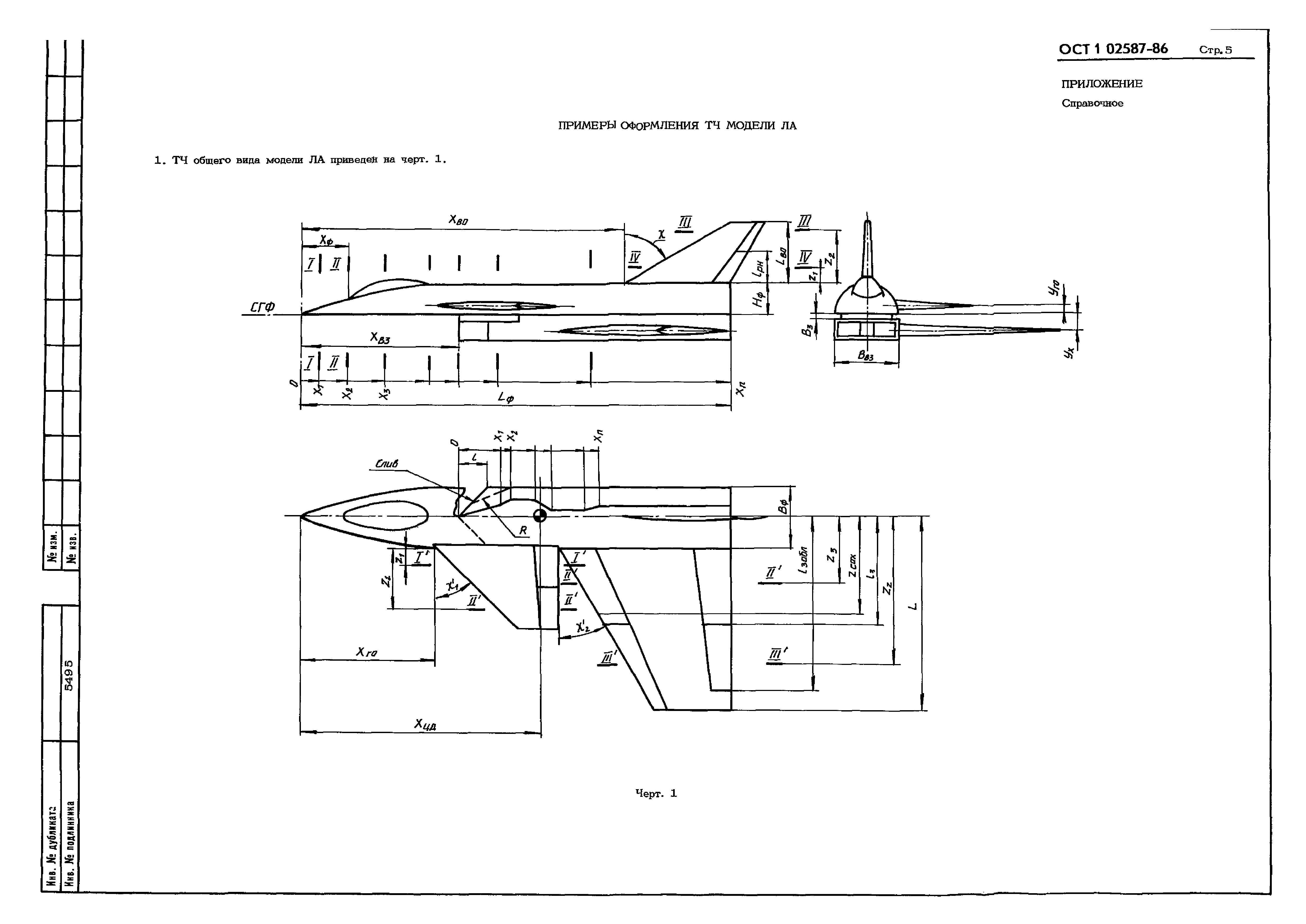
Область применения:Стандарт устанавливает требования к заданию геометрической информации о модели ЛА, составляющих ее элементов и взаимной увязке этих элементов в теоретических чертежах (ТЧ) аэродинамических моделей летательных аппаратов.
Утверждён:10.07.1986 Министерство (Ministry 298-06)
Нормативные ссылки:
ОСТ 1 02587-86ОСТ 1 02587-86ОСТ 1 02587-86ОСТ 1 02587-86ОСТ 1 02587-86ОСТ 1 02587-86