Скачать ОСТ 1 02650-88 Системы автоматизированного проектирования. Формат и представление данных для передачи геометрической модели. Общие требованияДата актуализации: 01.01.2021
|
| Обозначение: | ОСТ 1 02650-88 |
| Обозначение англ: | 02650-88 |
| Статус: | введен впервые |
| Название рус.: | Системы автоматизированного проектирования. Формат и представление данных для передачи геометрической модели. Общие требования |
| Дата добавления в базу: | 01.09.2013 |
| Дата актуализации: | 01.01.2021 |
| Дата введения: | 01.07.1989 |
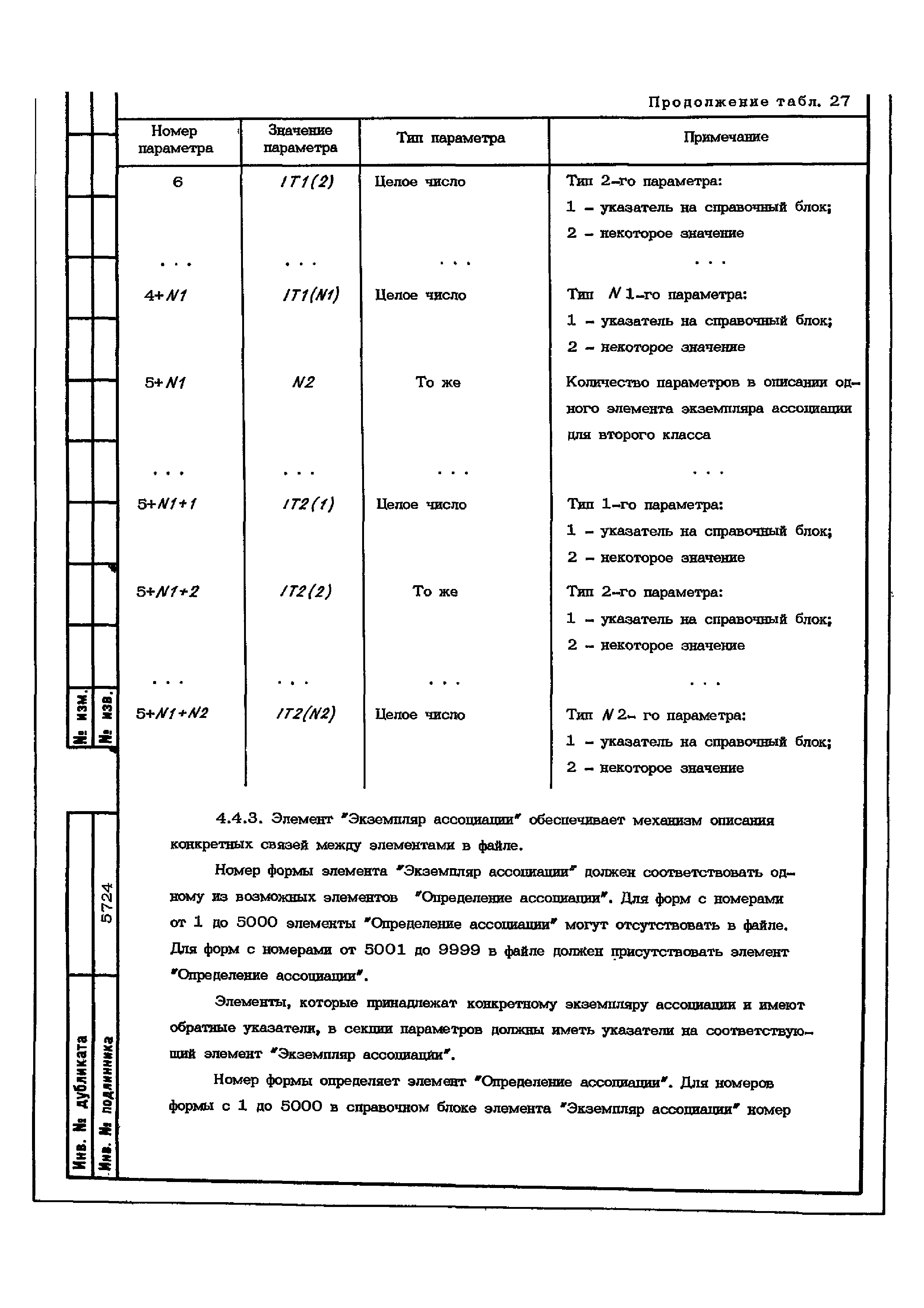
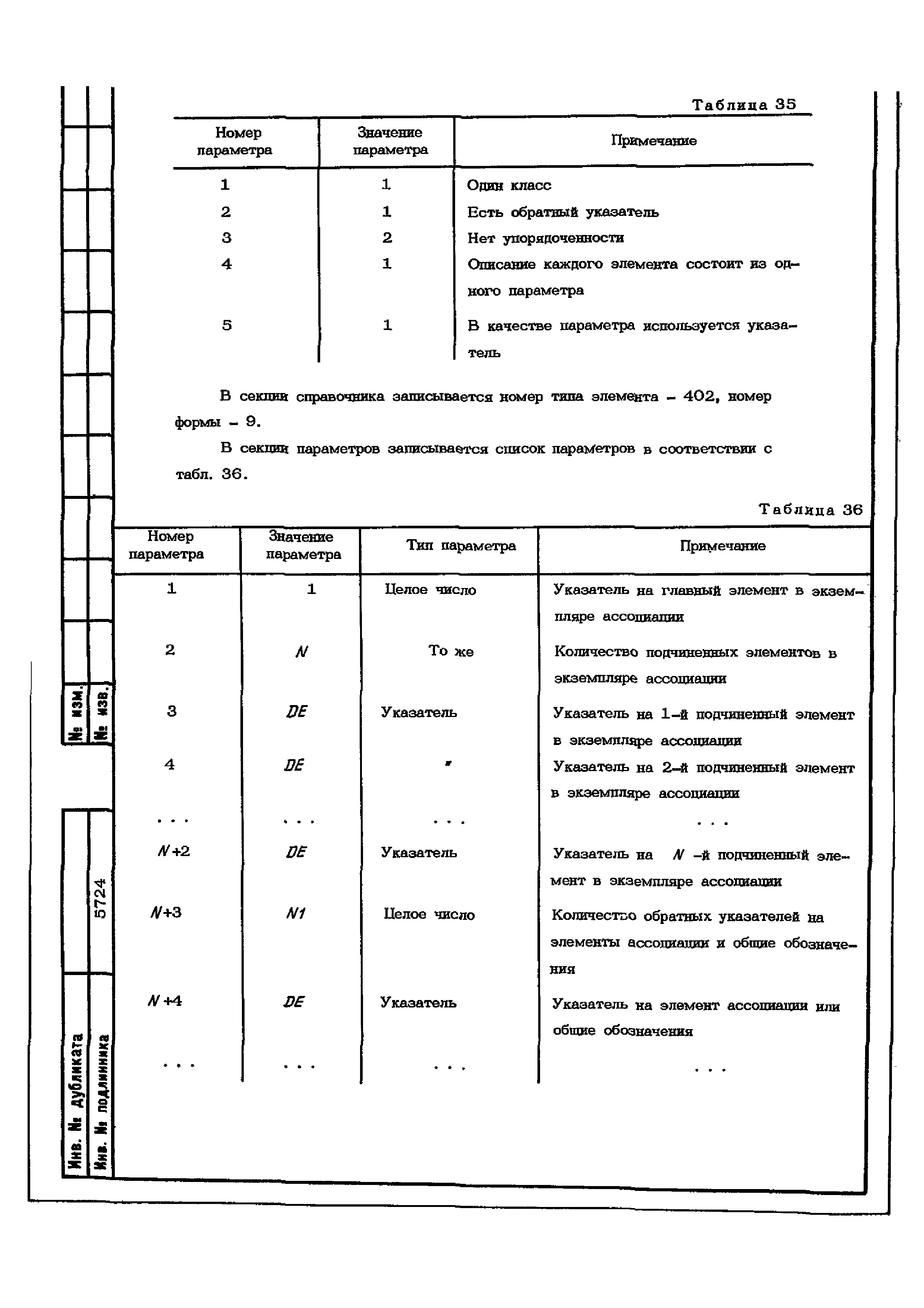
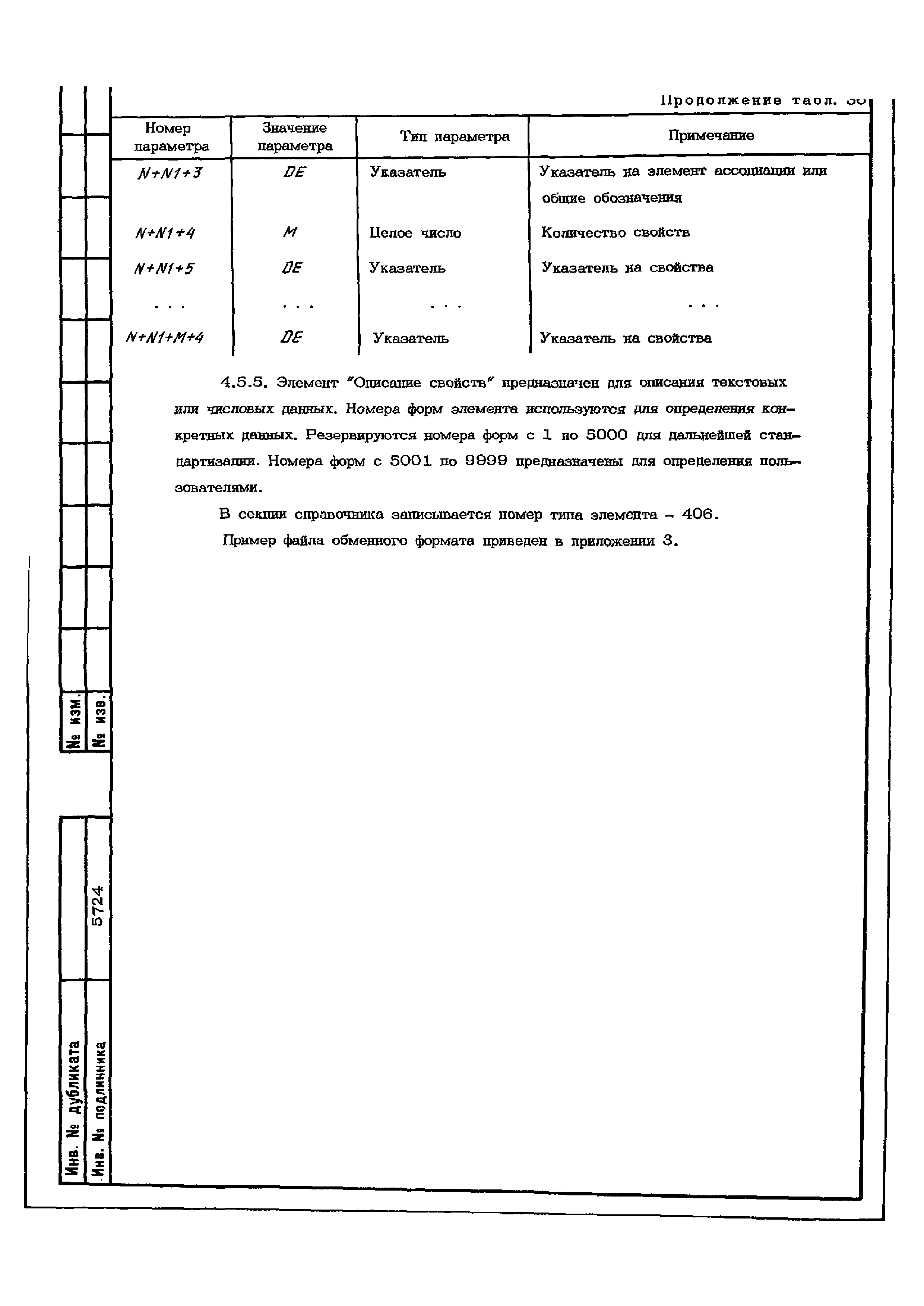
| Область применения: | Стандарт распространяется на правила построения структуры файла для обмена информацией между системами автоматизированного проектирования (САПР) и автоматизированной системой технологической подготовки производства. |
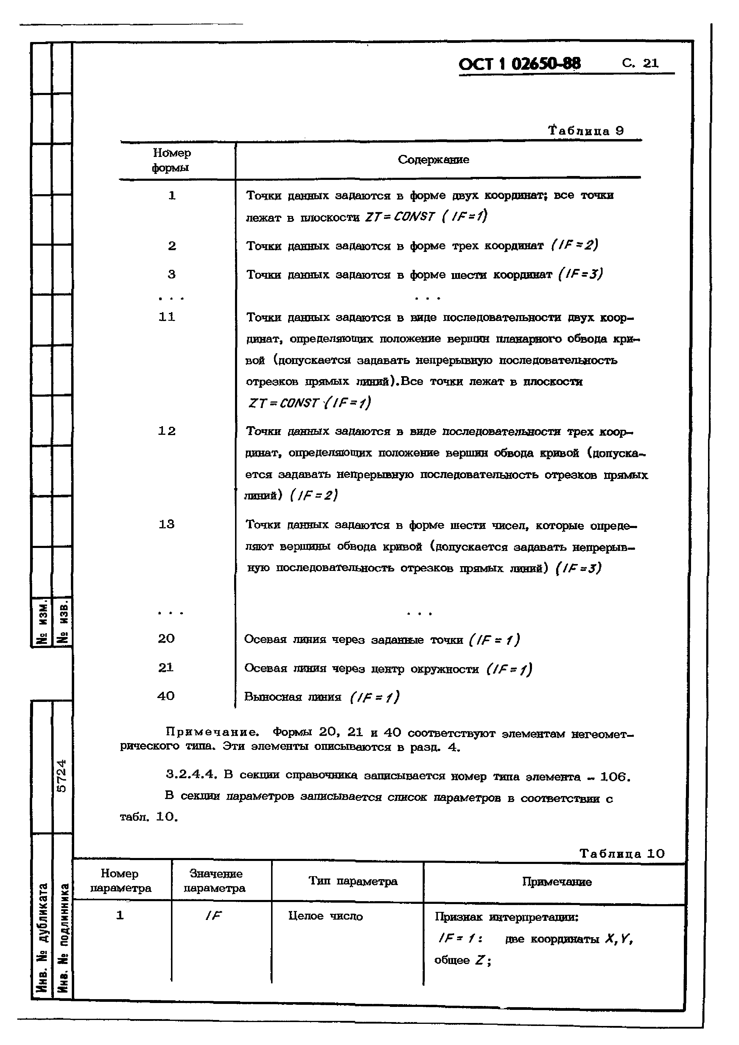
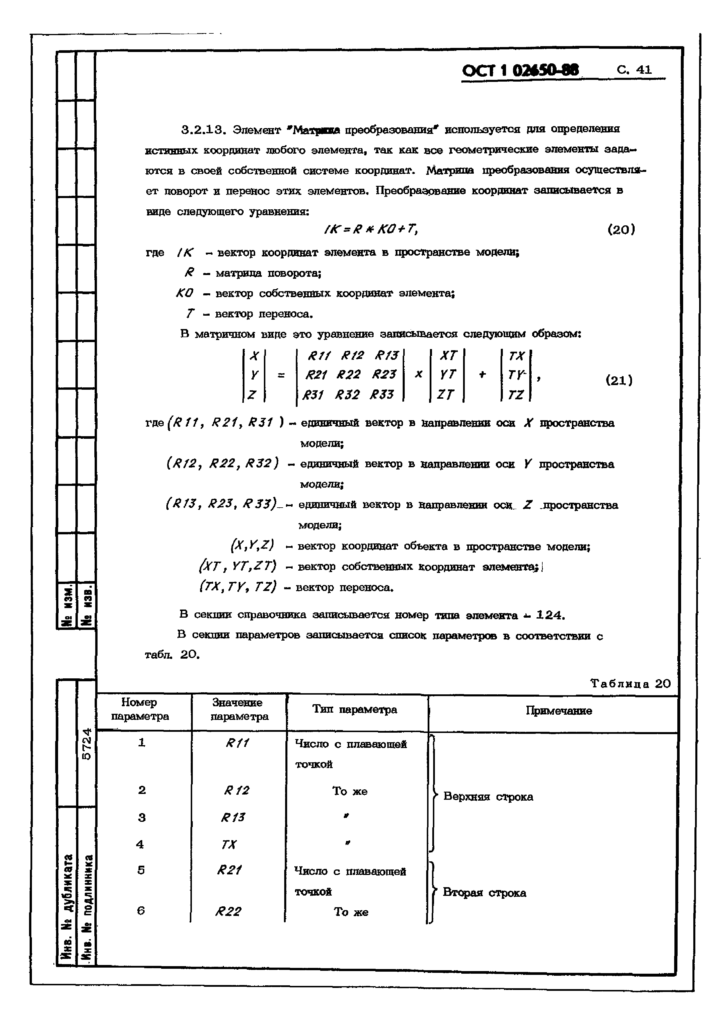
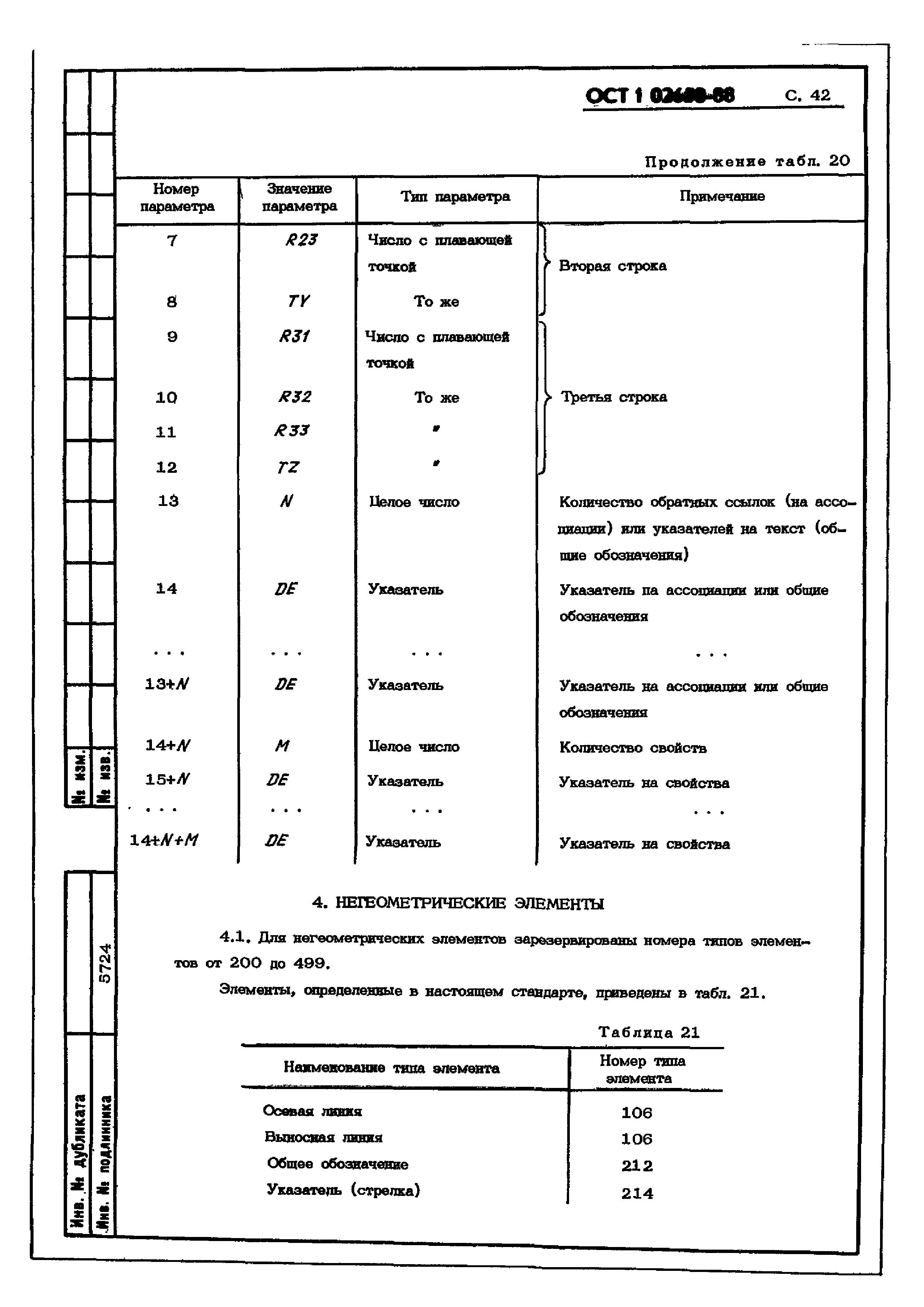
| Оглавление: | 1. Основные положения 2. Структура файла обменного формата 3. Геометрические элементы 4. Негеометрические элементы Приложение (справочное). Термины и пояснения Приложение (справочное). Пространство описания геометрических элементов Приложение (справочное). Пример файла в обменном порядке |
| Утверждён: | 23.08.1988 Министерство (Ministry ) |
| Нормативные ссылки: |
|









































































