Скачать Типовой проект 901-7-21.90 Альбом 4. Силовое электрооборудование. Автоматизация и КИП. Электроосвещение. Связь и сигнализацияДата актуализации: 01.01.2021
|
| Обозначение: | Типовой проект 901-7-21.90 |
| Обозначение англ: | 901-7-21.90 |
| Статус: | не действует |
| Название рус.: | Альбом 4. Силовое электрооборудование. Автоматизация и КИП. Электроосвещение. Связь и сигнализация |
| Дата добавления в базу: | 01.09.2013 |
| Дата актуализации: | 01.01.2021 |
| Дата введения: | 10.03.1992 |
| Дата окончания срока действия: | 01.04.2003 |
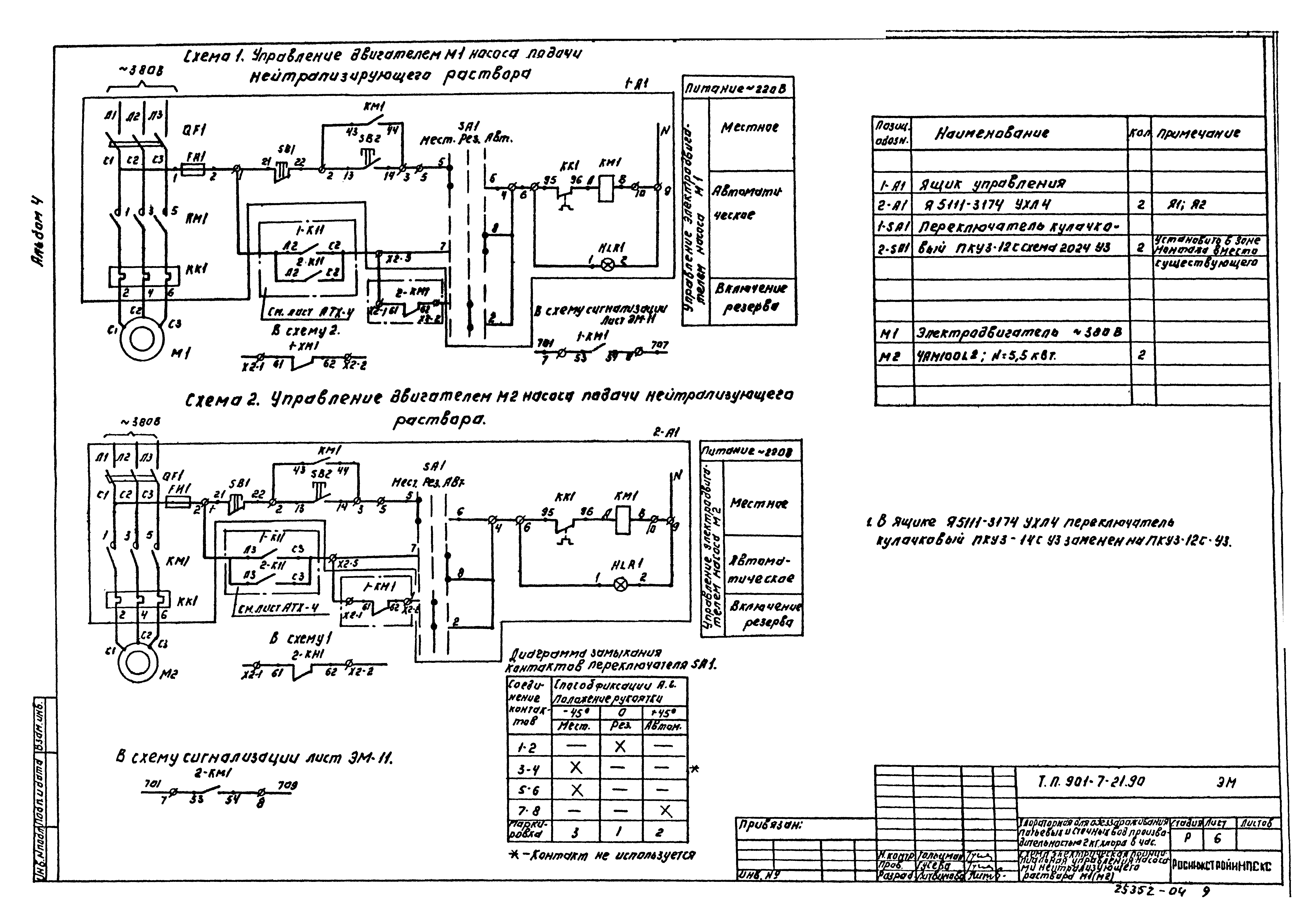
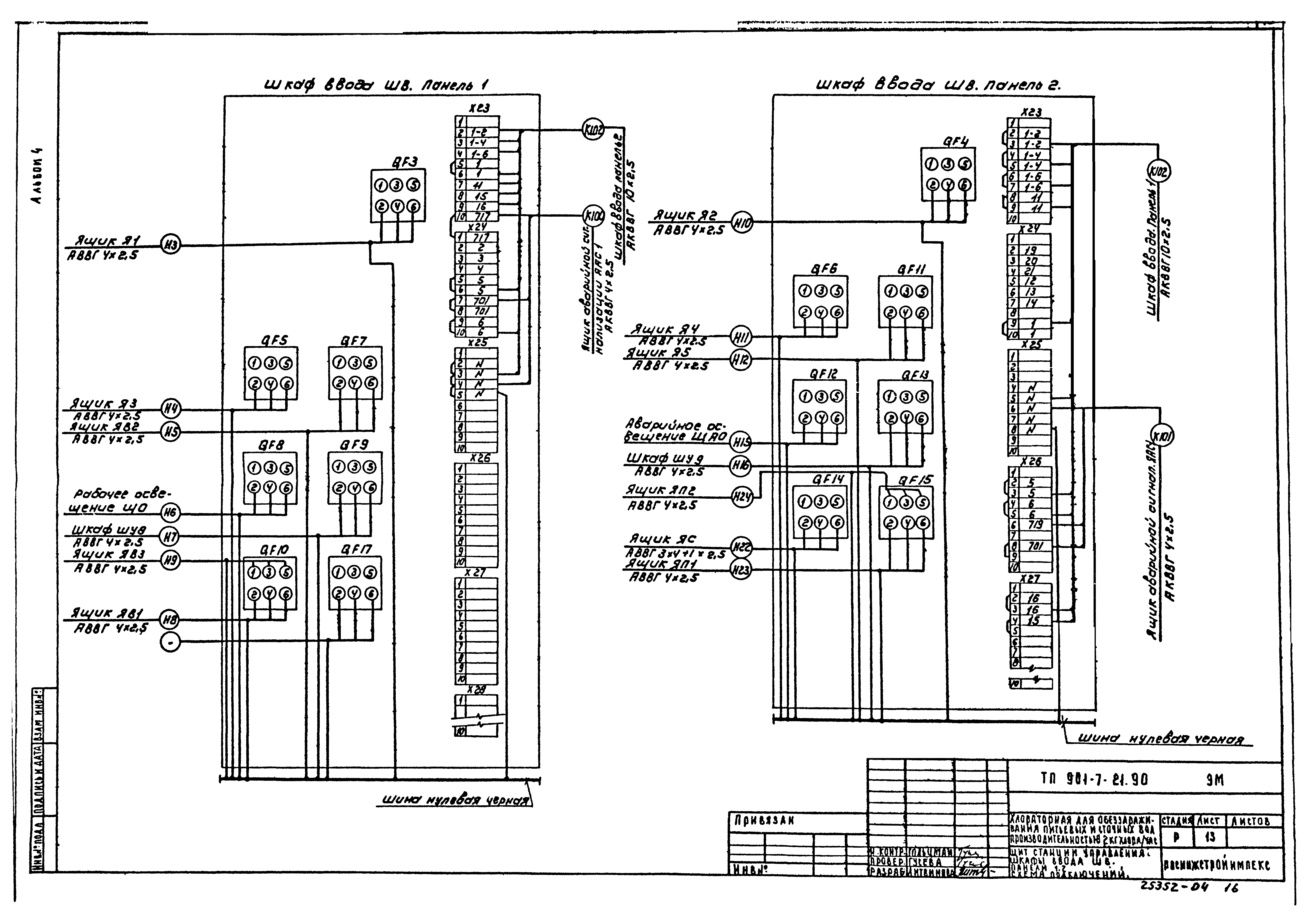
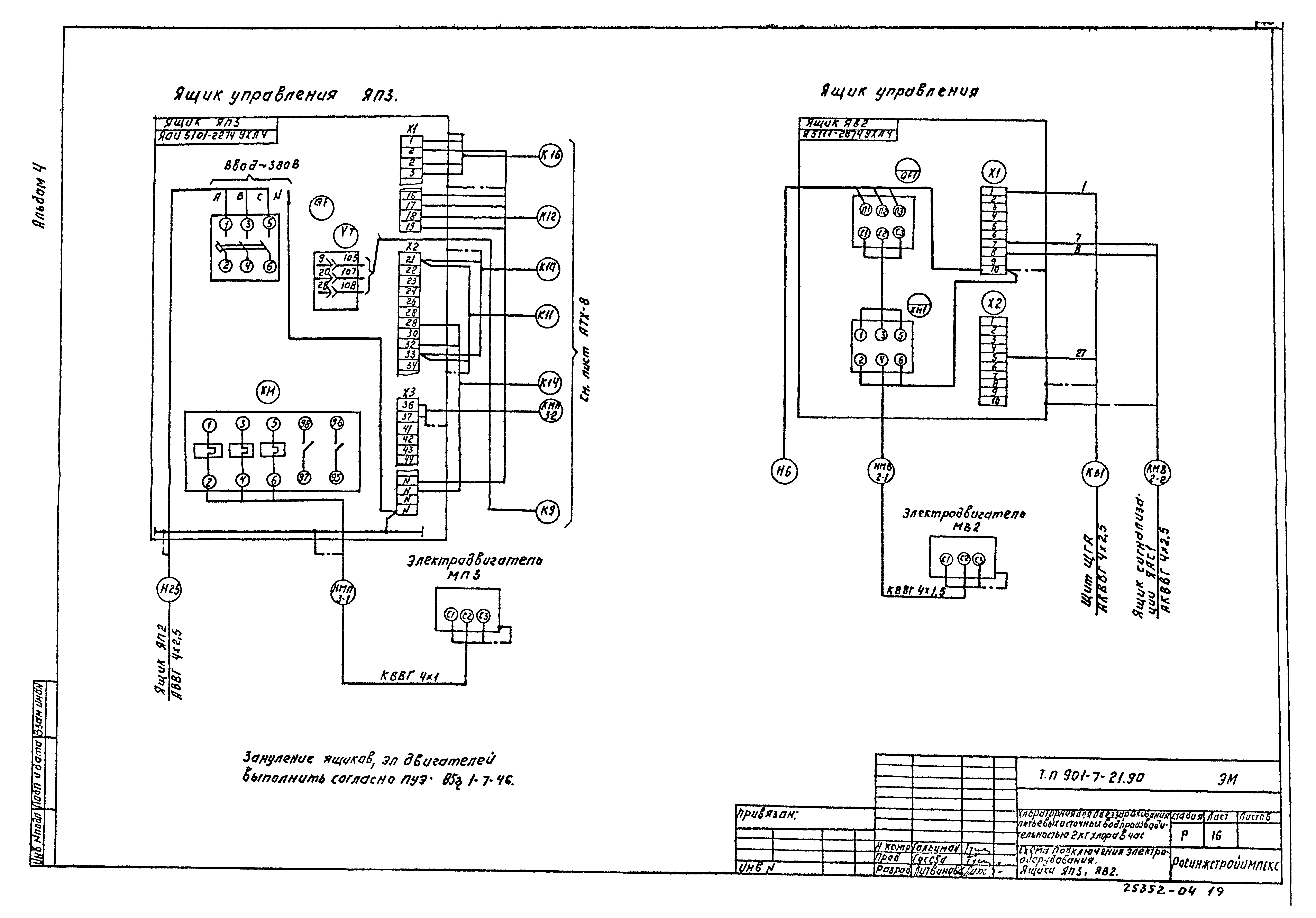
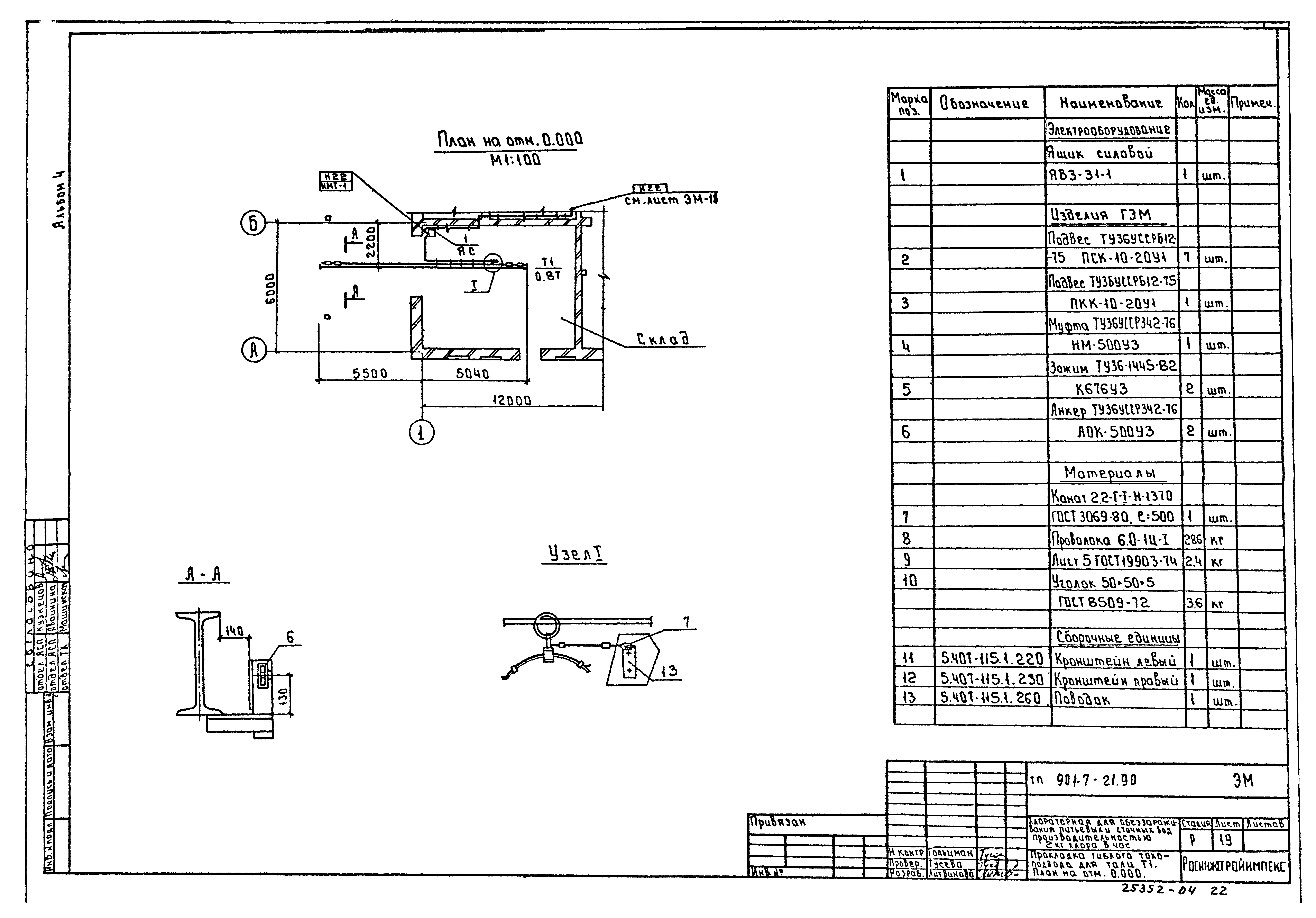
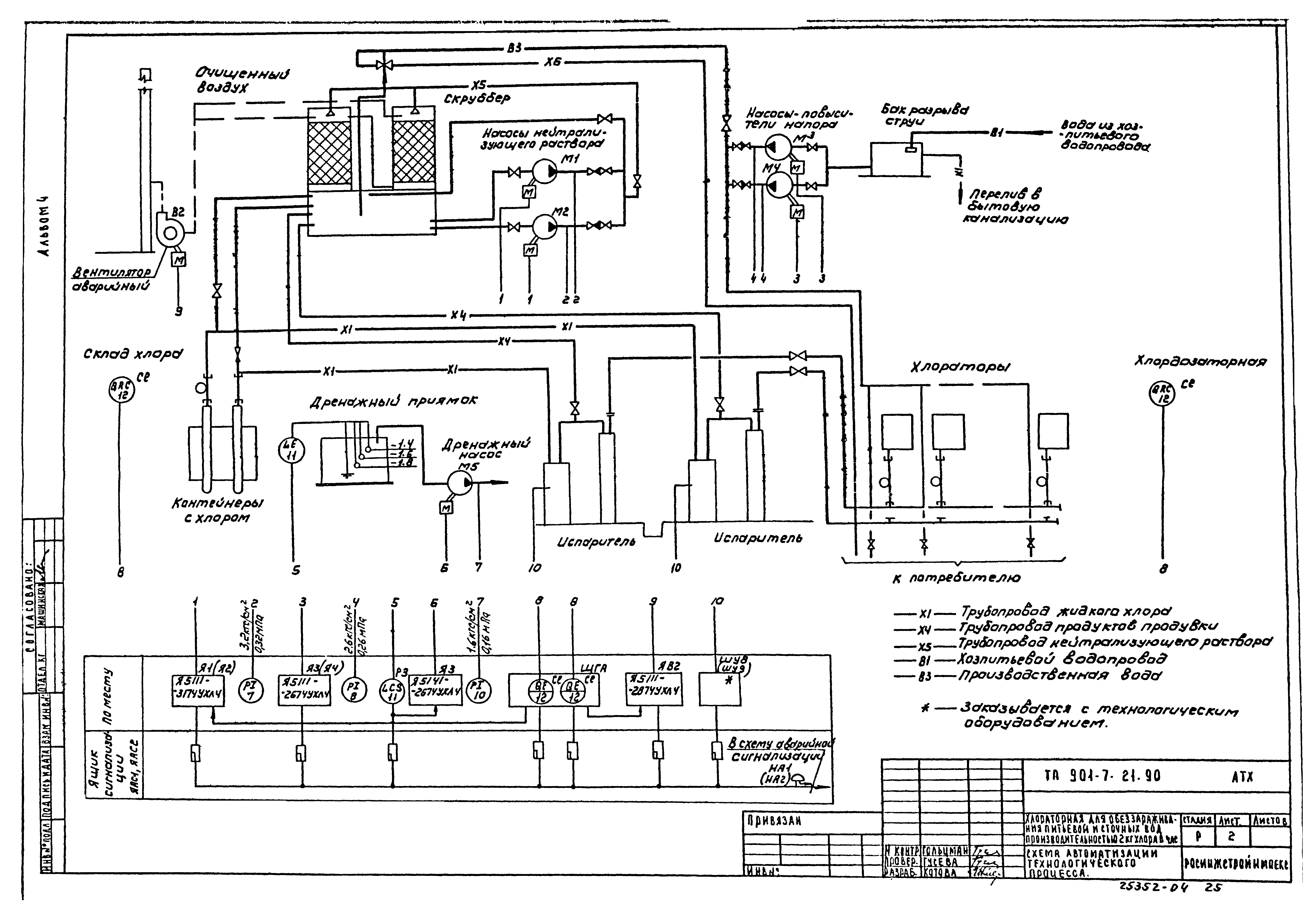
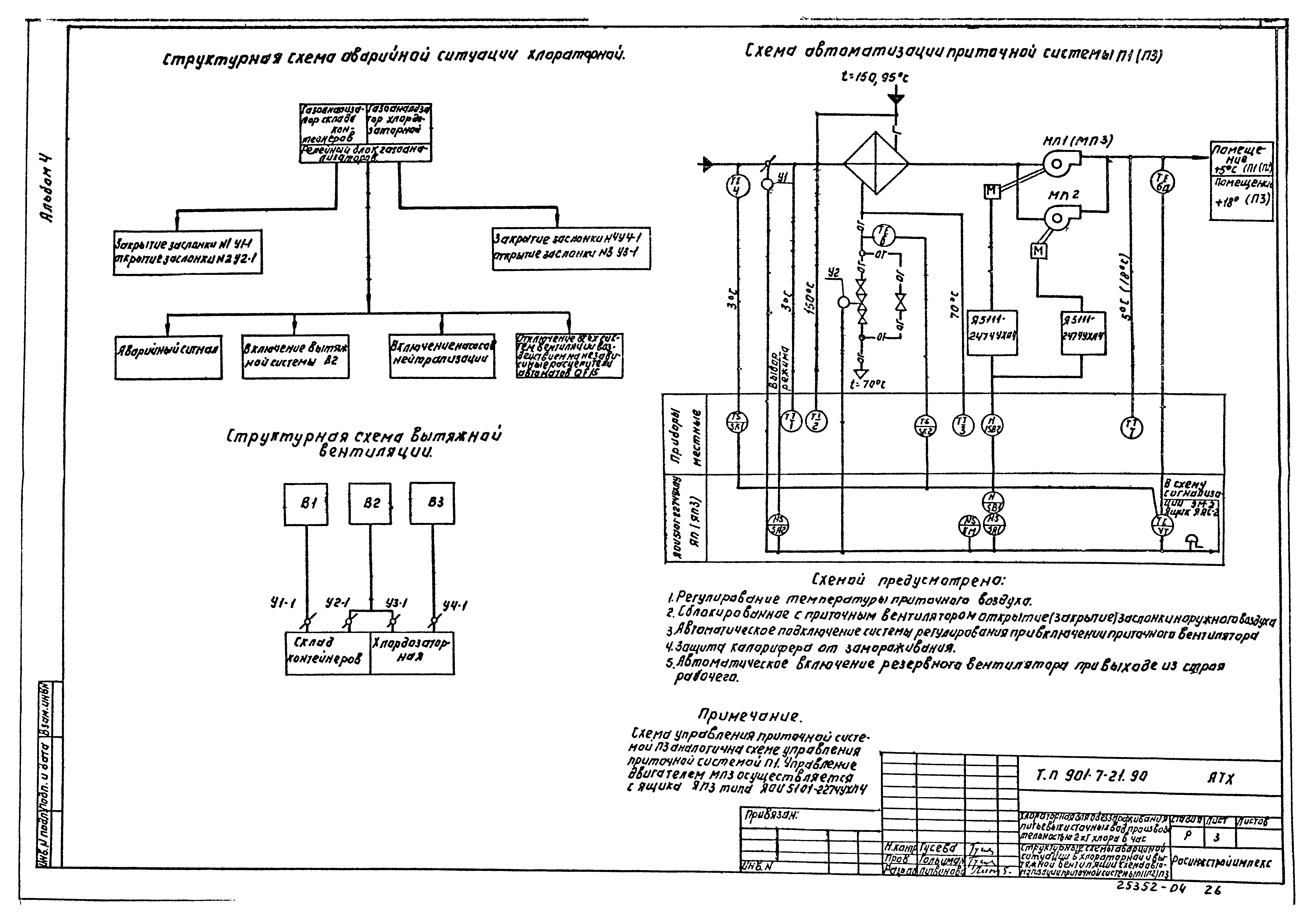
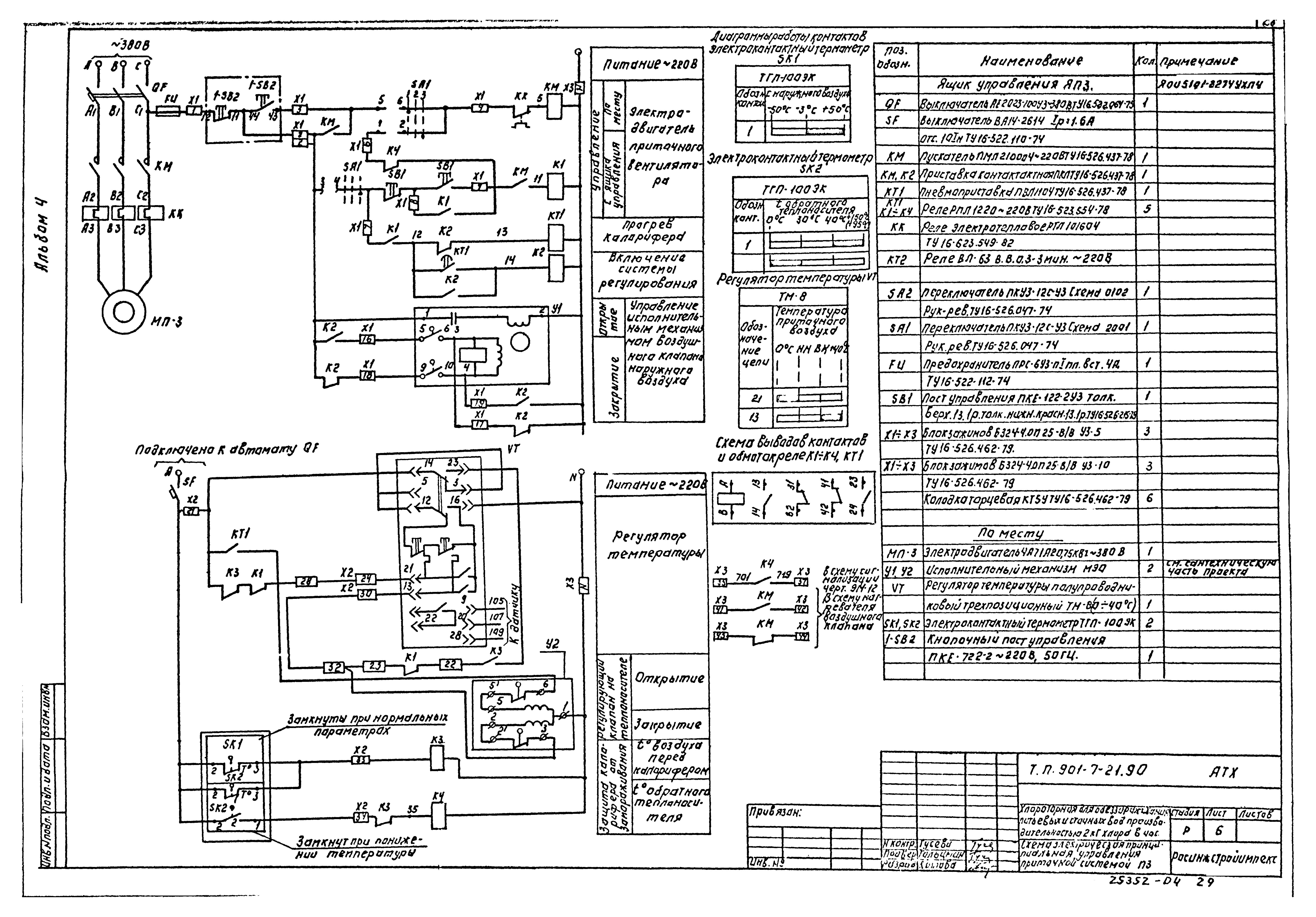
| Оглавление: | Содержание Силовое электрооборудование ЭМ-1 Общие данные ЭМ-2 Схема электрическая принципиальная распределительной сети ~380/220 В. Начало ЭМ-3 Схема электрическая принципиальная распределительной сети ~380/220 В. Окончание ЭМ-4 Кабельнотрубный журнал ЭМ-5 Схема электрическая принципиальная ввода, АВР и учета электроэнергии ЭМ-6 Схема электрическая принципиальная управления насосами подачи нейтрализирующего раствора М1(М2) ЭМ-7 Схема электрическая принципиальная управления насосами-повысителями напора М3(М4) ЭМ-8 Схема электрическая принципиальная управления дренажным насосом М5, подключения ящика Я5 ЭМ-9 Схемы электрические принципиальные управления вытяжными вентиляторами МВ1(МВ3), подключения ящика ЯВ1(ЯВ3) ЭМ-10 Схемы электрические принципиальные управления приточной системой П1;П2 и аварийным вентилятором МВ2 ЭМ-11 Схема электрическая принципиальная аварийной сигнализации, подключения ящика ЯАС1 ЭМ-12 Схема электрическая принципиальная аварийно-предупредительной сигнализации подключения ящика ЯА12 ЭМ-13 Щит станции управления Шкафы ввода ШВ. Панели 1,2. Схема подключений ЭМ-14 Схема подключения электрооборудования. Ящик Я1(Я2),Я3(Я4) ЭМ-15 Схема подключения электрооборудования. Ящик ЯП,ЯП1,ЯП2 ЭМ-16 Схема подключения электрооборудования. Ящики ЯП3,ЯВ2 ЭМ-17 Планы расположения электрооборудования и прокладки электрических сетей. Спецификация ЭМ-18 Планы расположения электрооборудования и прокладки электрических сетей. Планы на отм. 0.000 и 2.900 ЭМ-19 Прокладка гибкого токопровода для толи Т1. План на отм. 0.000 ЭМ-20 Заземление. Молниезащита. Планы на отм. 0.000 Автоматизация АТХ-1 Общие данные АТХ-2 Схема автоматизации технологического процесса АТХ-3 Структурные схемы аварийной ситуации в хлораторной и вытяжной вентиляции. Схема автоматизации приточной системы П1(П2)П3 АТХ-4 Схемы электрические питания приборов и цепей управления, электрических соединений и общих цепей газоанализаторов АТХ-5 Схемы электрические принципиальная управления приточной системой П1 АТХ-6 Схемы электрические принципиальная управления приточной системой П3 АТХ-7 Схемы электрические принципиальная управления заслонкой У2-1(У3-1),У1-1(У4-1) АТХ-8 Схема соединений внешних проводок. Начало. Схема подключения ШГА АТХ-9 Схема соединений внешних проводок. Окончание АТХ-10 План расположения приборов и устройств технологического контроля и проводок. Спецификация АТХ-11 План расположения приборов и устройств технологического контроля и проводок. Планы на отм. 0.000 и 2.900 Электрическое освещение ЭО-1 Общие данные ЭО-2 Электрическое освещение. Планы на отм. 0.000;2.900. Планы питающих сетей на отм. 0.000 Связь и сигнализация СС-1 Общие данные. План на отм. 0.000 с сетями связи |
| Разработан: | Росинжстройимпекс |
| Утверждён: | 29.11.1991 Госкомархитектура (185) |



































