Скачать Серия 1.225-1 Прогоны железобетонные. Прогоны для наружных и внутренних кирпичных стен длиной 448, 598, 898 см. Рабочие чертежиДата актуализации: 01.01.2021
|
| Обозначение: | Серия 1.225-1 |
| Обозначение англ: | Series 1.225-1 |
| Статус: | не действует |
| Название рус.: | Прогоны железобетонные. Прогоны для наружных и внутренних кирпичных стен длиной 448, 598, 898 см. Рабочие чертежи |
| Дата добавления в базу: | 01.09.2013 |
| Дата актуализации: | 01.01.2021 |
| Дата введения: | 01.03.1976 |
| Дата окончания срока действия: | 01.11.1983 |
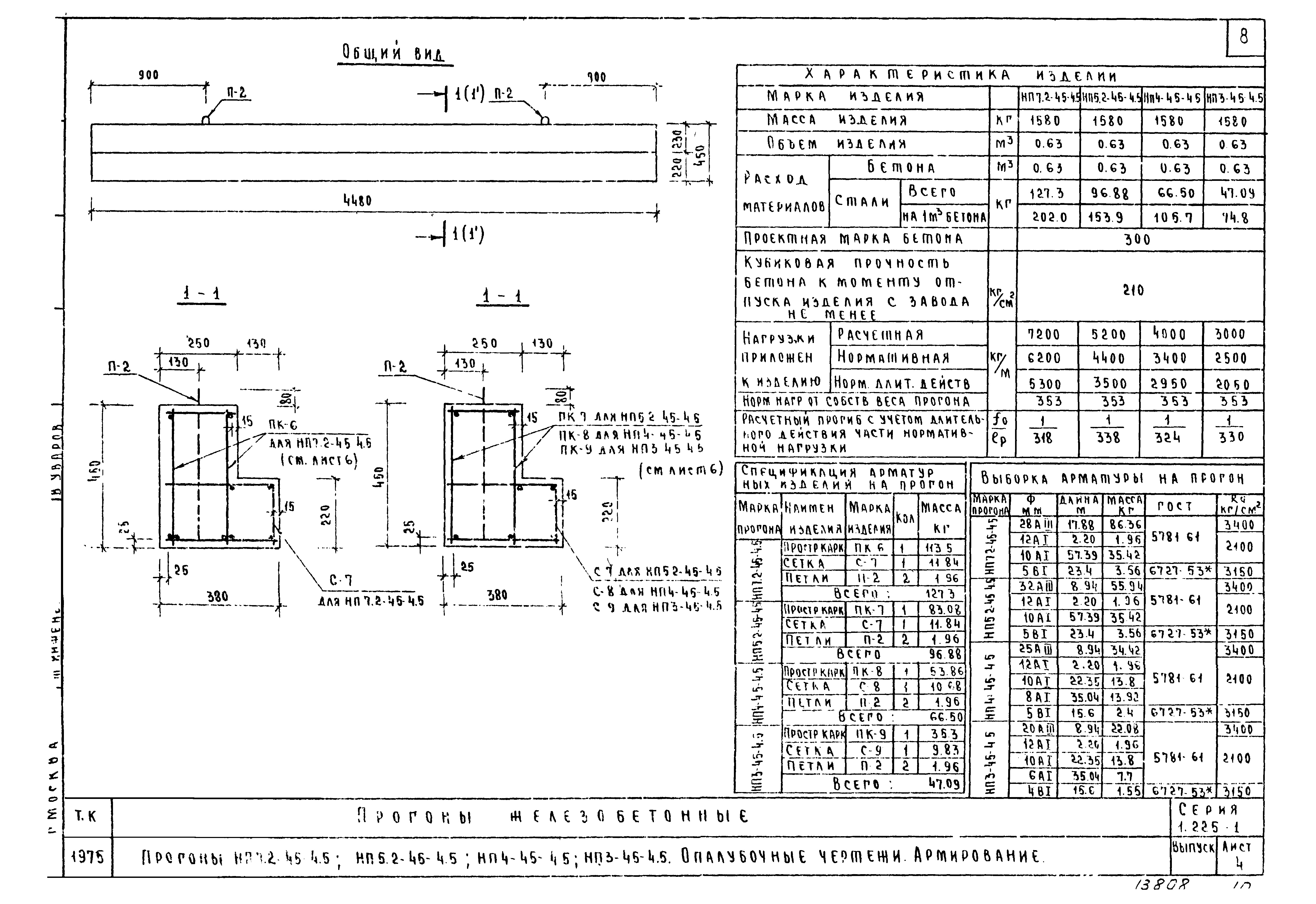
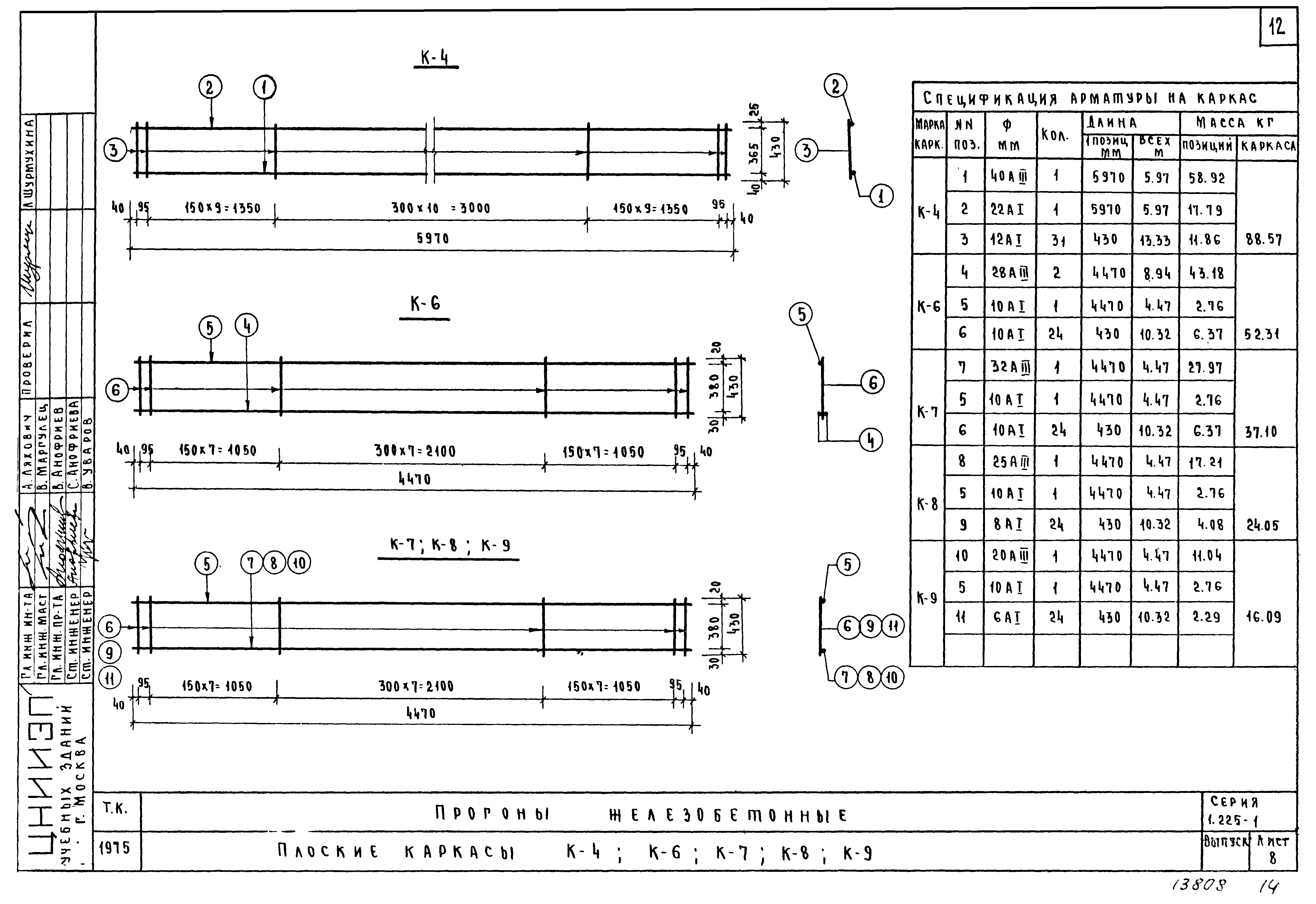
| Оглавление: | Содержание Пояснительная записка Привязка закладных деталей Номенклатура Прогоны НП5,2-90-7,5;НП4-90-7,5;НП3-90-7,5. Опалубочные чертежи. Армирование Прогоны НП5,2-60-4,5;НП4-60-4,5;НП3-60-4,5. Опалубочные чертежи. Армирование Прогоны НП7,2-45-4,5;НП5,2-45-4,5;НП4-45-4,5;НП3-45-4,5. Опалубочные чертежи. Армирование Пространственные каркасы ПК1-ПК5 Пространственные каркасы ПК6-ПК9. Отдельные стержни ОС-1÷ОС-8 Плоские каркасы К-1,К-2,К-3,К-5 Плоские каркасы К-4,К-6,К-7,К-8,К-9 Арматурные сетки С-1÷С-6 Арматурные сетки С-7÷С-9. Петли П-1,П-2 Закладные детали М-1,М-2 Данные для испытания прогонов |
| Разработан: | ЦНИИЭП учебных зданий Госгражданстроя |
| Утверждён: | 02.02.1976 Госгражданстрой (Gosgrazhdanstroy 40) |


















