Скачать Серия 1.262-205 КЖИ1 Легкобетонные блоки для встроенных конструкций (толщиной 240 мм). Рабочие чертежиДата актуализации: 01.01.2021
|
| Обозначение: | Серия 1.262-205 КЖИ1 |
| Обозначение англ: | Series 1.262-205 КЖИ1 |
| Статус: | действует |
| Название рус.: | Легкобетонные блоки для встроенных конструкций (толщиной 240 мм). Рабочие чертежи |
| Дата добавления в базу: | 01.09.2013 |
| Дата актуализации: | 01.01.2021 |
| Дата введения: | 01.01.1977 |
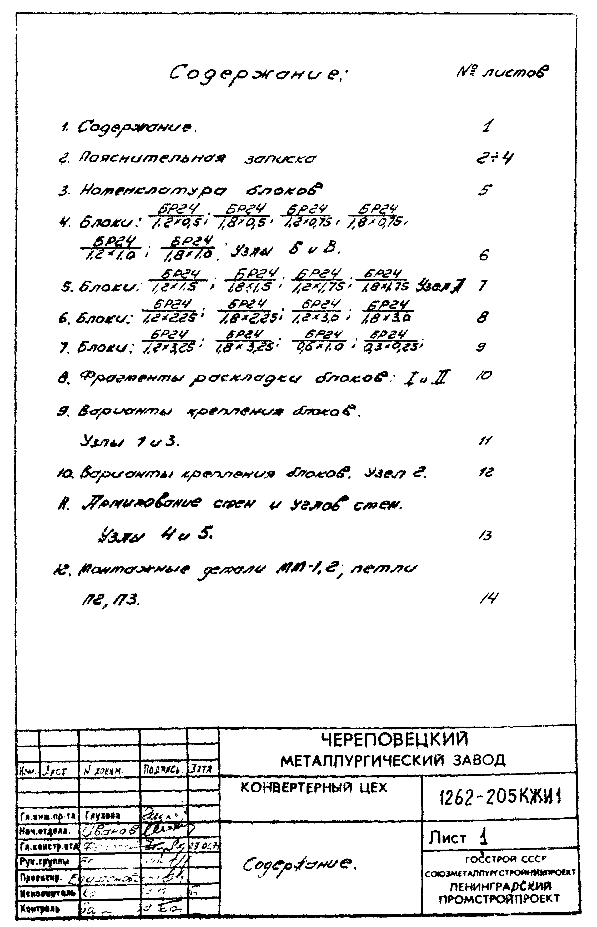
| Оглавление: | Содержание Пояснительная записка Номенклатура блоков Блоки БР24/1,2х0,5;БР24/1,8х0,5;БР24/1,2х0,75;БР24/1,8х0,75;БР24/1,2х1,0;БР24/1,8х1,0. Узлы Б и В Блоки БР24/1,2х1,5;БР24/1,8х1,5;БР24/1,2х1,75;БР24/1,8х1,75. Узел 7 Блоки БР24/1,2х2,25;БР24/1,8х2,25;БР24/1,2х3,0;БР24/1,8х3,0 Блоки БР24/1,2х3,25;БР24/1,8х3,25;БР24/0,6х1,0;БР24/0,3х0,25 Фрагменты раскладки блоков 1 и 2 Варианты крепления блоков. Узлы 1 и 3 Варианты крепления блоков. Узел 2 Армирование стен и углов стен. Узлы 4 и 5 Монтажные детали ММ-1,2. Петли П2,П3 |
| Разработан: | Ленинградский Промстройпроект |
| Утверждён: | Госстрой СССР (Государственный комитет Совета Министров СССР по делам строительства) (USSR Gosstroy ) |














