Скачать Серия 1.412-1 Выпуск 1-3. Материалы для проектирования. Указания по выбору фундаментов, располагаемых в температурных швахДата актуализации: 01.01.2021
|
| Обозначение: | Серия 1.412-1 |
| Обозначение англ: | Series 1.412-1 |
| Статус: | заменен |
| Название рус.: | Выпуск 1-3. Материалы для проектирования. Указания по выбору фундаментов, располагаемых в температурных швах |
| Дата добавления в базу: | 01.09.2013 |
| Дата актуализации: | 01.01.2021 |
| Дата введения: | 01.10.1971 |
| Дата окончания срока действия: | 01.07.1978 |
| Область применения: | В выпусках 1-3 и 1-4 серии 1.412-1 разработаны материалы для проектирования, в выпуске III - рабочие чертежи арматурных изделий типовых железобетонных монолитных фундаментов на естественном основании под колонны прямоугольного сечения серии КЭ-01-49, располагаемые в поперечных температурных швах. Настоящая пояснительная записка является дополнением к пояснительной записке в выпуске 1-1 и содержит данные, относящиеся только к фундаментам под колонны, располагаемые в температурных швах |
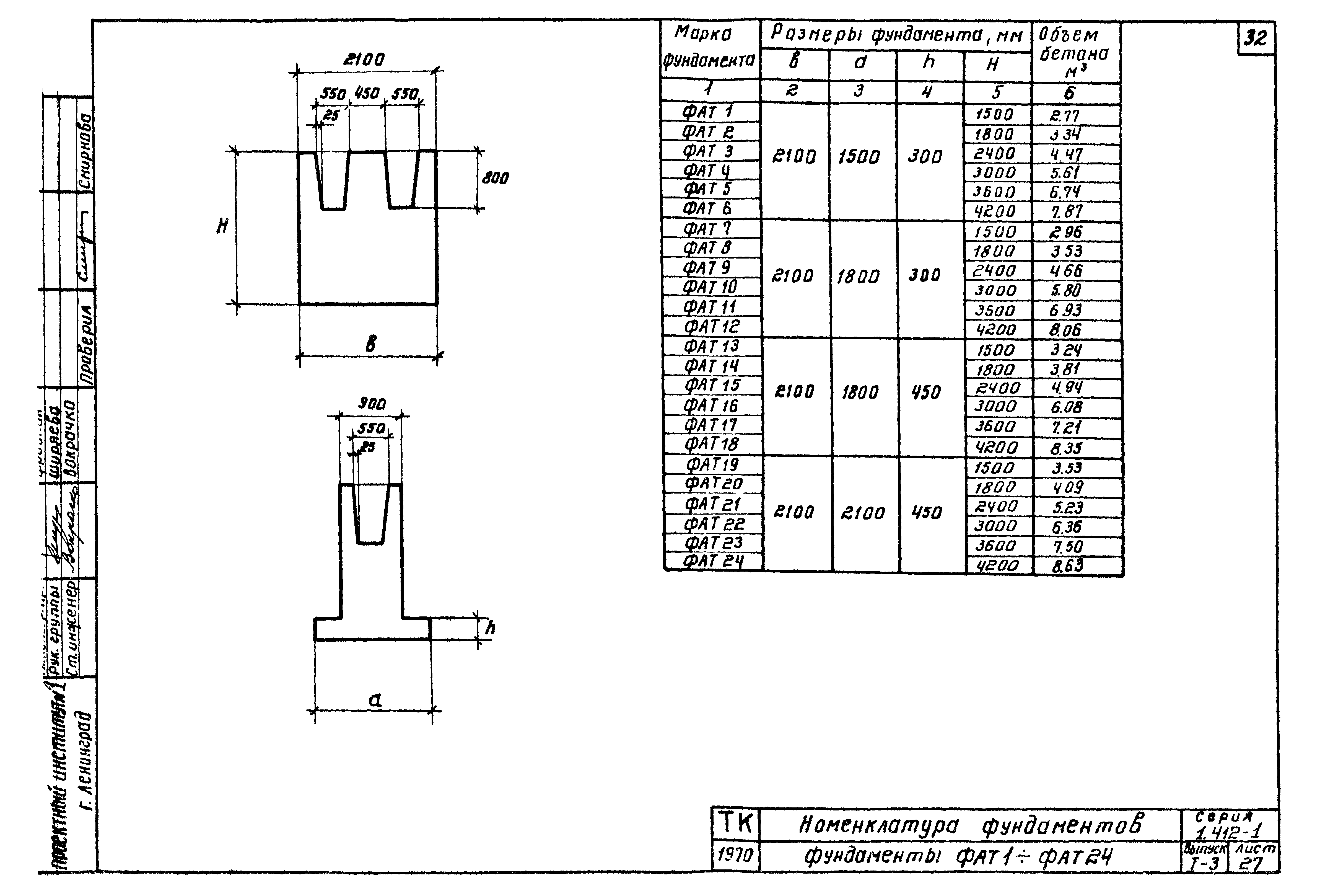
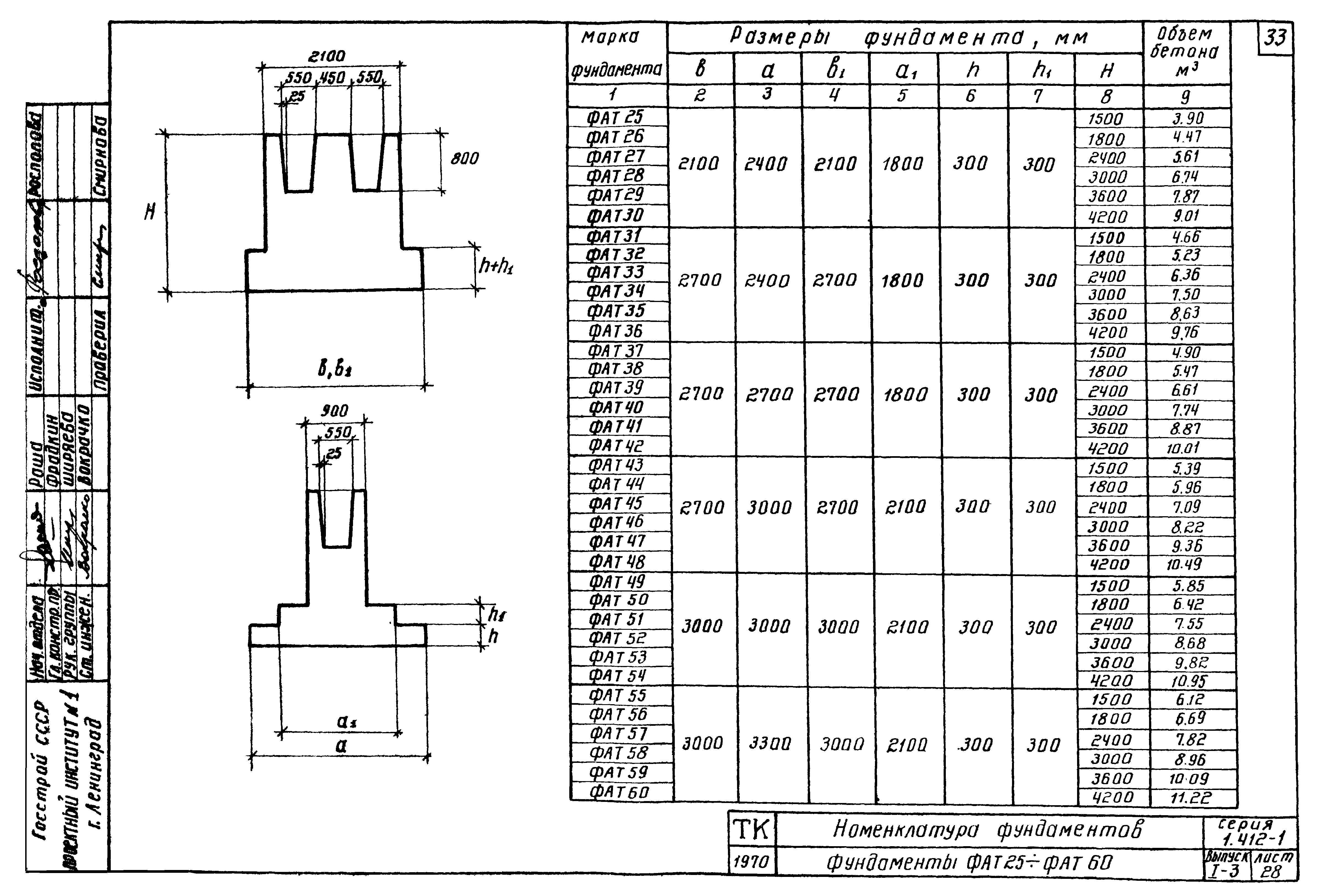
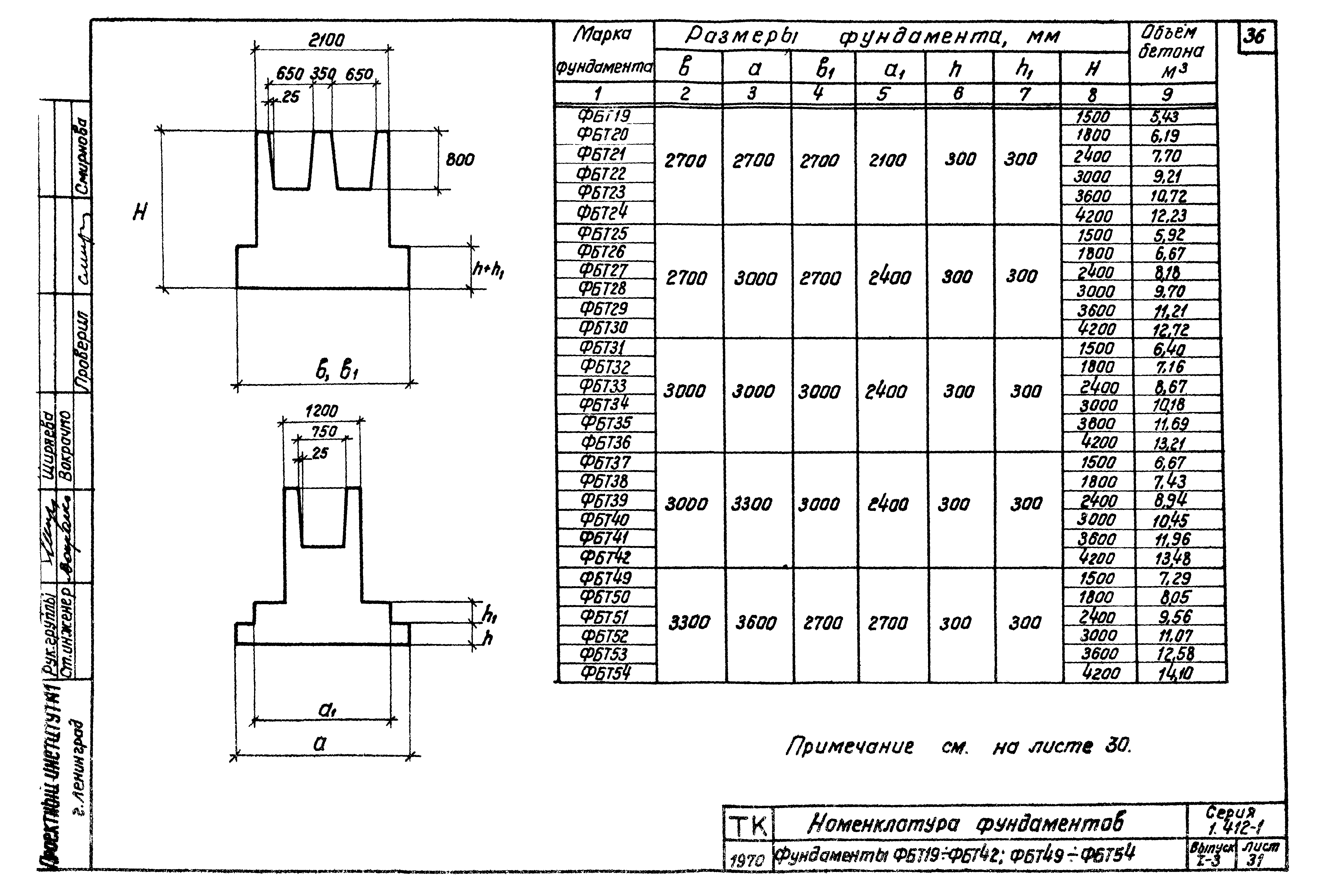
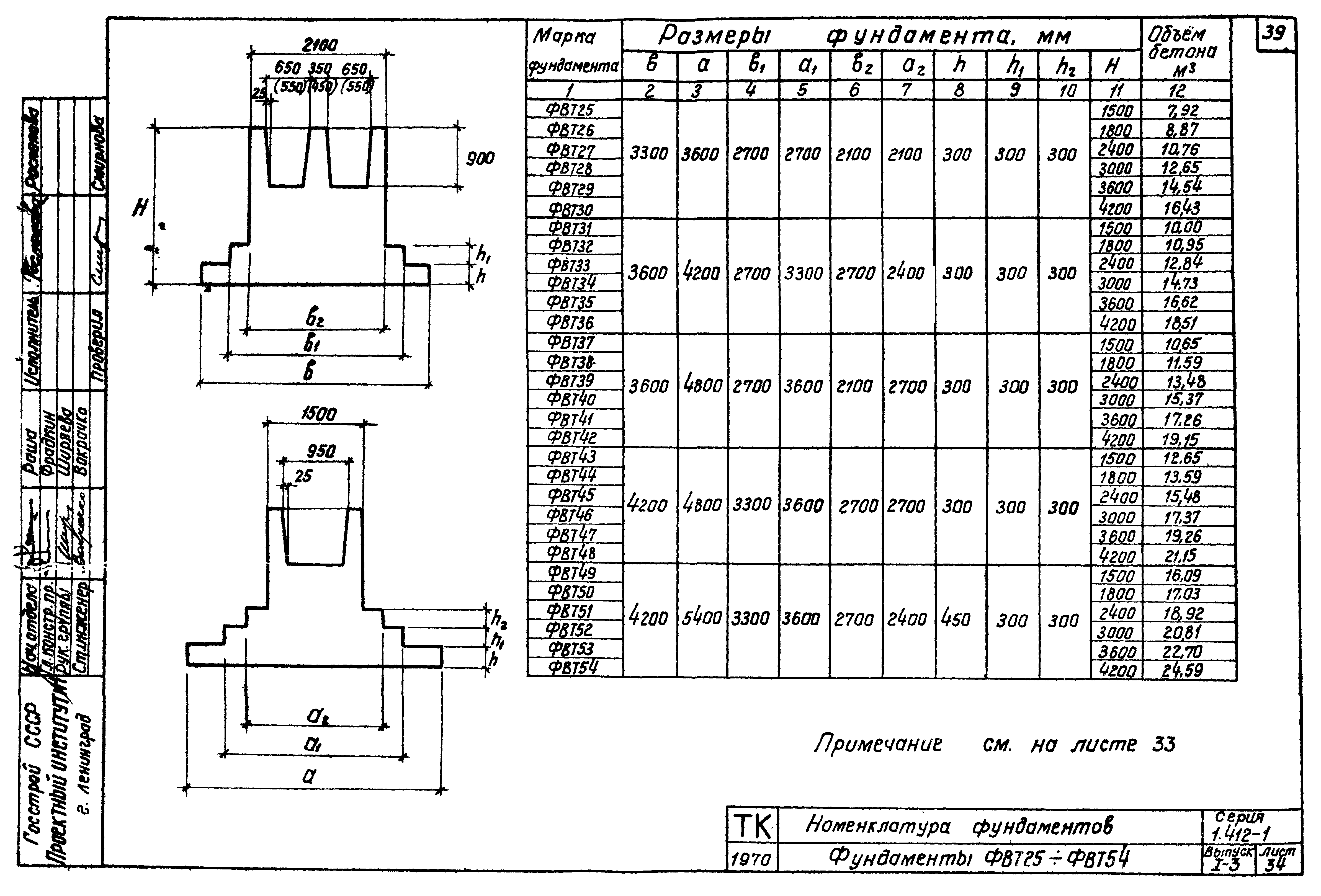
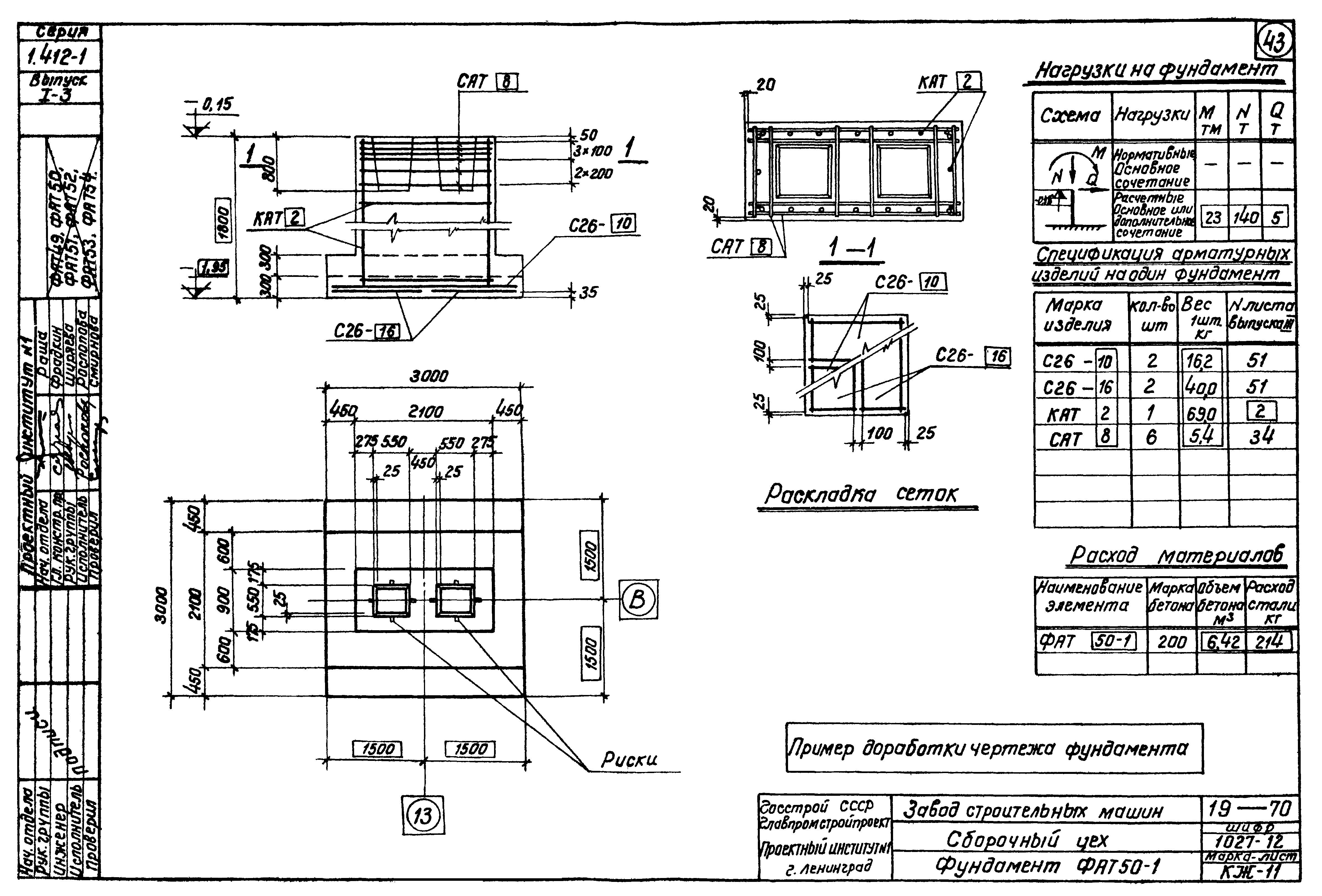
| Оглавление: | Пояснительная записка Пример подбора фундамента Таблица 1, таблица 2 Ключи для подбора марок фундаментов Фундаменты с подколонником марки AT Фундаменты с подколонником марки БТ Фундаменты с подколонником марки ВТ Графики для определения арматуры подошвы фундаментов № 1 для фундаментов ФАТ1-ФАТ6 № 2 для фундаментов ФАТ19-ФАТ24 № 3 для фундаментов ФАТ7-ФАТ12 № 4 для фундаментов ФАТ13-ФАТ18 № 5 для фундаментов ФАТ25-ФАТ30 № 6 для фундаментов ФАТ31-ФАТ36 № 7 для фундаментов ФAT37-ФAT42 № 8 для фундаментов ФАТ43-ФАТ48 № 9 для фундаментов ФAT49-ФAT54 № 10 для фундаментов ФАТ67-ФАТ72 № 11 для фундаментов ФАТ55-ФАТ60 № 12 для фундаментов ФАТ61-ФАТ66 № 13 для фундаментов ФАТ73-ФАТ78 № 14 для фундаментов ФAT79-ФAT84 № 15 для фундаментов ФБТ1-ФБТ6 № 16 для фундаментов ФБТ7-ФБТ12 № 17 для фундаментов ФБТ13-ФБТ18 № 18 для фундаментов ФБТ19-ФБТ24 № 19 для фундаментов ФБТ25+ФБТ30 № 20 для фундаментов ФБТ31-ФБТ36 № 21 для фундаментов ФБТ37-ФБТ42 № 22 для фундаментов ФБТ43-ФБТ48 № 28 для фундаментов ФБТ49-ФБТ54 № 24 для фундаментов ФБТ55-ФБТ60 № 25 для фундаментов ФБТ61-ФБТ66 № 26 для фундаментов ФБТ67-ФВТ72 № 27 для фундаментов ФБТ73-ФБТ78 № 28 для фундаментов ФБT79-ФБT84 № 29 для фундаментов ФВТ1-ФВТ6 № 30 для фундаментов ФВТ7-ФВТ12 № 31 для фундаментов ФВТ13-ФВТ18 № 32 для фундаментов ФВТ31-ФВТ36 № 33 для фундаментов ФВТ19-ФВТ24 № 34 для фундаментов ФВТ25-ФВТ30 № 35 для фундаментов ФВТ37-ФВТ42 № 36 для фундаментов ФВТ43-ФВТ48 № 37 для фундаментов ФВТ49-ФБТ54 № 38 для фундаментов ФBT55-ФBT60 № 39 для фундаментов ФВТ61-ФВТ66 № 40 для фундаментов ФВТ67-ФВТ72 № 41 для фундаментов ФВТ73-ФВТ78 № 42 для фундаментов ФВТ79-ФВТ84 № 43 для фундаментов ФВТ85-ФВТ90 Данные для определения арматуры подкодонников Таблицы 3,4. Графики № 44 и 45 Номенклатура фундаментов Фундаменты ФАТ1-ФАТ24 Фундаменты ФАТ25-ФАТ60 Фундаменты ФАТ61-ФАТ84 Фундаменты ФБТ1-ФБТ18 Фундаменты ФБТ19-ФБТ42, ФБТ49-ФБТ54 Фундаменты ФБТ43-ФБТ48, ФБТ55-ФБТ84 Фундаменты ФВТ1-ФВТ24 Фундаменты ФВТ25-ФВТ54 Фундаменты ФВТ55-ФВТ90 Схемы расположения сеток по подошве фундаментов. Подошвы размерами с 2,1x1,5 по 3,6x4,8 м Схемы расположения сеток по подошве фундаментов. Подошвы размерами с 4,2x4,8 по 6,6x6,6 м Пример доработки чертежа фундамента |
| Разработан: | НИИЖБ Проектный институт № 1 Госстроя СССР |
| Утверждён: | 10.08.1971 Госстрой СССР (Государственный комитет Совета Министров СССР по делам строительства) (USSR Gosstroy 134) |
| Чем заменён: | |
| Нормативные ссылки: |












































