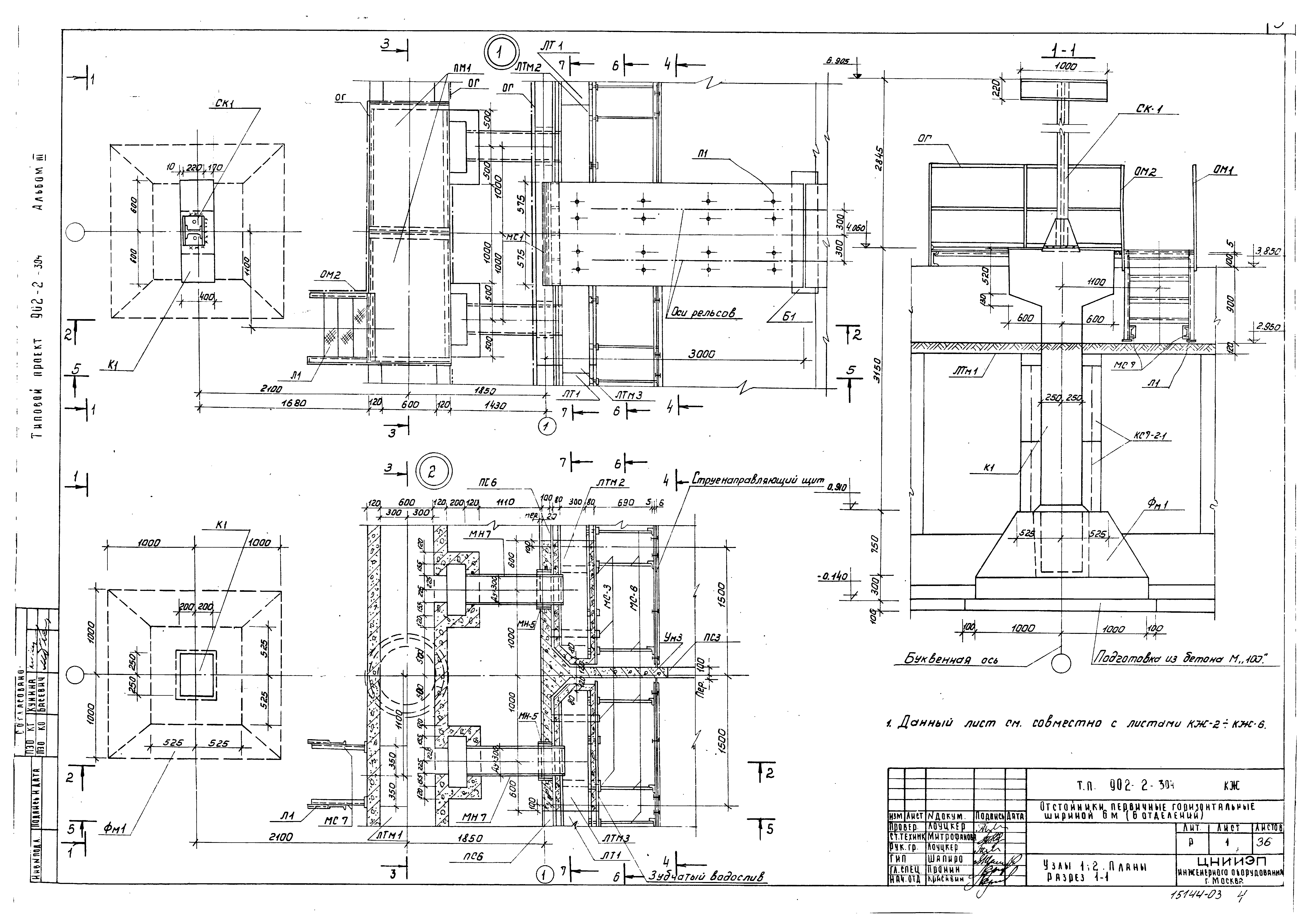
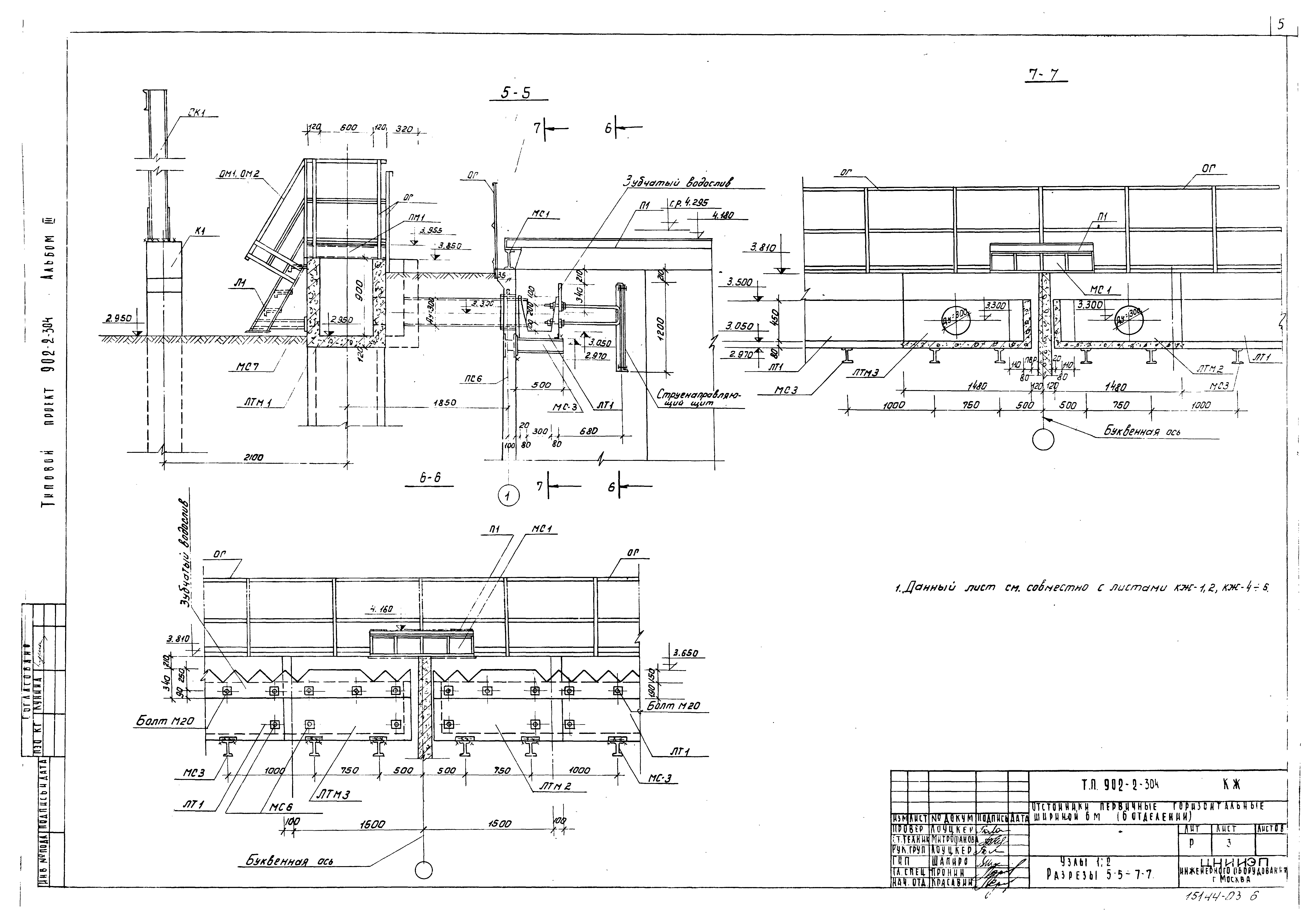
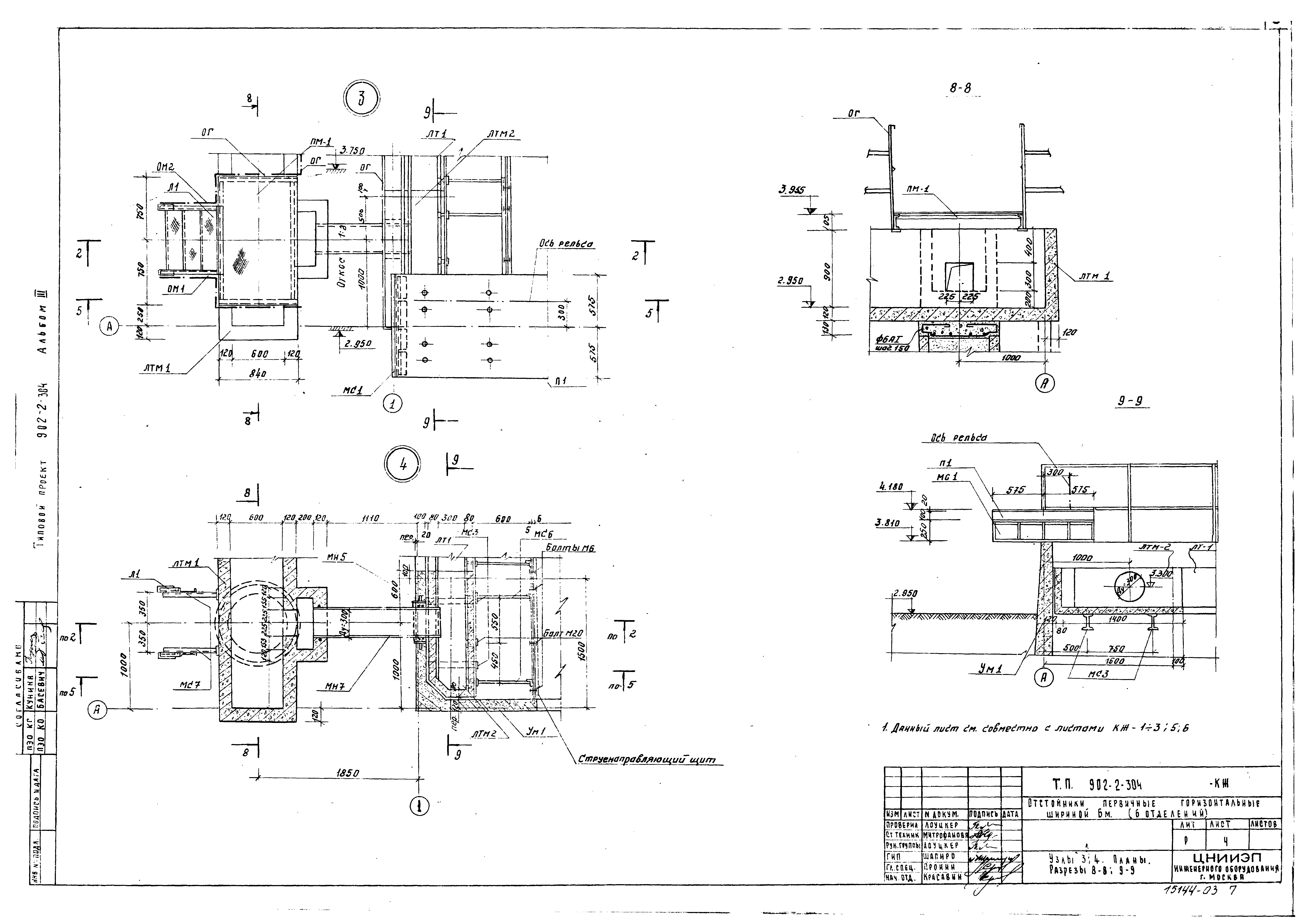
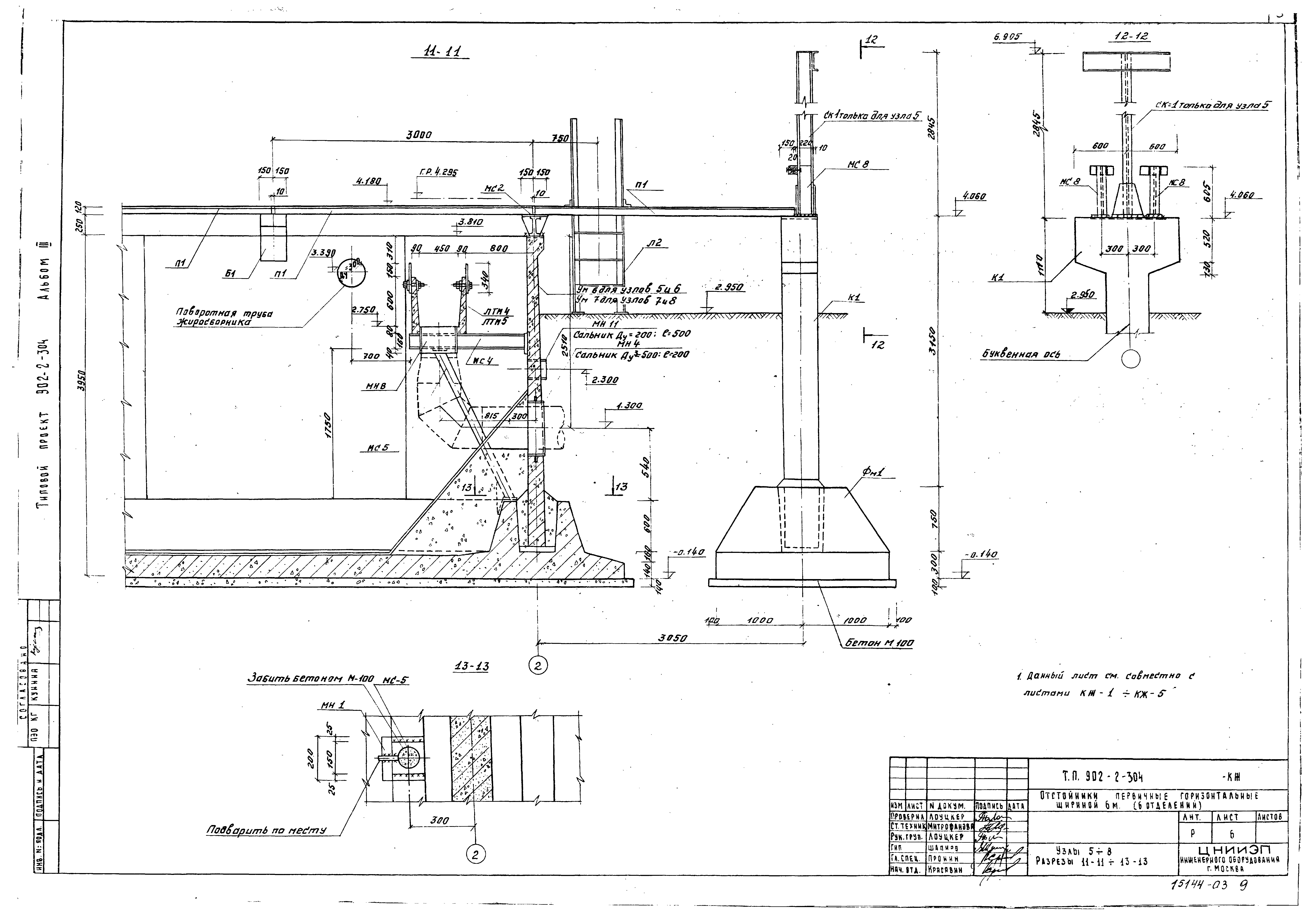
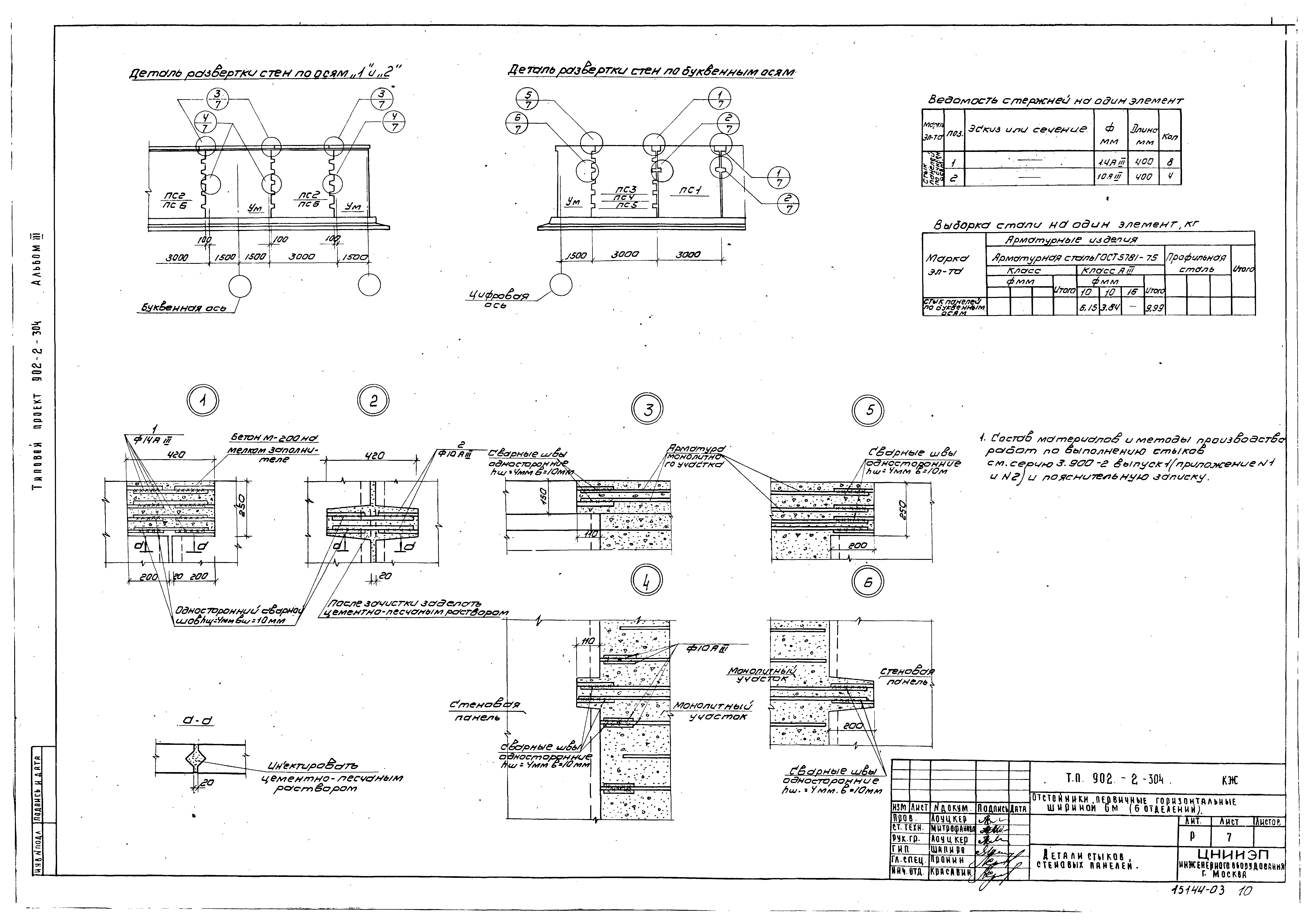
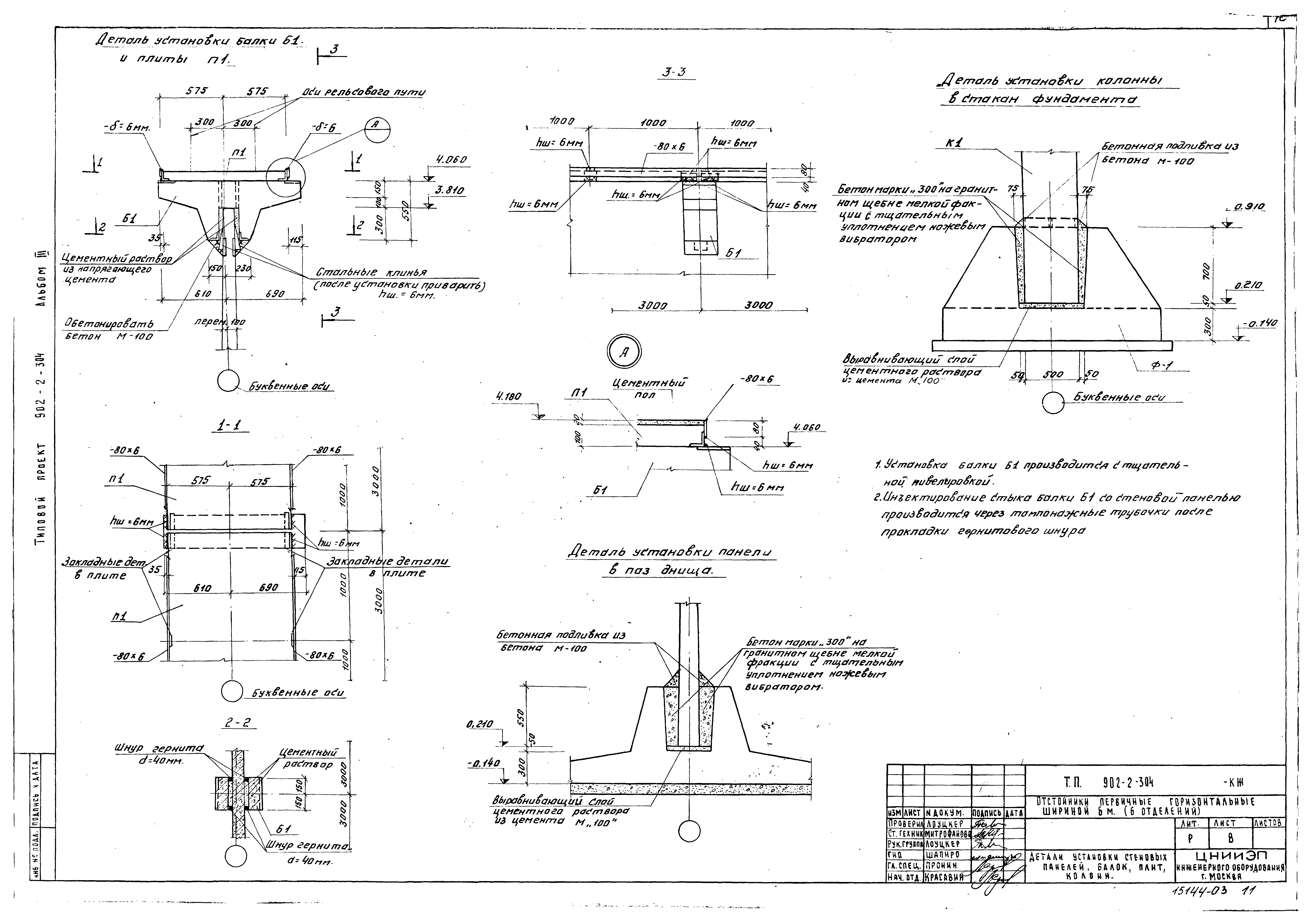
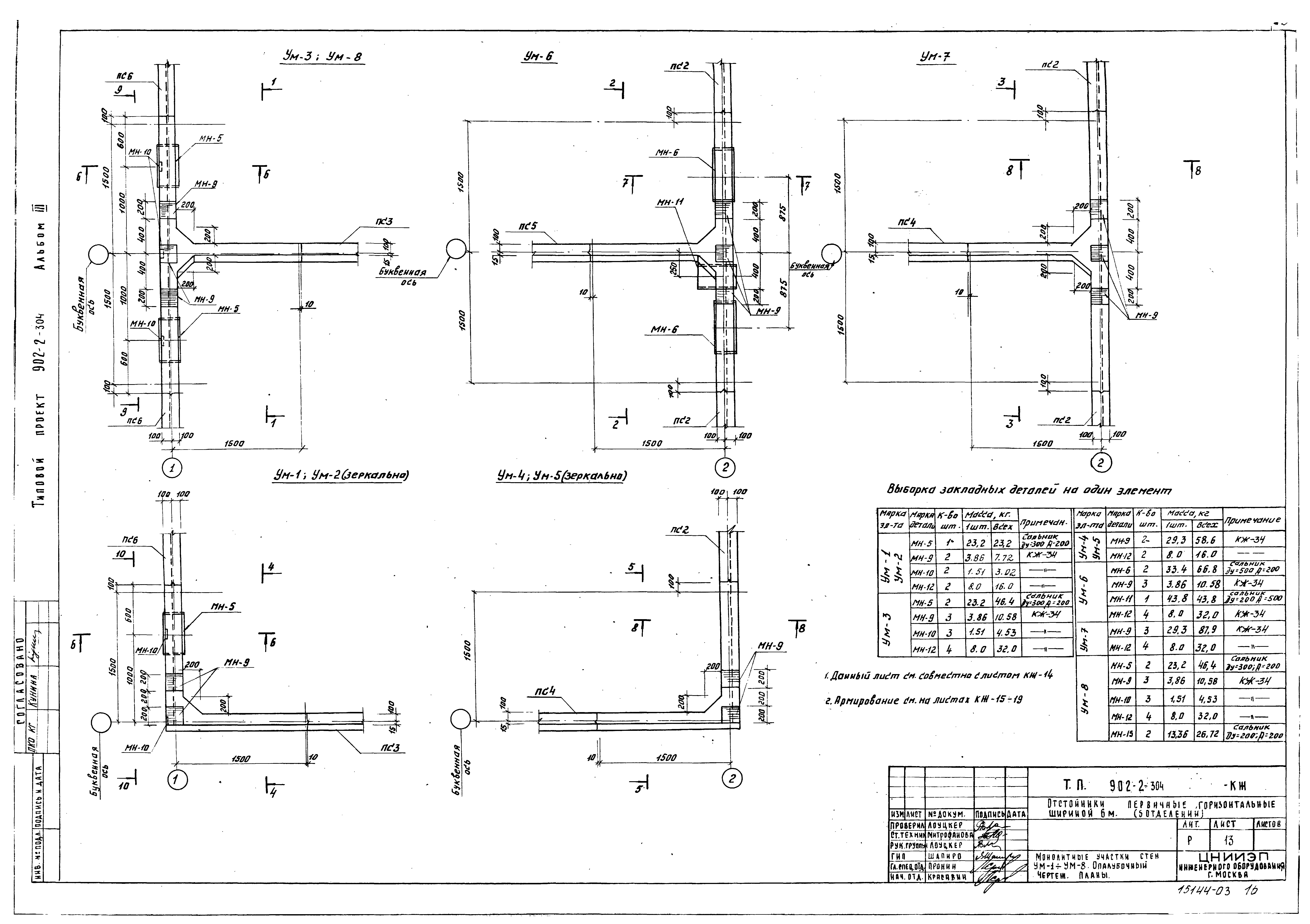
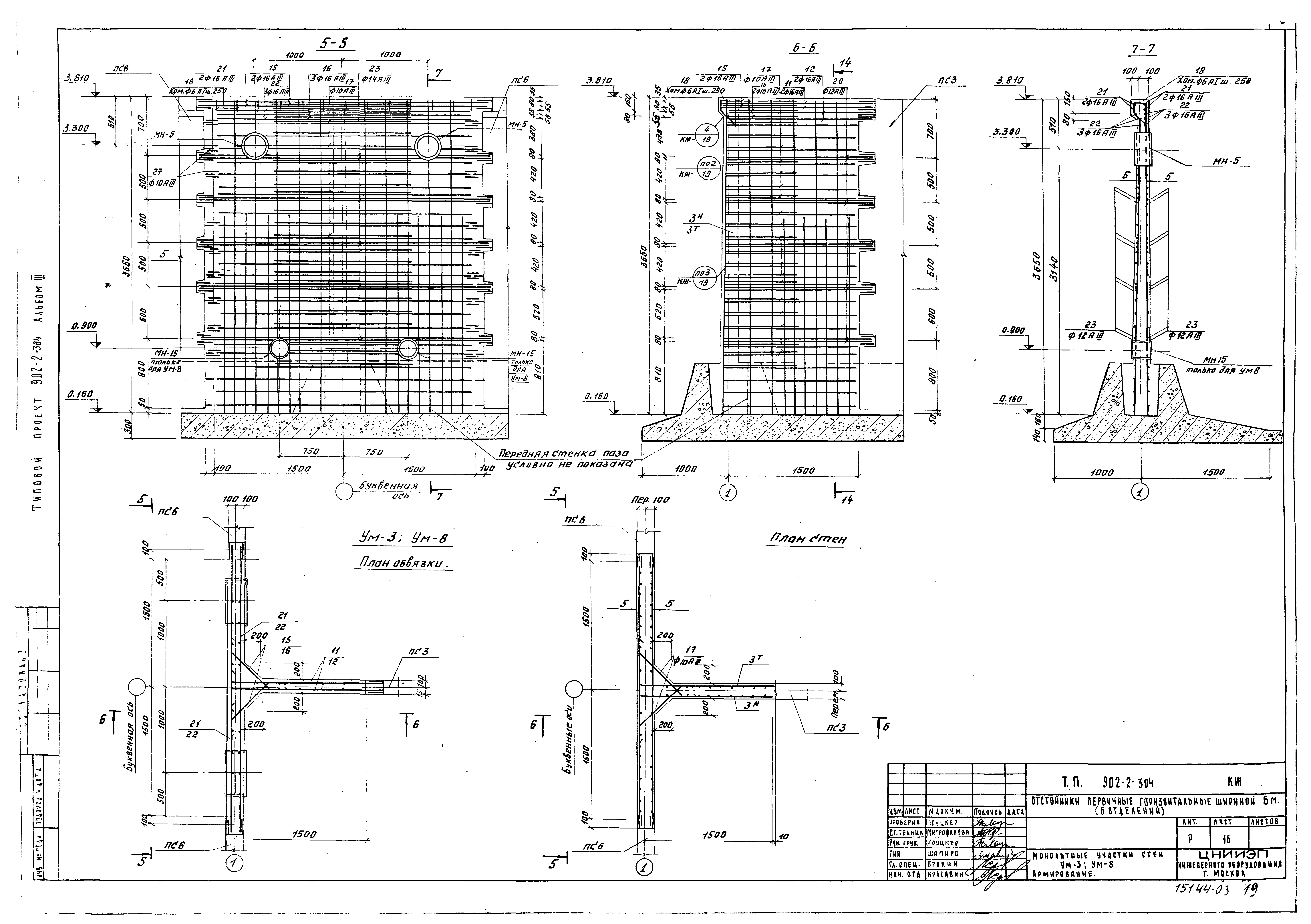
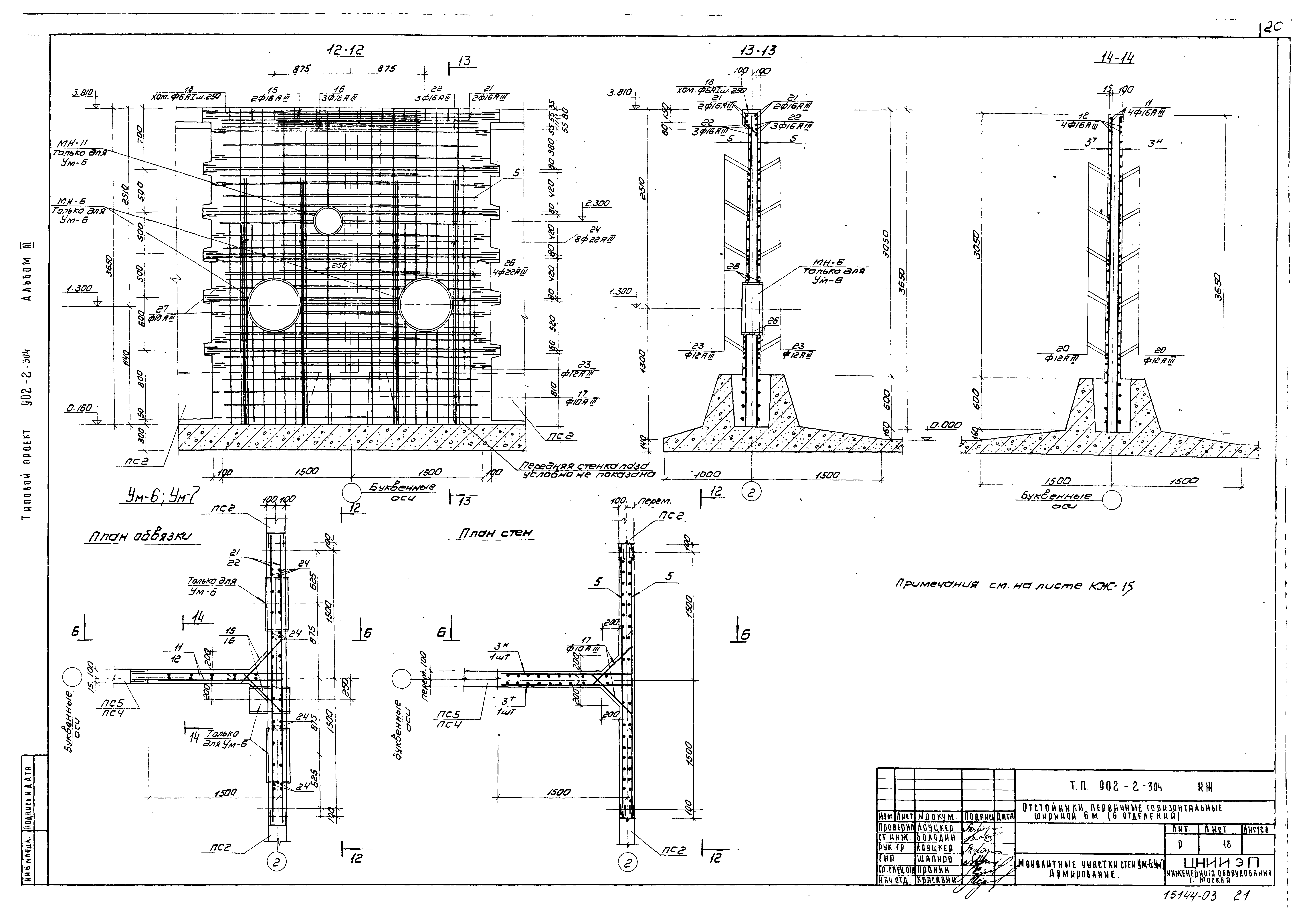
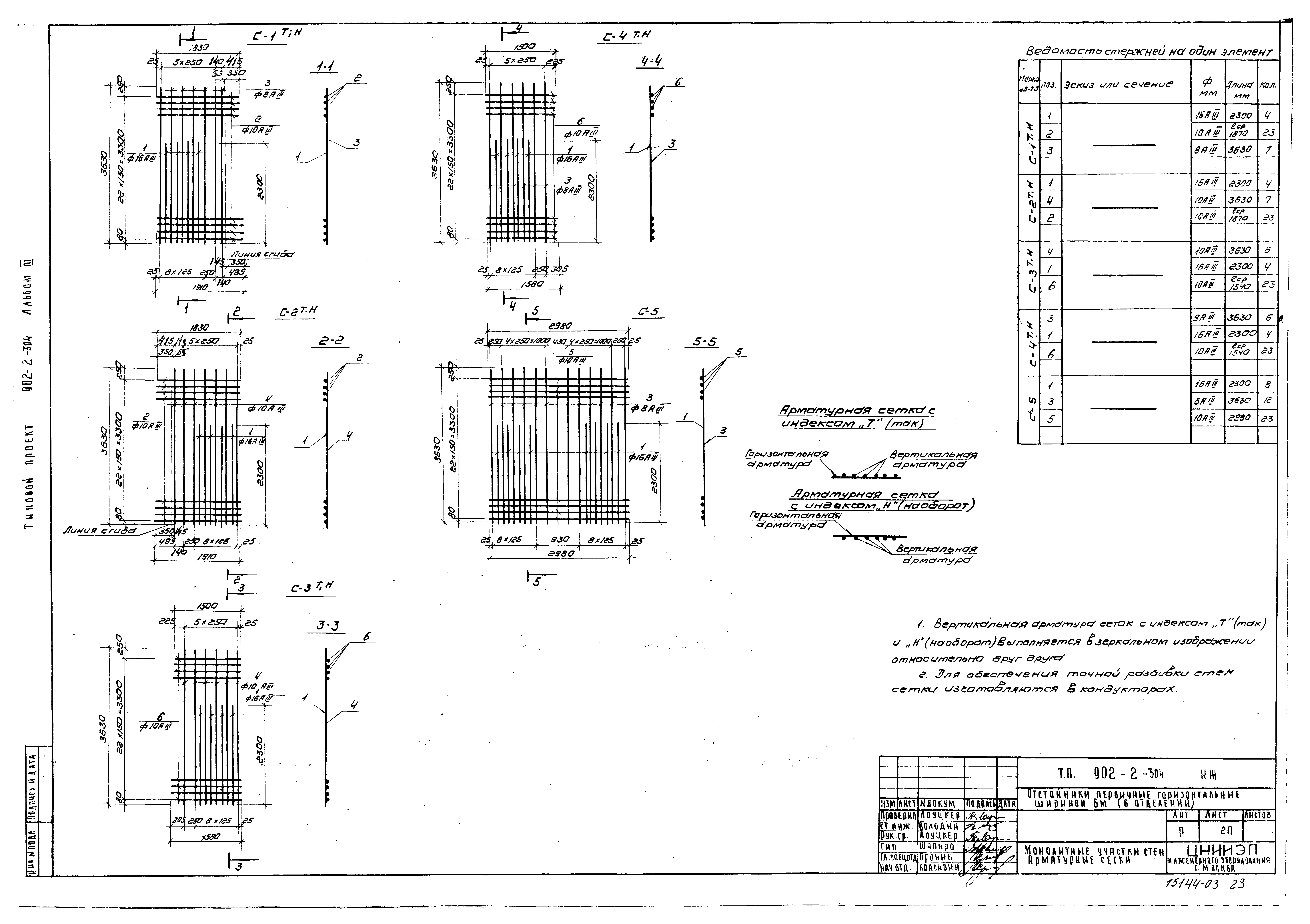
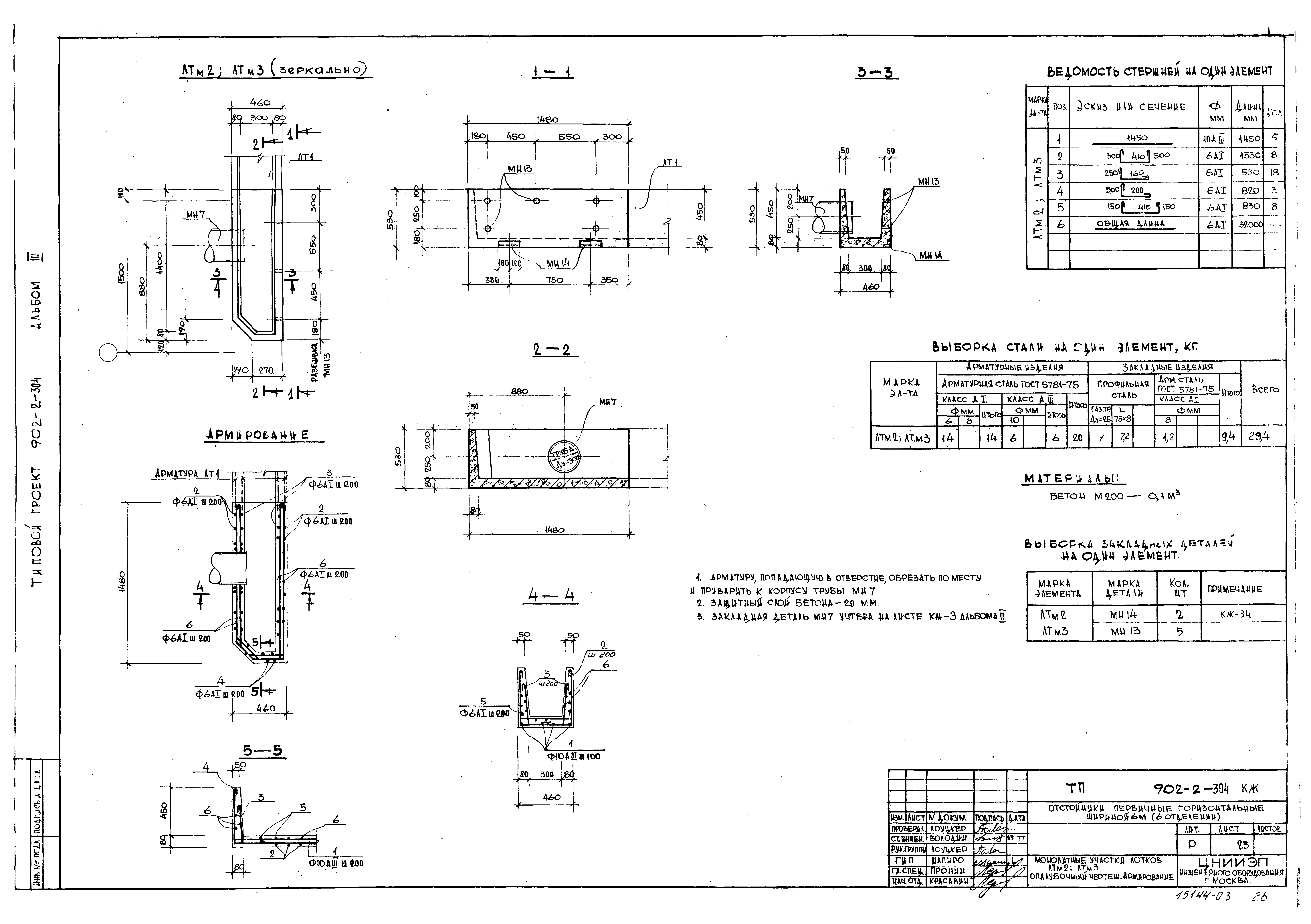
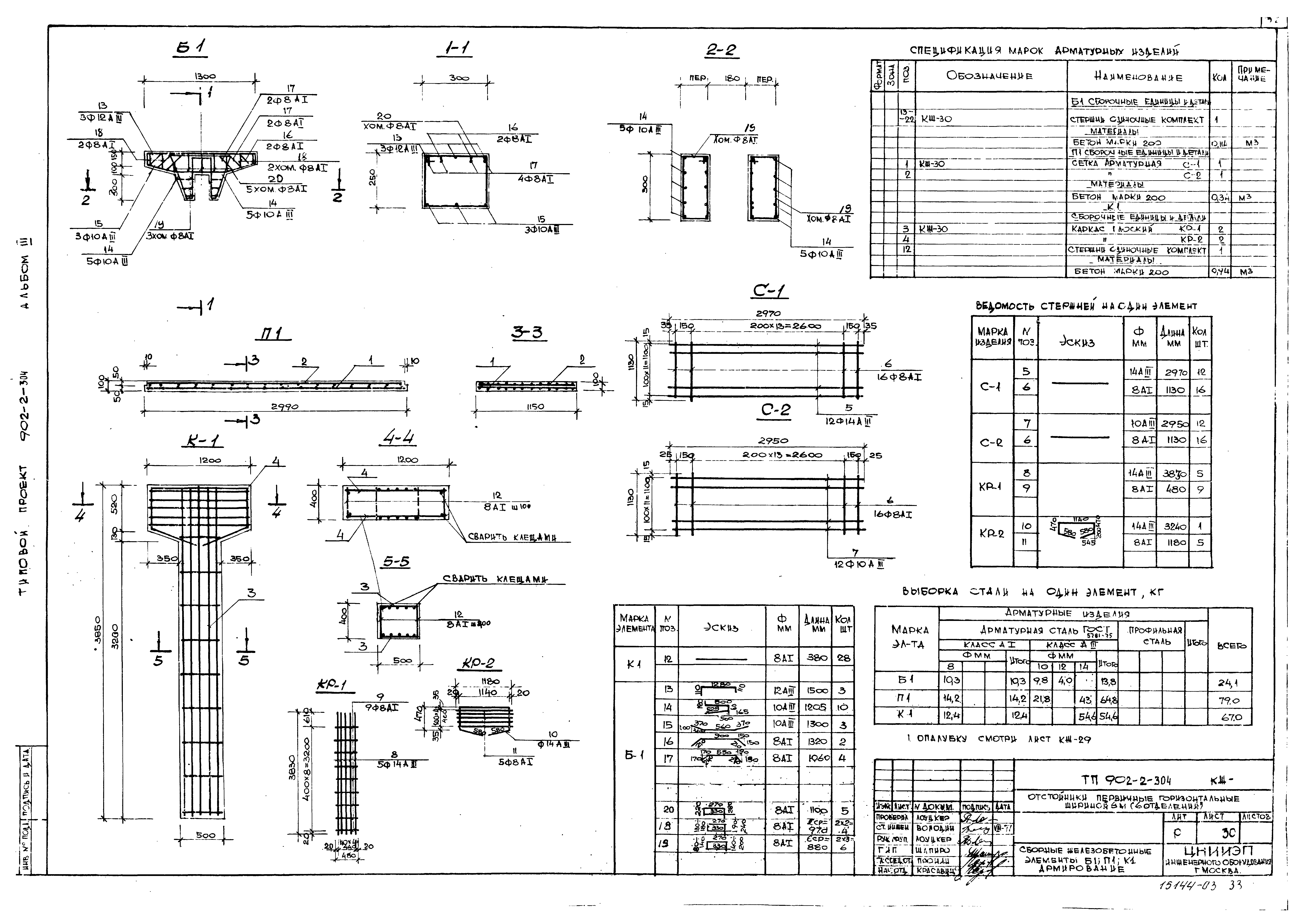
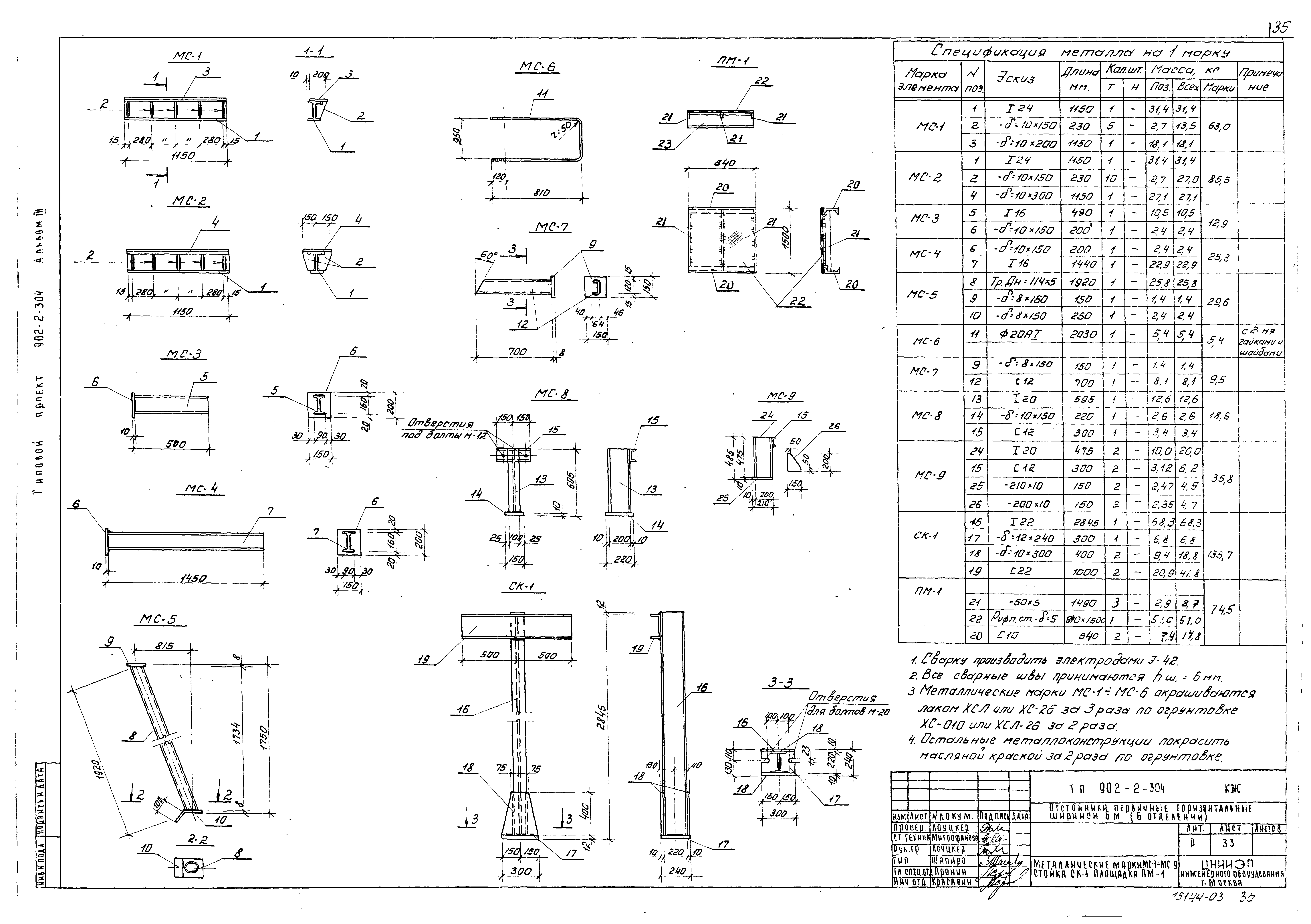
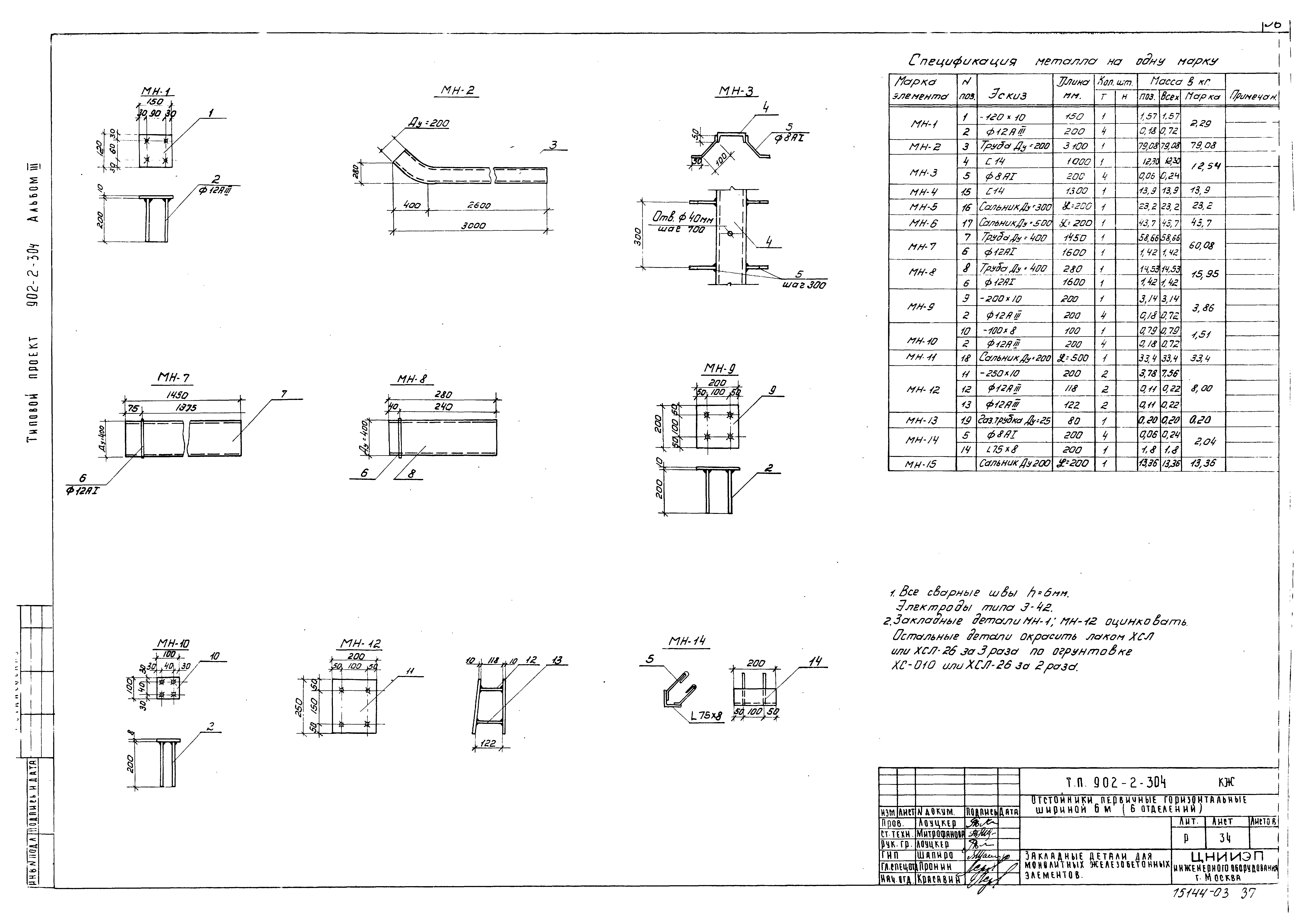
Скачать Типовой проект 902-2-304 Альбом III. Строительная часть. Узлы, детали, сборные железобетонные элементыДата актуализации: 01.01.2021 Типовой проект 902-2-304
Альбом III. Строительная часть. Узлы, детали, сборные железобетонные элементы| Обозначение: | Типовой проект 902-2-304 | | Обозначение англ: | 902-2-304 | | Статус: | действует | | Название рус.: | Альбом III. Строительная часть. Узлы, детали, сборные железобетонные элементы | | Дата добавления в базу: | 01.09.2013 | | Дата актуализации: | 01.01.2021 | | Дата введения: | 01.02.1978 | | Разработан: | ЦНИИЭП
| | Утверждён: | 22.07.1974 Госгражданстрой (Gosgrazhdanstroy 164)
|
                                      
|