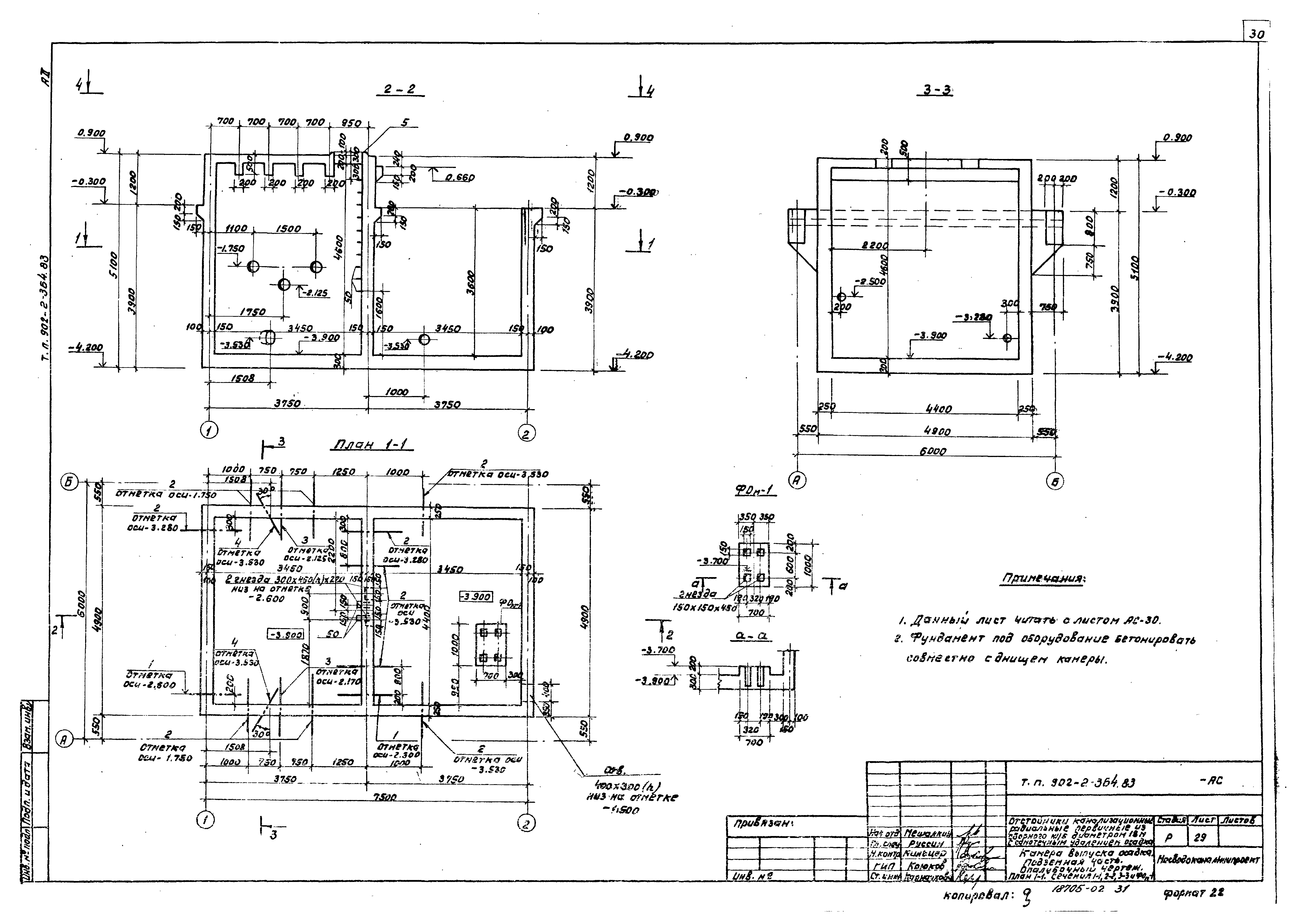
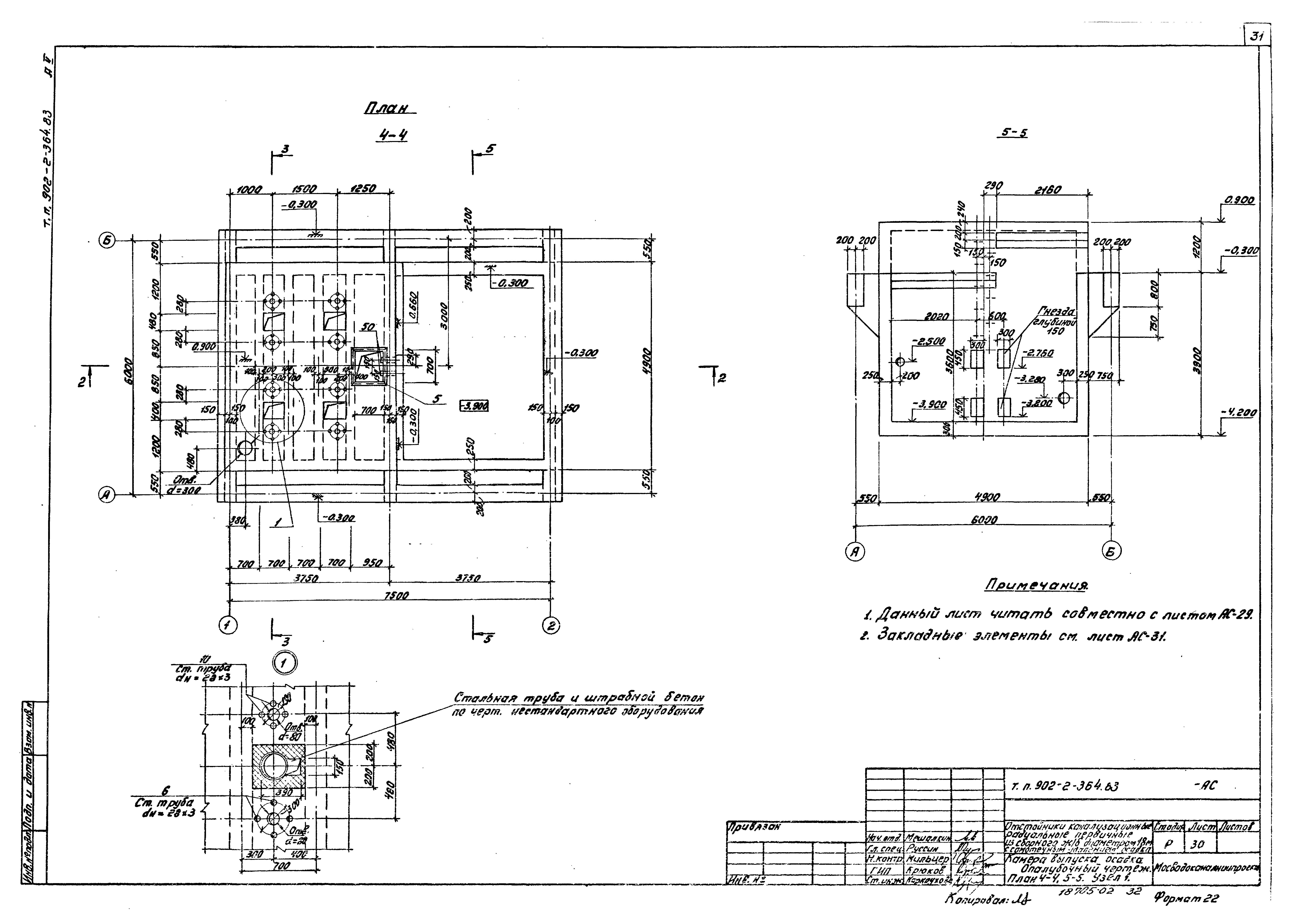
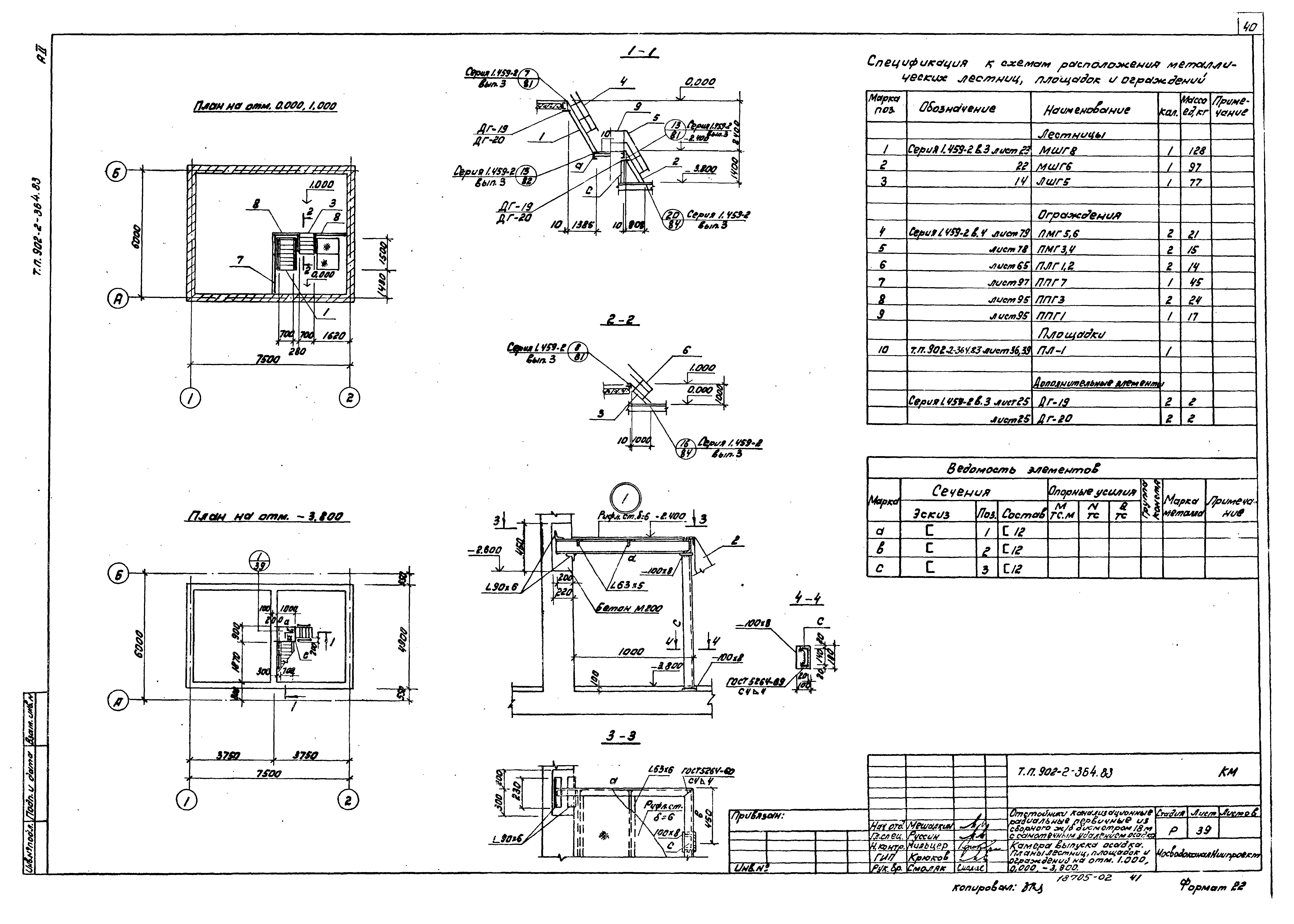
Скачать Типовой проект 902-2-364.83 Альбом II. Архитектурно-строительная частьДата актуализации: 01.01.2021
|
| Обозначение: | Типовой проект 902-2-364.83 |
| Обозначение англ: | 902-2-364.83 |
| Статус: | не действует |
| Название рус.: | Альбом II. Архитектурно-строительная часть |
| Дата добавления в базу: | 01.09.2013 |
| Дата актуализации: | 01.01.2021 |
| Разработан: | МосводоканалНИИпроект |
| Утверждён: | 14.12.1982 МосводоканалНИИпроект (213) |
















































