Скачать Серия 1.862-1 Выпуск 1. Балки пролетом 6 м. Опорные подушкиДата актуализации: 01.01.2021
|
| Обозначение: | Серия 1.862-1 |
| Обозначение англ: | Series 1.862-1 |
| Статус: | не действует |
| Название рус.: | Выпуск 1. Балки пролетом 6 м. Опорные подушки |
| Дата добавления в базу: | 01.09.2013 |
| Дата актуализации: | 01.01.2021 |
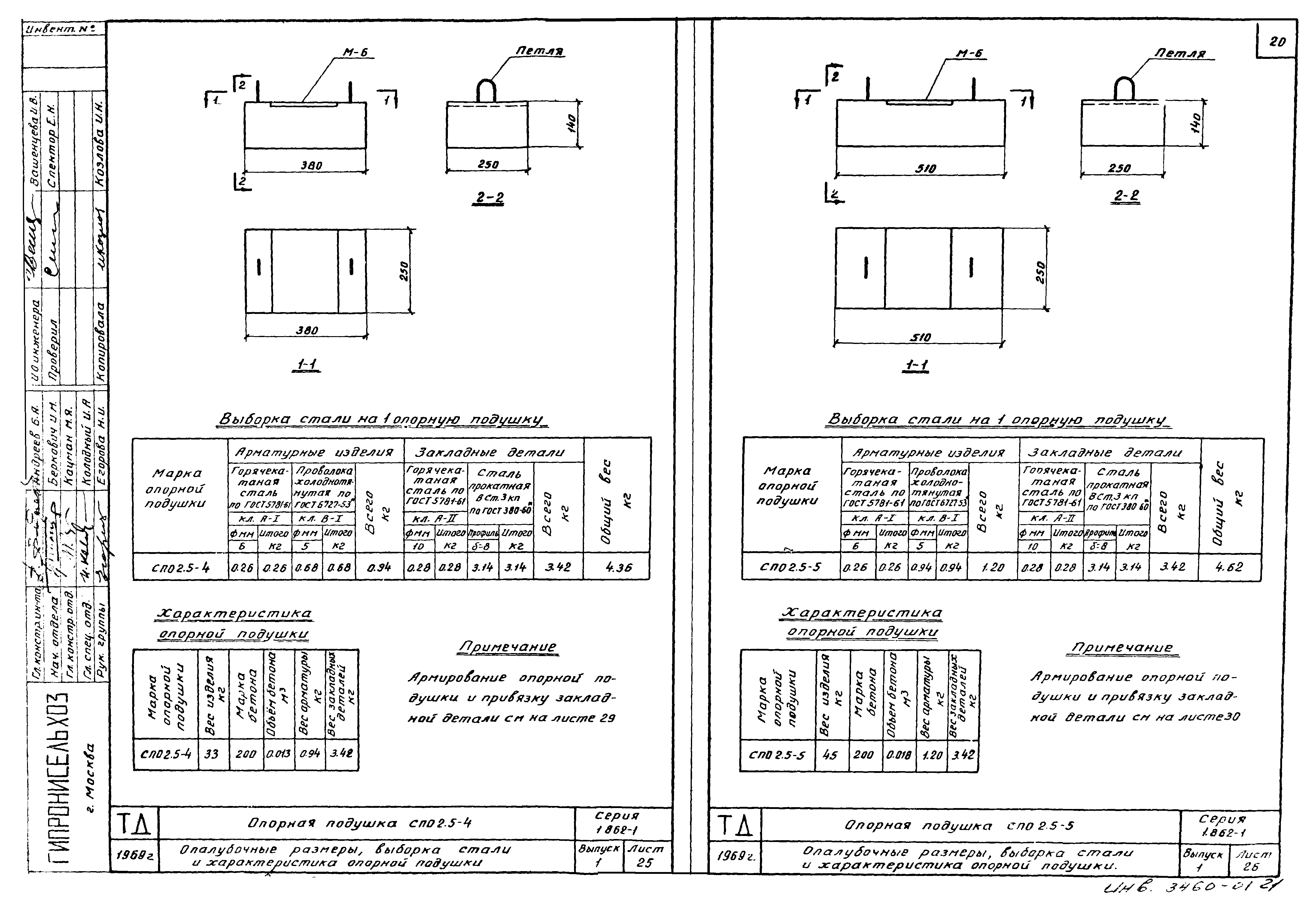
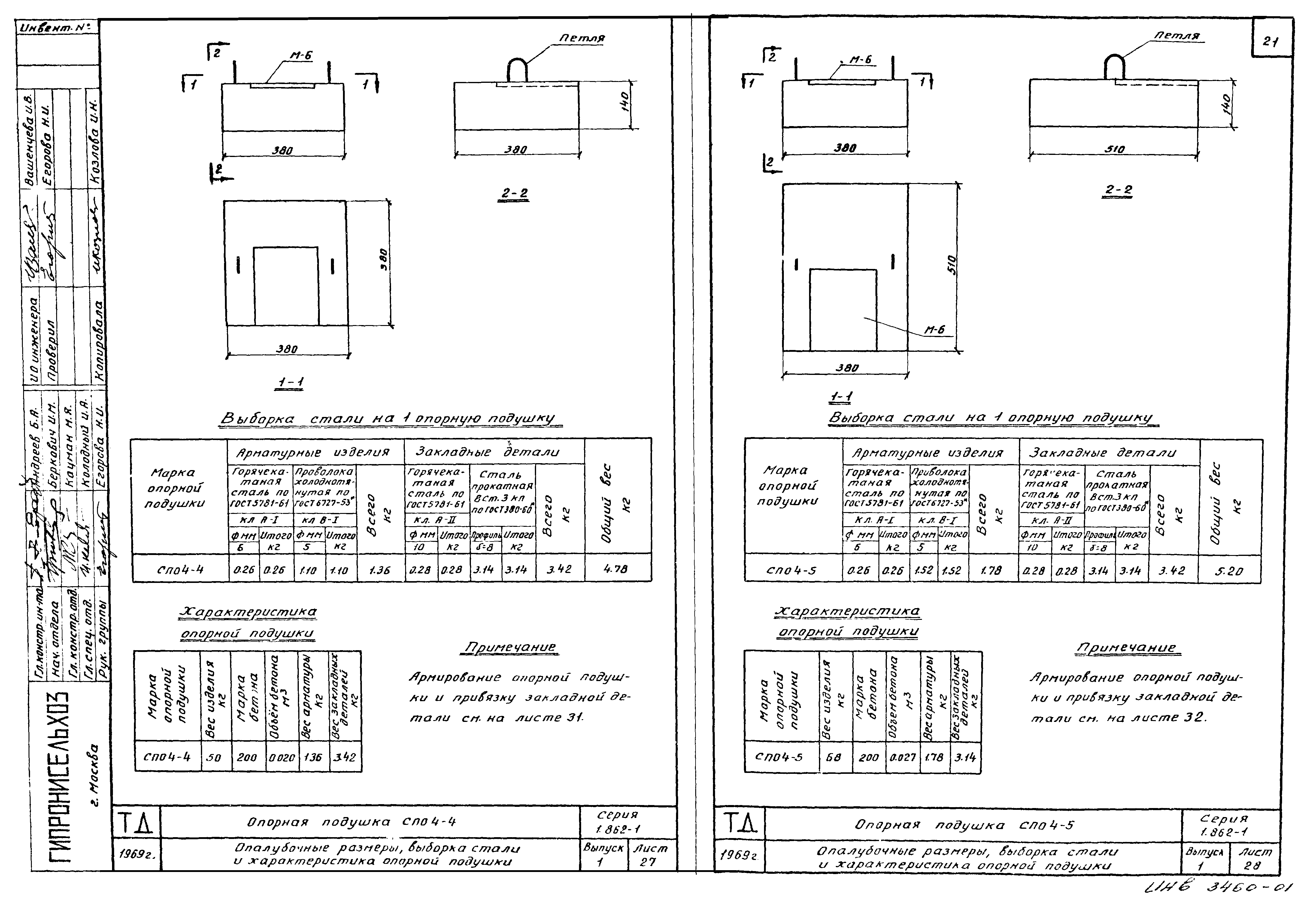
| Оглавление: | Пояснительная записка Лист 1 Балки 1СБТ60-1500, 1СБТ60а-1500, 1СБТ60-2100, 1СБТ60а-2100, 1СБТ60-2700, 1СБТ60а-2700. Опалубочный чертеж, выборка стали и характеристика балок Лист 2 Балки 1СБТ60-1500, 1СБТ60а-1500, 1СБТ60-2100, 1СБТ60а-2100. Монтажная схема армирования Лист 3 Балки 1СБТ60-2700. Монтажная схема армирования Лист 4 Балки 2СБТ60-3300, 2СБТ60а-3300. Опалубочный чертеж, выборка стали и характеристика балок Лист 5 Балки 2СБТ60-3300, 2СБТ60а-3300. Монтажная схема армирования Лист 6 Балки 1СБТ60-1500, 1СБТ60-2100. Пространственные каркасы КП-1,КП-2 Лист 7 Балки 1СБТ60-1500, 1СБТ60-2100. Плоские каркасы К-1,К-2 Лист 8 Балка 1СБТ60-2700. Пространственный каркас КП-3 Лист 9 Балка 1СБТ60-2700. Плоский каркас КП-3 Лист 10 Балка 2СБТ60-3300. Пространственные каркасы КП-4;КП-5 Лист 11 Балка 2СБТ60-3300. Плоские каркасы КП-4;КП-5 Лист 12 Балки 1СБТ60-1500, 1СБТ60-2100, 1СБТ60-2700, 2СБТ60-3300. Сетка С-1 Лист 13 Балки 1СБТ60-1500, 1СБТ60-2100, 1СБТ60-2700. Каркас К-6 Лист 14 Балка 2СБТ60-3300. Каркас К-7 Лист 15 Балки 1СБТ60-1500, 1СБТ60-2100. Закладная деталь М-1 Лист 16 Балки 1СБТ60-2700, 2СБТ60-3300. Закладная деталь М-2 Лист 17 Балки 1СБТ60-1500, 1СБТ60-2100, 1СБТ60-2700, 2СБТ60-3300. Закладная деталь М-3 Лист 18 Балки 1СБТ60а-1500, 1СБТ60а-2100, 1СБТ60а-2700. Закладная деталь М-4 Лист 19 Балка 2СБТ60а-3300. Закладная деталь М-5 Лист 20 Балки 1СБТ60-1500, 1СБТ60-2100. Позиция 25 Лист 21 Балки 1СБТ60-2700, 2СБТ60-3300. Позиция 27 Лист 22 Балки 1СБТ60-1500, 1СБТ60-2100, 1СБТ60-2700. Монтажная петля Лист 23 Балка 2СБТ60-3300. Монтажная петля Лист 24 Балки 1СБТ60-1500, 1СБТ60-2100, 1СБТ60-2700, 2СБТ60-3300. Спецификация арматуры Лист 25 Опорная подушка СПО2.5-4. Опалубочные размеры, выборка стали и характеристика опорной подушки Лист 26 Опорная подушка СПО2.5-5. Опалубочные размеры, выборка стали и характеристика опорной подушки Лист 27 Опорная подушка СПО4-4. Опалубочные размеры, выборка стали и характеристика опорной подушки Лист 28 Опорная подушка СПО4-5. Опалубочные размеры, выборка стали и характеристика опорной подушки Лист 29 Опорная подушка СПО2.5-4. Монтажная схема армирования Лист 30 Опорная подушка СПО2.5-5. Монтажная схема армирования Лист 31 Опорная подушка СПО4-4. Монтажная схема армирования Лист 32 Опорная подушка СПО4-5. Монтажная схема армирования Лист 33 Опорная подушка СПО2.5-4. Сетка С-2 Лист 34 Опорная подушка СПО2.5-4. Сетка С-3 Лист 35 Опорная подушка СПО2.5-4. Сетка С-4 Лист 36 Опорная подушка СПО2.5-4. Сетка С-5 Лист 37 Опорные подушки СПО2.5-4, СПО2.5-5, СПО4-4, СПО4-5. Закладная деталь М-6 Лист 38 Опорные подушки СПО2.5-4, СПО2.5-5, СПО4-4, СПО4-5. Монтажная петля Лист 39 Опорные подушки СПО2.5-4, СПО2.5-5, СПО4-4, СПО4-5. Спецификация арматуры |
| Разработан: | НИИЖБ ГипроНИсельхоз (Институт Гипронисельхоз ) |
| Утверждён: | 05.05.1970 Министерство сельского хозяйства СССР (USSR Ministry of Agriculture 45) |
| Чем заменён: |
|


























