Скачать Серия ИИ-04-15 Дополнение 1 к выпуску 1. Дополнительные панели лифтовых шахт и плиты покрытияДата актуализации: 01.01.2021
|
| Обозначение: | Серия ИИ-04-15 |
| Обозначение англ: | Series ИИ-04-15 |
| Статус: | не действует |
| Название рус.: | Дополнение 1 к выпуску 1. Дополнительные панели лифтовых шахт и плиты покрытия |
| Дата добавления в базу: | 01.09.2013 |
| Дата актуализации: | 01.01.2021 |
| Дата введения: | 01.11.1974 |
| Дата окончания срока действия: | 01.06.1983 |
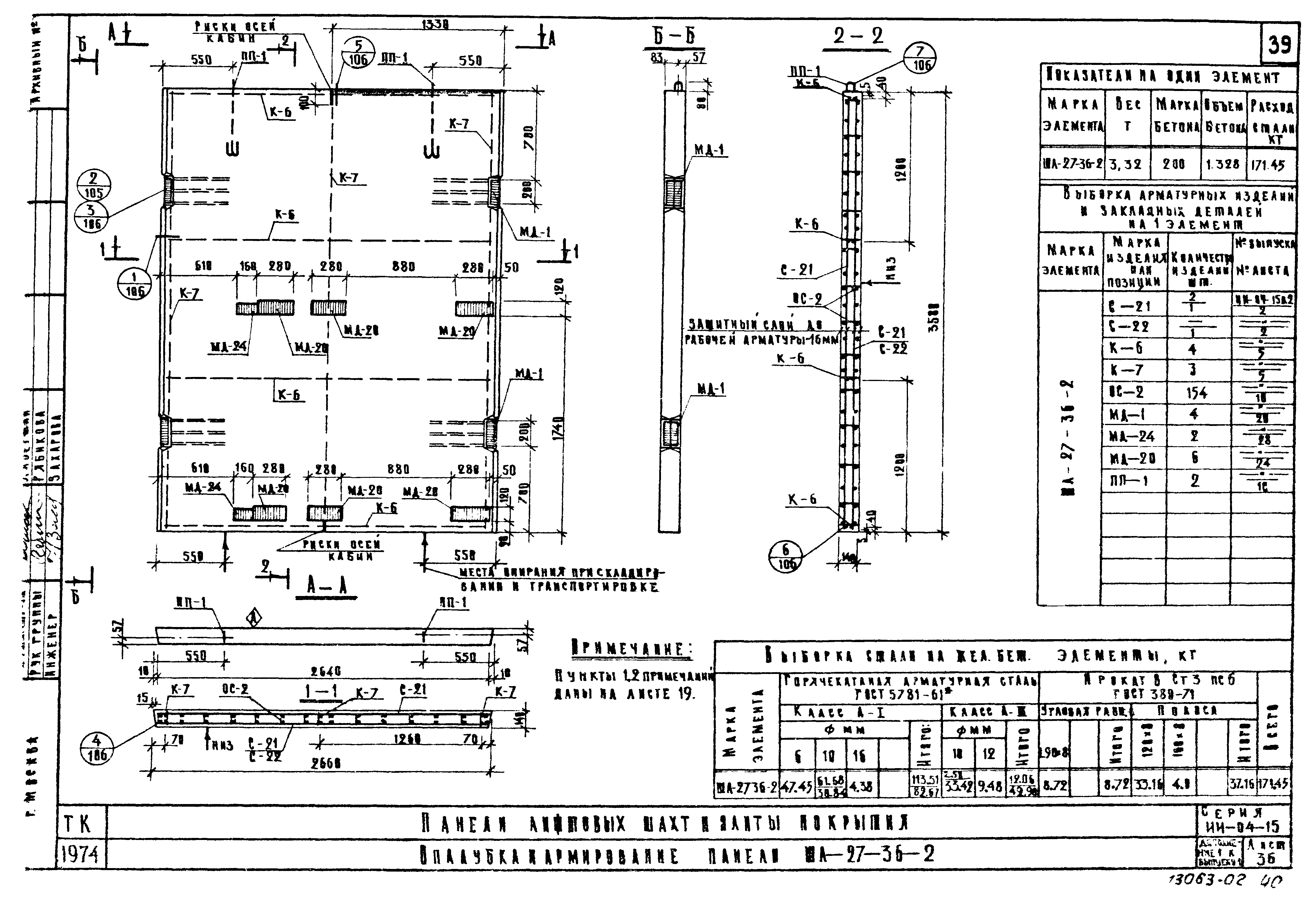
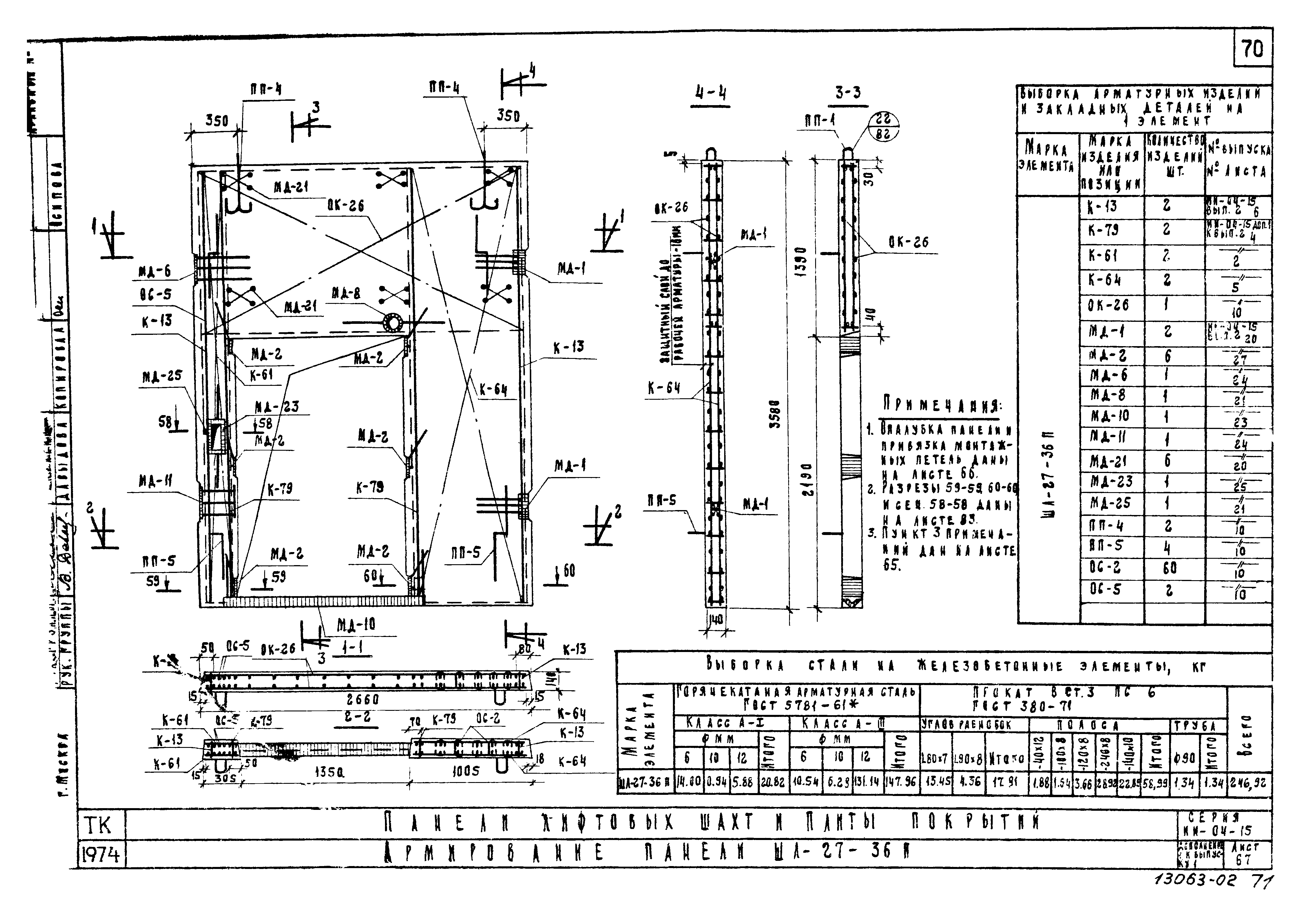
| Оглавление: | Содержание Пояснительная записка Номенклатура Опалубка и армирование панели ШЛ-17-33-4 Опалубка и армирование панели ШЛ-17-3-5 Опалубка и армирование панели ШЛ-17-3-6 Опалубка и армирование панели ШЛ-17-36-4 Опалубка и армирование панели ШЛ-17-36-4-1 Опалубка и армирование панели ШЛ-17-36-5 Опалубка и армирование панели ШЛ-17-36-5-1 Опалубка и армирование панели ШЛ-17-36-6 Опалубка и армирование панели ШЛ-17-36-6-1 Опалубка и армирование панели ШЛ-17-42-4 Опалубка и армирование панели ШЛ-17-42-4-1 Опалубка и армирование панели ШЛ-17-42-5 Опалубка и армирование панели ШЛ-17-42-5-1 Опалубка и армирование панели ШЛ-17-42-6 Опалубка и армирование панели ШЛ-17-42-6-1 Опалубка и армирование панели ШЛ-20-33 Опалубка и армирование панели ШЛ-20-36 Опалубка и армирование панели ШЛ-20-42 Опалубка и армирование панели ШЛ-22-33-3 Опалубка и армирование панели ШЛ-22-33-4 Опалубка и армирование панели ШЛ-22-36-3 Опалубка и армирование панели ШЛ-22-36-4 Опалубка и армирование панели ШЛ-22-42-3 Опалубка и армирование панели ШЛ-22-42-3-1 Опалубка и армирование панели ШЛ-22-42-4 Опалубка и армирование панели ШЛ-22-42-4-1 Опалубка и армирование панели ШЛ-25-33-1 Опалубка и армирование панели ШЛ-25-36-1 Опалубка и армирование панели ШЛ-25-36-1-1 Опалубка и армирование панели ШЛ-25-42-1 Опалубка и армирование панели ШЛ-25-42-1-1 Опалубка и армирование панели ШЛ-27-33-2 Опалубка и армирование панели ШЛ-27-36-2 Опалубка и армирование панели ШЛ-27-36-2-1 Опалубка и армирование панели ШЛ-27-42-2 Опалубка и армирование панели ШЛ-27-42-2-1 Опалубка панели ШЛ-17-33п-2 Армирование панели ШЛ-17-33п-2 Опалубка панели ШЛ-17-36п-2 Армирование панели ШЛ-17-36п-2 Опалубка панели ШЛ-17-42п-2 Армирование панели ШЛ-17-42п-2 Опалубка панели ШЛ-20-33п-1 Армирование панели ШЛ-20-33п-1 Опалубка панели ШЛ-20-36п-1 Армирование панели ШЛ-20-36п-1 Опалубка панели ШЛ-20-42п-1 Армирование панели ШЛ-20-42п-1 Опалубка панели ШЛ-20-33п-2 Армирование панели ШЛ-20-33п-2 Опалубка панели ШЛ-20-36п-2 Армирование панели ШЛ-20-36п-2 Опалубка панели ШЛ-20-42п-2 Армирование панели ШЛ-20-42п-2 Опалубка панели ШЛ-22-33п-3 Армирование панели ШЛ-22-33п-3 Опалубка панели ШЛ-22-36п-3 Армирование панели ШЛ-22-36п-3 Опалубка панели ШЛ-22-42п-3 Армирование панели ШЛ-22-42п-3 Опалубка панели ШЛ-27-33п Армирование панели ШЛ-27-33п Опалубка панели ШЛ-27-36п Армирование панели ШЛ-27-36п Опалубка панели ШЛ-27-42п Армирование панели ШЛ-27-42п Опалубка плиты ПЛ-20-18-2 Армирование плиты ПЛ-20-18-2 Опалубка плиты ПЛ-20-20 Армирование плиты ПЛ-20-20 Опалубка плиты ПЛ-28-21 Армирование плиты ПЛ-28-21 Опалубка плиты ПЛ-29-20 Армирование плиты ПЛ-29-20 Опалубка плиты ПЛ-25-24-2 Армирование плиты ПЛ-25-24-2 Разрезы 34-34÷40-40. Узел 21 Разрезы 41-41÷48-48,52-52,53-53 Разрезы 49-49÷51-51,54-54÷56-56. Узел 2 Разрезы 57-57÷63-63 Узлы 23,24. Деталь установки петли ПП-8 Схема установки каркасов для панелей с проемами |
| Разработан: | ГипроНИИздрав Минздрава СССР |
| Утверждён: | 04.10.1974 Госгражданстрой (Gosgrazhdanstroy 225) |
| Чем заменён: |


























































































