Скачать Серия ИИ23-6 Железобетонные ригели прямоугольного сечения пролетом 9 м (натяжение арматуры электротермическим способом)Дата актуализации: 01.01.2021
|
| Обозначение: | Серия ИИ23-6 |
| Обозначение англ: | Series ИИ23-6 |
| Статус: | не действует |
| Название рус.: | Железобетонные ригели прямоугольного сечения пролетом 9 м (натяжение арматуры электротермическим способом) |
| Дата добавления в базу: | 01.09.2013 |
| Дата актуализации: | 01.01.2021 |
| Дата окончания срока действия: | 01.12.1991 |
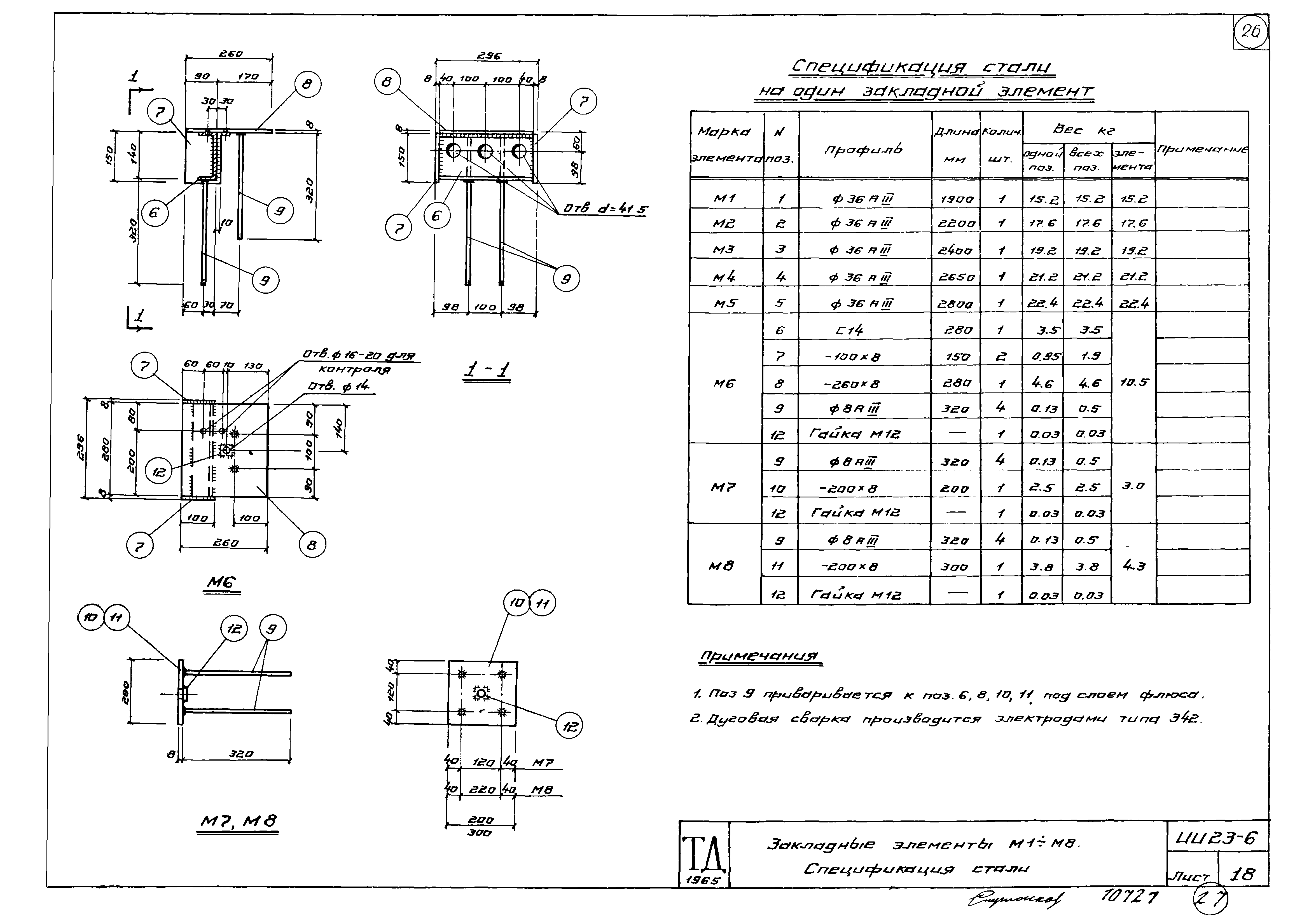
| Оглавление: | Пояснительная записка Ригели Б10-4÷Б10-6. Опалубочный чертеж. Показатели на один ригель. Выборка стали Ригели Б11-7÷Б11-12. Опалубочный чертеж. Показатели на один ригель. Выборка стали Ригели Б12-4÷Б12-6. Опалубочный чертеж. Показатели на один ригель. Выборка стали Ригели Б10-4÷Б10-6. Армирование Ригели Б11-7÷Б11-12. Армирование Ригели Б12-4÷Б12-6. Армирование Ригели Б11-7÷Б11-12. Узел 1 Ригели Б12-4,Б12-5. Узел 2 Пространственные каркасы КП1-КП3 Пространственные каркасы КП4,КП5,КП7,КП8 Пространственные каркасы КП6,КП9 Пространственные каркасы КП10-КП13 Каркасы КР1-КР6 Каркасы КР7,КР7. Сетки С1-С4 Узлы А,Б,В. Спецификация арматурных изделий Спецификация и выборка стали Закладные элементы М1-М8. Спецификация стали |
| Разработан: | ЦНИИпромзданий Моспромпроект НИИЖБ |
| Утверждён: | 24.06.1965 Госстрой СССР (Государственный комитет Совета Министров СССР по делам строительства) (USSR Gosstroy ) |



























