Скачать Серия 1.412-2 Выпуск I-2. Материалы для проектирования. Чертежи фундаментов

Дата актуализации: 01.01.2021

Серия 1.412-2

Выпуск I-2. Материалы для проектирования. Чертежи фундаментов

Обозначение: Серия 1.412-2
Обозначение англ: Series 1.412-2
Статус:заменен
Название рус.:Выпуск I-2. Материалы для проектирования. Чертежи фундаментов
Дата добавления в базу:01.09.2013
Дата актуализации:01.01.2021
Дата введения:01.10.1971
Дата окончания срока действия:01.07.1978
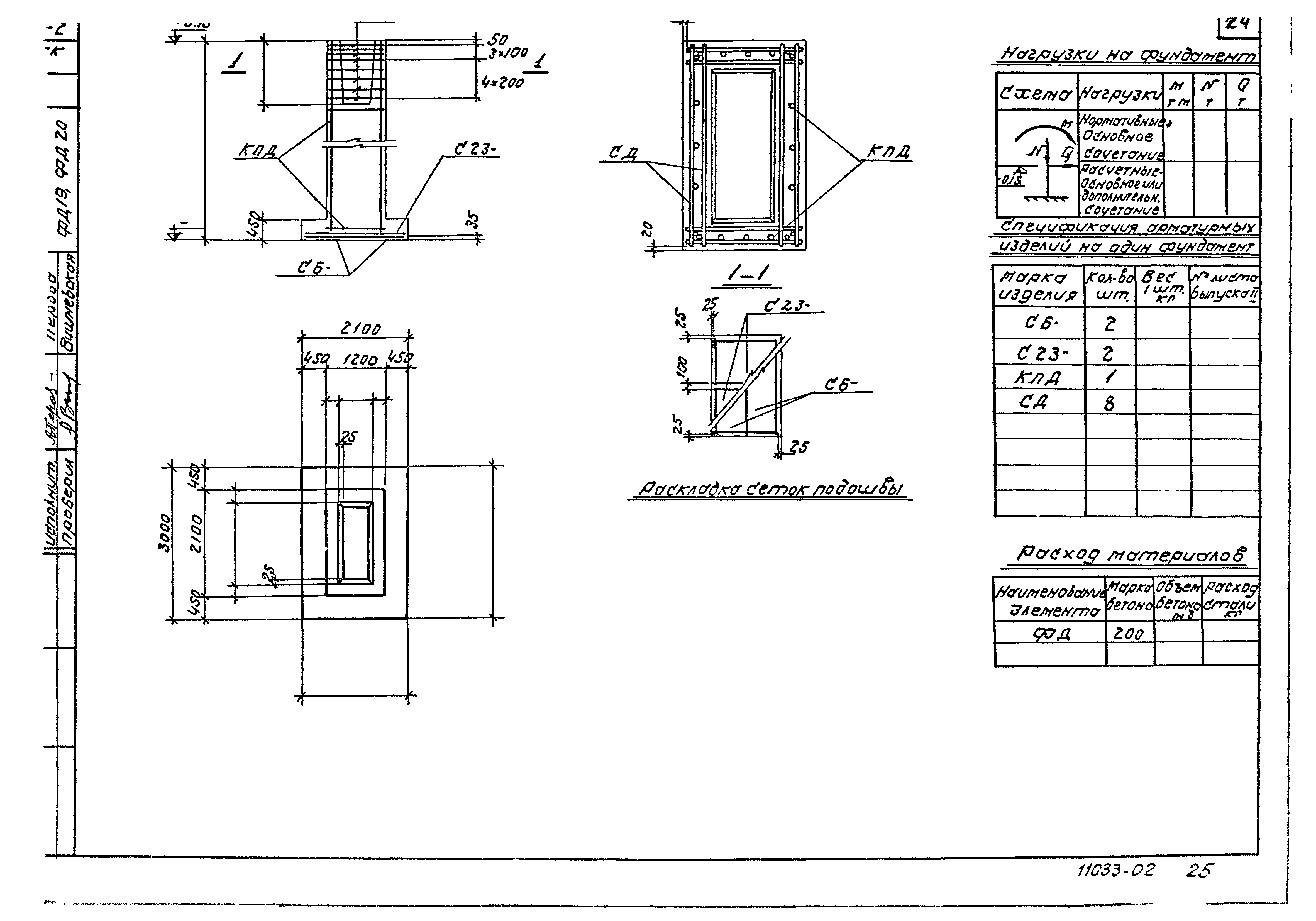
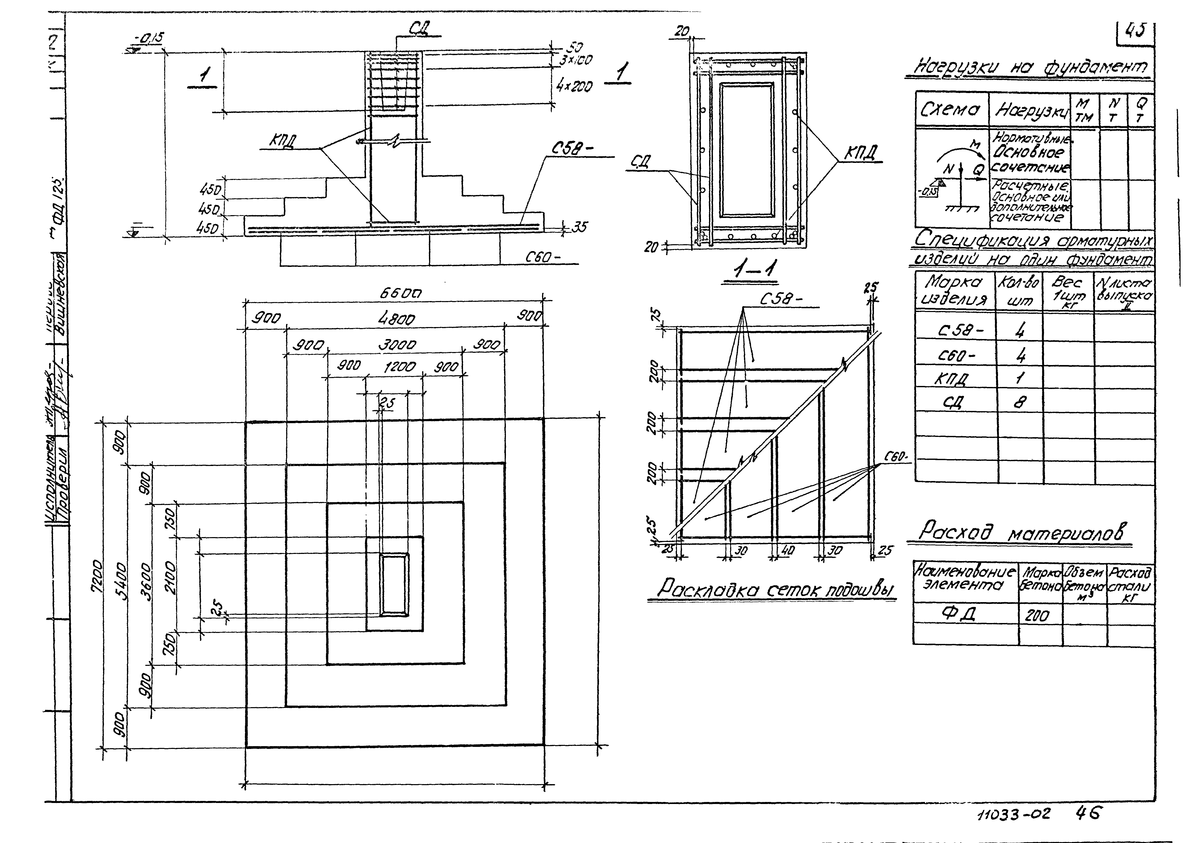
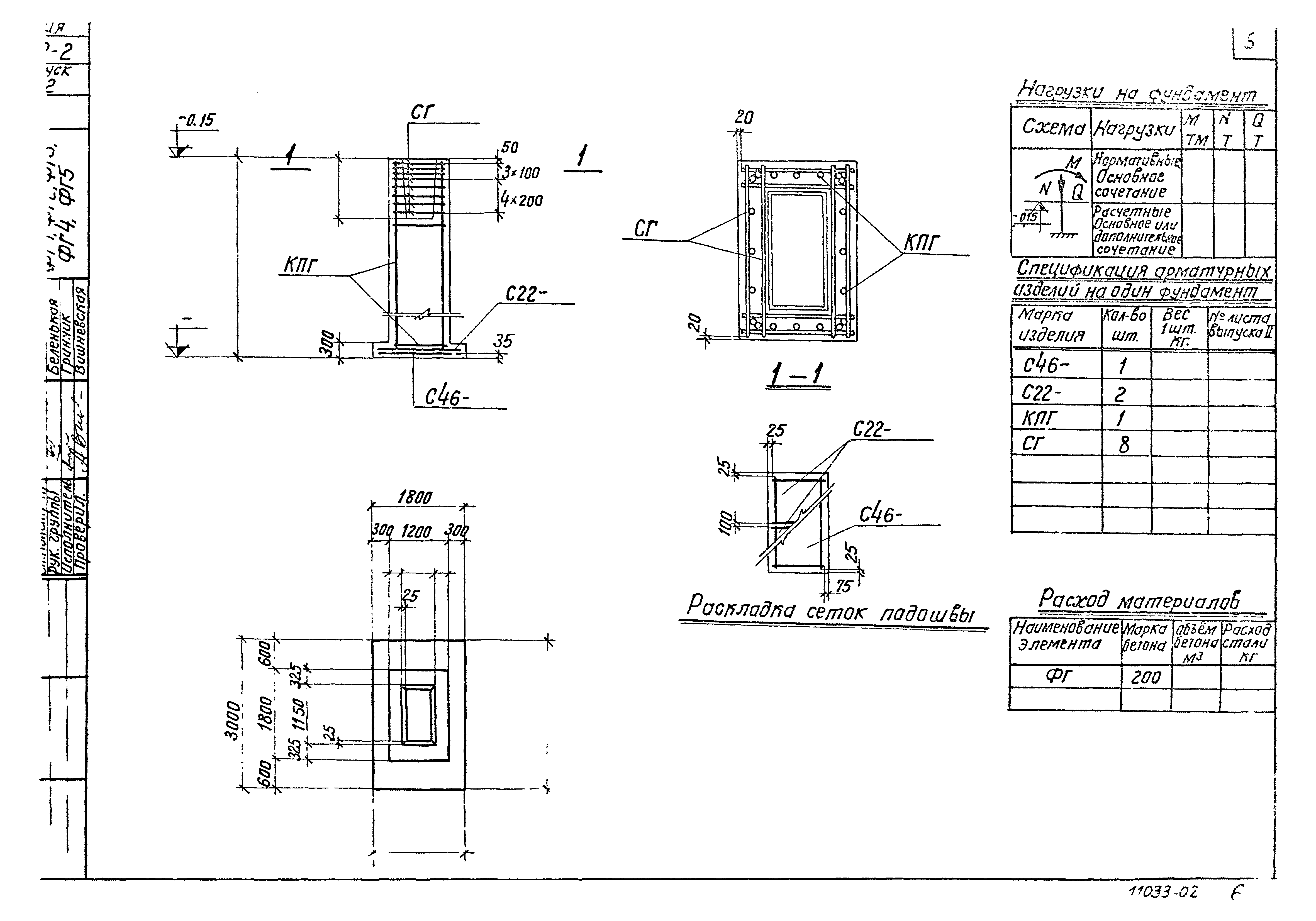
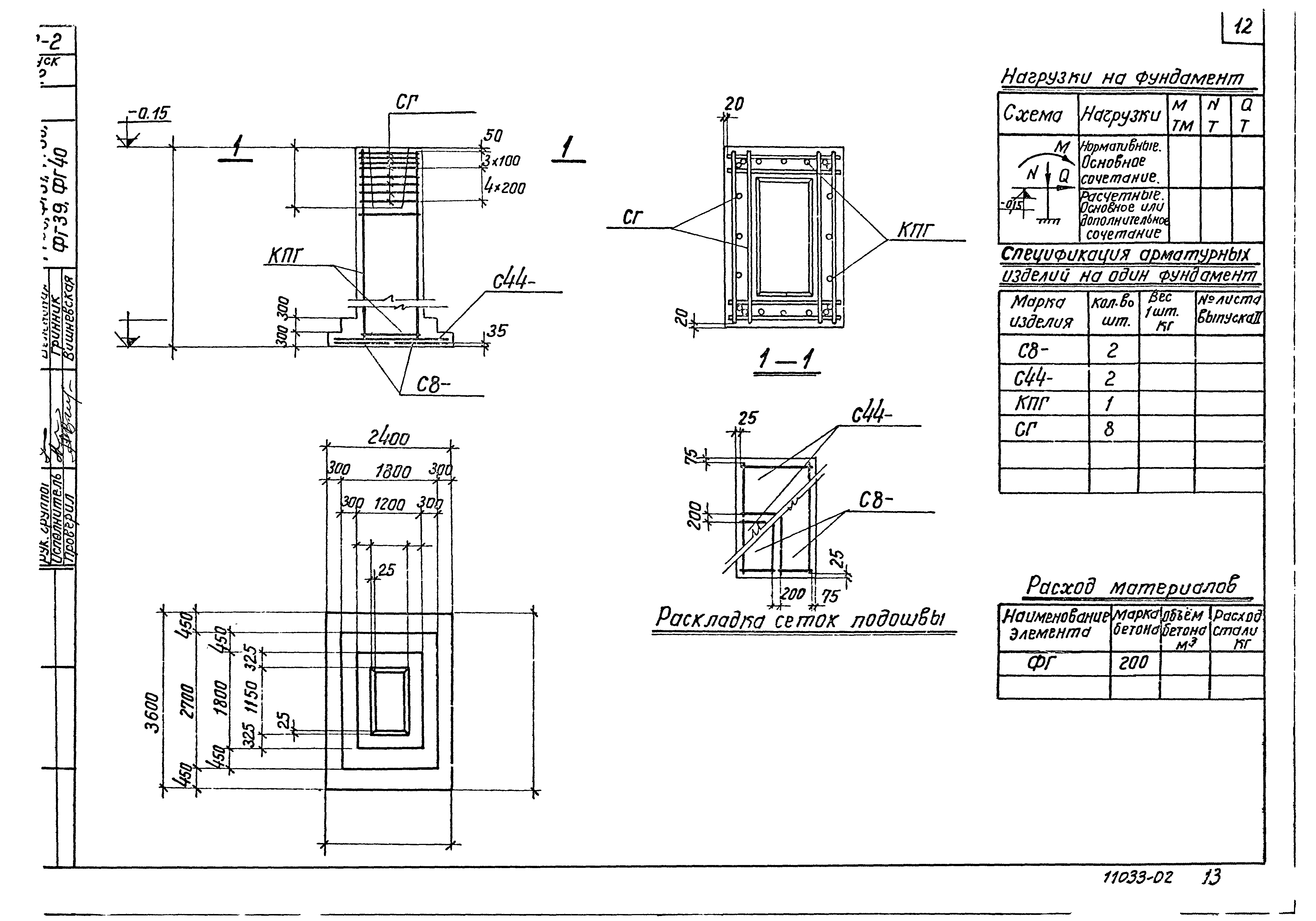
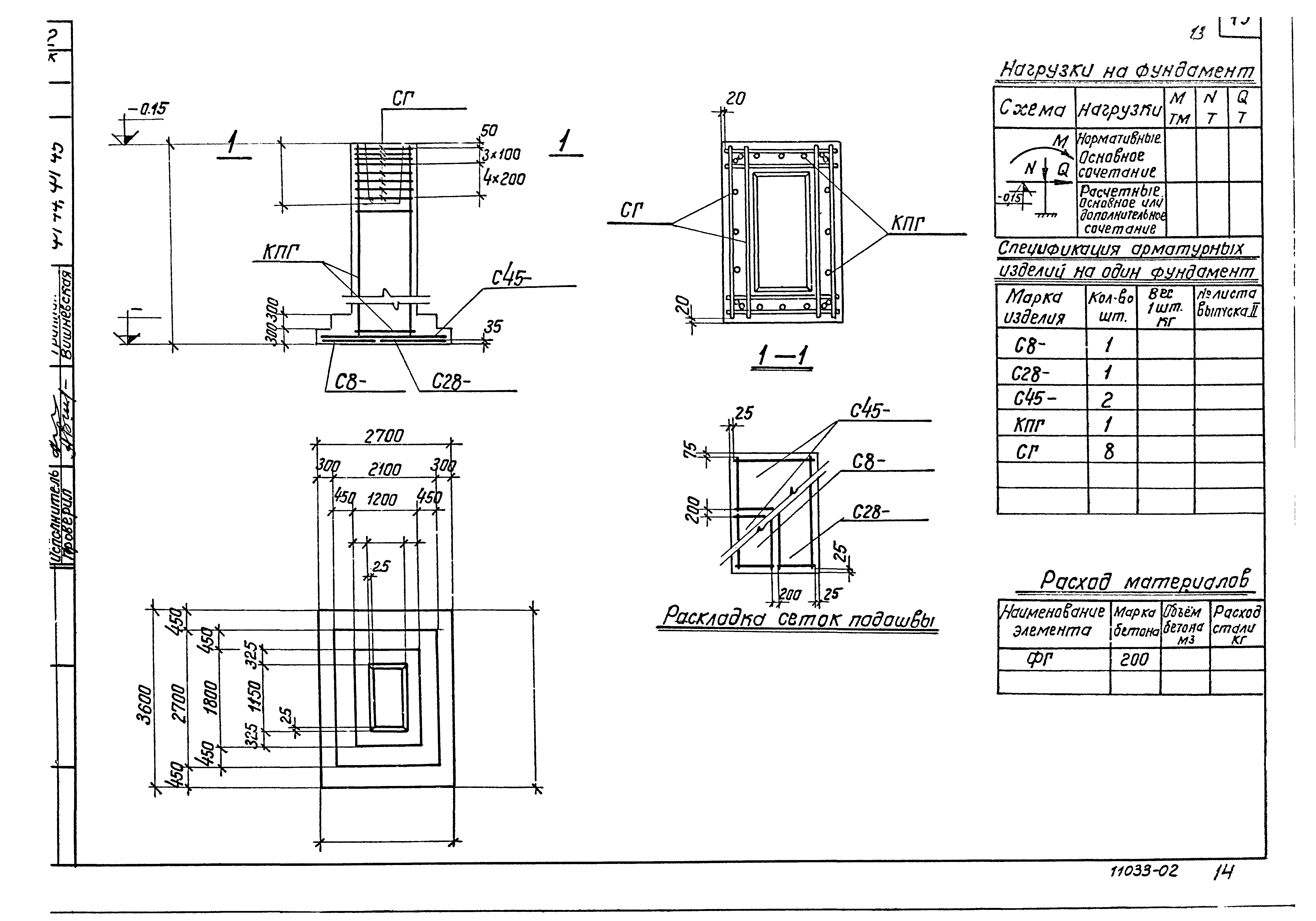
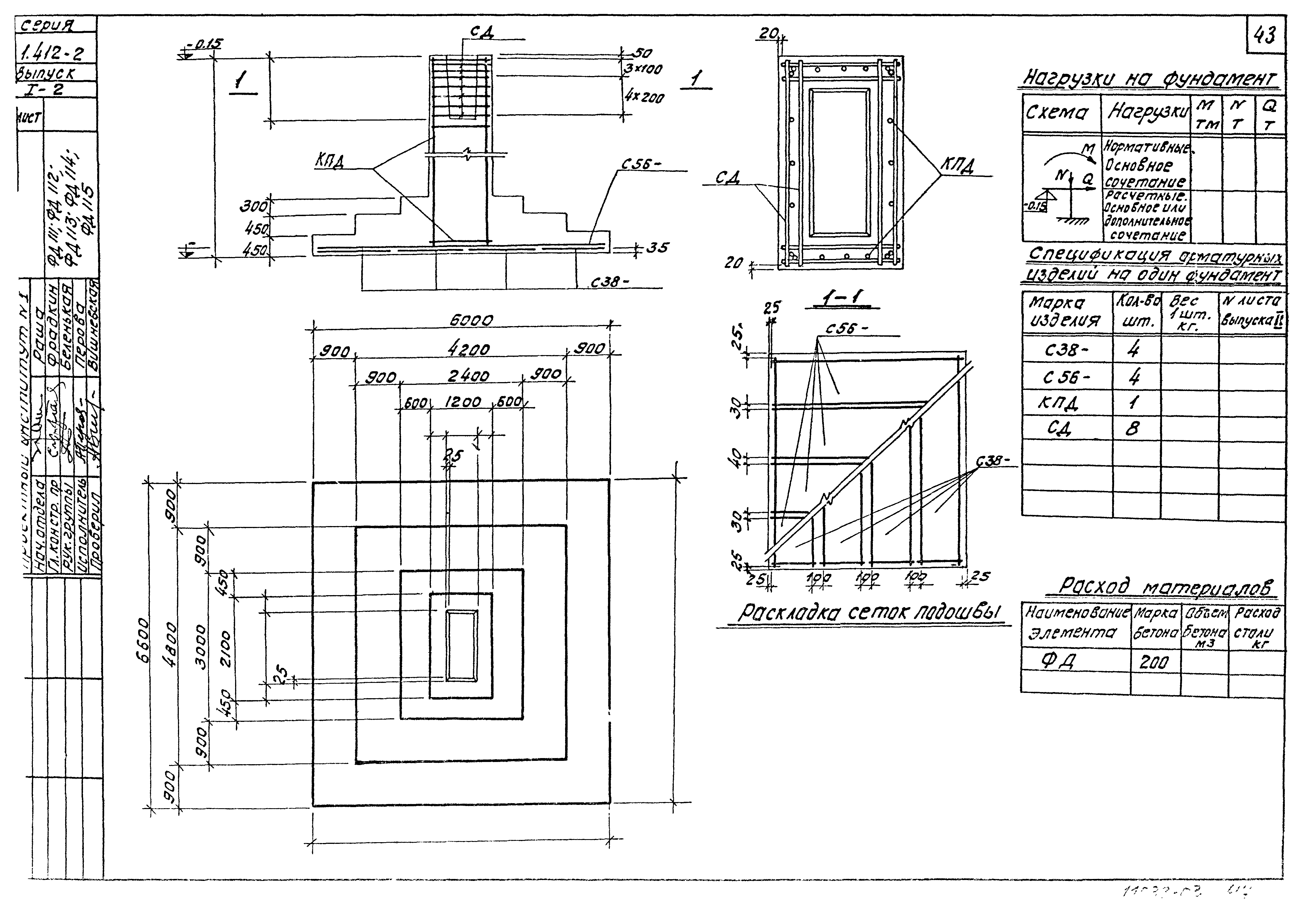
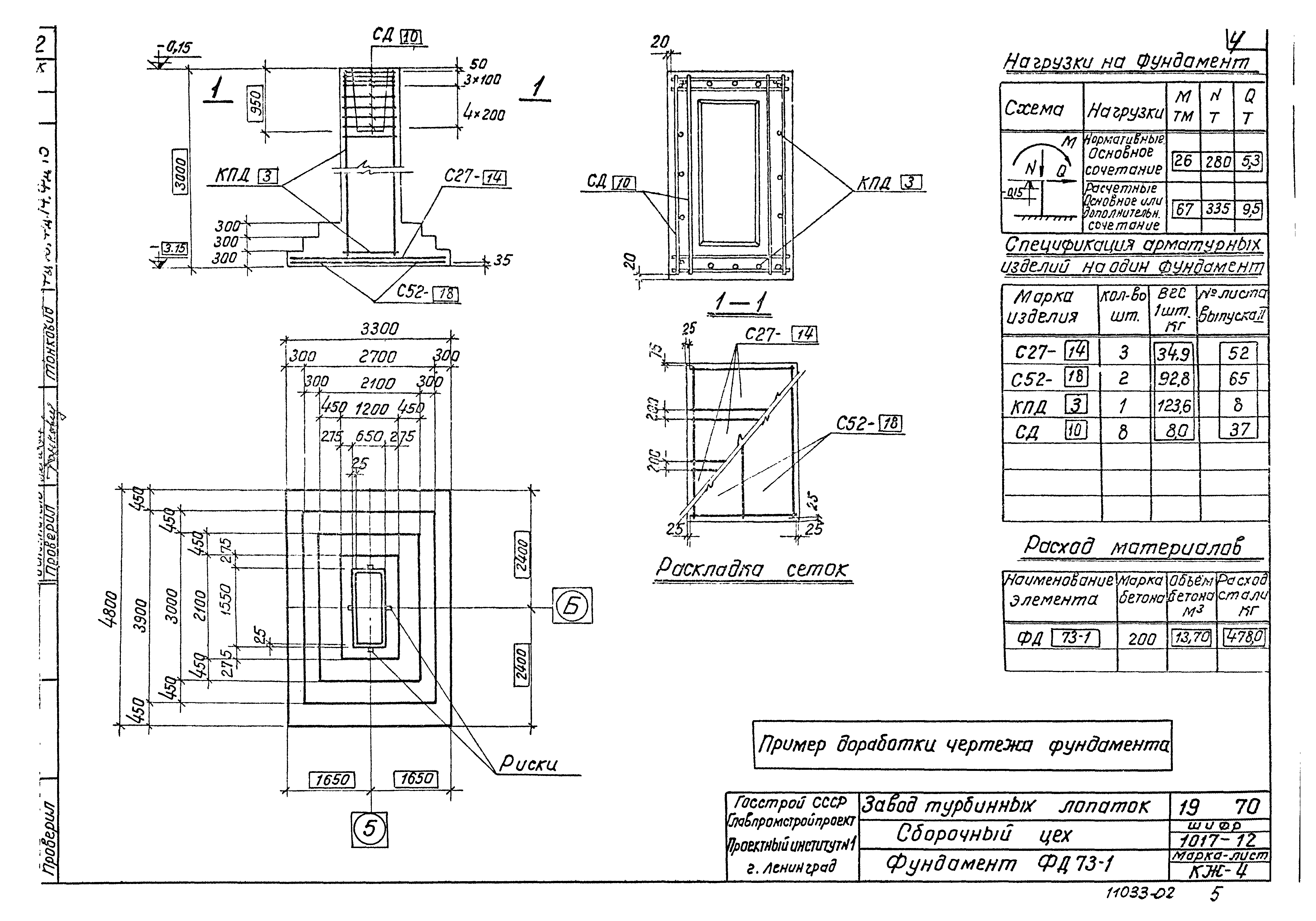
Область применения:Настоящий выпуск 1-2 содержит чертежи фундаментов, которые дорабатываются проектировщиком на основании данных, полученных при подборе фундамента по таблицам и графикам в выпуске 1-1. Там же приведены указания по доработке чертежей
Разработан: НИИЖБ
Проектный институт № 1 Госстроя СССР
Утверждён:10.08.1971 Госстрой СССР (Государственный комитет Совета Министров СССР по делам строительства) (USSR Gosstroy 134)
Чем заменён:
  • Серия 1.412-2/77
Нормативные ссылки:
Серия 1.412-2Серия 1.412-2Серия 1.412-2Серия 1.412-2Серия 1.412-2Серия 1.412-2Серия 1.412-2Серия 1.412-2Серия 1.412-2Серия 1.412-2Серия 1.412-2Серия 1.412-2Серия 1.412-2Серия 1.412-2Серия 1.412-2Серия 1.412-2Серия 1.412-2Серия 1.412-2Серия 1.412-2Серия 1.412-2Серия 1.412-2Серия 1.412-2Серия 1.412-2Серия 1.412-2Серия 1.412-2Серия 1.412-2Серия 1.412-2Серия 1.412-2Серия 1.412-2Серия 1.412-2Серия 1.412-2Серия 1.412-2Серия 1.412-2Серия 1.412-2Серия 1.412-2Серия 1.412-2Серия 1.412-2Серия 1.412-2Серия 1.412-2Серия 1.412-2Серия 1.412-2Серия 1.412-2Серия 1.412-2Серия 1.412-2Серия 1.412-2Серия 1.412-2Серия 1.412-2Серия 1.412-2Серия 1.412-2Серия 1.412-2Серия 1.412-2Серия 1.412-2Серия 1.412-2Серия 1.412-2Серия 1.412-2Серия 1.412-2Серия 1.412-2Серия 1.412-2Серия 1.412-2Серия 1.412-2Серия 1.412-2Серия 1.412-2Серия 1.412-2Серия 1.412-2Серия 1.412-2