Скачать Серия 1.412-2 Выпуск I-3. Материалы для проектирования. Указания по выбору фундаментов, располагаемых в температурных швахДата актуализации: 01.01.2021
|
| Обозначение: | Серия 1.412-2 |
| Обозначение англ: | Series 1.412-2 |
| Статус: | заменен |
| Название рус.: | Выпуск I-3. Материалы для проектирования. Указания по выбору фундаментов, располагаемых в температурных швах |
| Дата добавления в базу: | 01.09.2013 |
| Дата актуализации: | 01.01.2021 |
| Дата введения: | 01.10.1971 |
| Дата окончания срока действия: | 01.07.1978 |
| Область применения: | В выпусках 1-3 и 1-4 серии 1.412-2 разработаны материалы для проектирования, в выпуске III рабочие чертежи арматурных изделий типовых железобетонных монолитных фундаментов на естественном основании под двухветвевые колонны серий КЭ-01-52 и КЭ-01-56, располагаемые в поперечных температурных швах. Настоящая пояснительная записка является дополнением к пояснительной записке в выпуске 1-1 и содержит данные, относящиеся только к фундаментам под колонны температурных швов. Материалы общего характера и данные для проектирования фундаментов под рядовые колонны помещены в выпусках1-1, 1-2 и II настоящей серии |
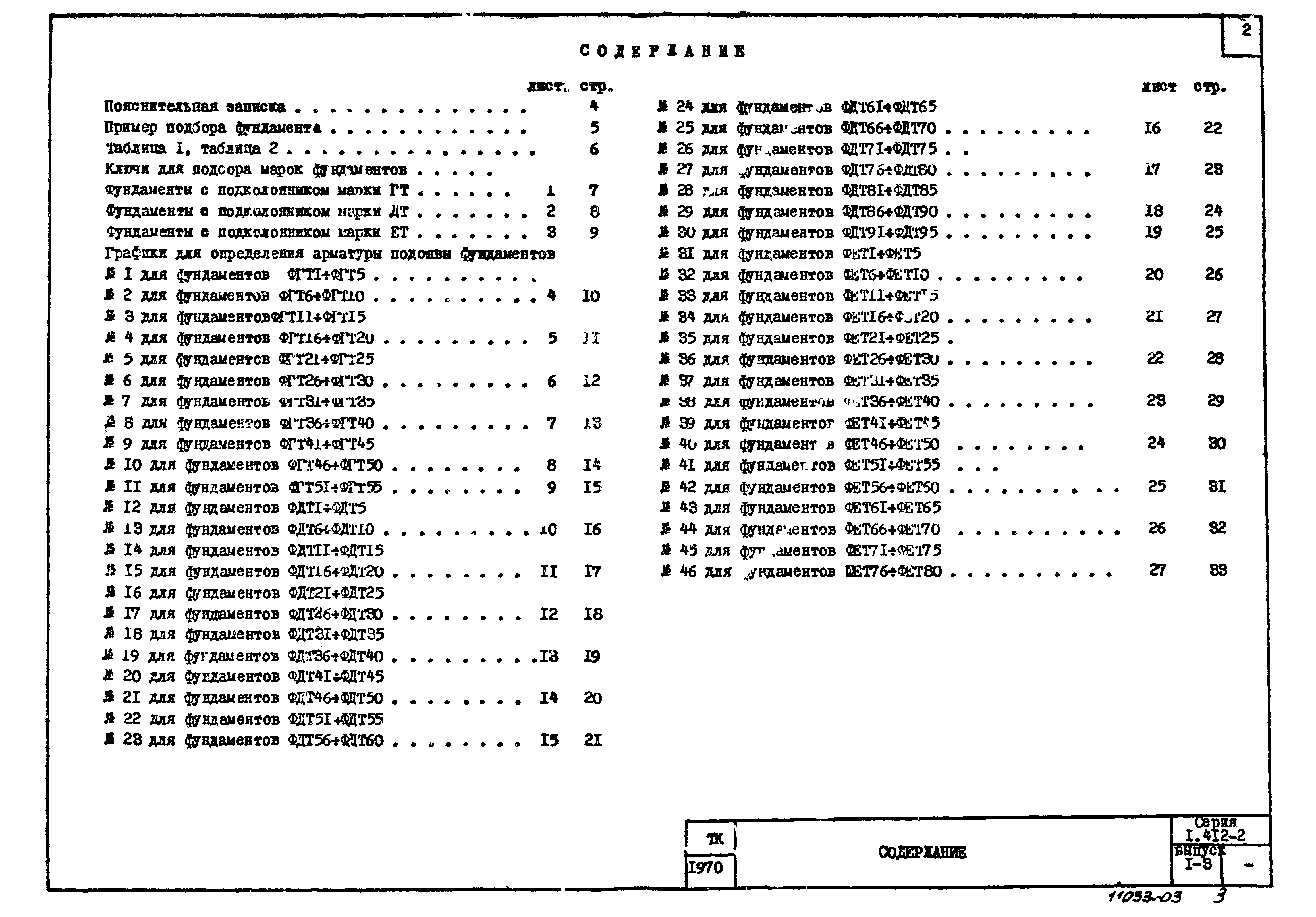
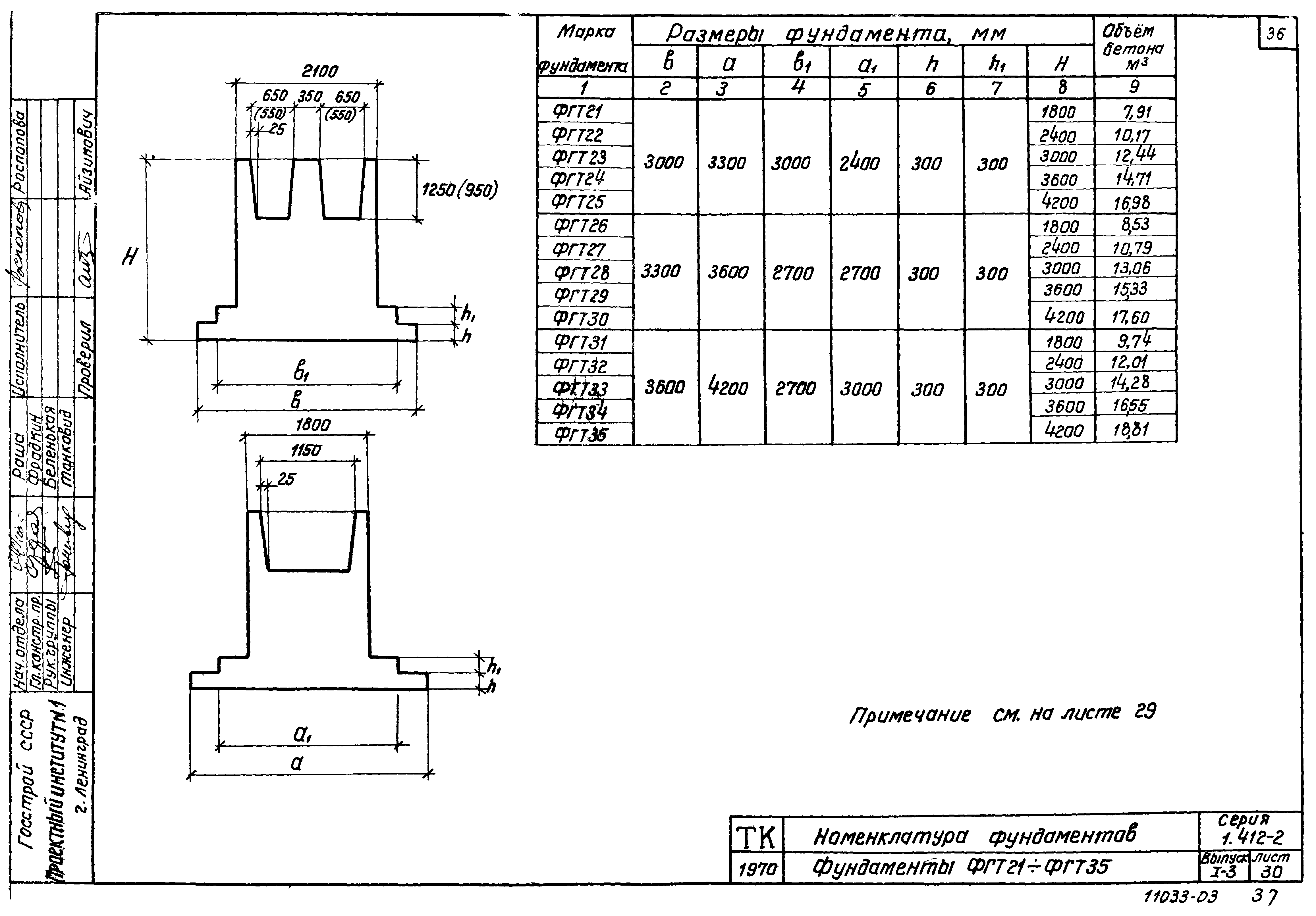
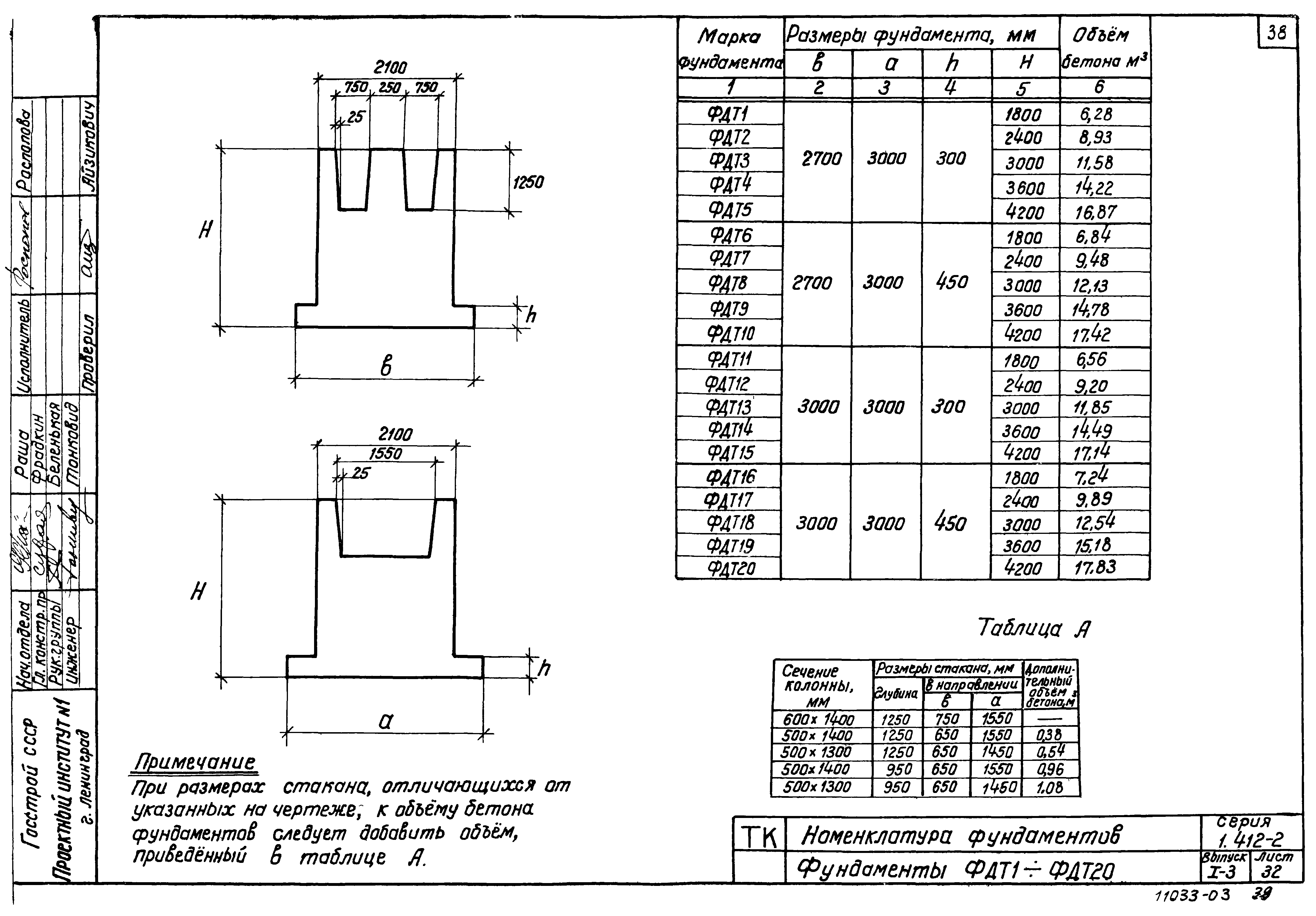
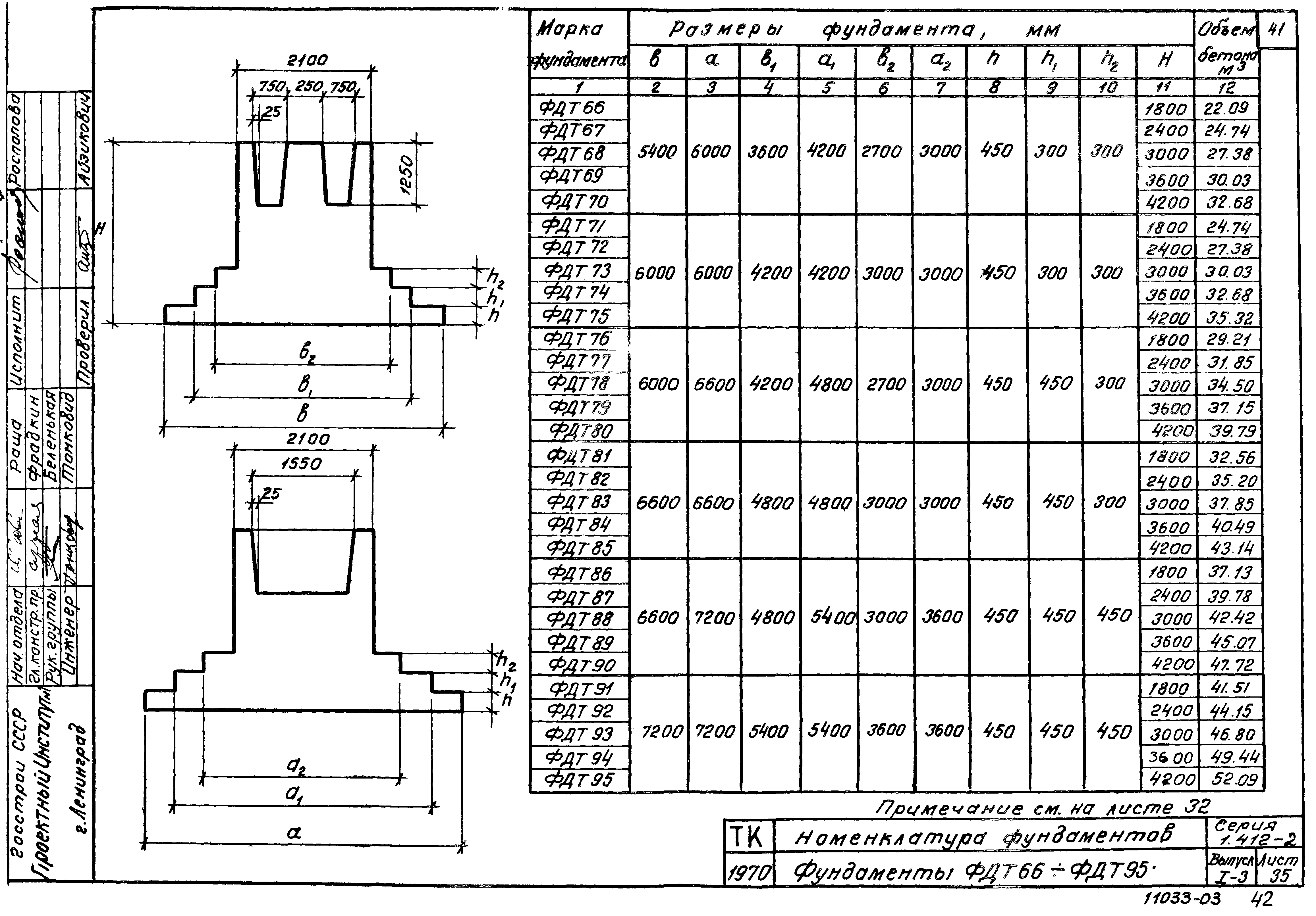
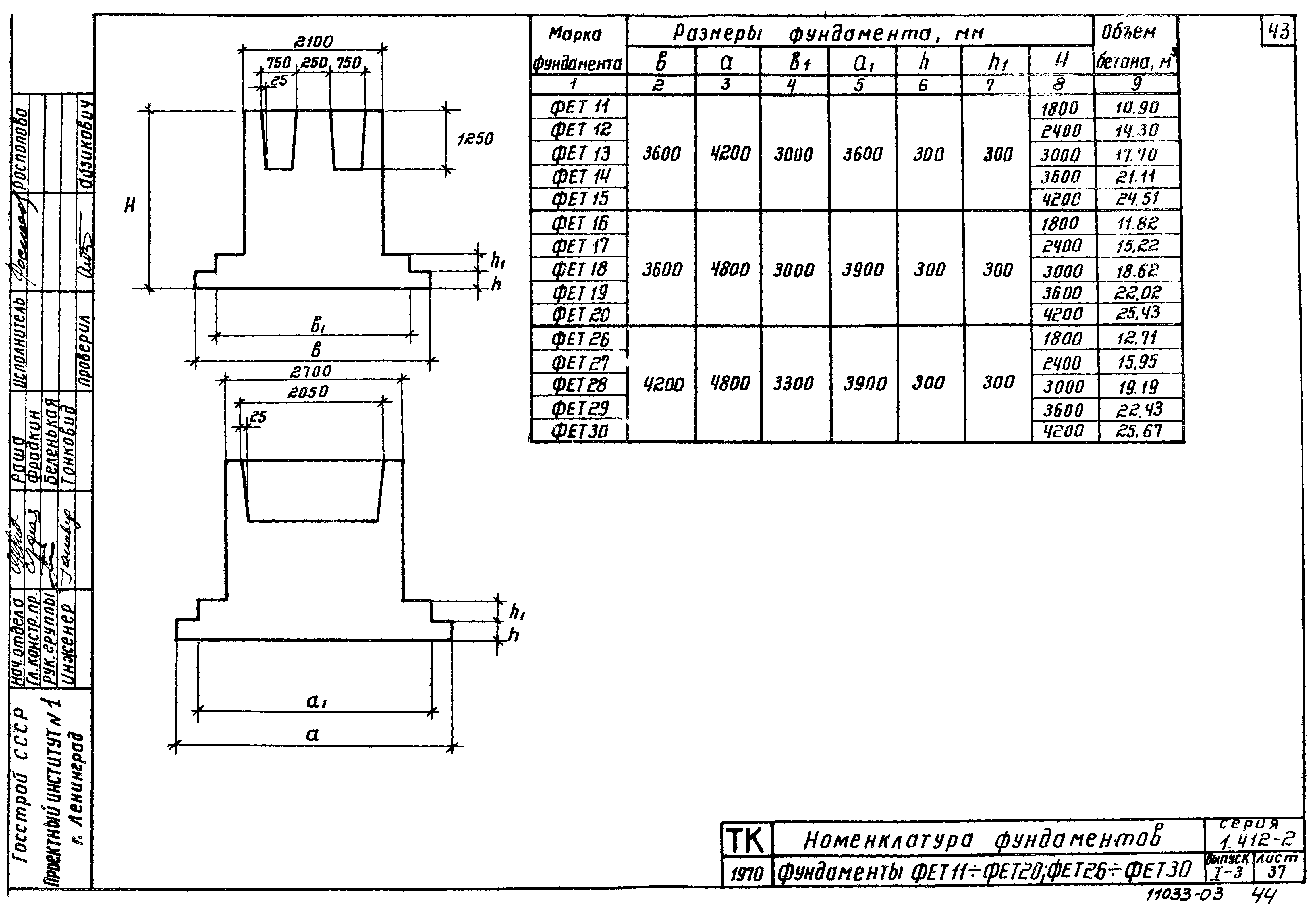
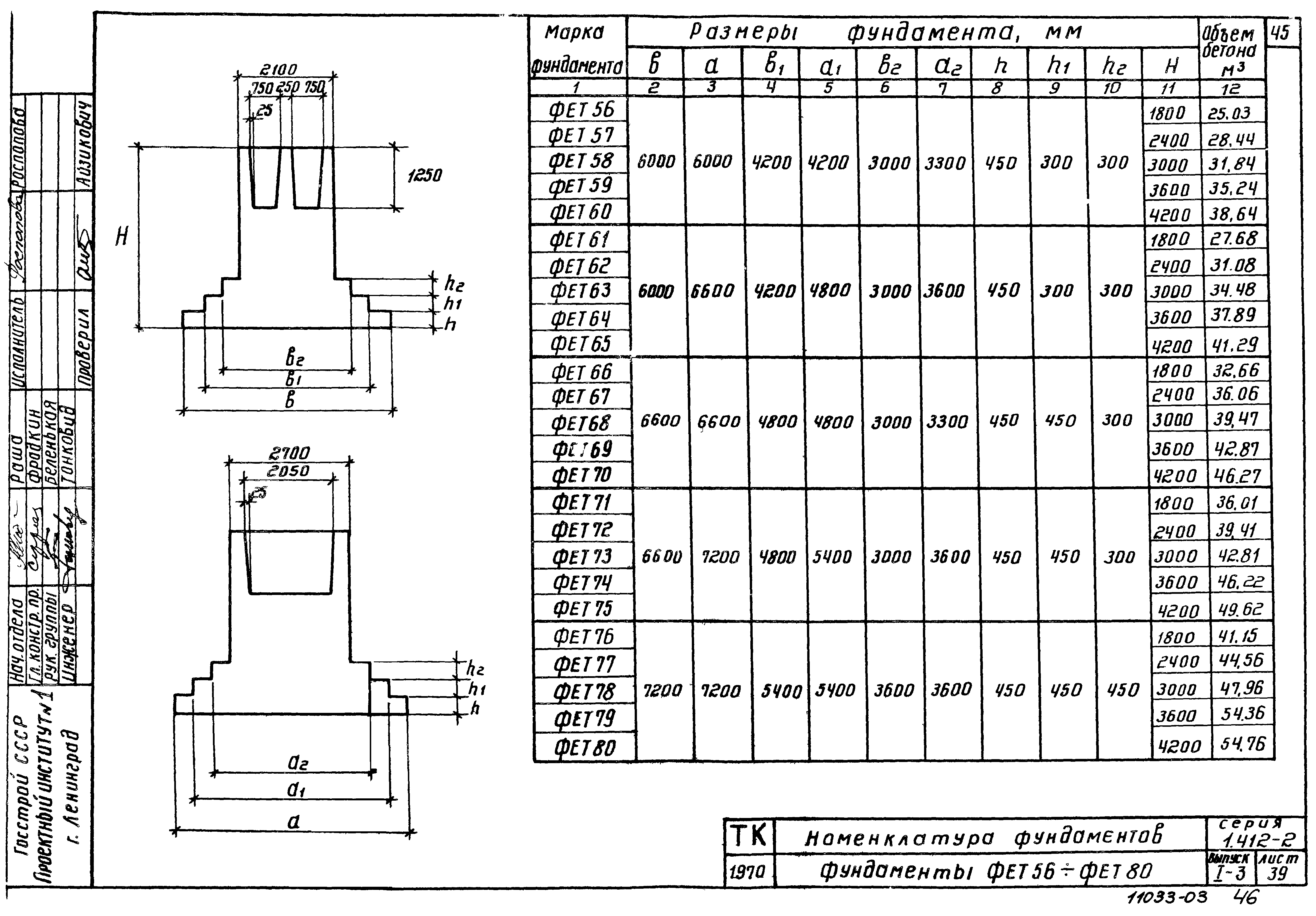
| Оглавление: | Пояснительная записка Пример подбора фундамента Таблица 1, таблица 2 Ключи для подбора марок фундаментов Фундаменты с подколонником марки ГТ Фундаменты с подколонником марки ДТ Фундаменты с подколонником марки ЕТ Графики для определения арматуры подошвы фундаментов № 1 для фундаментов ФГТ1-ФГТ5 № 2 для фундаментов ФГТ6-ФГТ10 № 3 для фундаментов ФГТ11-ФГТ15 № 4 для фундаментов ФГТ16-ФГТ20 № 5 для фундаментов ФГТ21-ФГТ25 № 6 для фундаментов ФГТ26-ФГТ30 № 7 для фундаментов ФГТ31-ФГТ35 № 8 для фундаментов ФГТ36-ФГТ40 № 9 для фундаментов ФГТ41-ФГТ45 № 10 для фундаментов ФГТ46-ФГТ50 № 11 для фундаментов ФГТ51-ФГТ55 № 12 для фундаментов ФДТ1-ФДТ5 № 13 для фундаментов ФДТ6-ФДТ10 № 14 для фундаментов ФДТ11-ФДТ15 № 15 для фундаментов ФДТ16-ФДТ20 № 16 для фундаментов ФДТ21-ФДТ25 № 17 для фундаментов ФДТ26-ФДТ30 № 18 для фундаментов ФДТ31-ФДТ35 № 19 для фундаментов ФДТ36-ФДТ40 № 20 для фундаментов ФДТ41-ФДТ45 № 21 для фундаментов ФДТ46-ФДТ50 № 22 для фундаментов ФДТ51-ФДТ55 № 23 для фундаментов ФДТ56-ФДТ60 № 24 для фундаментов ФДТ61-ФДТ65 № 25 для фундаментов ФДТ66-ФДТ70 № 26 для фундаментов ФДТ71-ФДТ75 № 27 для фундаментов ФДТ76-ФДТ80 № 28 для фундаментов ФДТ81-ФДТ85 № 29 для фундаментов ФДТ86-ФДТ90 № 30 для фундаментов ФДТ91-ФДТ95 № 31 для фундаментов ФЕТ1-ФЕТ5 № 32 для фундаментов ФЕТ6-ФЕТ10 № 33 для фундаментов ФЕТ11-ФЕТ15 № 34 для фундаментов ФЕТ16-ФЕТ20 № 35 для фундаментов ФЕТ21-ФЕТ25 № 36 для фундаментов ФЕТ26-ФЕТ30 № 37 для фундаментов ФЕТ31-ФЕТ35 № 38 для фундаментов ФЕТ36-ФЕТ40 № 39 для фундаментов ФЕТ41-ФЕТ45 № 40 для фундаментов ФЕТ46-ФЕТ50 № 41 для фундаментов ФЕТ51-ФЕТ55 № 42 для фундаментов ФЕТ56-ФЕТ60 № 43 для фундаментов ФЕТ61-ФЕТ65 № 44 для фундаментов ФЕТ66-ФЕТ70 № 45 для фундаментов ФЕТ71-ФЕТ75 № 46 для фундаментов ФЕТ76-ФЕТ80 Армирование подколонников Таблицы 3 и 4 Номенклатура фундаментов Фундаменты ФГТ1-ФГТ20 Фундаменты ФГТ21-ФГТ35 Фундаменты ФГТ36-ФГТ55 Фундаменты ФДТ1-ФДТ20 Фундаменты ФДТ21-ФДТ35 Фундаменты ФДТ36-ФДТ65 Фундаменты ФДТ66-ФДТ95 Фундаменты ФЕТ1-ФЕТ10 Фундаменты ФЕТ11-ФЕТ20;ФЕТ26-ФЕТ30 Фундаменты ФЕТ21-ФЕТ25;ФЕТ31-ФЕТ55 Фундаменты ФЕТ56-ФЕТ80 Схемы расположения сеток подошв фундамента Подошвы размером с 2,7x3,0 по 4,8x5,4 Подошвы размером с 5,4x5,4 по 7,2х7,2 Пример доработка чертежа фундамента |
| Разработан: | НИИЖБ Проектный институт № 1 Госстроя СССР |
| Утверждён: | 10.08.1971 Госстрой СССР (Государственный комитет Совета Министров СССР по делам строительства) (USSR Gosstroy 134) |
| Чем заменён: |
|
| Нормативные ссылки: |

















































