Скачать Серия 3.004-8 Выпуск 67. Фундамент под оппозитный компрессор марки ДАО-275П или ДАОН-175П с электродвигателем СДКП2 или СДКМ2 ПО Пензокомпрессормаш при установке компрессора на отметке 3,600 и 4,800. Рабочие чертежиДата актуализации: 01.01.2021
|
| Обозначение: | Серия 3.004-8 |
| Обозначение англ: | Series 3.004-8 |
| Статус: | не действует |
| Название рус.: | Выпуск 67. Фундамент под оппозитный компрессор марки ДАО-275П или ДАОН-175П с электродвигателем СДКП2 или СДКМ2 ПО "Пензокомпрессормаш" при установке компрессора на отметке 3,600 и 4,800. Рабочие чертежи |
| Дата добавления в базу: | 01.09.2013 |
| Дата актуализации: | 01.01.2021 |
| Дата введения: | 01.06.1979 |
| Дата окончания срока действия: | 01.09.1988 |
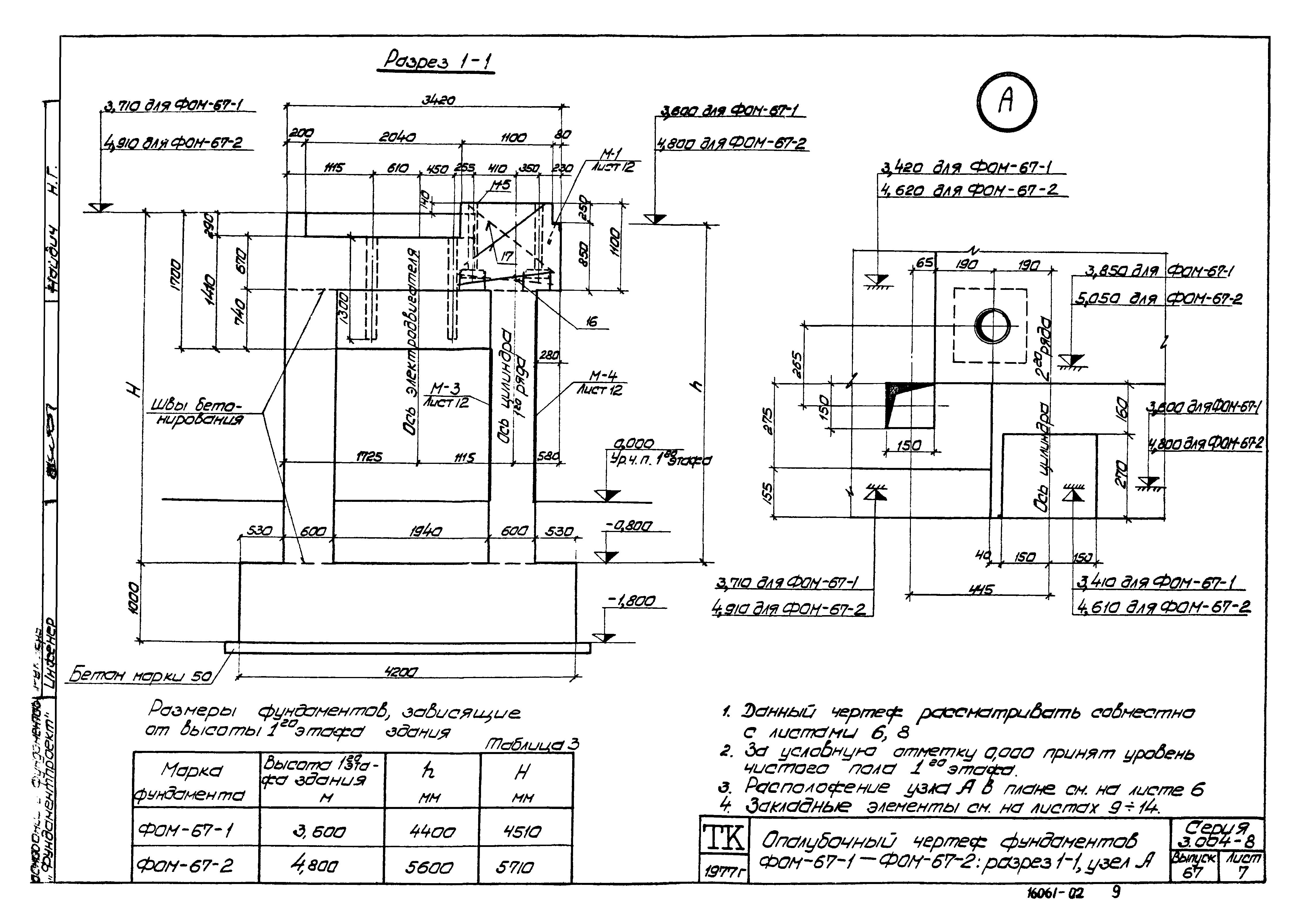
| Оглавление: | Ведомость чертежей выпуска Пояснительная записка к проекту фундаментов ФОМ-67-1-ФОМ-67-2 Опалубочный чертеж фундаментов ФОМ-67-1-ФОМ-67-2. План Опалубочный чертеж фундаментов ФОМ-67-1-ФОМ-67-2. Разрез 1-1. Узел А Опалубочный чертеж фундаментов ФОМ-67-1-ФОМ-67-2. Разрезы 2-2 и 3-3 Закладные изделия в фундаментах ФОМ-67-1-ФОМ-67-2. План расположения закладных изделий М-1,М-2 и М-5 Закладные изделия в фундаментах ФОМ-67-1-ФОМ-67-2. Сечения с а-а по в-в, схемы размещения и заделки свай Закладные изделия в фундаментах ФОМ-67-1-ФОМ-67-2. Установка марок М-3 и М-4 Закладные изделия в фундаментах ФОМ-67-1-ФОМ-67-2. Марки С М-1 по М-4 Закладные изделия в фундаментах ФОМ-67-1-ФОМ-67-2. Марка М-5 Закладные изделия в фундаментах ФОМ-67-1-ФОМ-67-2. Спецификация и выборка стали Арматурный чертеж фундаментов ФОМ-67-1-ФОМ-67-2. План расположения вертикальных сеток Арматурный чертеж фундаментов ФОМ-67-1-ФОМ-67-2. Монтажные схемы сеток. Разрезы 1-1 и 2-2 Арматурный чертеж фундаментов ФОМ-67-1-ФОМ-67-2. Разрез 3-3, узел "Б" Арматурный чертеж фундаментов ФОМ-67-1-ФОМ-67-2. План расположения стяжек, план на отм. 2.150 и 3.350, сечения 7-7 и 8-8 Арматурный чертеж фундаментов ФОМ-67-1-ФОМ-67-2. Сетки с С1 по С6 Арматурный чертеж фундаментов ФОМ-67-1-ФОМ-67-2. Сетки с С7 по С11 Арматурный чертеж фундаментов ФОМ-67-1-ФОМ-67-2. Сетки С12 и С13, сводная ведомость сеток и отдельных стержней Арматурный чертеж фундамента ФОМ-67-1. Спецификация Арматурный чертеж фундамента ФОМ-67-1. Спецификация и выборка стали Арматурный чертеж фундамента ФОМ-67-2. Спецификация Арматурный чертеж фундамента ФОМ-67-2. Спецификация и выборка стали Содержание серии |
| Разработан: | Фундаментпроект |
| Утверждён: | 06.03.1979 Госстрой СССР (Государственный комитет Совета Министров СССР по делам строительства) (USSR Gosstroy 23) |
| Чем заменён: |
|
































