Скачать Серия 3.015-1/77 Выпуск I. Материалы для проектированияДата актуализации: 01.01.2021
|
| Обозначение: | Серия 3.015-1/77 |
| Обозначение англ: | Series 3.015-1/77 |
| Статус: | не действует |
| Название рус.: | Выпуск I. Материалы для проектирования |
| Дата добавления в базу: | 01.09.2013 |
| Дата актуализации: | 01.01.2021 |
| Дата введения: | 01.07.1979 |
| Дата окончания срока действия: | 01.10.1985 |
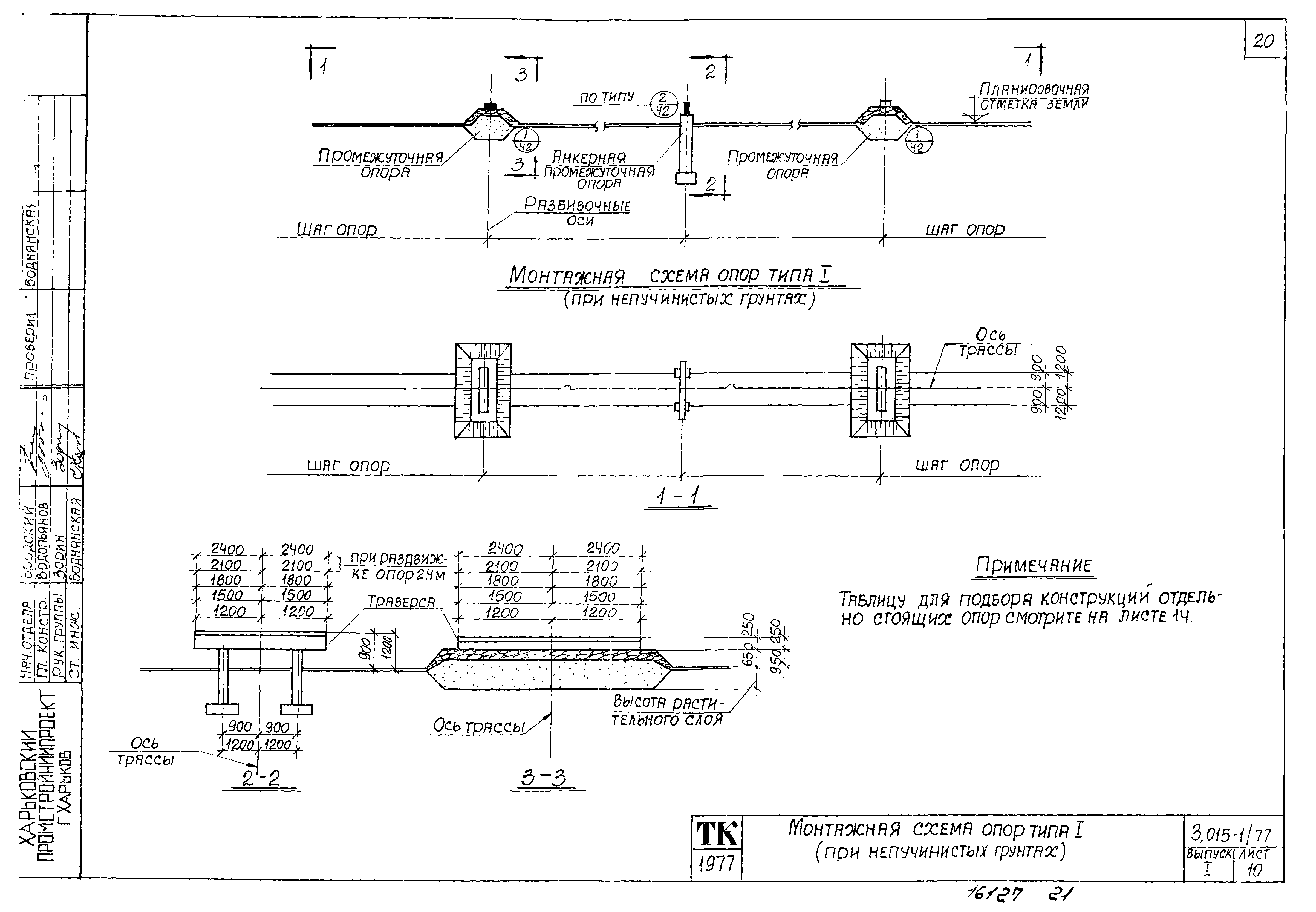
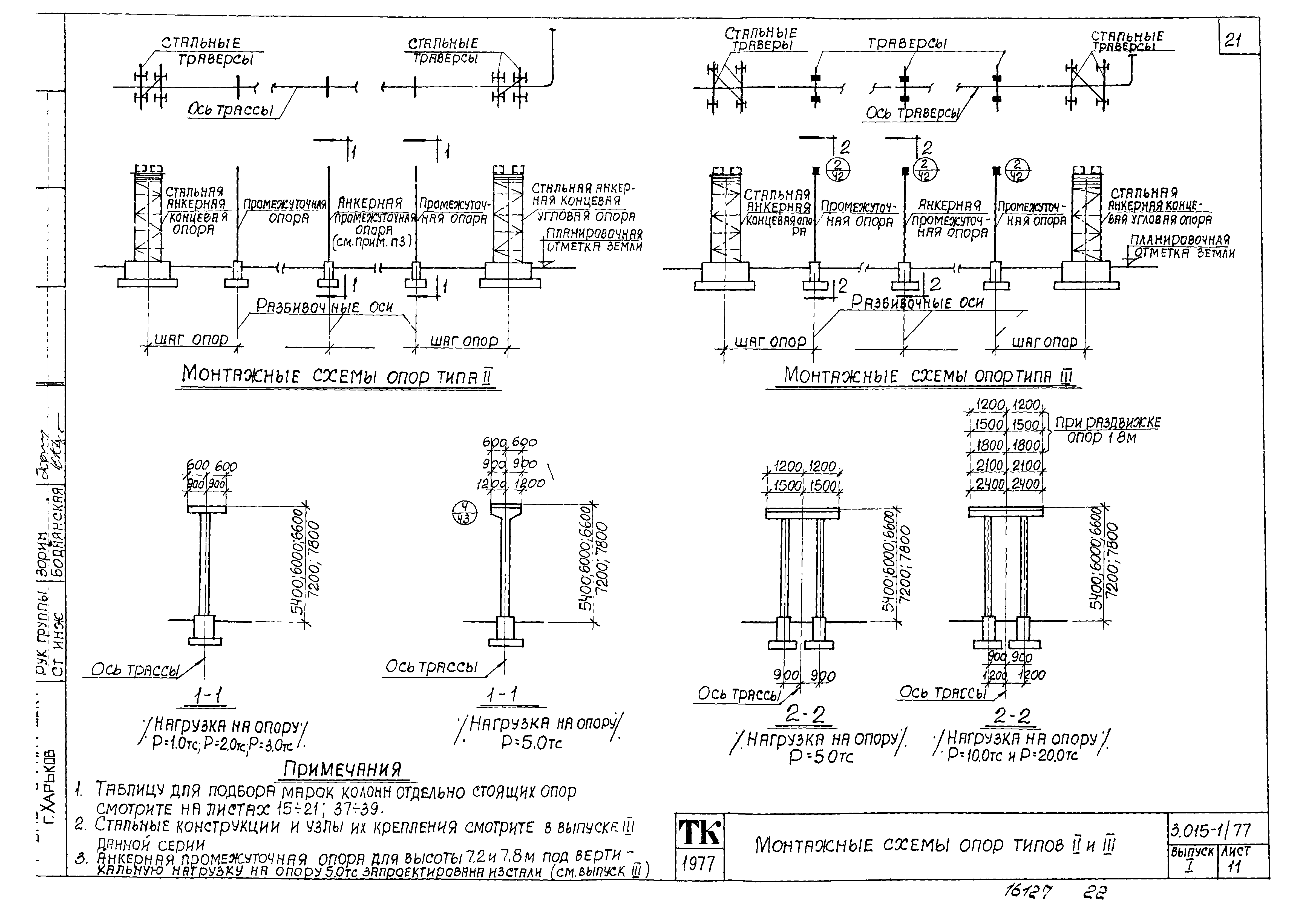
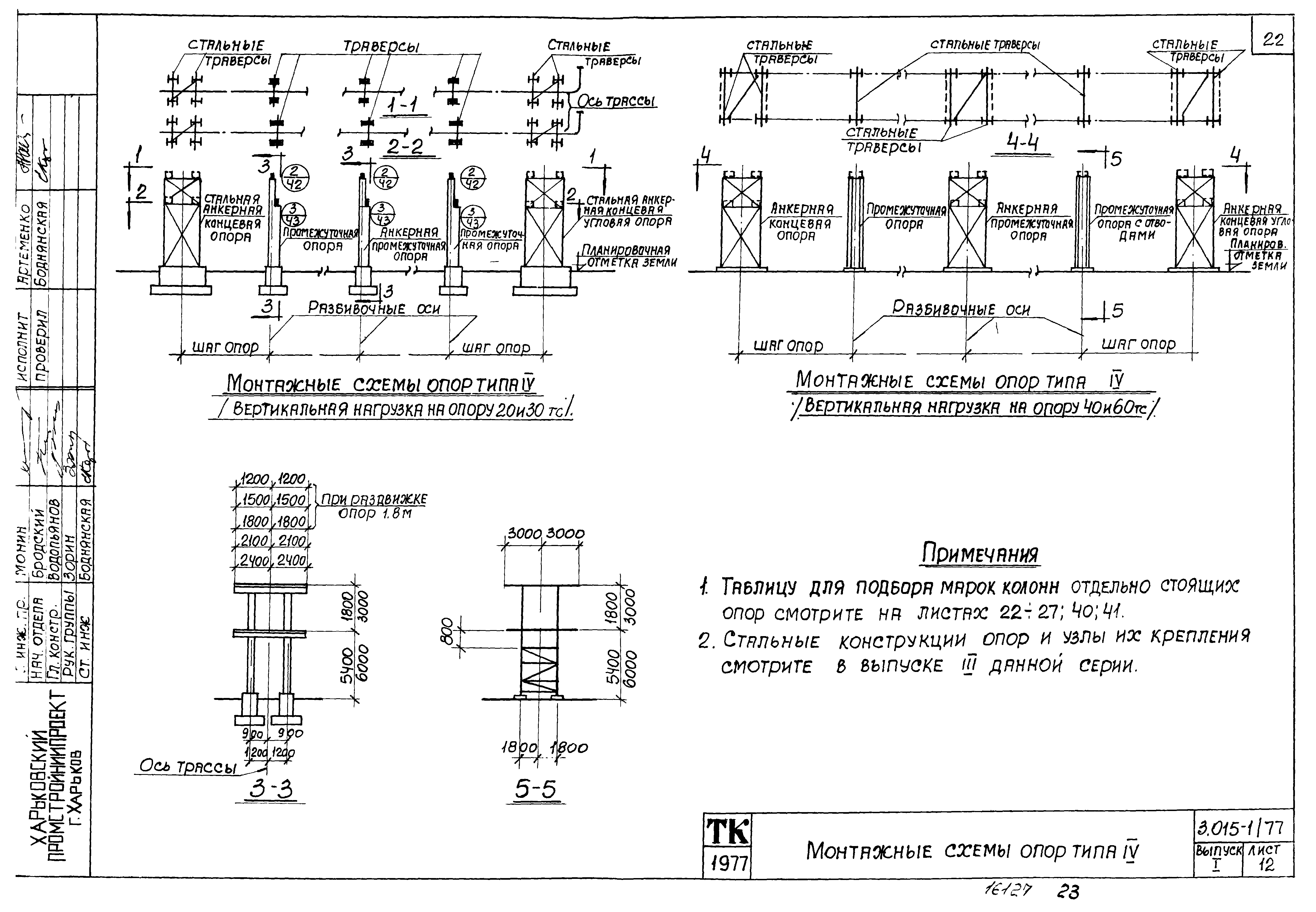
| Оглавление: | Содержание Пояснительная записка Габаритные схемы и вертикальные нагрузки на опоры Номенклатура железобетонных конструкций Показатели расхода материалов на одну стальную опору, траверсу, базу Монтажная схема опор типа 1 Монтажная схема опор типа 1 (при непучинистых грунтах) Монтажная схема опор типов 2 и 3 Монтажная схема опор типа 4 Монтажная схема опор типов 5 и 6 Таблица подбора траверс отдельно стоящих опор типа 1 (при непучинистых и пучинистых грунтах) Таблица подбора колонн и траверс отдельно стоящих опор типа 2 Таблица подбора колонн и траверс отдельно стоящих опор типа 3 Таблица подбора колонн и траверс отдельно стоящих опор типа 4 Таблица подбора стоек и траверс отдельно стоящих опор типа 5 Таблица подбора стоек и траверс отдельно стоящих опор типа 6 Таблица подбора марок стальных опор, траверс и баз опор типа 2,5 Таблица подбора марок стальных опор, траверс и баз опор типа 3,5 Таблица подбора марок стальных опор, траверс и баз опор типа 4,6 Таблица подбора марок стальных опор, траверс и баз опор типа 4 Опоры типов 1,3 и 4. Детали 1 и 2 Опоры типов 2,4,5,6. Детали 3,4 и 5 Таблица нагрузок на фундаменты опор типа 2 Таблица нагрузок на фундаменты опор типа 3 Таблица нагрузок на фундаменты опор типа 4 Таблица нагрузок на фундаменты центрифугированных опор типа 5 Таблица нагрузок на фундаменты центрифугированных опор типа 6 Таблица нагрузок на фундаменты опор марок ОП1-ОП32;ОП48-ОП55 Таблица нагрузок на фундаменты опор марок ОП56;ОП67-ОП76;ОП92-ОП101;ОП117-ОП126;ОП142-ОП150 Таблица нагрузок на фундаменты опор марок ОП151;ОА156-ОП159;ОП164-ОП167;ОП172-ОП175;ОП210-ОП213;ОП180-ОП183;ОП190-ОП193;ОП200-ОП203;ОП218-ОП229 Таблица нагрузок на фундаменты опор марок ОП230-ОП257 Приложение к выпуску 1 серии 3.015-1/77 Габаритные схемы и вертикальные нагрузки на опоры Показатели расхода материалов на одну стальную опору, траверсу, базу Монтажные схемы опор типов 3 и 4 Таблица подбора марок стальных опор, траверс и баз опор типа 3 Таблица подбора марок стальных опор, траверс и баз опор типа 4 Таблица нагрузок на фундаменты опор марок ОП33-ОП72 Таблица нагрузок на фундаменты опор марок ОП73-ОП112 Таблица нагрузок на фундаменты опор марок ОП113-ОП151 Таблица нагрузок на фундаменты опор марок ОП152-ОП191 Таблица нагрузок на фундаменты опор марок ОП192-ОП221 |
| Разработан: | Харьковский Промстройниипроект ЦНИИпроектстальконструкция НИИЖБ Проектный институт № 1 Госстроя СССР БПИ Минвуза БССР |
| Утверждён: | 30.03.1979 Госстрой СССР (Государственный комитет Совета Министров СССР по делам строительства) (USSR Gosstroy 44) |
| Чем заменён: |


















































































