Скачать Серия 3.904-11 Выпуск 2. Альбом 13. Унифицированные узлы приточных вентиляционных камер. Рабочие чертежиДата актуализации: 01.01.2021
|
| Обозначение: | Серия 3.904-11 |
| Обозначение англ: | Series 3.904-11 |
| Статус: | не действует |
| Название рус.: | Выпуск 2. Альбом 13. Унифицированные узлы приточных вентиляционных камер. Рабочие чертежи |
| Дата добавления в базу: | 01.09.2013 |
| Дата актуализации: | 01.01.2021 |
| Дата введения: | 12.12.1968 |
| Дата окончания срока действия: | 01.02.1975 |
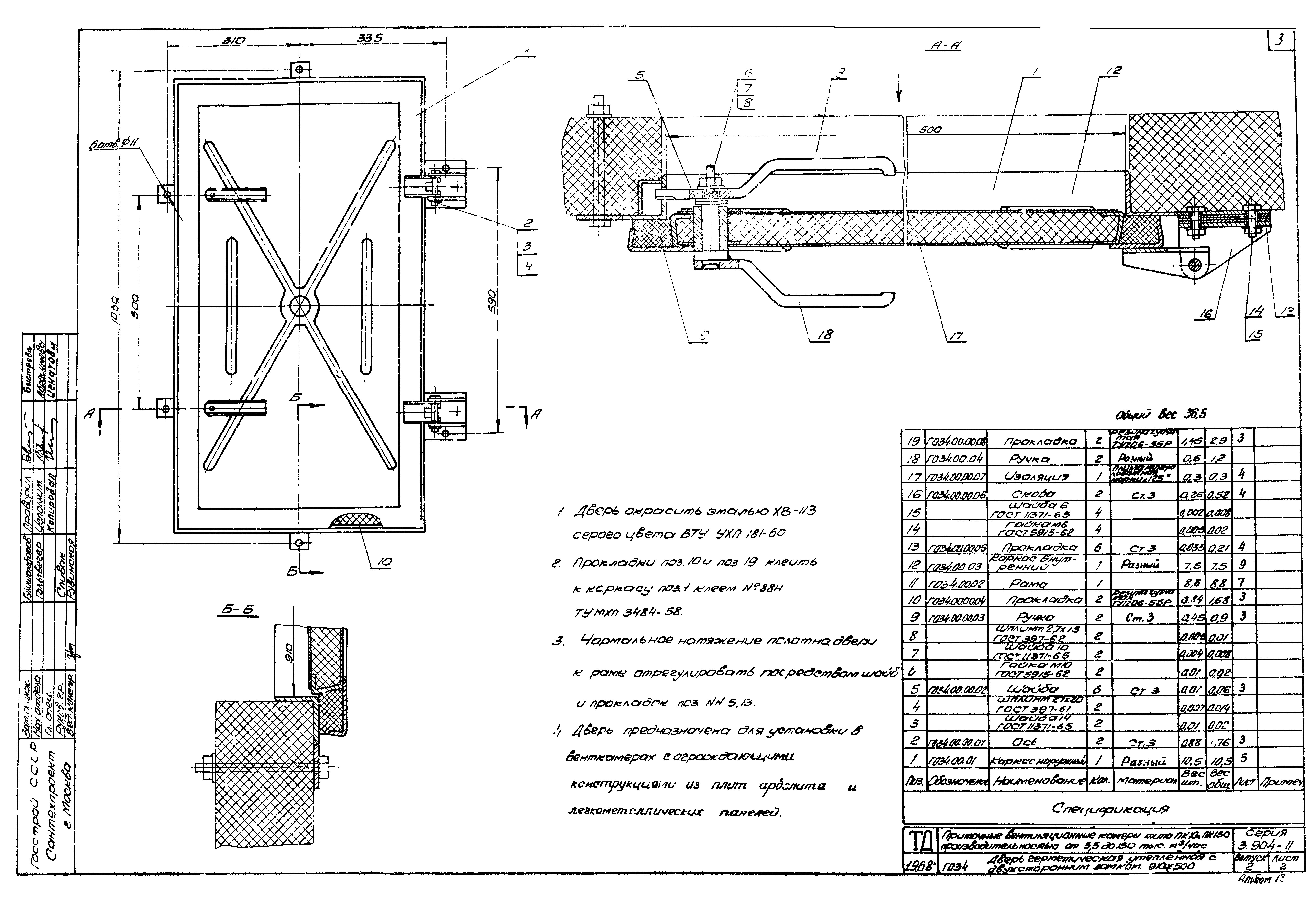
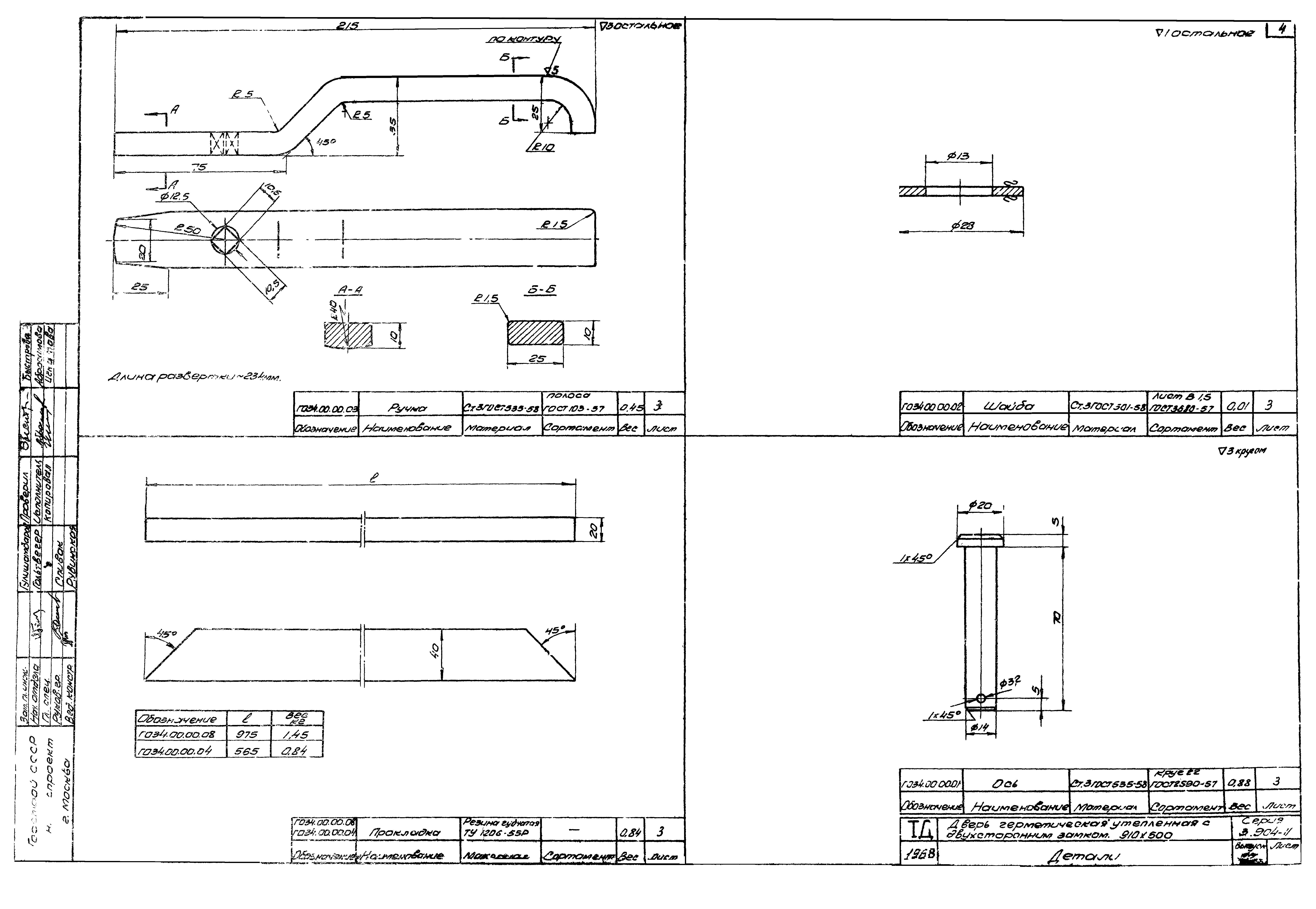
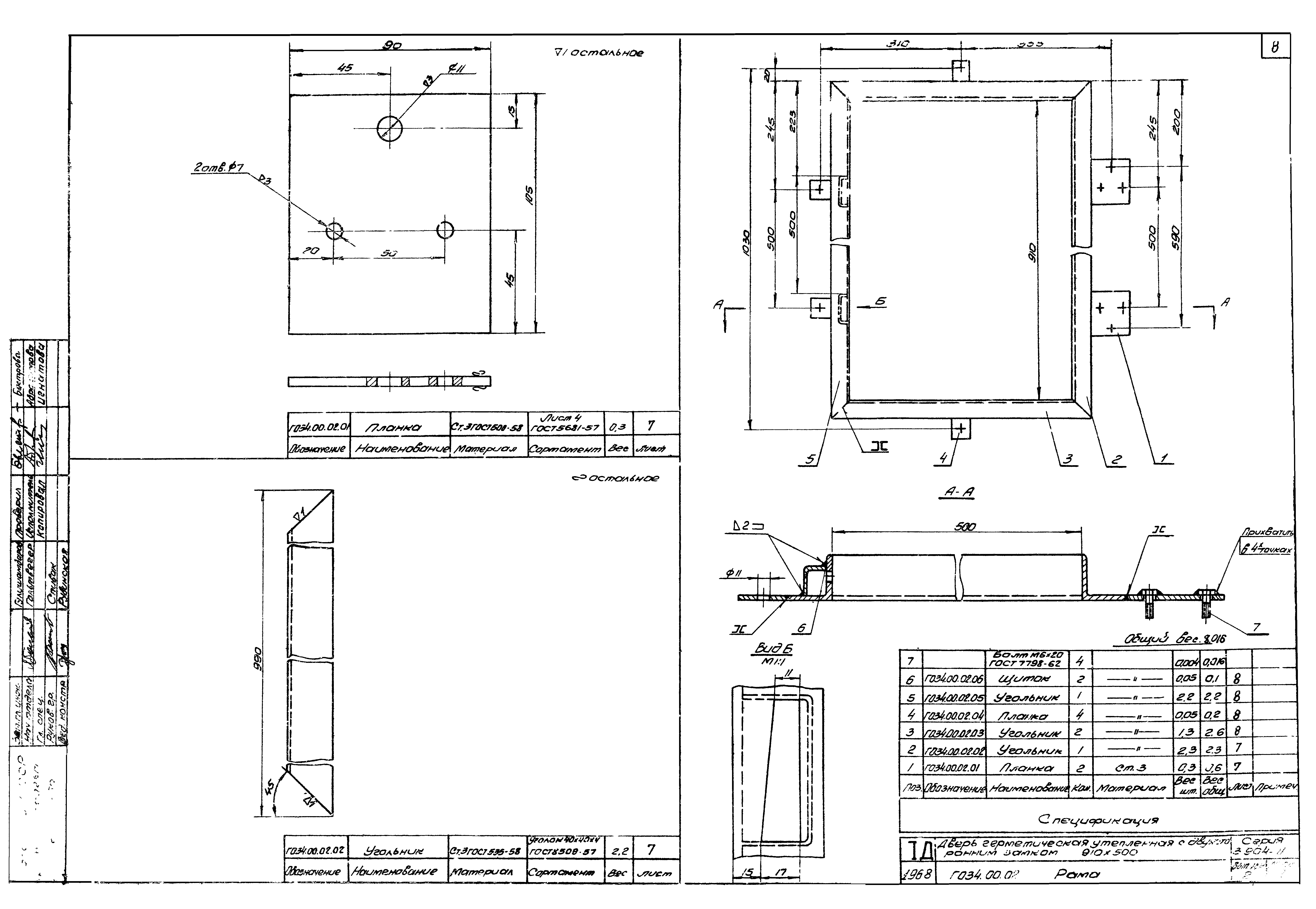
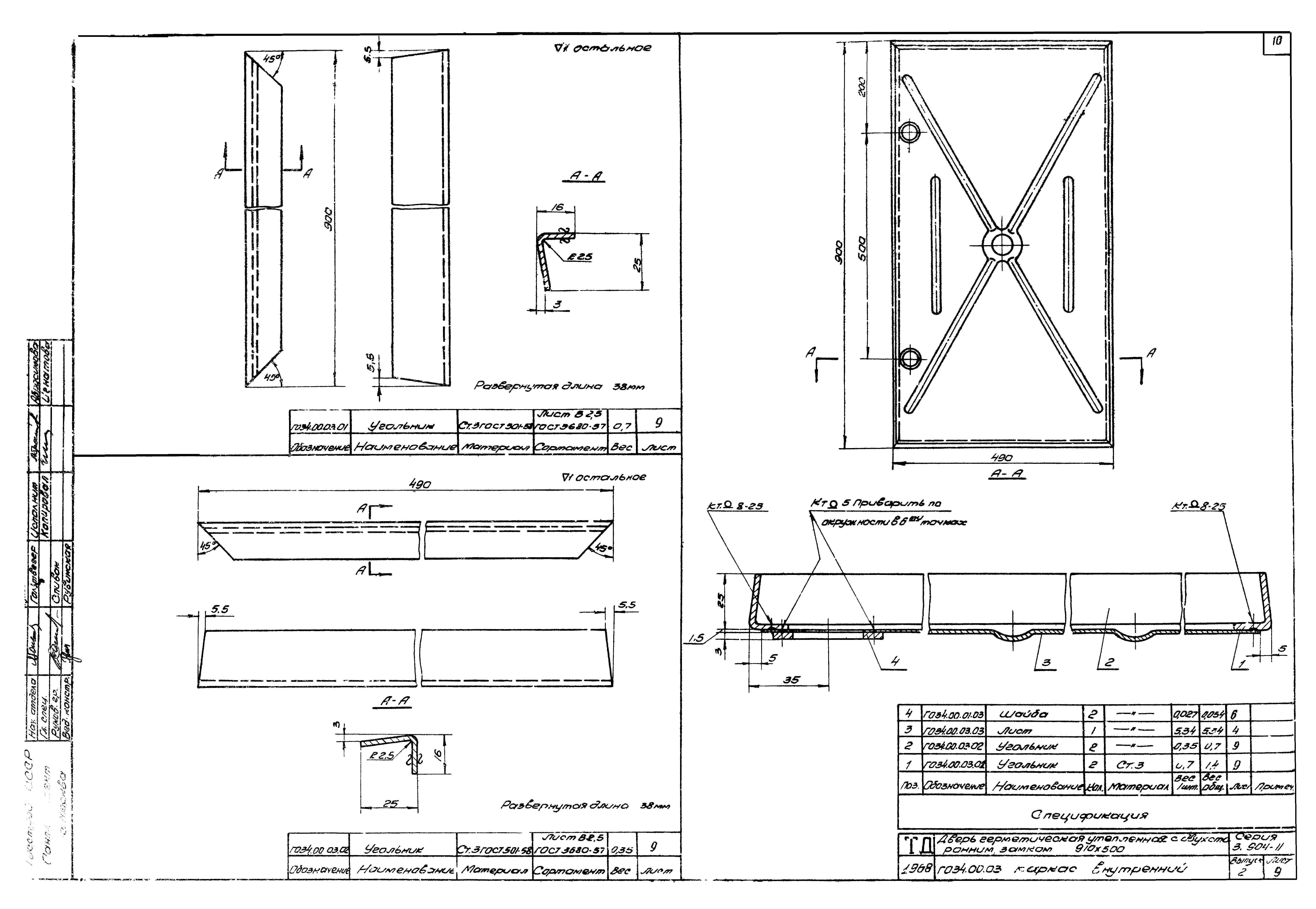
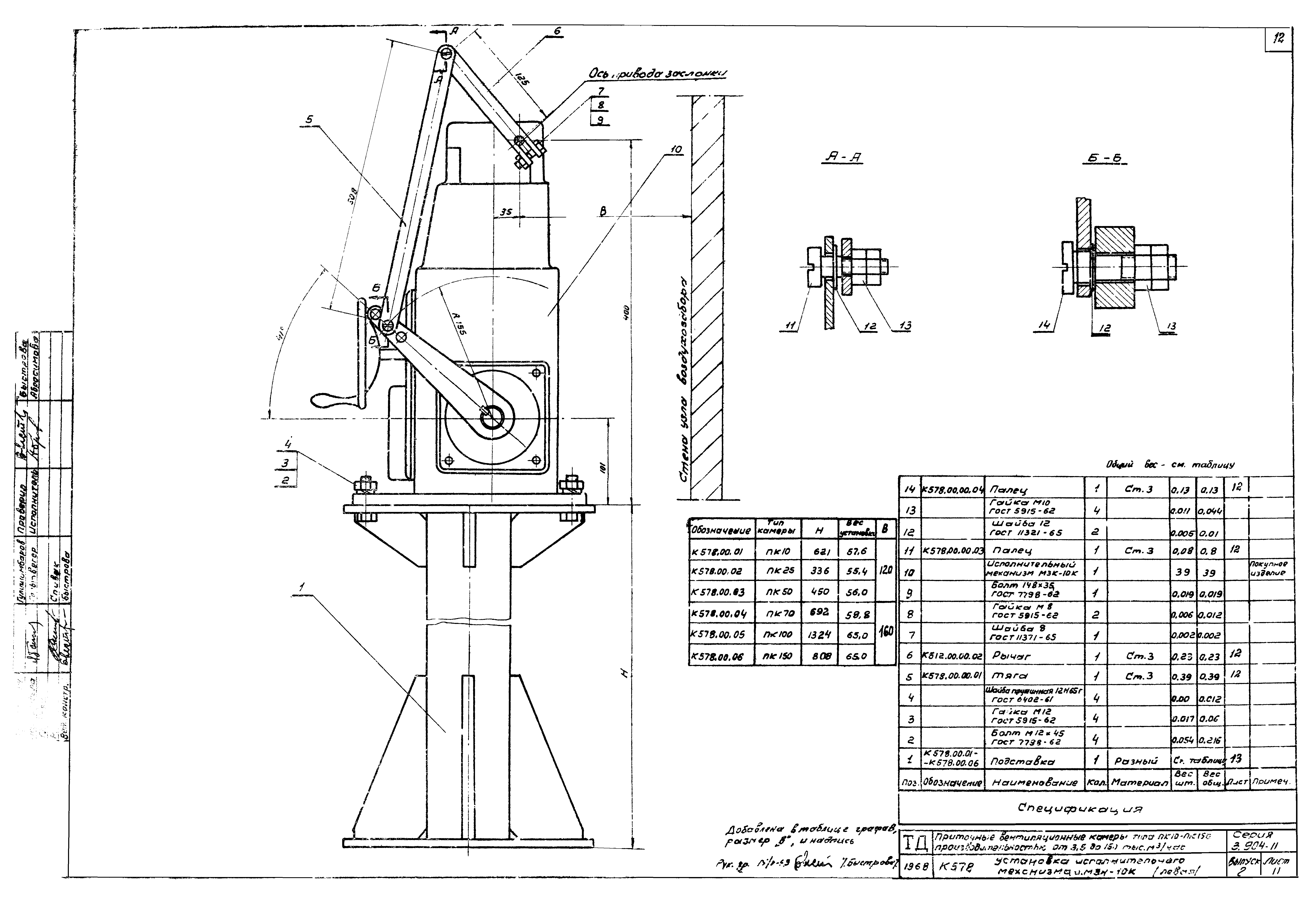
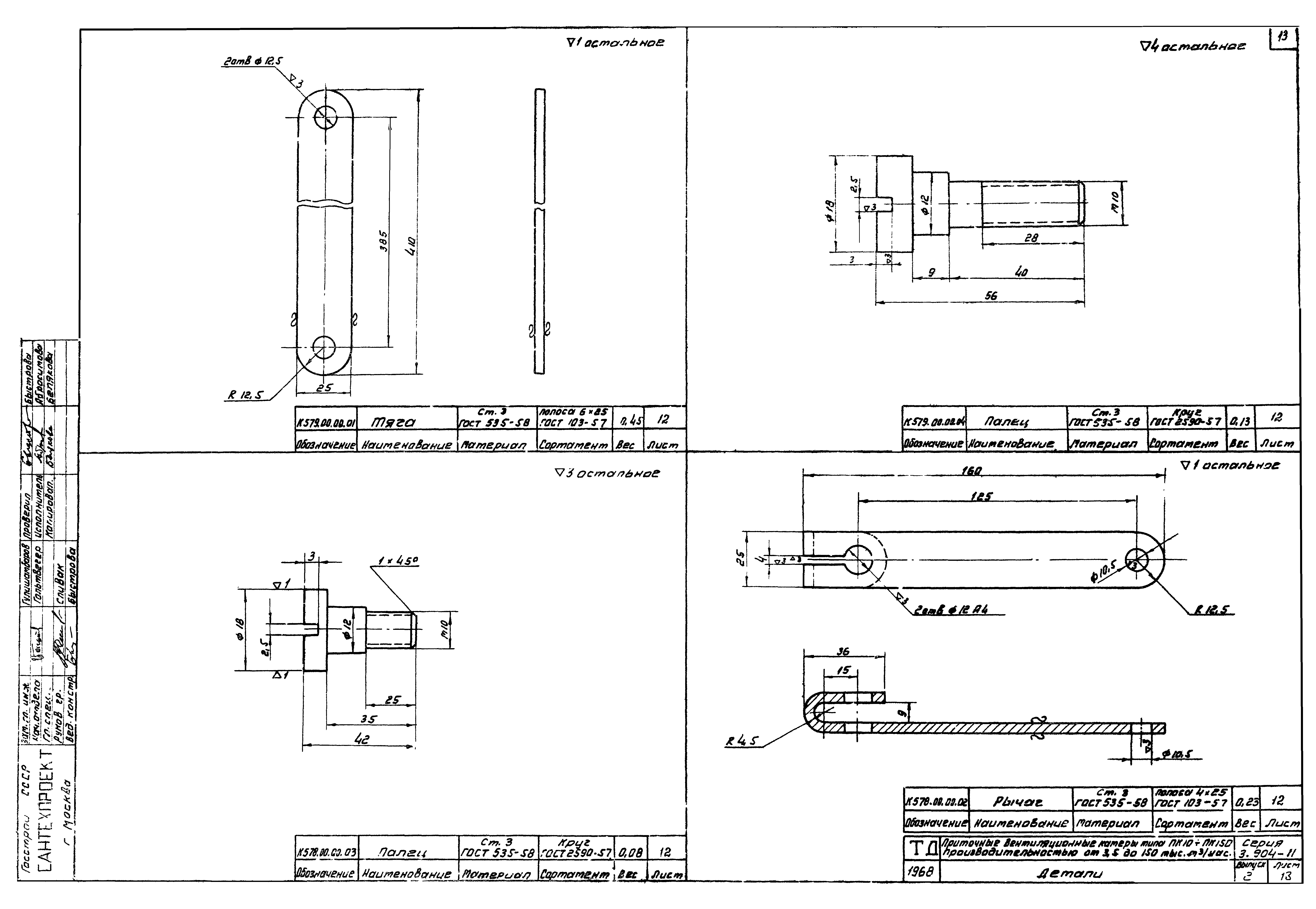
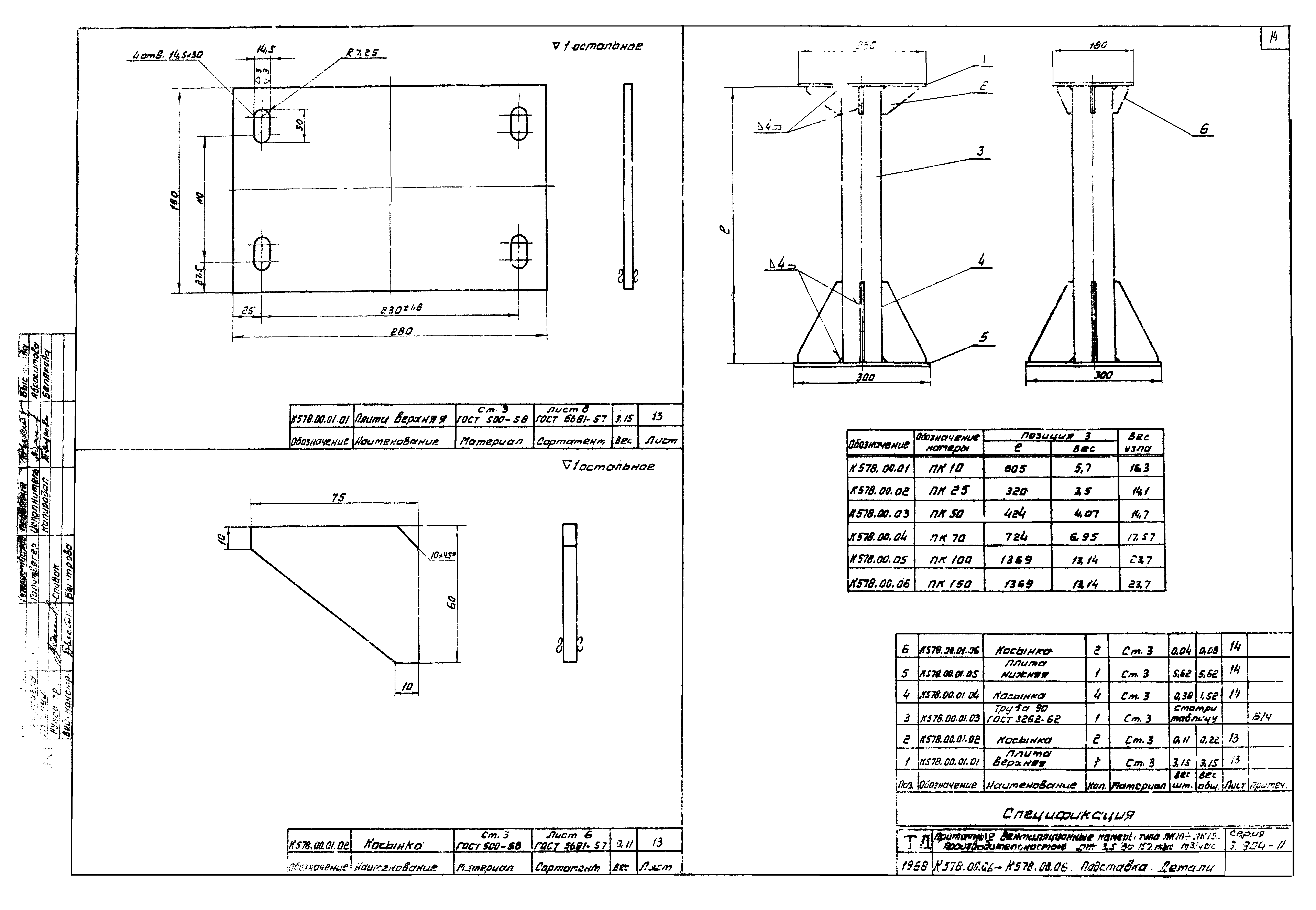
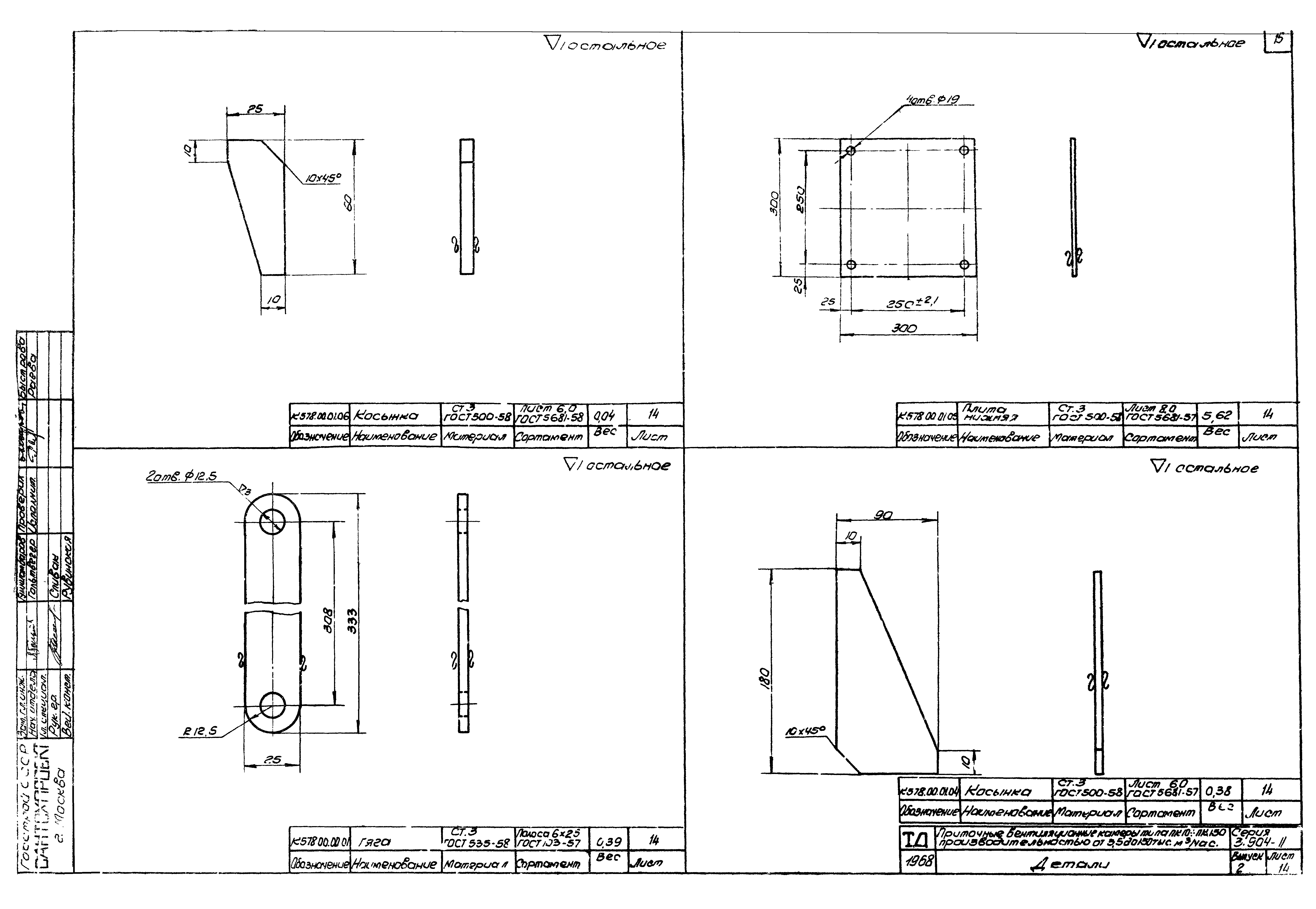
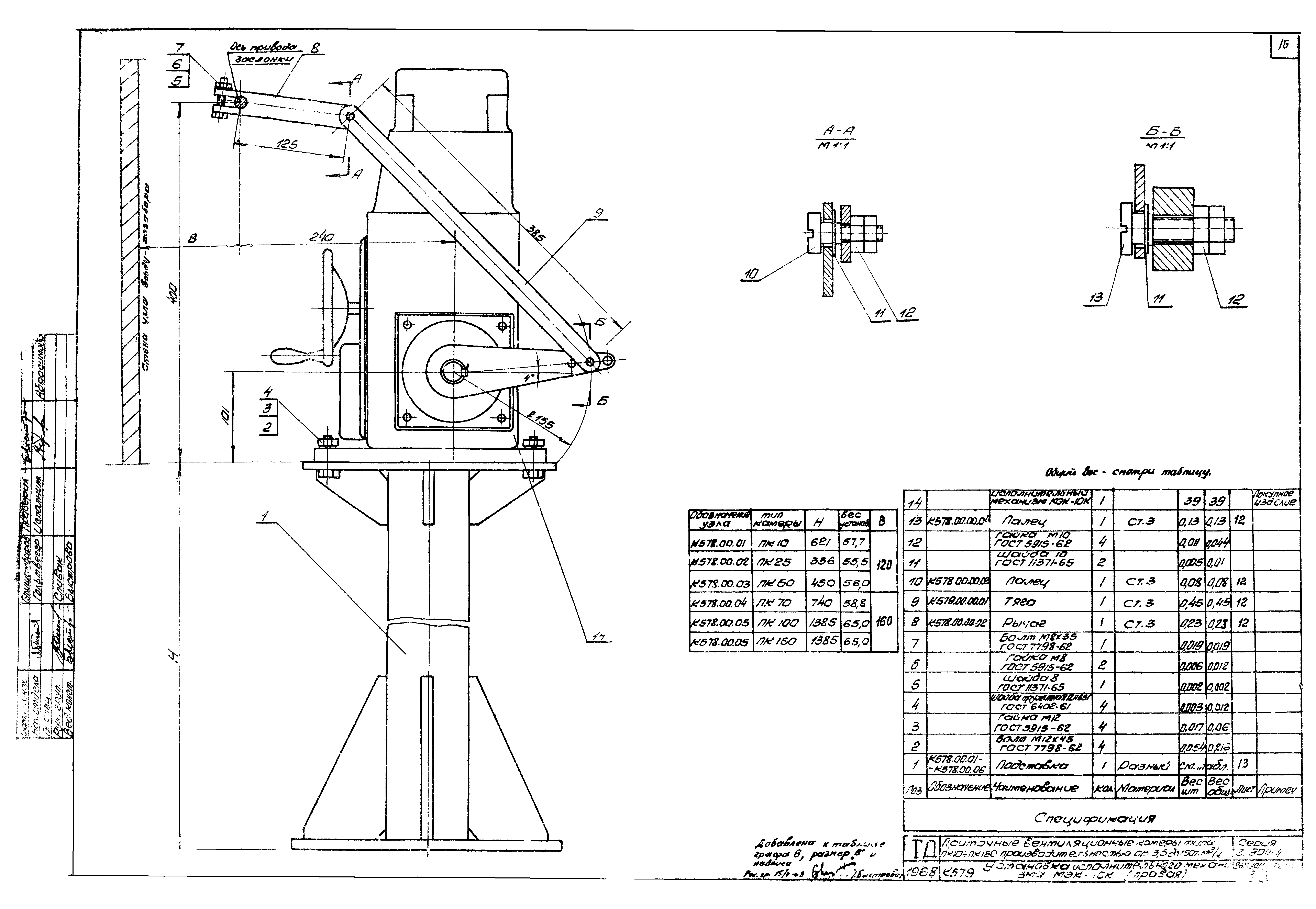
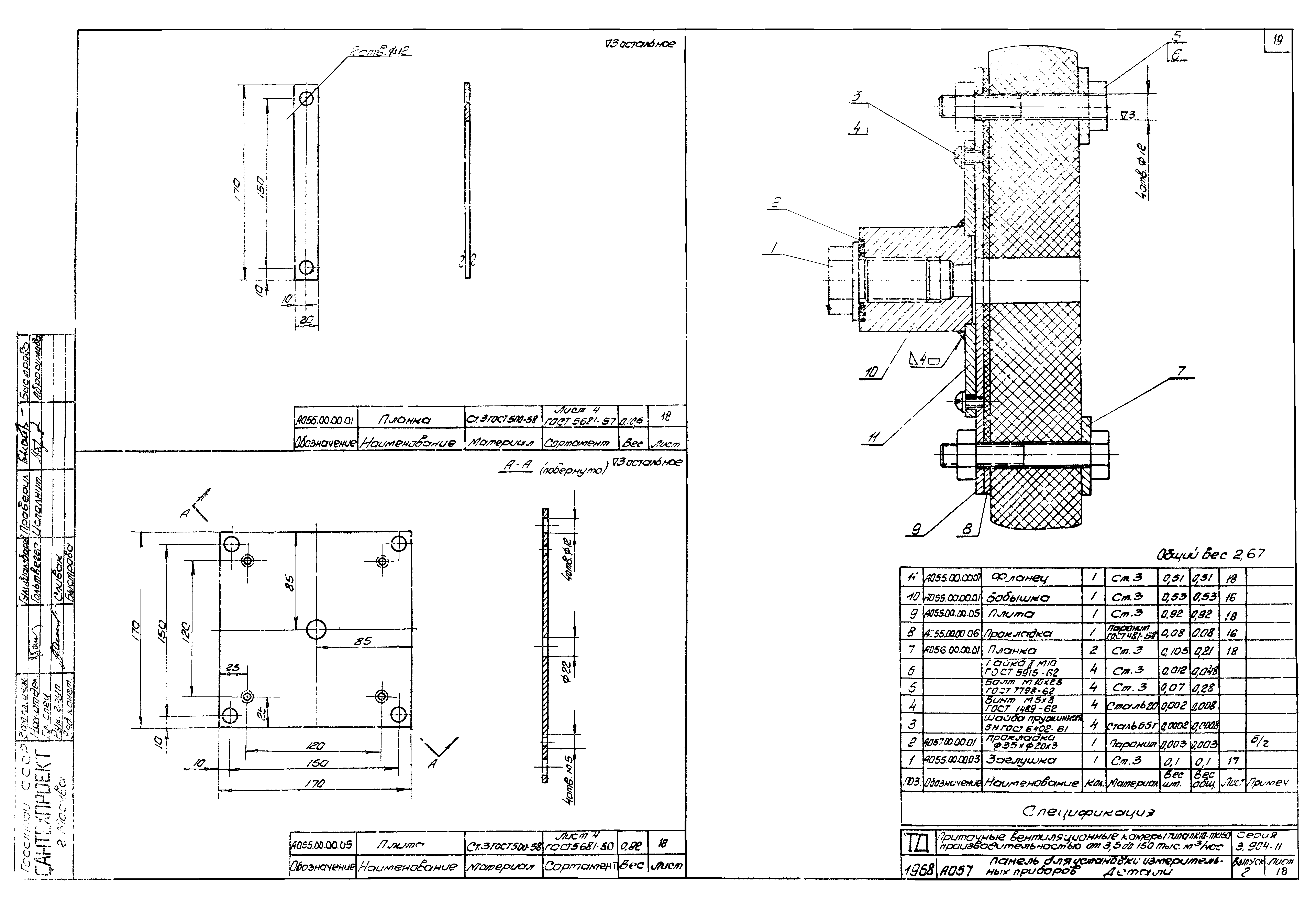
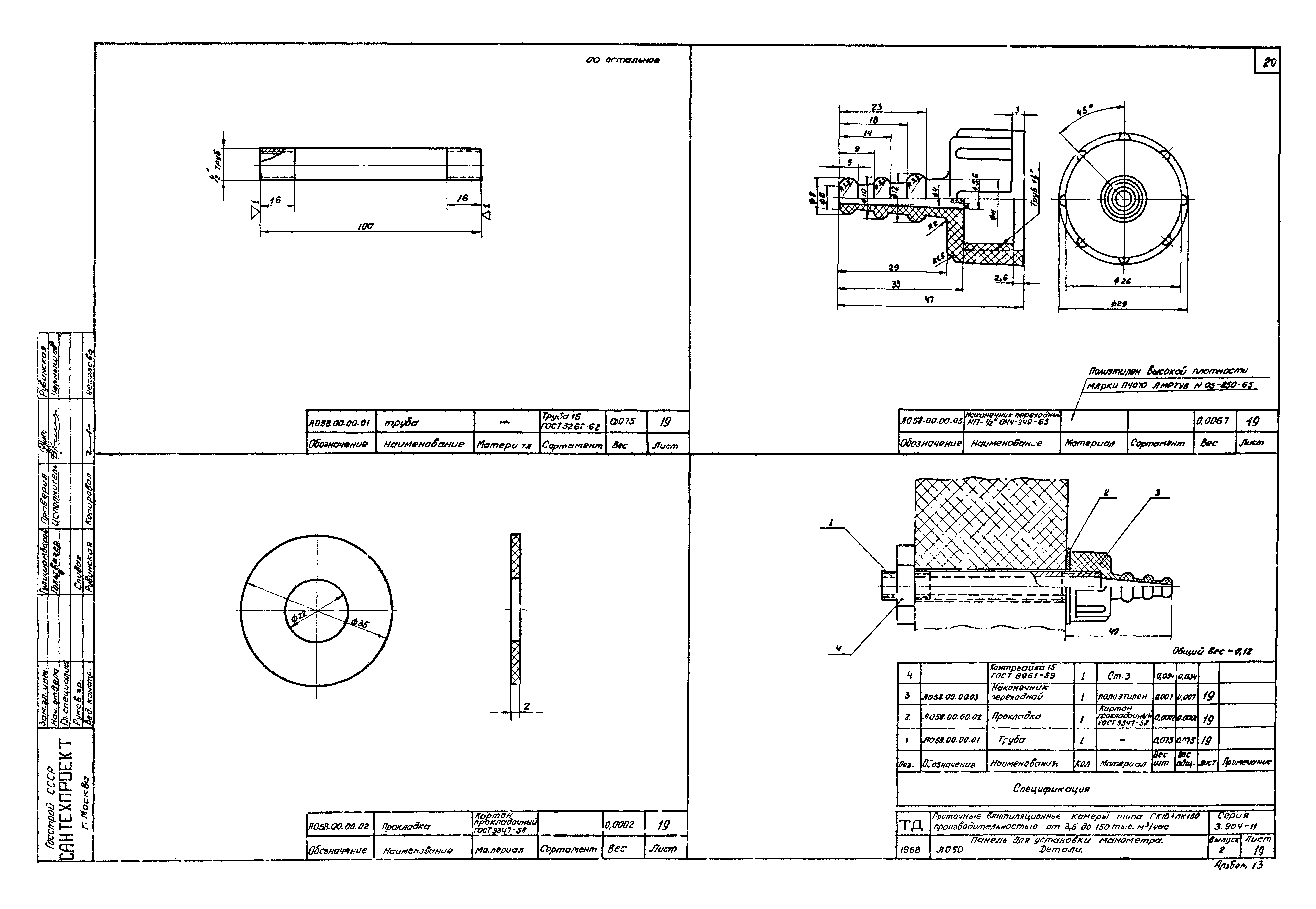
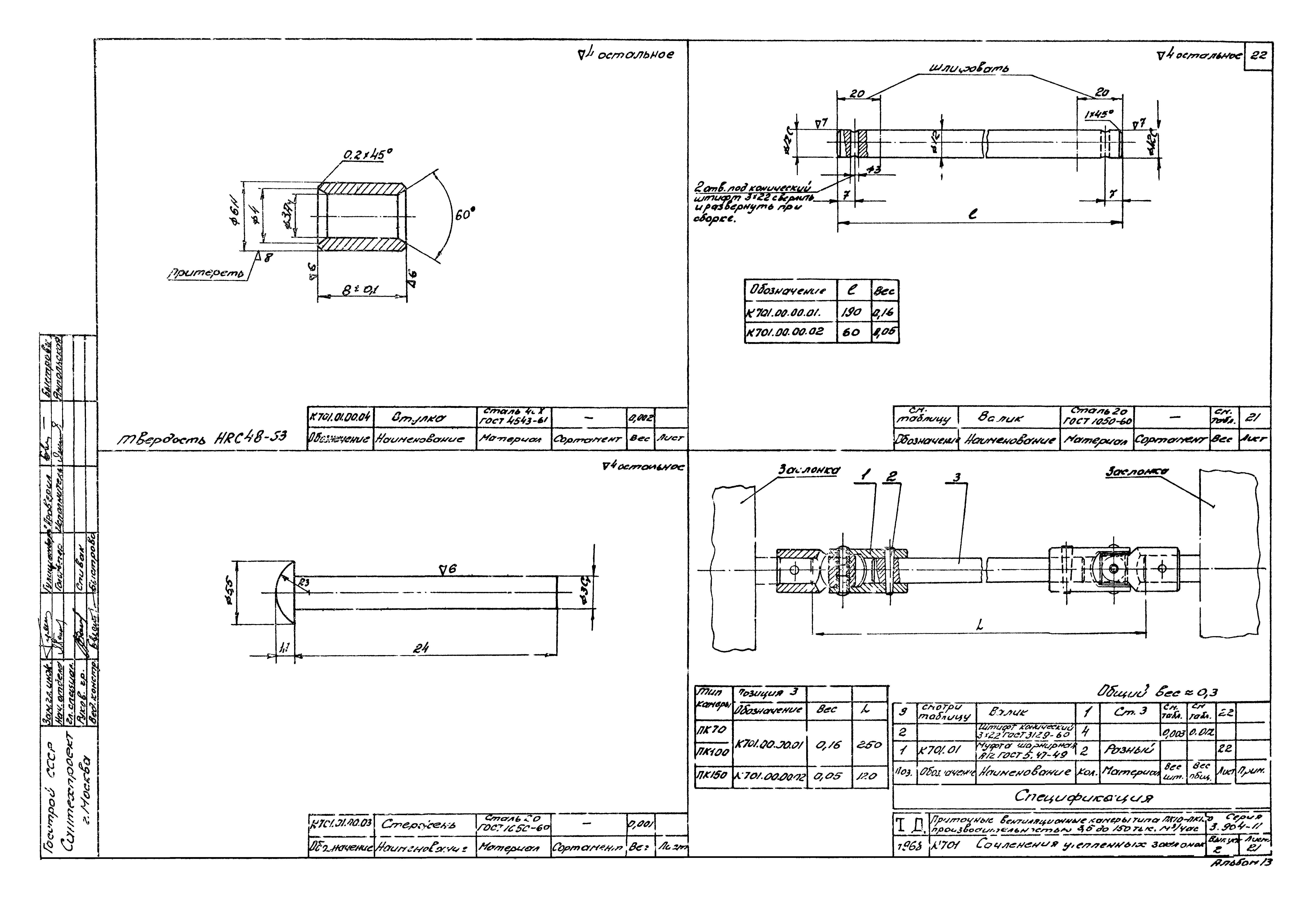
| Оглавление: | Содержание. Пояснительная записка ГО34 Дверь герметическая утепленная с двухсторонним замком 910х500 Детали ГО34.00.01 Каркас наружный Детали ГО34.00.01 Рама Детали ГО34.00.03 Каркас внутренний ГО34.00.04 Ручка К578 Установка исполнительного механизма МЭК-10к (левая) Детали К578.00.01-К578.00.06 Подставка. Детали Детали К579 Установка исполнительного механизма МЭК-10к (правая) А055 Панель для установки измерительных приборов. Детали А056 Панель для установки измерительных приборов. Детали А057 Панель для установки измерительных приборов. Детали А058 Панель для установки манометра. Детали А060 Панель для установки манометра. Узел. Деталь К701 Сочленения утепленных заслонок К701.01 Муфта шарнирная |
| Разработан: | Сантехпроект Госстроя СССР |
| Утверждён: | 27.06.1968 Главпромстройпроект Госстроя СССР (29) |
| Чем заменён: |
























