Скачать Серия 4.400-6 Выпуск 1. Несущие и ограждающие конструкции, полы, тоннели, каналы, фундаменты. Рабочие чертежиДата актуализации: 01.01.2021
|
| Обозначение: | Серия 4.400-6 |
| Обозначение англ: | Series 4.400-6 |
| Статус: | не действует |
| Название рус.: | Выпуск 1. Несущие и ограждающие конструкции, полы, тоннели, каналы, фундаменты. Рабочие чертежи |
| Дата добавления в базу: | 01.09.2013 |
| Дата актуализации: | 01.01.2021 |
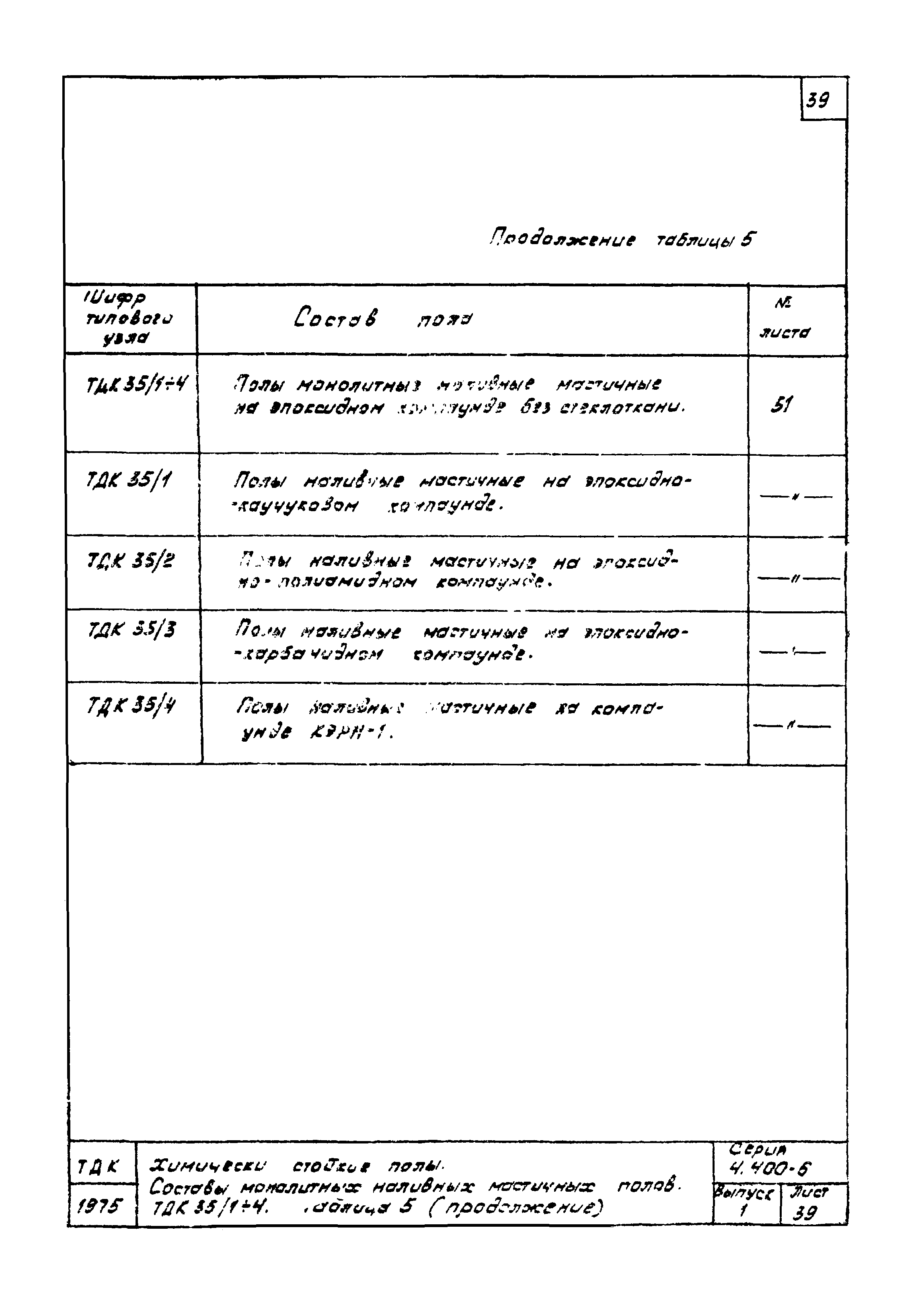
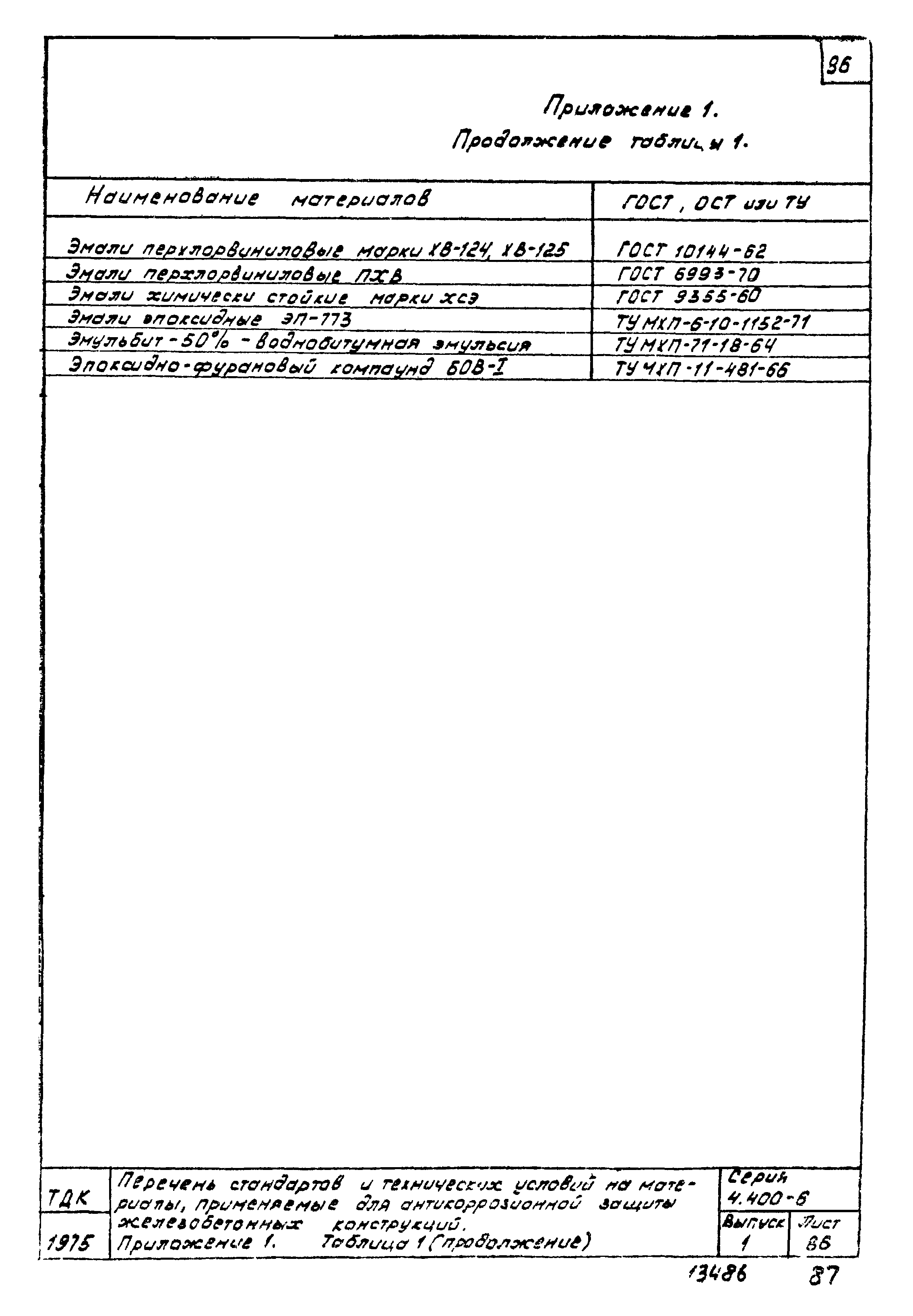
| Оглавление: | Содержание Пояснительная записка Раздел 1. Фундаменты под колонны и стены зданий Общие указания Таблица 1. Рекомендуемые варианты химически стойких изоляций Типовые узлы антикоррозионной защиты фундаментов под колонны и стены зданий ТДК1-ТДК11 Раздел 2. Несущие и ограждающие конструкции зданий. Общие указания Таблица 2. Рекомендуемые варианты химически стойких лакокрасочных покрытий для железобетонных конструкций Типовые узлы антикоррозионной защиты несущих и ограждающих конструкций зданий ТДК12-ТДК23 Раздел 3. Химически стойкие полы. Общие указания Таблица 3. Рекомендации по выбору типа полов из штучных кислотоупорных материалов Таблица 4. Рекомендации по выбору типа монолитных наливных полов Таблица 5. Состав полов из штучных материалов Маркировочные схемы полов Типовые узлы химически стойких полов ТДК24-ТДК62 Раздел 4. Тоннели и каналы. Общие указания Таблица 6. Типы конструкций антикоррозионной защиты тоннелей и каналов Типовые узлы антикоррозионной защиты тоннелей и каналов ТДК63-ТДК68 Раздел 5. Фундаменты под оборудование. Общие указания Таблица 7. Варианты антикоррозионной защиты фундаментов под оборудование Типовые узлы антикоррозионной защиты фундаментов под оборудование ТДК69-ТДК76 Приложение 1. Таблица 1. Перечень стандартов и технических условий на материалы, применяемые для антикоррозионной защиты железобетонных конструкций Приложение 2. Таблица 1. Составы антикоррозионных покрытий защиты железобетонных конструкций, заглубленных в грунт Таблица 2. Составы вяжущих полов из штучных материалов Таблица 3. Мостики для укладки шлакоситалловых плиток Таблица 4. Составы полимербетонов и полимерсиликатных бетонов Таблица 5. Составы и свойства монолитных наливных покрытий полов из эпоксидных компаундов Таблица 6. Составы оклеечной гидроизоляции Приложение 3. Подстилающий слой стяжки для монолитных полов |
| Разработан: | ЦНИИпромзданий Госхимпроект Проектхимзащита Минмонтажспецстроя СССР НИИЖБ ЦНИИпроектстальконструкция Госстроя |
| Утверждён: | 23.07.1975 Госстрой СССР (Государственный комитет Совета Министров СССР по делам строительства) (USSR Gosstroy 122) |
| Чем заменён: |


































































































