Скачать Серия 4.400-8 Антикоррозийная защита строительных конструкций коксохимических производств. Материалы для проектированияДата актуализации: 01.01.2021
|
| Обозначение: | Серия 4.400-8 |
| Обозначение англ: | Series 4.400-8 |
| Статус: | заменен |
| Название рус.: | Антикоррозийная защита строительных конструкций коксохимических производств. Материалы для проектирования |
| Дата добавления в базу: | 01.09.2013 |
| Дата актуализации: | 01.01.2021 |
| Дата введения: | 14.07.1975 |
| Дата окончания срока действия: | 01.07.1992 |
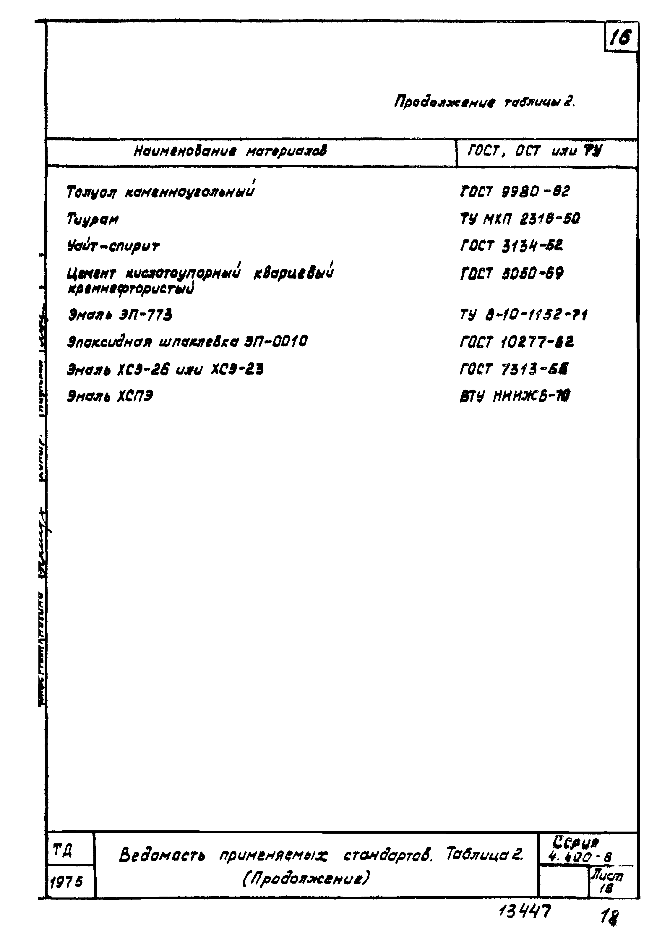
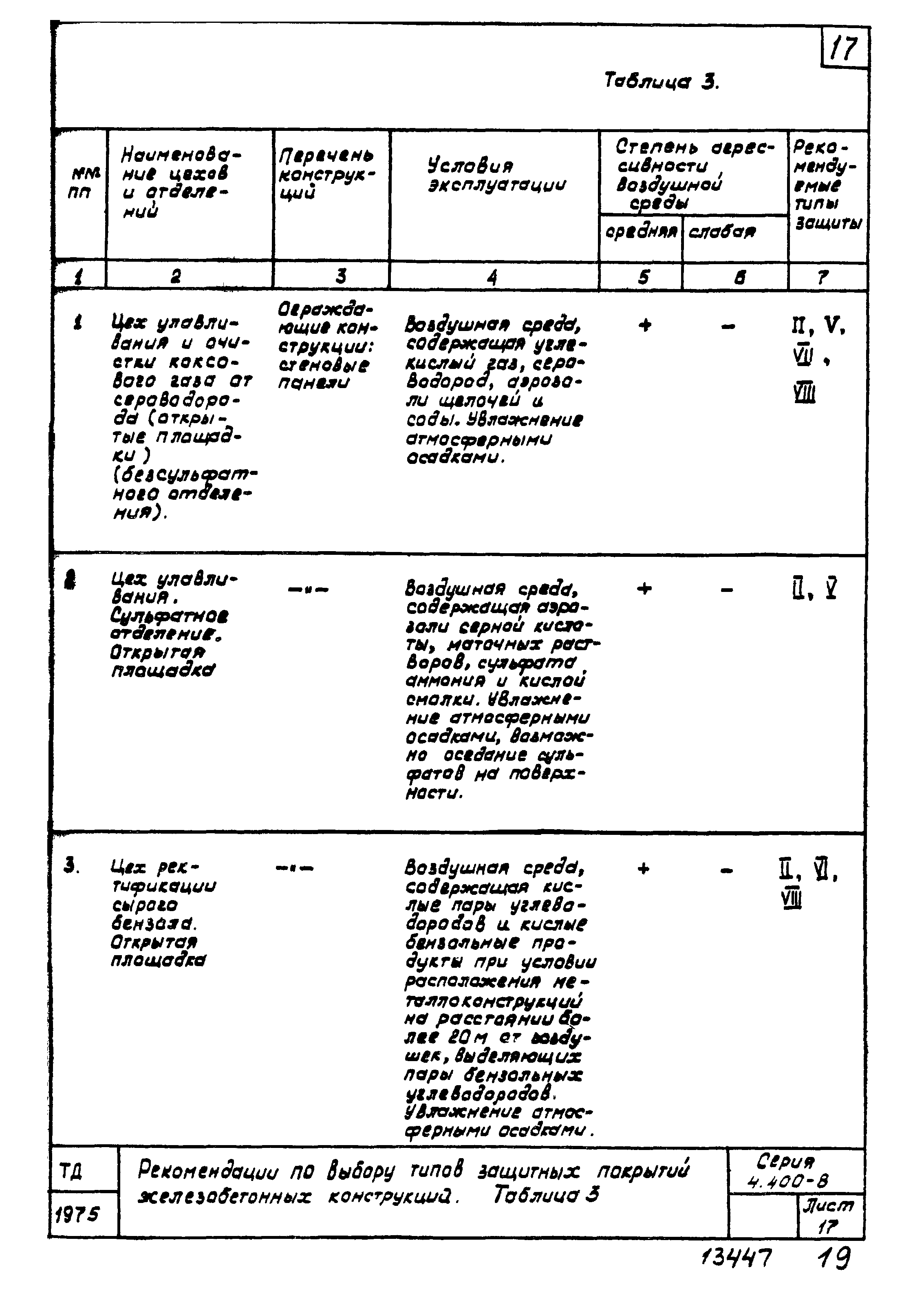
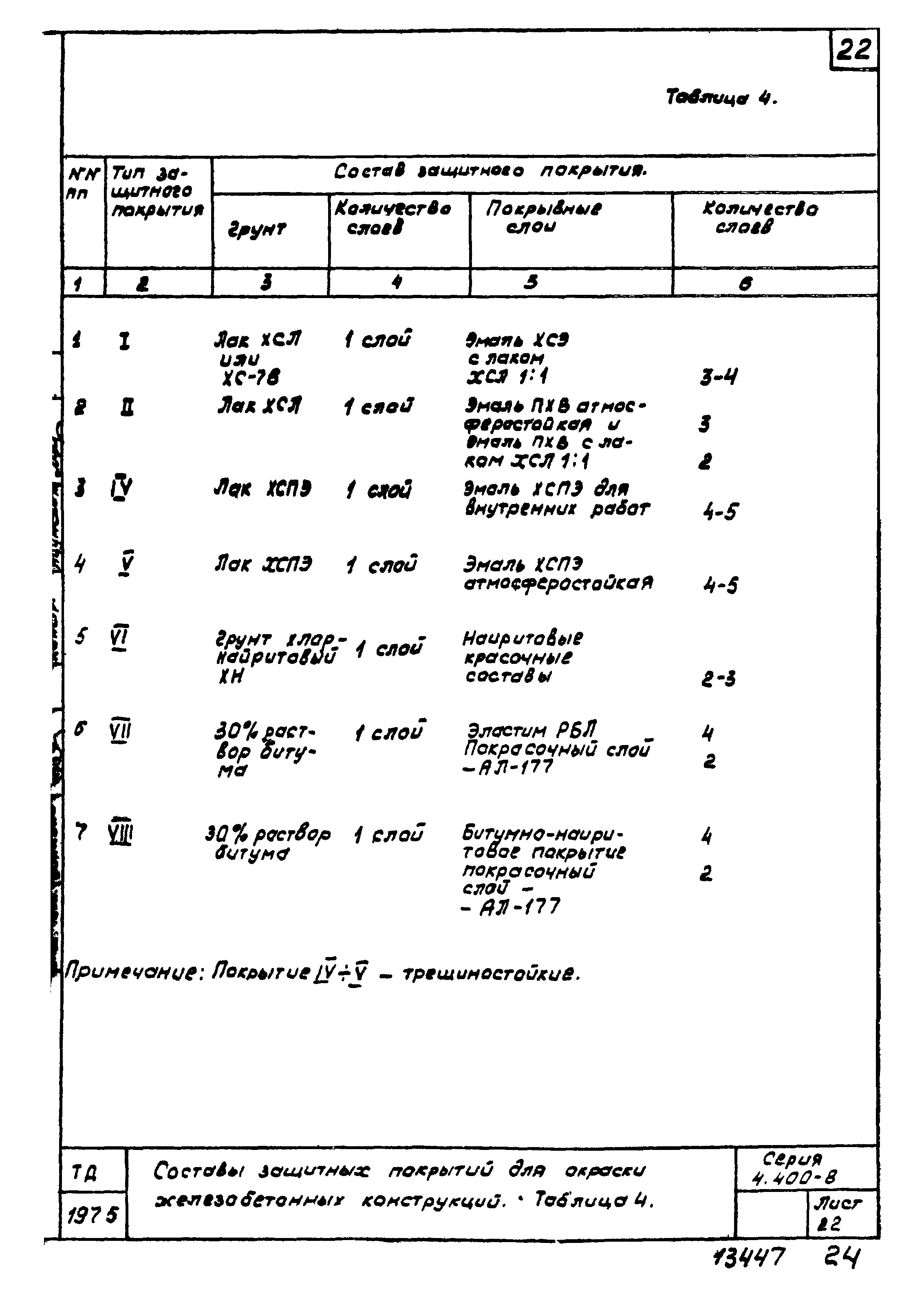
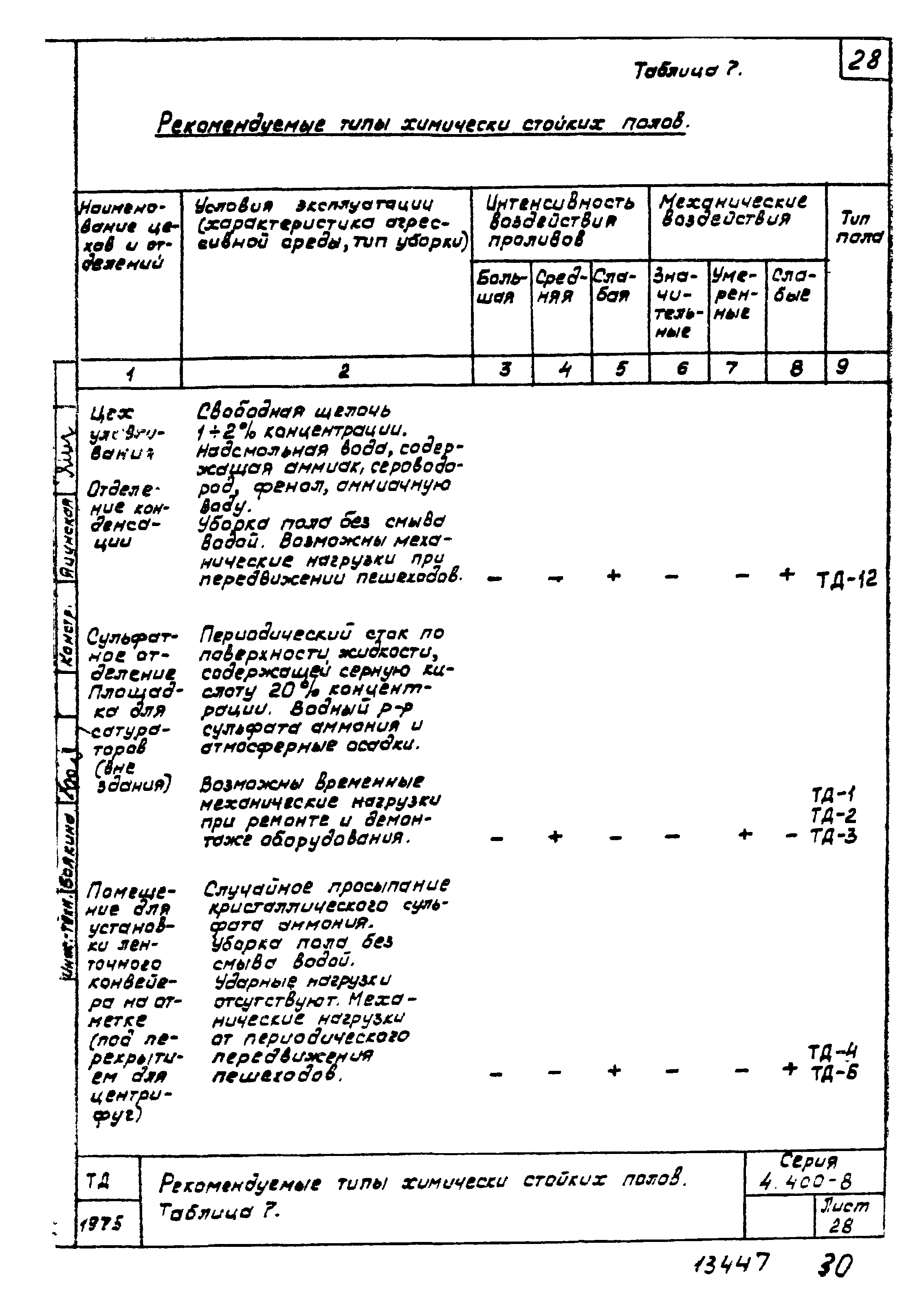
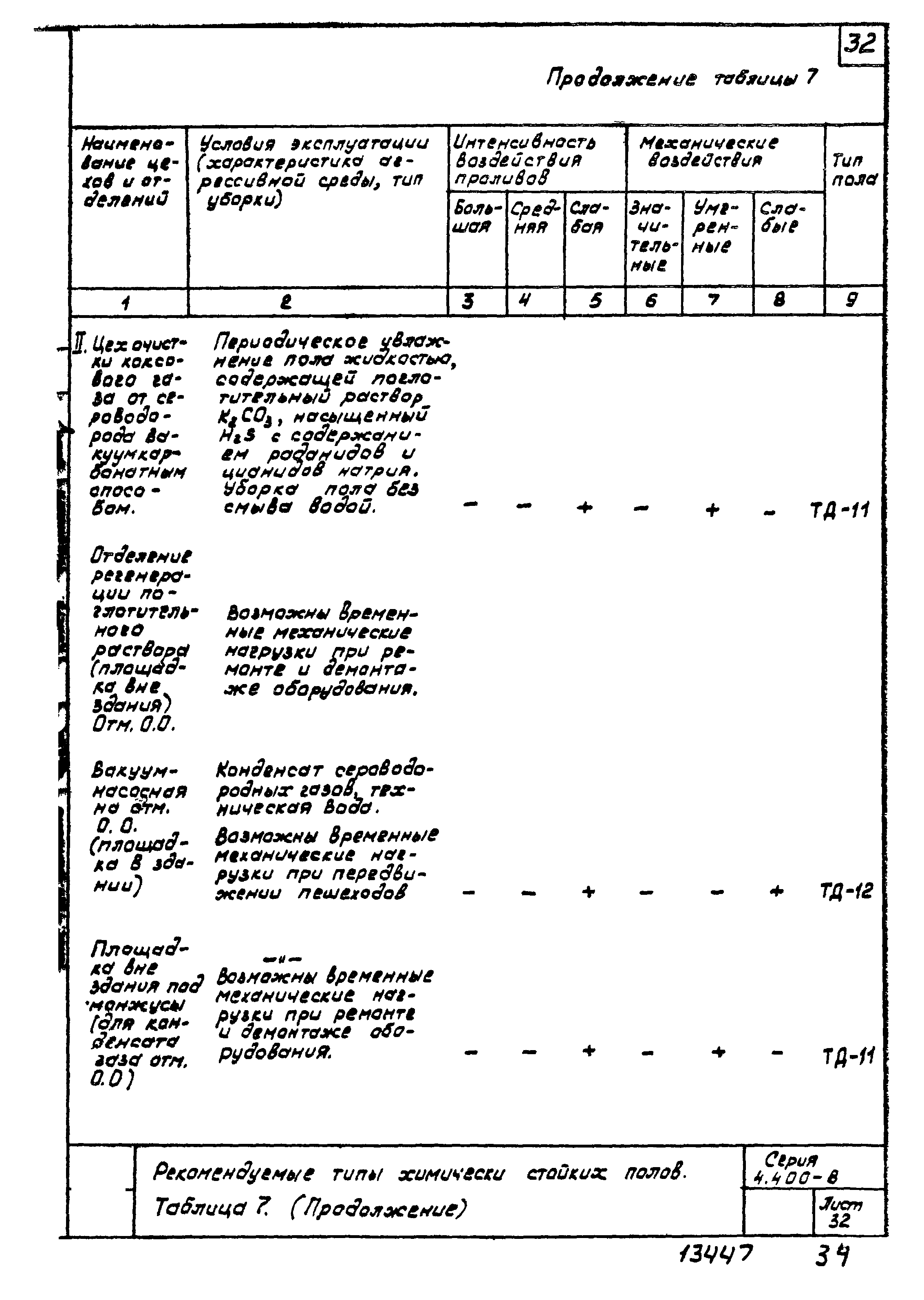
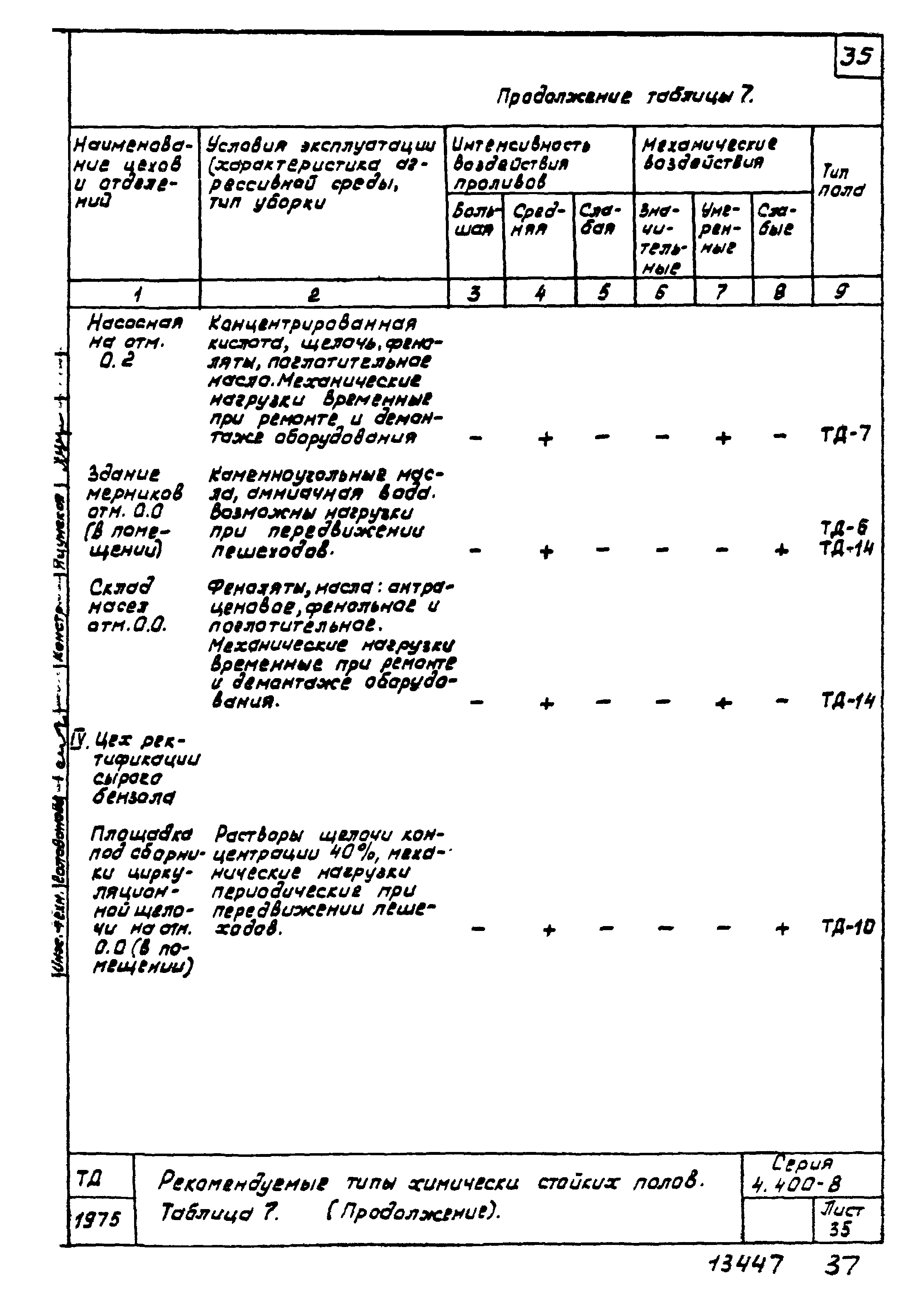
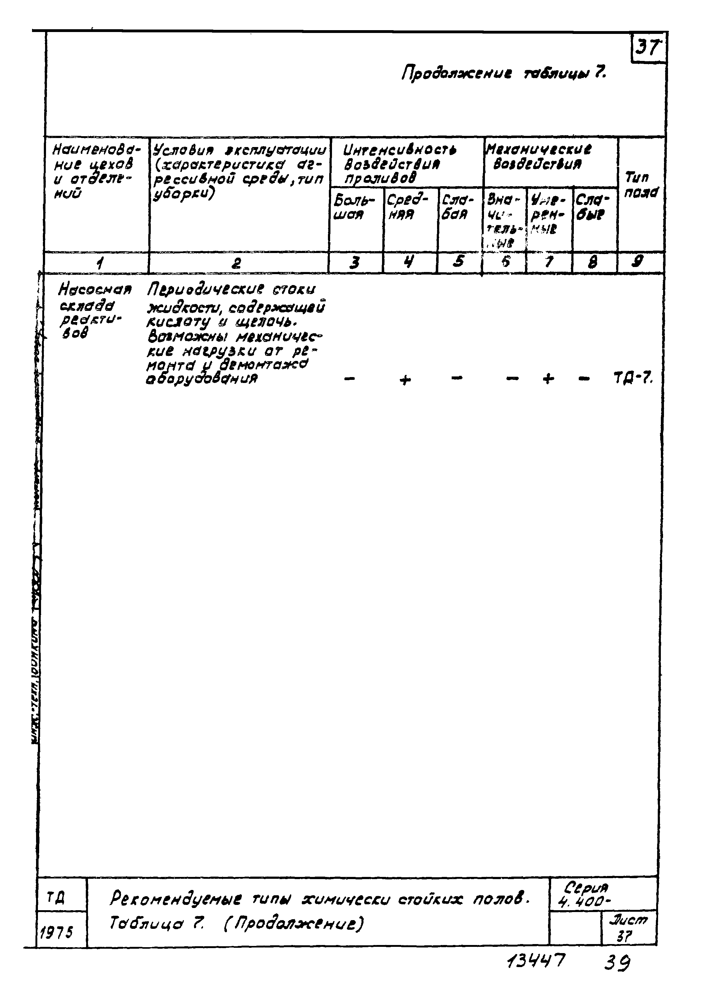
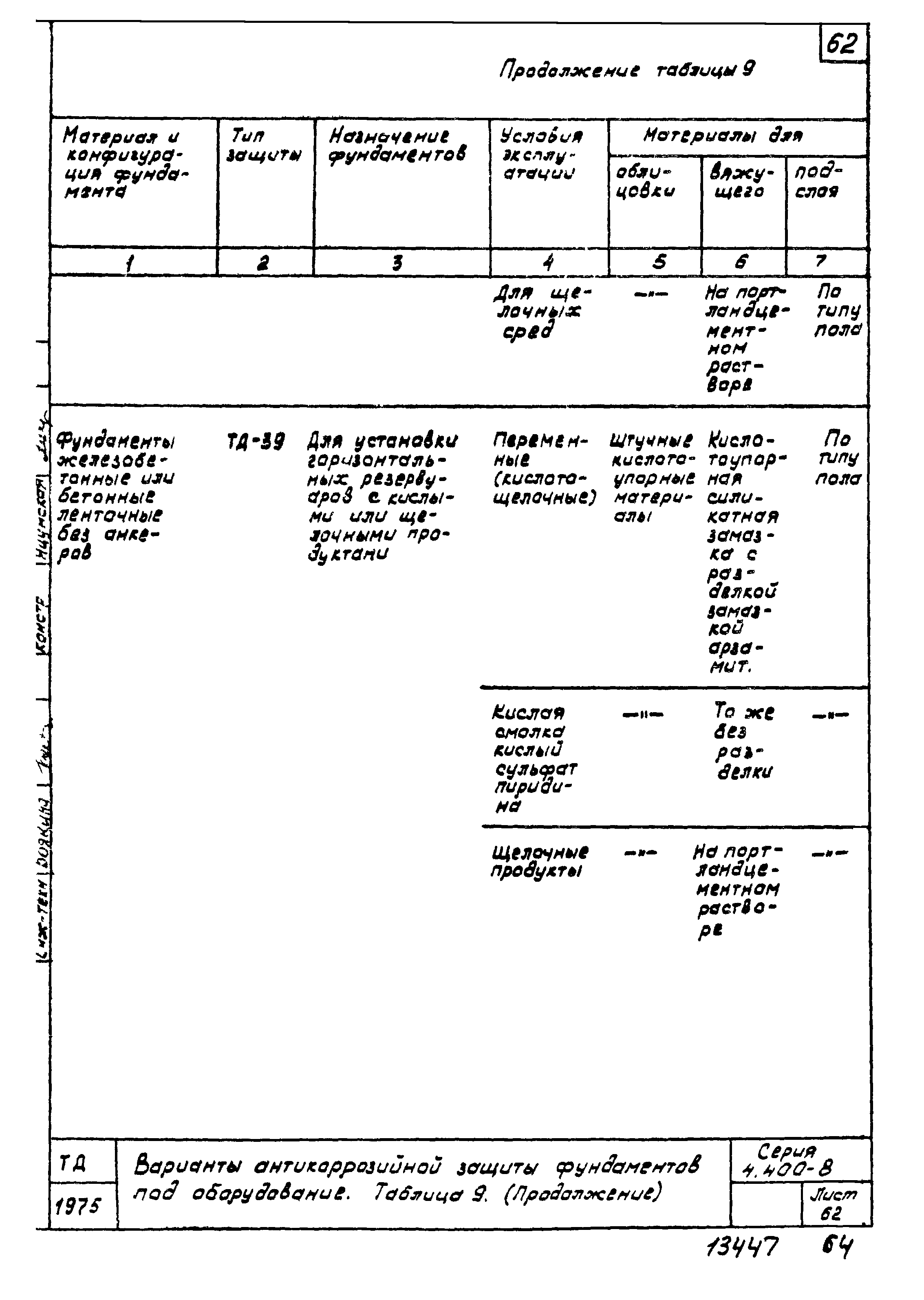
| Оглавление: | Содержание Пояснительная записка Ведомость применяемых стандартов. Таблица 2 Рекомендации по выбору типов защитных покрытий железобетонных конструкций. Таблица 3 Составы защитных покрытий для окраски железобетонных конструкций. Таблица 4 Рекомендации по выбору типов защитных покрытий металлоконструкций. Таблица 5 Составы защитных покрытий для окраски металлоконструкций. Таблица 6 Рекомендуемые типы химически стойких полов. Таблица 7 Описание типов химически стойких полов. Таблица 8 Типы химически стойких полов ТД1-ТД3 Типы химически стойких полов ТД4,ТД5 Типы химически стойких полов ТД6,ТД7 Типы химически стойких полов ТД8,ТД9 Типы химически стойких полов ТД10,ТД11 Типы химически стойких полов ТД12,ТД13 Типы химически стойких полов ТД14 Сопряжение пола с колоннами и стенами ТД15,ТД16 Детали химически стойких полов. Панели ТД15а,ТД16а Сопряжение пола с колоннами и стенами ТД17 Деформационные швы в химически стойких полах. ТД18;ТД19 Деформационные швы в наливных полах. ТД20 Сточные лотки. ТД21;ТД22 Сточные лотки в монолитных наливных полах. ТД23 Сточные каналы. ТД24;ТД25 Приямок для сбора сточных вод. ТД26 Трапы. ТД27;ТД28 Проемы под трубопроводы. ТД29;ТД30 Монтажные проемы. ТД31;ТД32 Варианты антикоррозийной защиты фундаментов под оборудование. Таблица 9 Фундамент под оборудование из кислотоупорного кирпича. ТД33 Фундамент под оборудование из кислотоупорных материалов. ТД34,ТД35 Антикоррозийная защита фундаментов под оборудование без анкерных креплений. ТД36 Антикоррозийная защита фундаментов под оборудование с анкерным креплением. ТД37;ТД38 Антикоррозийная защита фундаментов под горизонтальный резервуар. ТД39 Антикоррозийная защита фундаментов под провисающее оборудование. ТД40 Антикоррозийная защита фундамента под колонну эстакады. ТД41 Сульфатный цех. Антикоррозийная защита фундамента под сатуратор. ТД42 Сульфатный цех. Склад сульфата. Стеновая панель. ТД43 Сульфатный цех. Склад сульфата. Яма для сульфата. ТД44 Сульфатный цех. Склад сульфата. Антикоррозийная защита погрузочной площадки. ТД45 Склад реактивов. Антикоррозийная защита поддона под железнодорожную колею. ТД46 Поддон оросительного холодильника. Антикоррозийная защита пола поддона. ТД47;ТД48 Поддон оросительного холодильника. Антикоррозийная защита борта и фундамента под оросительный холодильник. ТД49;ТД50. ТД47;ТД49 Поддон оросительного холодильника. Спускной штуцер. ТД51 Цех инденкумарановых смол. Отдельные мойки. Антикоррозийная защита оросительного холодильника полимерзащита. ТД52 Инструктивные указания по приготовлению и укладке особоплотного бетона для покрытия поддона. (ТД52) Инструктивные указания по облицовке полов шлакоситалловыми плитками на эпоксидных компоундах Инструктивные указания по изготовлению и нанесению полиэтилена, сдублированного со стеклотканью Инструктивные указания по защите строительных конструкций кислотоупорным и щелочестойким асфальтами Составы оклеечных гидроизоляций |
| Разработан: | Проектхимзащита Минмонтажспецстроя СССР |
| Утверждён: | 16.01.1975 Минмонтажспецстрой СССР (USSR Minmontazhspetsstroy ) |




































































































