Скачать Серия 4.407-256 Прокладка магистрального шинопровода серии Ш3М16УЗ на 1600А. Рабочие чертежиДата актуализации: 01.01.2021
|
| Обозначение: | Серия 4.407-256 |
| Обозначение англ: | Series 4.407-256 |
| Статус: | не действует |
| Название рус.: | Прокладка магистрального шинопровода серии Ш3М16УЗ на 1600А. Рабочие чертежи |
| Дата добавления в базу: | 01.09.2013 |
| Дата актуализации: | 01.01.2021 |
| Дата введения: | 17.09.1979 |
| Дата окончания срока действия: | 01.03.1987 |
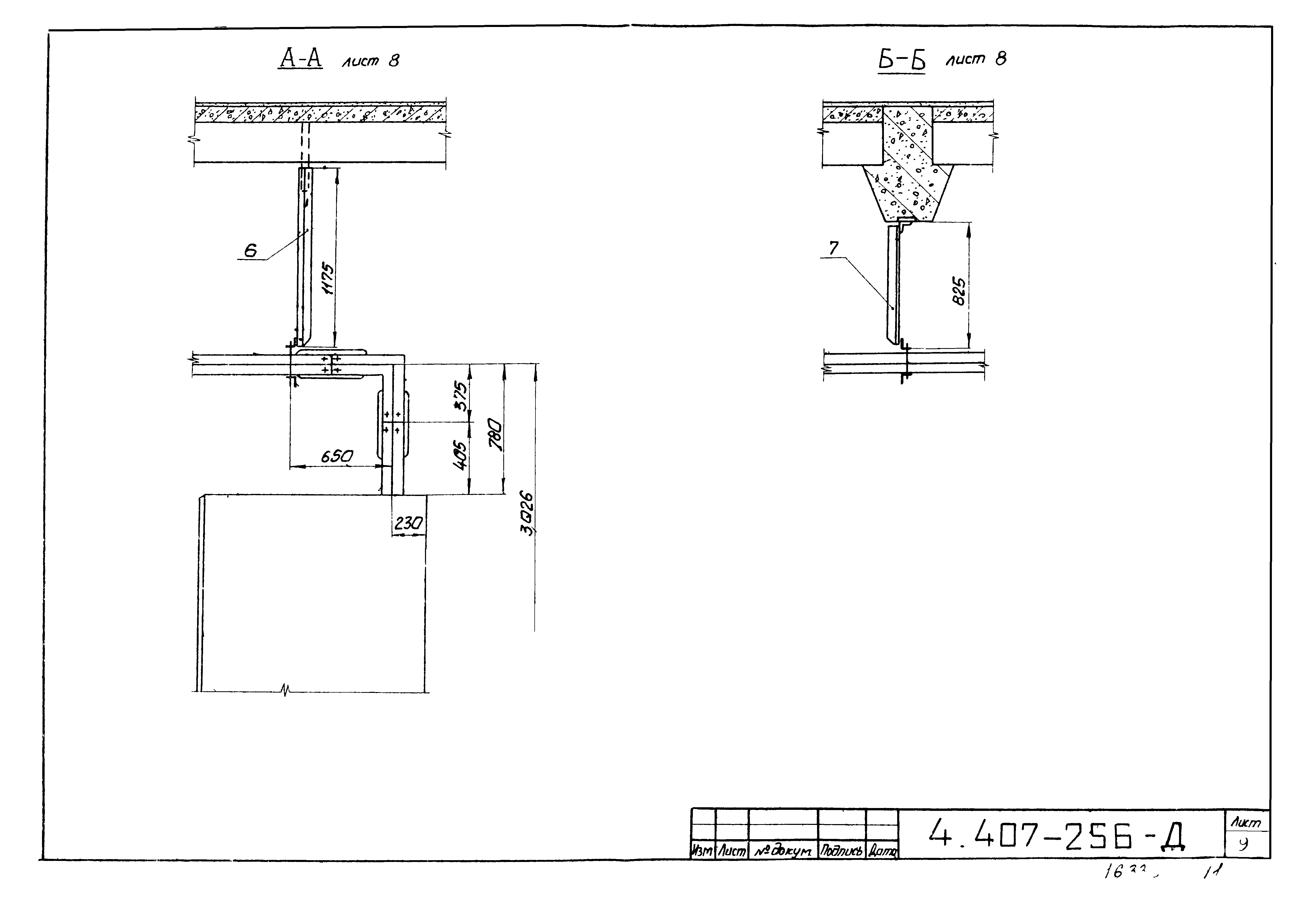
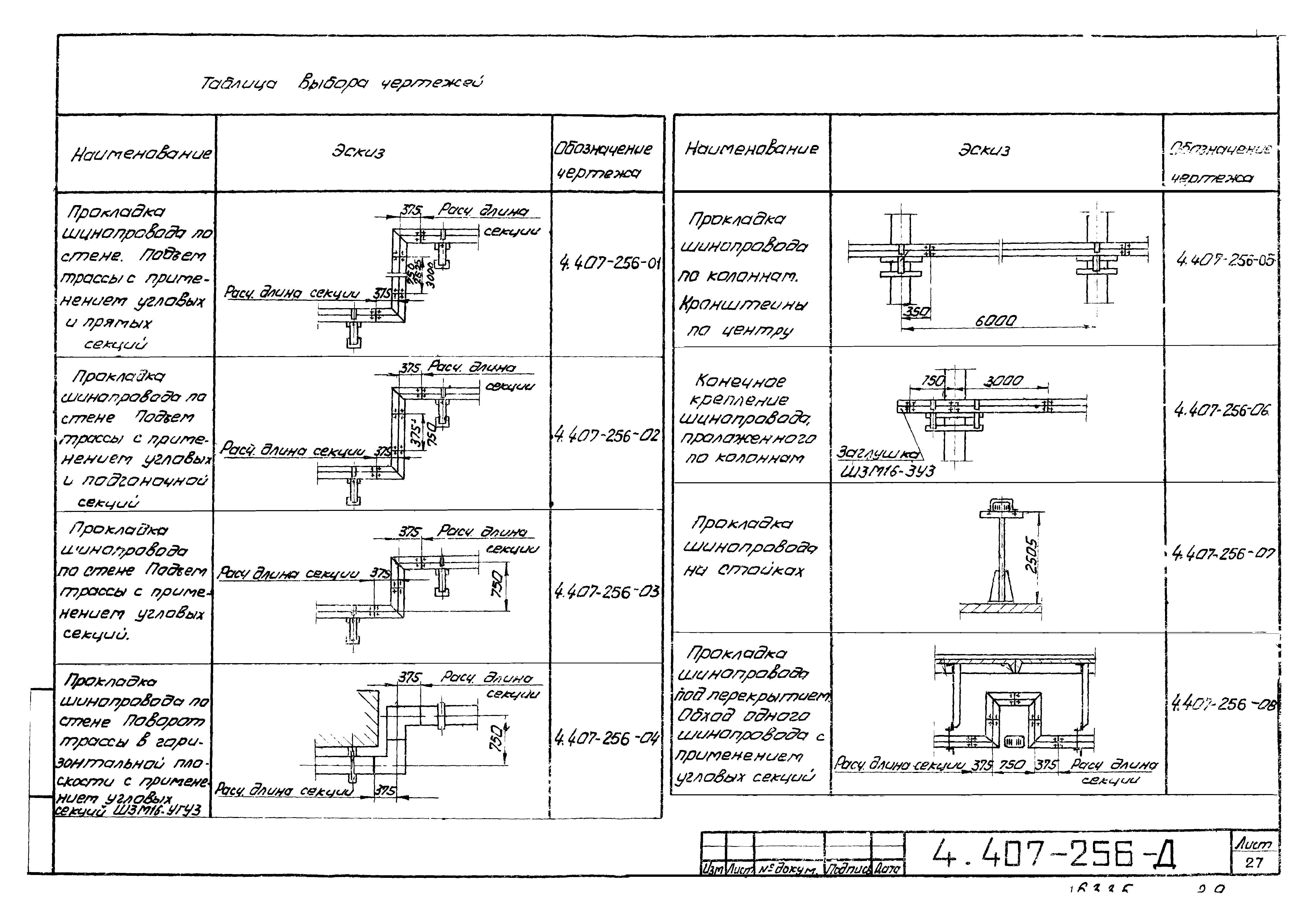
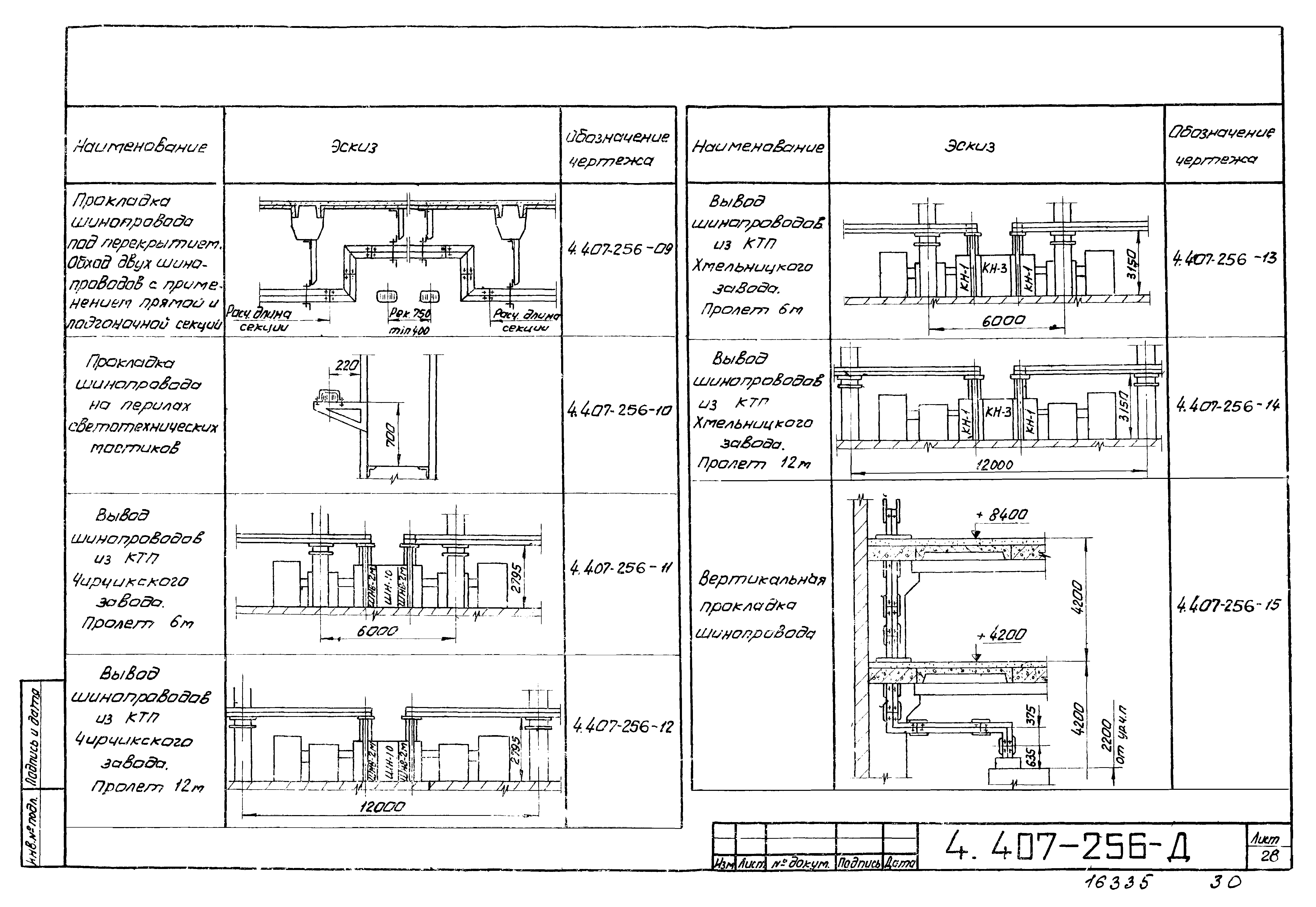
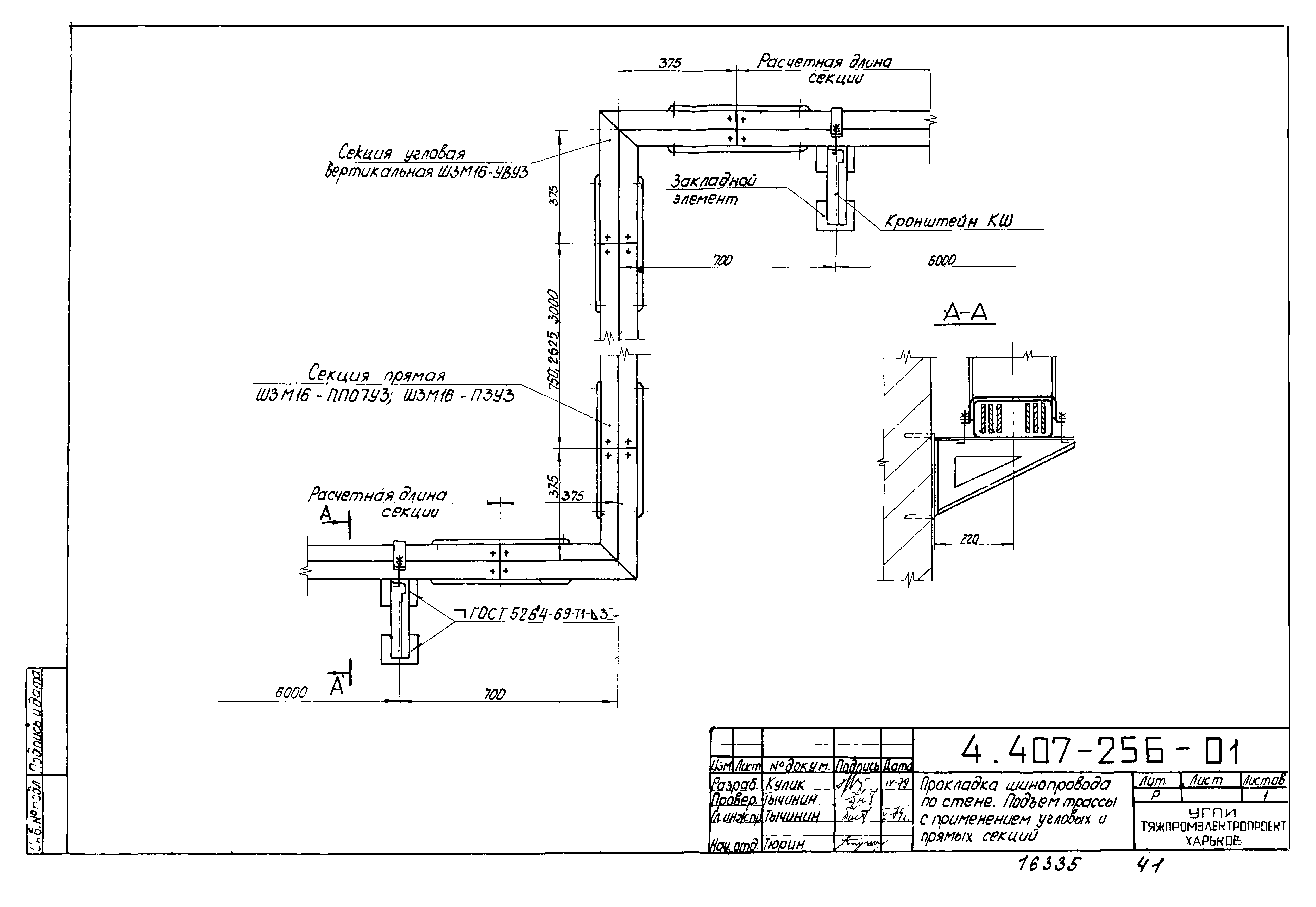
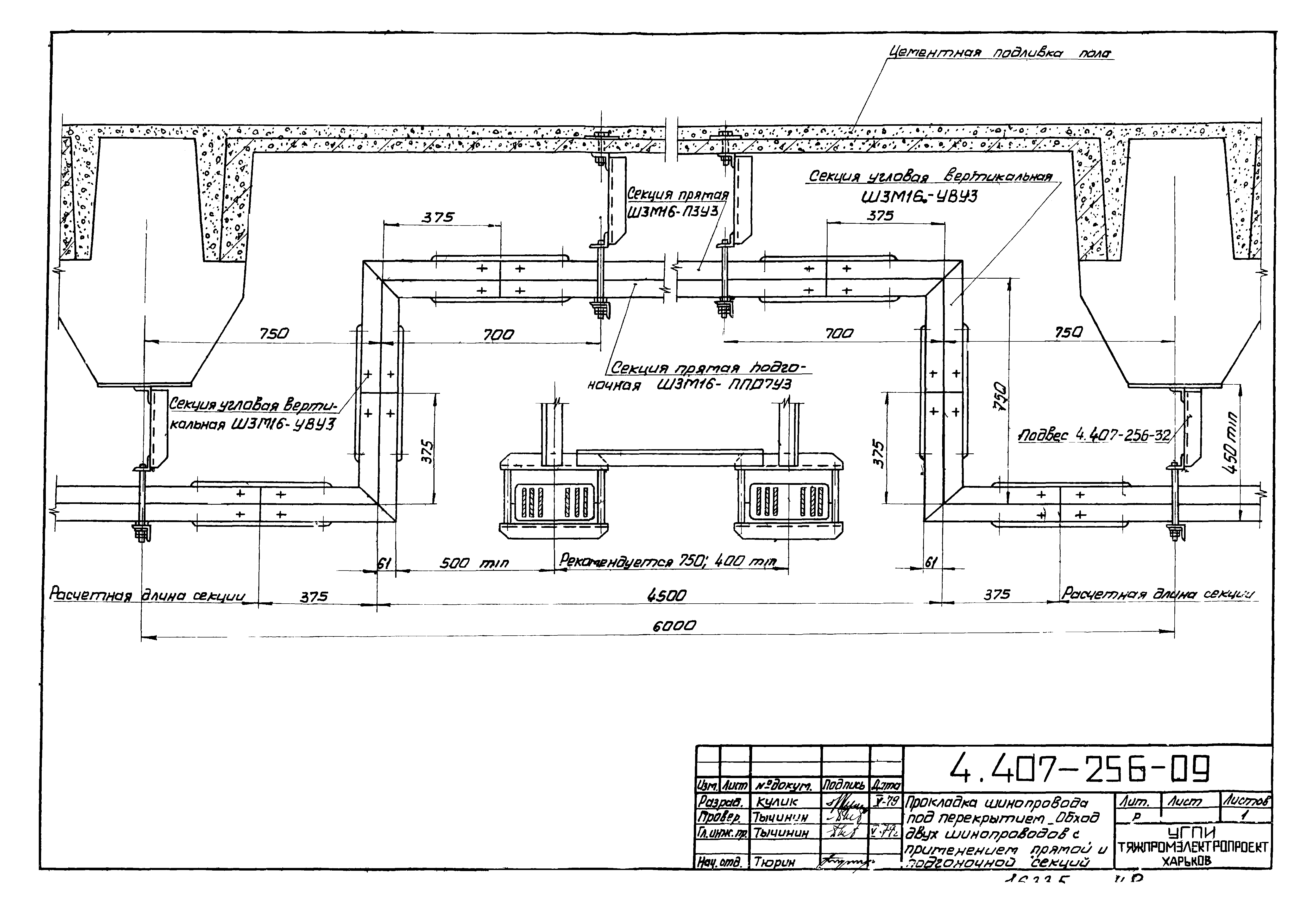
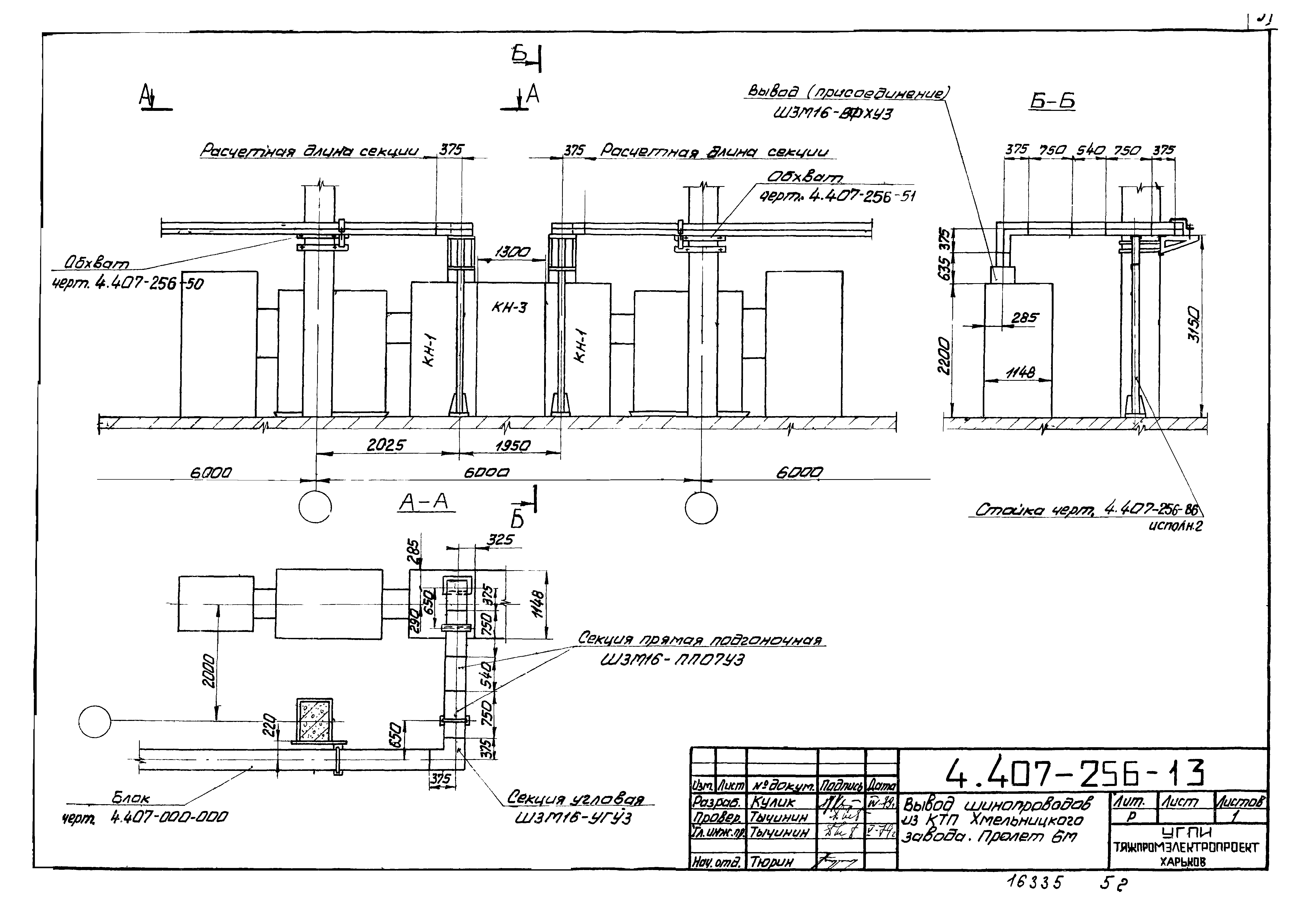
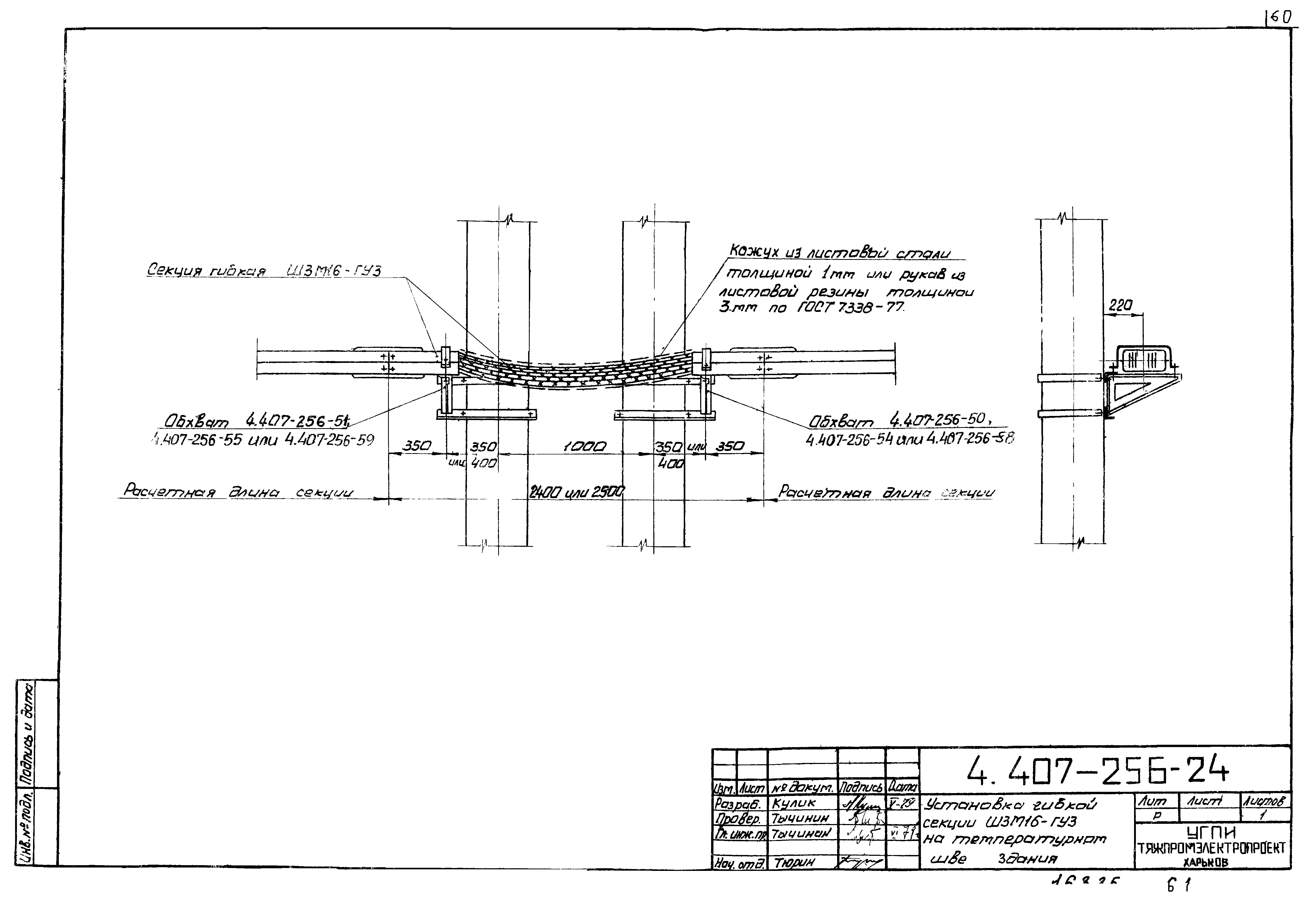
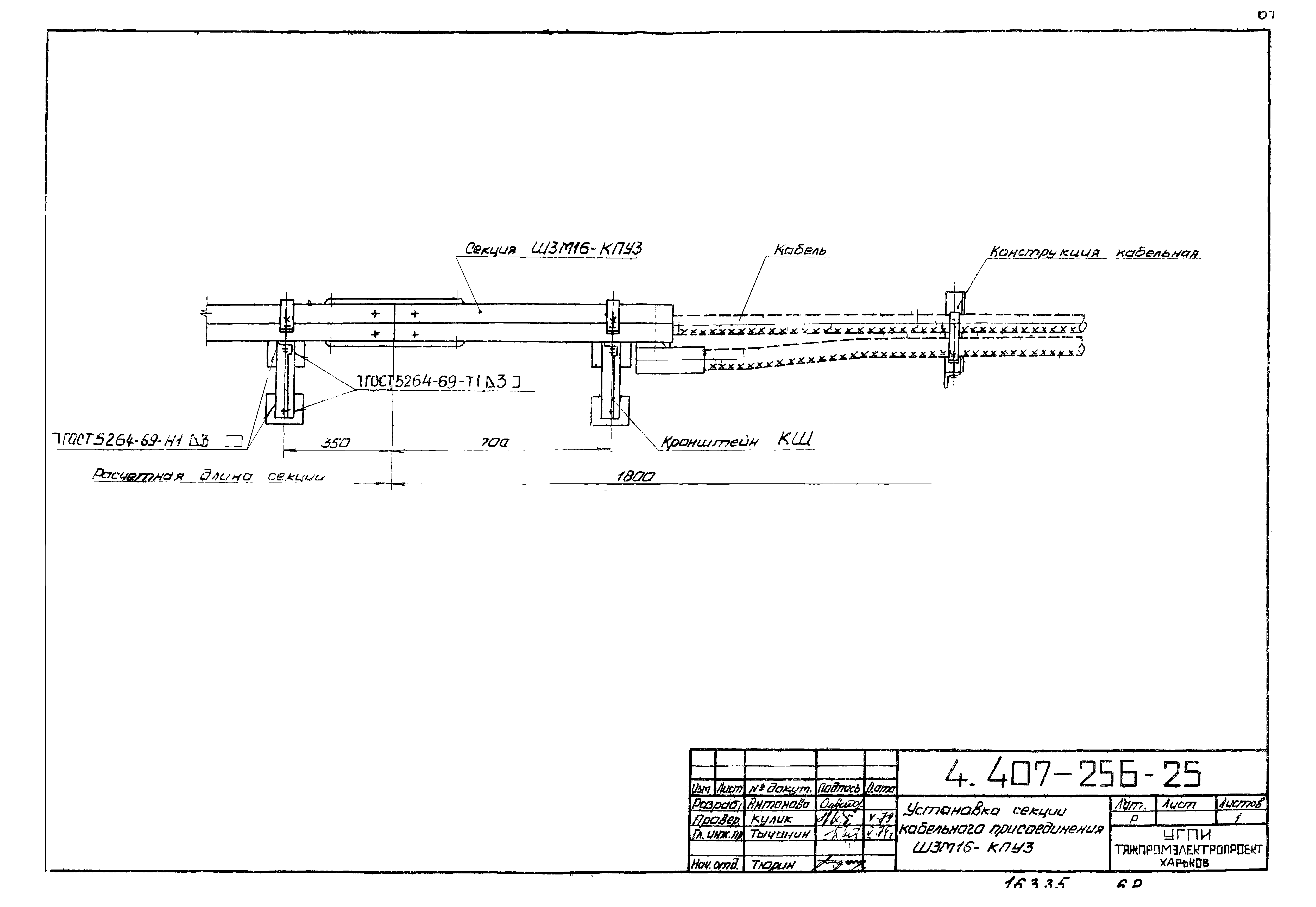
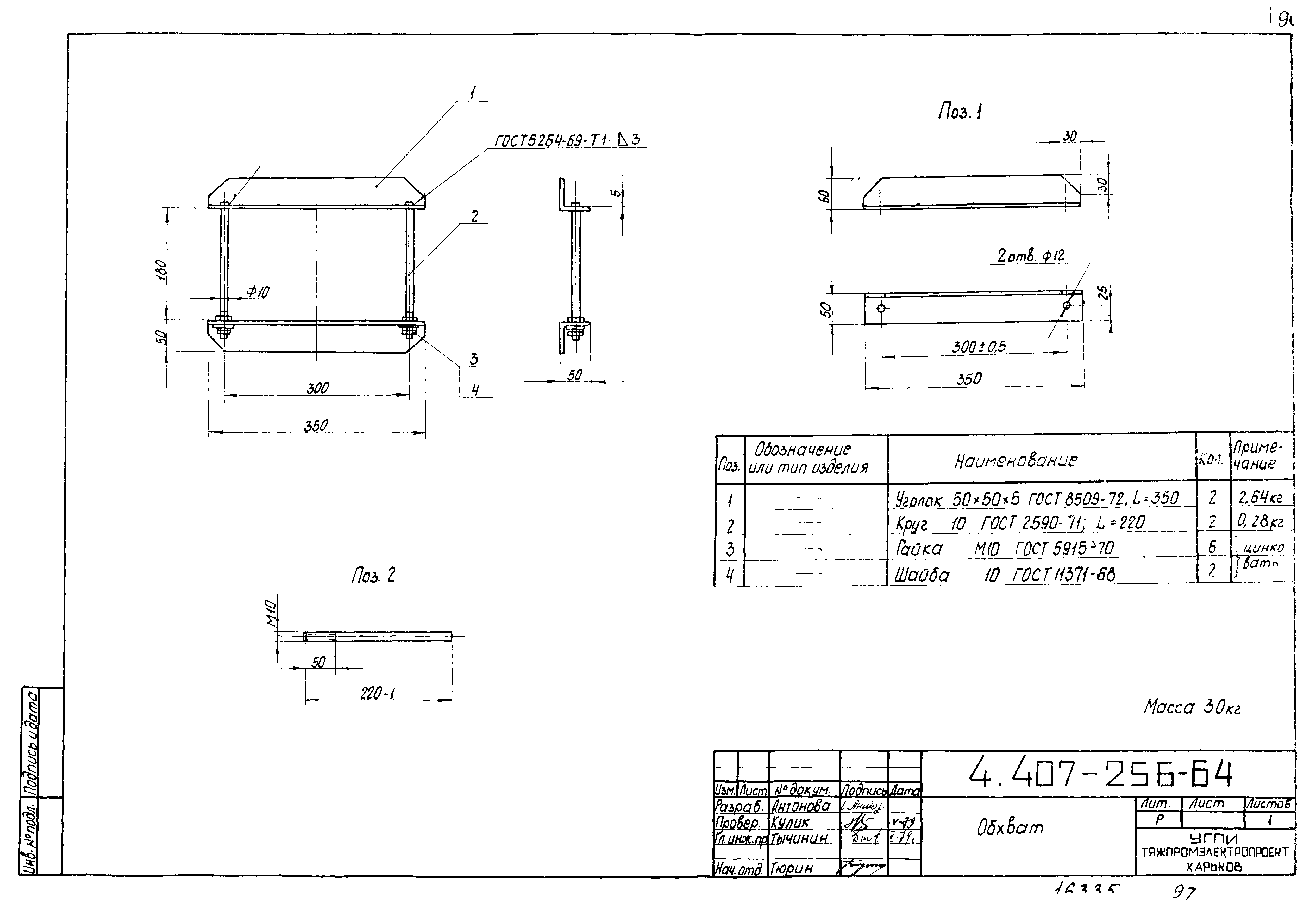
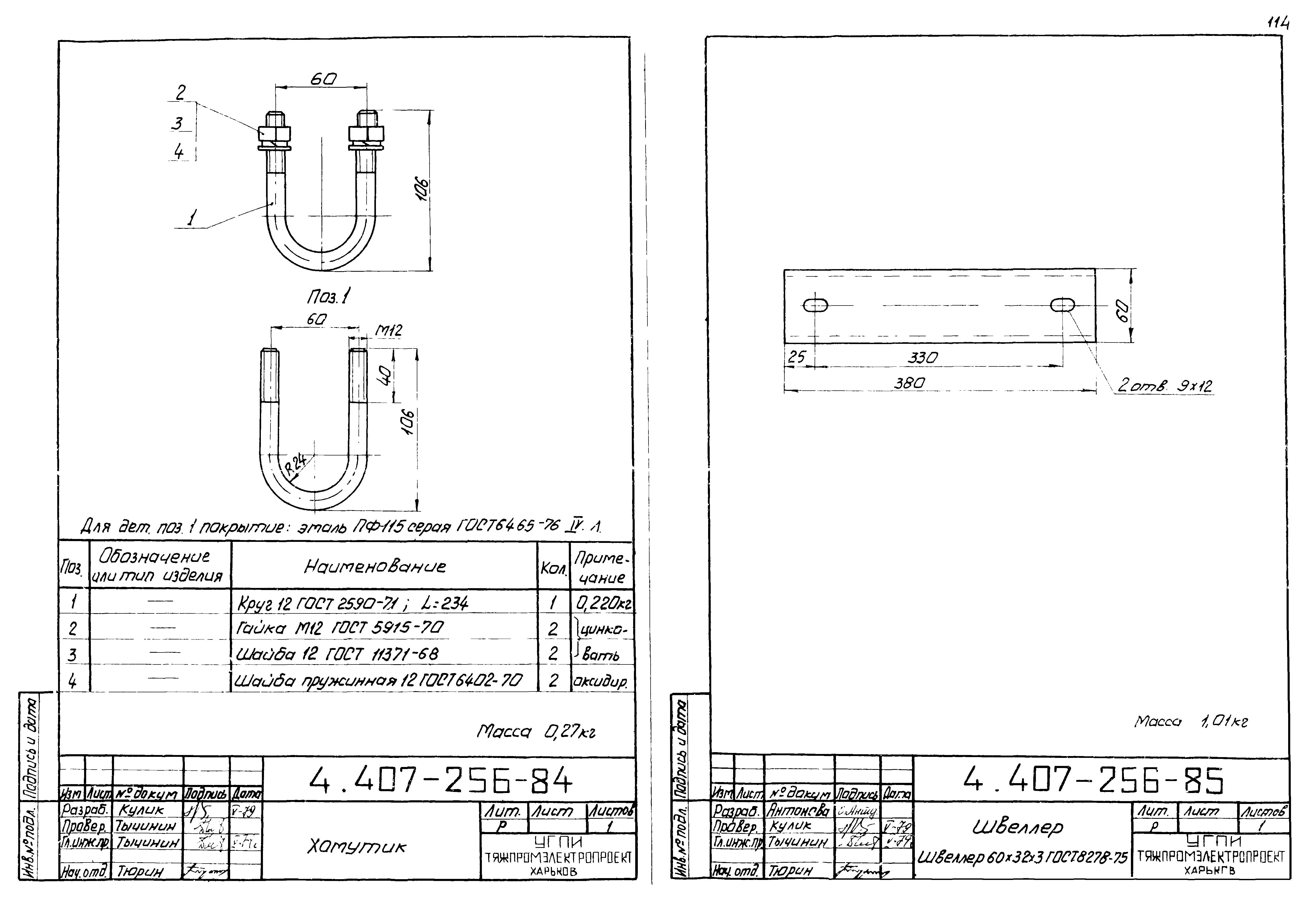
| Оглавление: | 4.407-256-Д Общие данные Примеры прокладки шинопроводов 4.407-256-01 Прокладка шинопровода по стене. Подъем трассы с применением угловых и прямых секций 4.407-256-02 Прокладка шинопровода по стене. Подъем трассы с применением угловых и подгоночной секции 4.407-256-03 Прокладка шинопровода по стене. Подъем трассы с применением угловых секций 4.407-256-04 Прокладка шинопровода по стене. Поворот трассы в горизонтальной плоскости с применением угловых секций Ш3М16-УГУЗ 4.407-256-05 Прокладка шинопровода по колоннам. Кронштейны по центру 4.407-256-06 Конечное крепление шинопровода, проложенного по колоннам 4.407-256-07 Прокладка шинопровода на стойках 4.407-256-08 Прокладка шинопровода под перекрытием. Обход одного шинопровода с применением угловых секций 4.407-256-09 Прокладка шинопровода под перекрытием. Обход двух шинопроводов с применением прямой и подгоночной секций 4.407-256-10 Прокладка шинопровода на перилах светотехнических мостиков 4.407-256-11 Вывод шинопроводов из КТП Чиркизовского завода. Пролет 6 м 4.407-256-12 Вывод шинопроводов из КТП Чиркизовского завода. Пролет 12 м 4.407-256-13 Вывод шинопроводов из КТП Хмельницкого завода. Пролет 6 м 4.407-256-14 Вывод шинопроводов из КТП Хмельницкого завода. Пролет 12 м 4.407-256-15 Вертикальная прокладка шинопровода Установочные чертежи 4.407-256-20 Установка тройниковой вертикальной секции Ш3М16-ТВУ3 4.407-256-21 Установка вертикального ответвления Ш3М16-ОВУ3 4.407-256-22 Установка секции Ш3М16-ПП07У3 для прохода шинопровода сквозь стену 4.407-256-23 Установка секции Ш3М16-ПП07У3 для прохода шинопровода сквозь перекрытие Промежуточное крепление 4.407-256-24 Установка гибкой секции Ш3М16-ГУ3 на температурном шве здания 4.407-256-25 Установка секции кабельного присоединения Ш3М16-КПУ3 4.407-256-26 Установка шинопровода вдоль нижнего пояса металлической стропильной фермы 4.407-256-27 Установка шинопровода поперек нижнего пояса металлической стропильной фермы 4.407-256-28 Установка шинопровода вдоль нижнего пояса железобетонной стропильной фермы 4.407-256-29 Установка шинопровода поперек нижнего пояса железобетонной стропильной фермы 4.407-256-30 Установка промежуточного подвеса на подкрановой балке 4.407-256-31 Установка промежуточного подвеса на подкрановой балке 4.407-256-32 Крепление шинопровода к сборным ж.б. ригелям перекрытия 4.407-256-33 Крепление шинопровода на железобетонной или кирпичной стене или на колонне 4.407-256-34 Крепление двух шинопроводов к сборным ж.б. ригелям перекрытия 4.407-256-35 Крепление шинопровода к второстепенным балкам монолитного перекрытия 4.407-256-36 Крепление двух шинопроводов к второстепенным балкам монолитного перекрытия 4.407-256-37 Крепление шинопровода к сборным железобетонным плитам перекрытия 4.407-256-38 Крепление шинопровода между сборными железобетонными плитами перекрытия 4.407-256-39 Крепление шинопровода к перекрытию (сборному или монолитному) 4.407-256-40 Крепление шинопровода к перекрытию (сборному или монолитному) 4.407-256-41 Крепление шинопровода к пустотным плитам перекрытия 4.407-256-42 Крепление шинопровода к пустотным плитам перекрытия 4.407-256-43 Крепление стойки СШ к монолитному перекрытию 4.407-256-44 Крепление стойки СШ к железобетонной плите 4.407-256-45 Крепление стойки СШ к полу Сборочные чертежи и детали 4.407-256-50 Обхват с одним кронштейном для прямоугольных ж.б. колонн 4.407-256-51 Обхват с одним кронштейном для прямоугольных ж.б. колонн 4.407-256-52 Обхват с одним кронштейном для прямоугольных ж.б. колонн 4.407-256-53 Обхват с двумя кронштейнами для прямоугольных ж.б. колонн 4.407-256-54 Обхват с одним кронштейном для ж.б. двухветвевых колонн 4.407-256-55 Обхват с одним кронштейном для ж.б. двухветвевых колонн 4.407-256-56 Обхват с одним кронштейном для железобетонных двухветвевых колонн 4.407-256-57 Обхват с двумя кронштейнами для ж.б. двухветвевых колонн 4.407-256-58 Обхват с одним кронштейном для ж.б. двухветвевых колонн 4.407-256-59 Обхват с одним кронштейном для ж.б. двухветвевых колонн 4.407-256-60 Обхват с одним кронштейном для ж.б. двухветвевых колонн 4.407-256-61 Обхват с двумя кронштейнами для ж.б. двухветвевых колонн 4.407-256-62 Подвес для крепления шинопровода к сборным ригелям перекрытия 4.407-256-63 Подвес для крепления шинопровода к второстепенным балкам монолитного перекрытия 4.407-256-64 Обхват 4.407-256-65 Подвес сдвоенный для крепления шинопровода к сборным ж.б. ригелям перекрытия 4.407-256-66 Подвес для крепления шинопровода между сборными ж.б. плитами перекрытия 4.407-256-67 Подвес сдвоенный для крепления шинопровода к второстепенным балкам монолитного перекрытия 4.407-256-68 Подвес для крепления шинопровода к сборным ж.б. плитам или монолитным перекрытиям 4.407-256-69 Подвес для крепления шинопровода к сборным ж.б. плитам или монолитным перекрытиям 4.407-256-70 Подвес для крепления шинопровода к пустотным плитам перекрытия 4.407-256-71 Подвес для крепления шинопровода к пустотным плитам перекрытия 4.407-256-72 Обойма 4.407-256-73 Плита 4.407-256-74 Рама 4.407-256-75 Стойка 4.407-256-76 Стойка 4.407-256-77 Обхват 4.407-256-78 Обхват 4.407-256-79 Обхват 4.407-256-80 Закреп 4.407-256-81 Подвес промежуточный 4.407-256-82 Скоба 4.407-256-83 Скоба 4.407-256-84 Хомутик 4.407-256-85 Швеллер 4.407-256-86 Стойка 4.407-256-87 Скоба 4.407-256-88 Шпилька 4.407-256-89 Конструкция для крепления стойки СШ к монолитному перекрытию 4.407-256-90 Конструкция для крепления стойки к сборной железобетонной плите |
| Разработан: | УГПИ Тяжпромэлектропроект Минмонтажспецстроя УССР |
| Утверждён: | 03.07.1979 ВНИПИ Тяжпромэлектропроект им. Ф.Б. Якубовского (F.B.Yakubovskiy Tyazhpromelektroproject VNIPI 104) |
| Заменяет собой: |
|























































































































