Скачать Серия ИИ-04-8 Выпуск 3. Закладные детали и соединительные элементы для изделий связевого каркаса. Рабочие чертежиДата актуализации: 01.01.2021
|
| Обозначение: | Серия ИИ-04-8 |
| Обозначение англ: | Series ИИ-04-8 |
| Статус: | не действует |
| Название рус.: | Выпуск 3. Закладные детали и соединительные элементы для изделий связевого каркаса. Рабочие чертежи |
| Дата добавления в базу: | 01.09.2013 |
| Дата актуализации: | 01.01.2021 |
| Дата окончания срока действия: | 01.04.1982 |
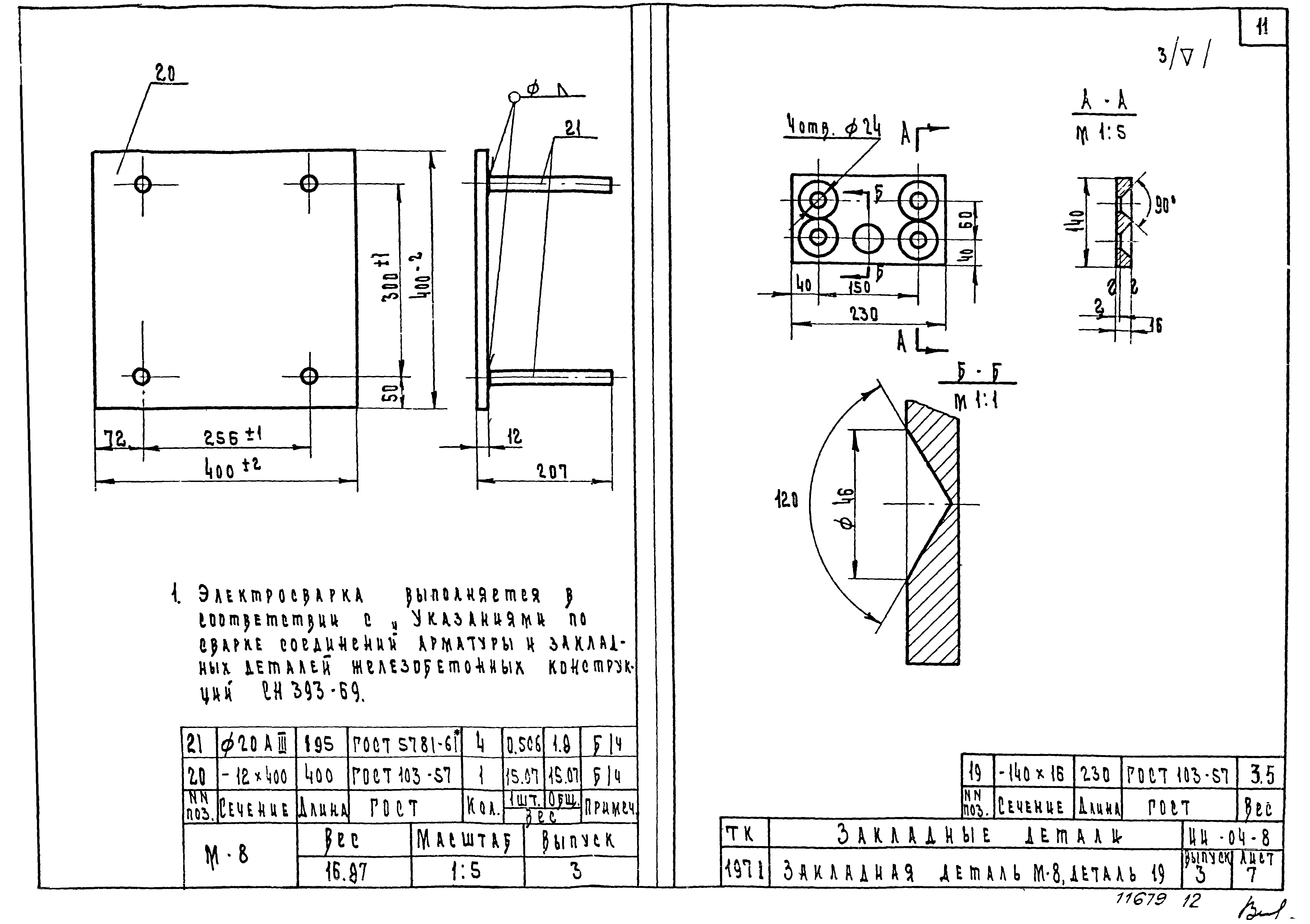
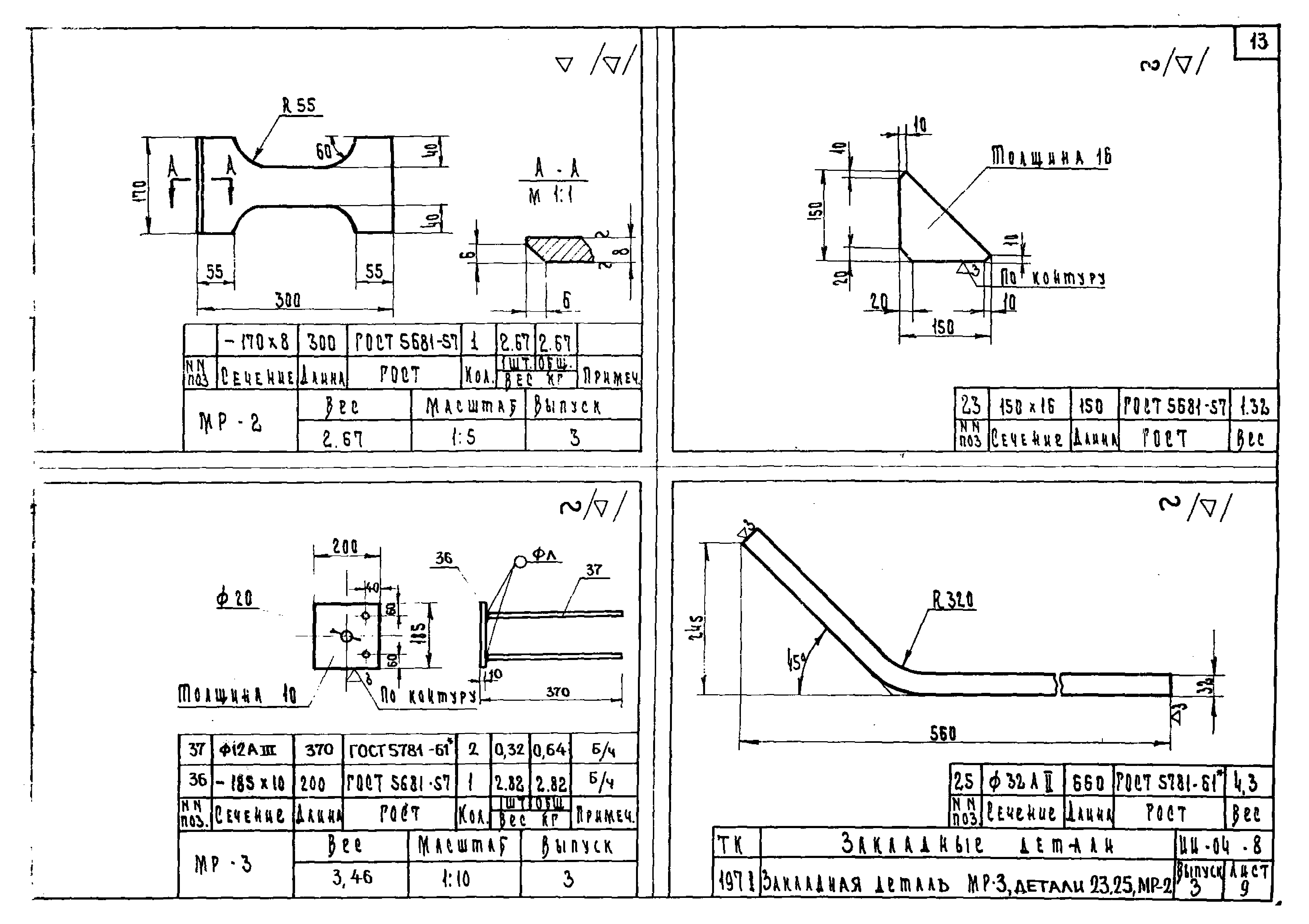
| Оглавление: | Перечень серий и выпусков Содержание выпуска Пояснительная записка Закладные детали М-1,М-2 Закладные детали М-3,М-4 Закладная деталь М-5 Закладная деталь М-6 Закладная деталь М-7 Детали 6,8,17,12 Закладные детали М-8,9 Закладная деталь МР-1 Закладная деталь МР-3, детали 23,25,МР-2 Закладная деталь МР-4 Закладная деталь МР-5 Детали 27,29,30,МР-6 Закладные детали МД-1,МЛ-1 Монтажные детали ММД-1,ММД-2,ММД-4 Монтажные детали ММД-3,ММД-5,ММД-6,ММД-7 Монтажные детали ММД-8,ММД-9,ММД-10,35 |
| Разработан: | ЦНИИЭП торгово-бытовых зданий и туристских комплексов НИИЖБ |
| Утверждён: | 28.01.1972 Государственный комитет по гражданскому строительству и архитектуре при Госстрое СССР (9) |
| Чем заменён: |




















