Скачать Серия ИИ-04-8 Выпуск 4. Металлические ограждения лестниц для зданий с высотами этажей 3,3; 3,6 и 4,2 м и зданий детских садов-яслей с высотой этажа 3,3 мДата актуализации: 01.01.2021
|
| Обозначение: | Серия ИИ-04-8 |
| Обозначение англ: | Series ИИ-04-8 |
| Статус: | не действует |
| Название рус.: | Выпуск 4. Металлические ограждения лестниц для зданий с высотами этажей 3,3; 3,6 и 4,2 м и зданий детских садов-яслей с высотой этажа 3,3 м |
| Дата добавления в базу: | 01.09.2013 |
| Дата актуализации: | 01.01.2021 |
| Дата введения: | 01.07.1977 |
| Дата окончания срока действия: | 01.04.1982 |
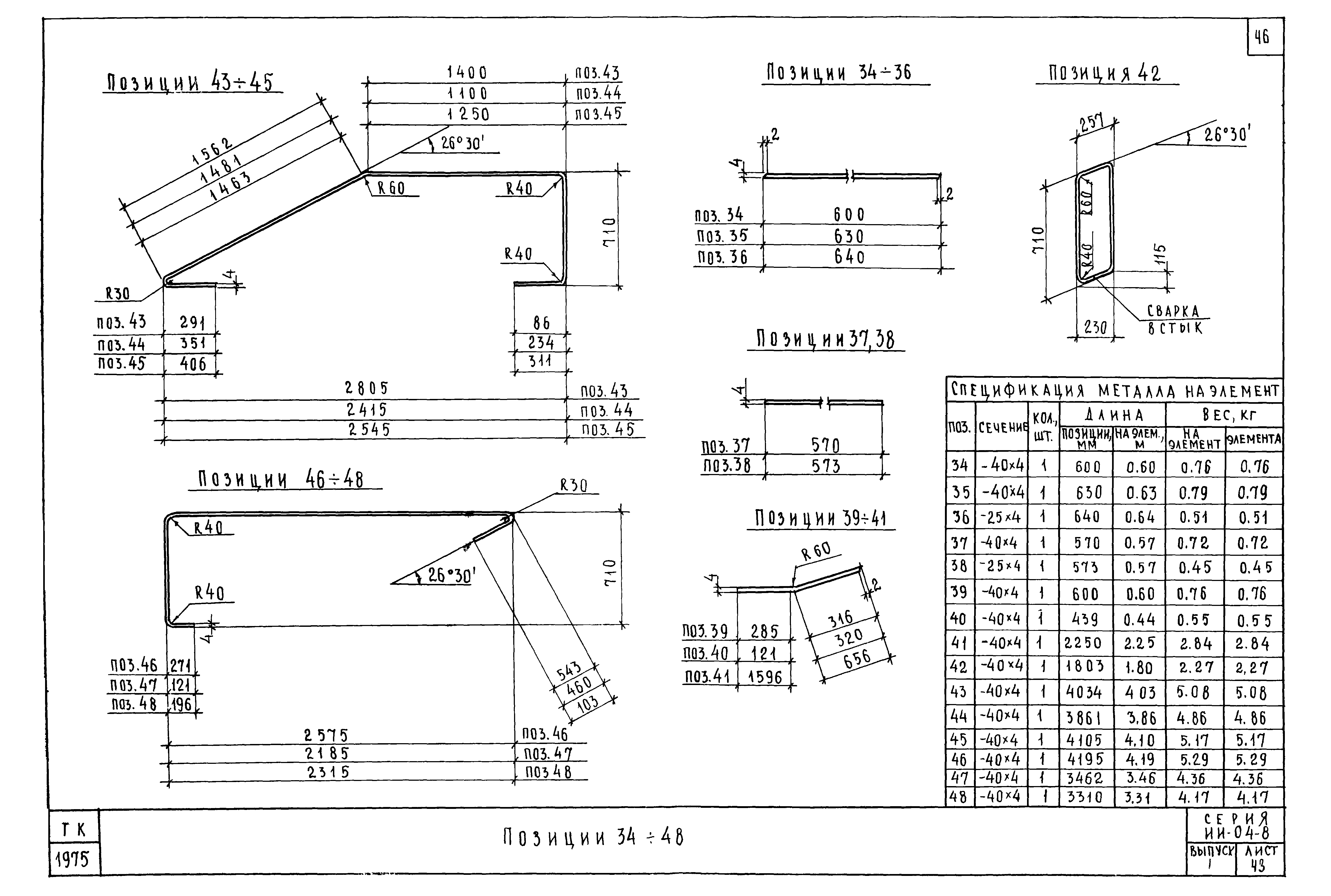
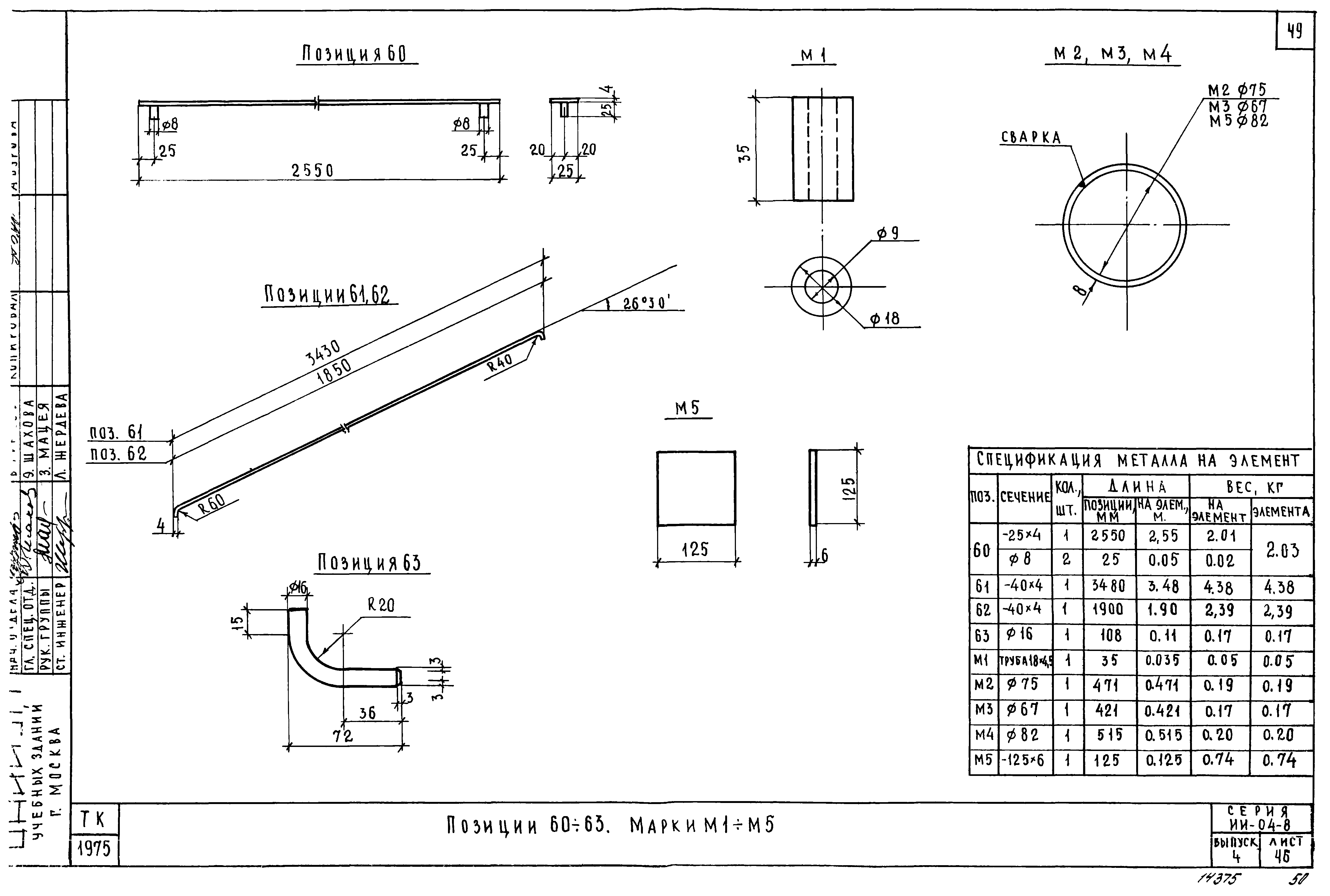
| Оглавление: | Содержание Пояснительная записка Номенклатура изделий Монтажные схемы ограждений Ограждения ОЛ-42-1,ОЛ-12-1 Ограждения ОЛ-42-2,ОЛ-12-2 Ограждения ОЛ-42-3,ОЛ-12-3 Ограждения ОЛ-36-1,ОВ-2.3-1 Ограждения ОЛ-36-2,ОВ-2.3-2 Ограждения ОЛ-36-3 Ограждения ОЛ-33-1,ОЛ-9-1 Ограждения ОЛ-33-2,ОЛ-9-2 Ограждения ОЛ-33-3,ОЛ-9-3 Ограждения ОЛВ-42-1,ОЛН-42-1 Ограждения ОЛВ-42-2,ОЛН-42-2 Ограждения ОЛВ-42-3,ОЛН-42-3 Ограждения ОЛВ-36-1,ОЛН-36-1 Ограждения ОЛВ-36-2,ОЛН-36-2 Ограждения ОЛВ-36-3,ОЛН-36-3 Ограждения ОЛВ-33-1,ОЛН-33-1 Ограждения ОЛВ-33-2,ОЛН-33-2 Ограждения ОЛВ-33-3,ОЛН-33-3 Ограждения ОЛ-33д-1,ОВП-30д-1 Ограждения ОЛ-33д-2,ОВП-30д-2 Ограждения ОЛ-33д-3,ОВП-30д-3 Ограждения ОЛ-9д-1,ОЛ-9д-2 Ограждения ОЛ-9д-3 Ограждения ОВПЛ-42-1,ОВПЛ-36-1,ОВПЛ-33-1 Ограждения ОВПЛ-42-2,ОВПЛ-36-2,ОВПЛ-33-2 Ограждения ОВПЛ-42-3,ОВПЛ-36-3,ОВПЛ-33-3 Ограждения ОНПЛ-42-1,ОНПЛ-36-1,ОНПЛ-33-1,ОВП-30-1 Ограждения ОНПЛ-42-2,ОНПЛ-36-2,ОНПЛ-33-2,ОВП-30-2 Ограждения ОНПЛ-42-3,ОНПЛ-36-3,ОНПЛ-33-3,ОВП-30-3 Ограждения ОВПЛ-33д-1,ОНПЛ-33д-1,ОЛК-24д-1 Ограждения ОВПЛ-33д-2,ОНПЛ-33д-2,ОЛК-24д-2 Ограждения ОВПЛ-33д-3,ОНПЛ-33д-3,ОЛК-24д-3 Позиции 49,60-66,76-81,90,97,98 и 107 Позиции 50,67а-67ж,68а-68с,69а-69е и 91 Позиции 82а-82ж,83а-83ж,84а-84ж,89 и 99 Позиции 54-58 Позиции 51-53,59,70-75,85-88 и 112 Позиции 92 и 93 Позиции 100-106,108 и 109 Позиции 15,94,95,110 и 111. Марки М1-М3 и М7 Узлы 1-17 |
| Разработан: | ЦНИИЭП учебных зданий Госгражданстроя |
| Утверждён: | 12.04.1977 Госгражданстрой (Gosgrazhdanstroy 66) |
| Заменяет собой: | |
| Чем заменён: |



















































