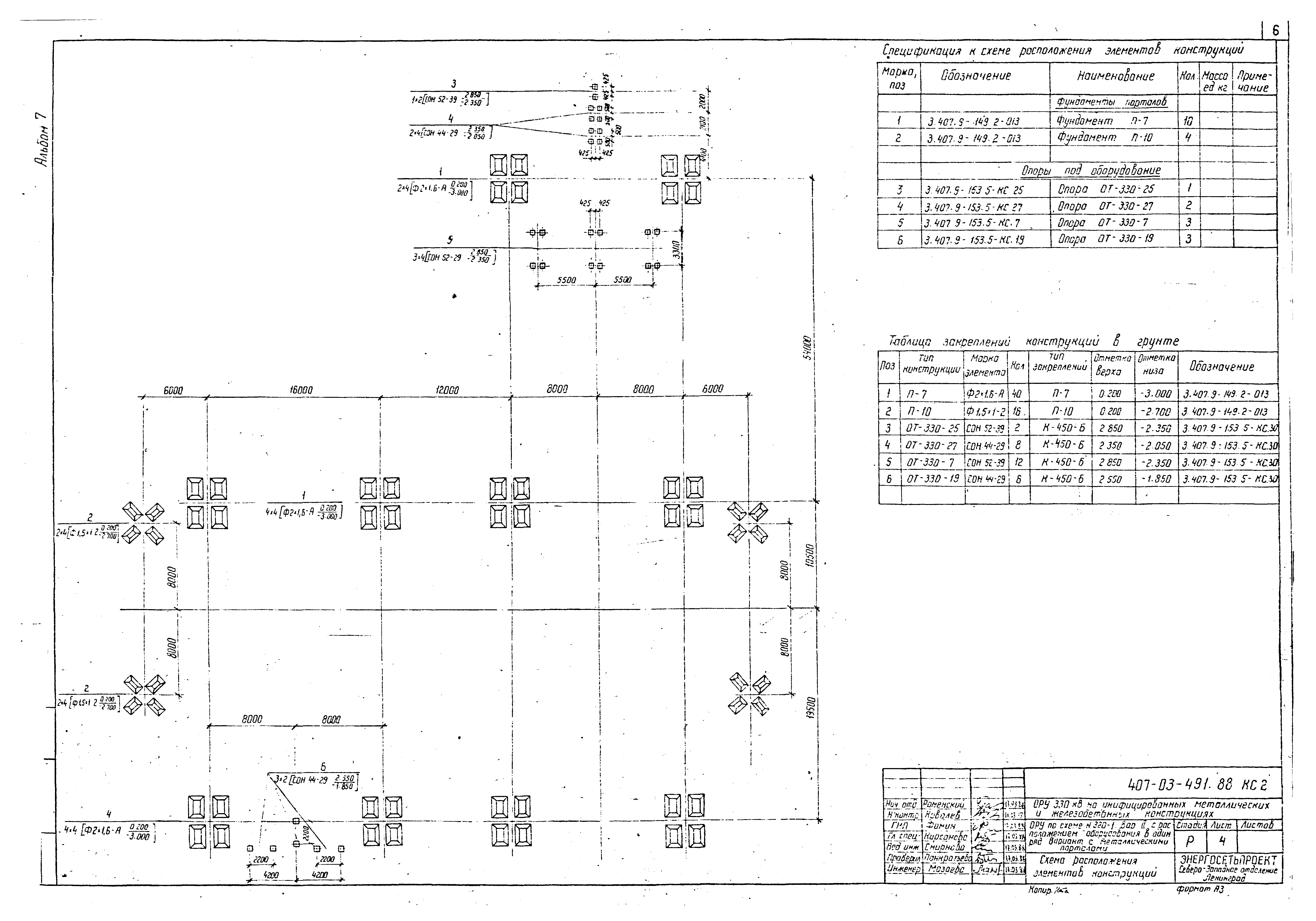
Скачать Типовые материалы для проектирования 407-03-491.88 Альбом 7. Строительная часть. Планы строительных конструкцийДата актуализации: 01.01.2021 Типовые материалы для проектирования 407-03-491.88
Альбом 7. Строительная часть. Планы строительных конструкций| Обозначение: | Типовые материалы для проектирования 407-03-491.88 | | Обозначение англ: | 407-03-491.88 | | Статус: | справочные материалы, мп, тпр | | Название рус.: | Альбом 7. Строительная часть. Планы строительных конструкций | | Дата добавления в базу: | 01.09.2013 | | Дата актуализации: | 01.01.2021 | | Дата введения: | 26.03.1988 | | Разработан: | Северо-западное отделение института Энергосетьпроект
| | Утверждён: | 26.03.1988 Минэнерго СССР (USSR Minenergo 24)
|
                                         
|