Скачать Серия ИИЭ29-2 Разные стальные конструктивные элементы этажерок. Лестницы и огражденияДата актуализации: 01.01.2021
|
| Обозначение: | Серия ИИЭ29-2 |
| Обозначение англ: | Series ИИЭ29-2 |
| Статус: | не действует |
| Название рус.: | Разные стальные конструктивные элементы этажерок. Лестницы и ограждения |
| Дата добавления в базу: | 01.09.2013 |
| Дата актуализации: | 01.01.2021 |
| Дата введения: | 01.11.1967 |
| Дата окончания срока действия: | 01.06.1990 |
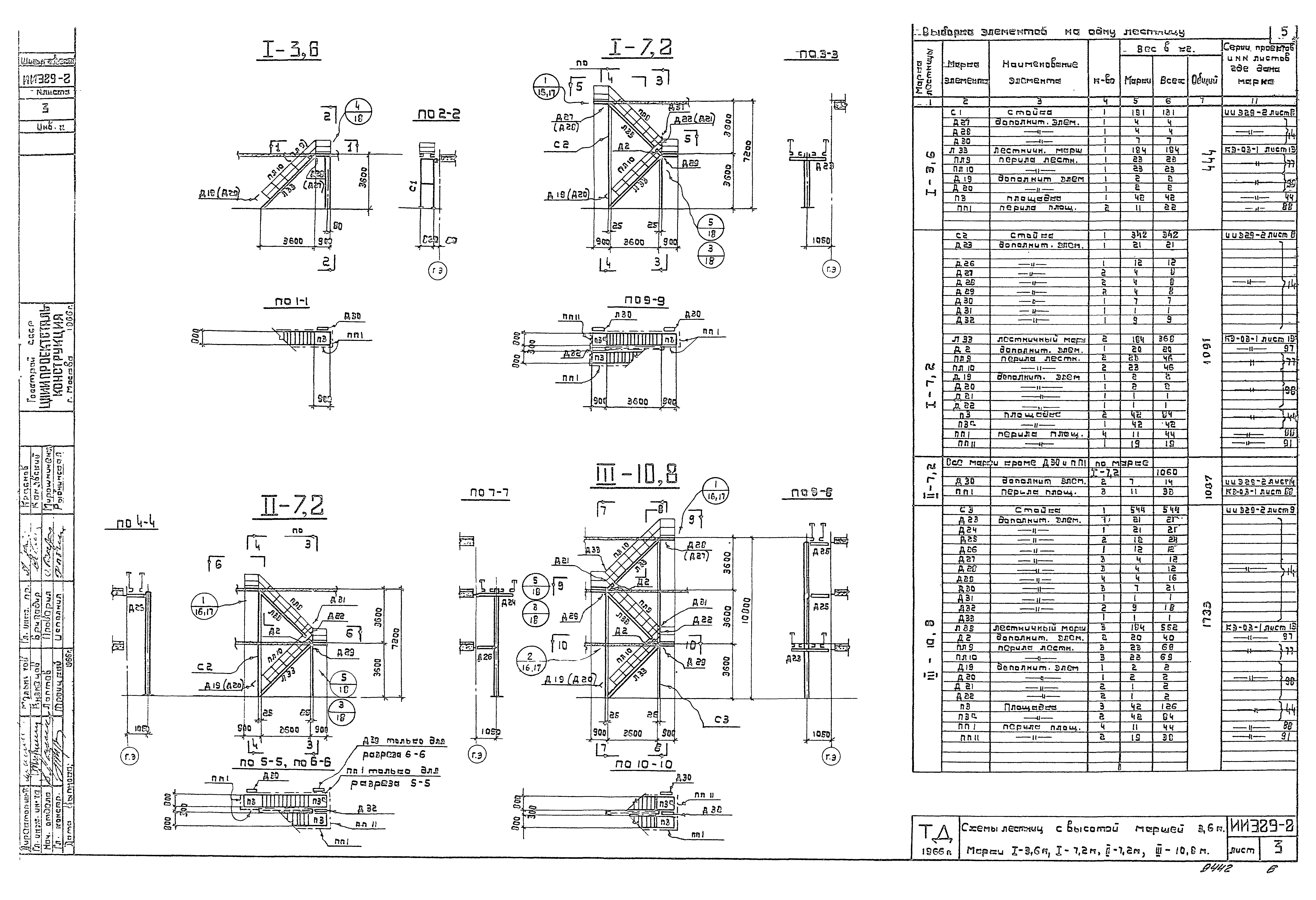
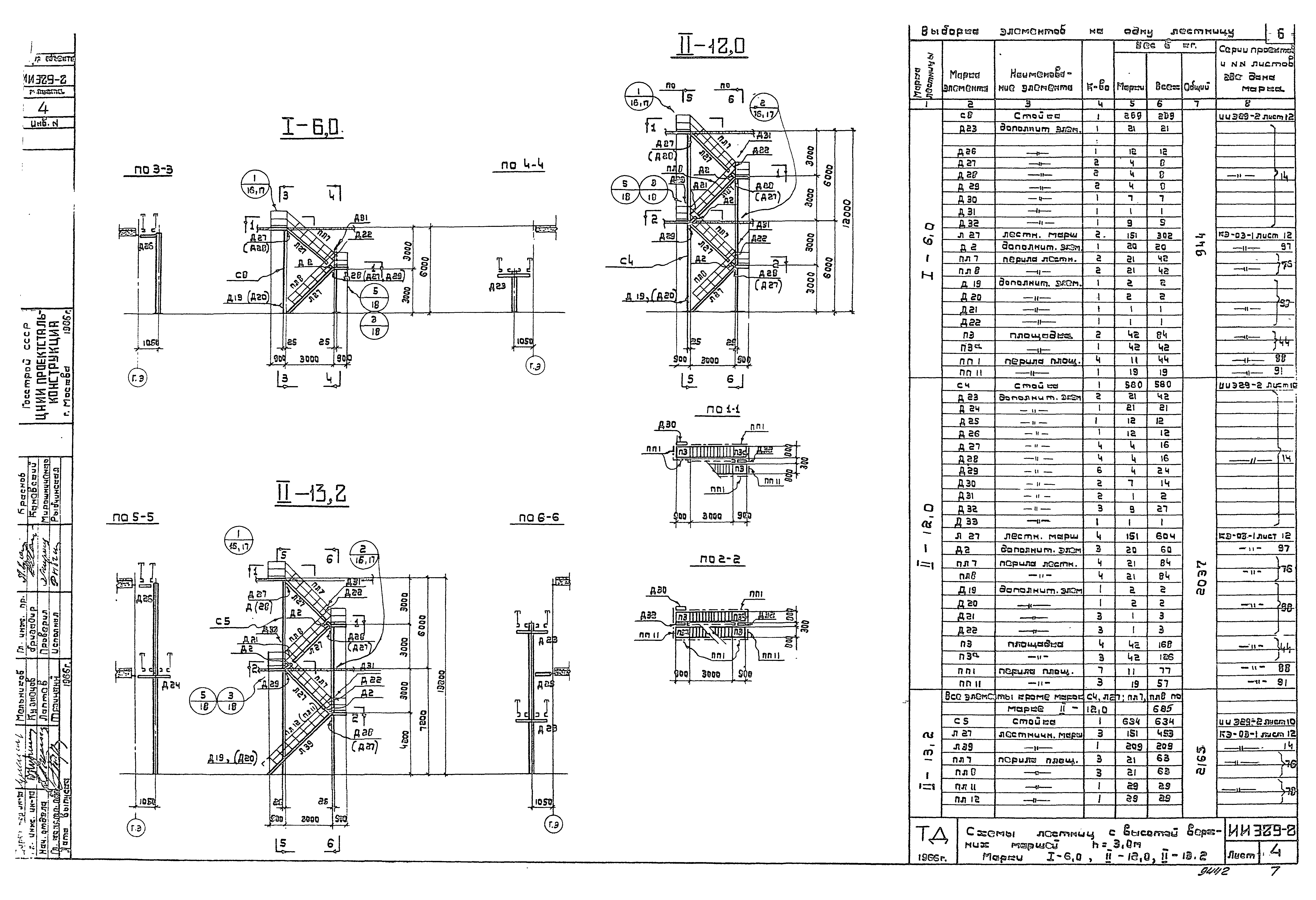
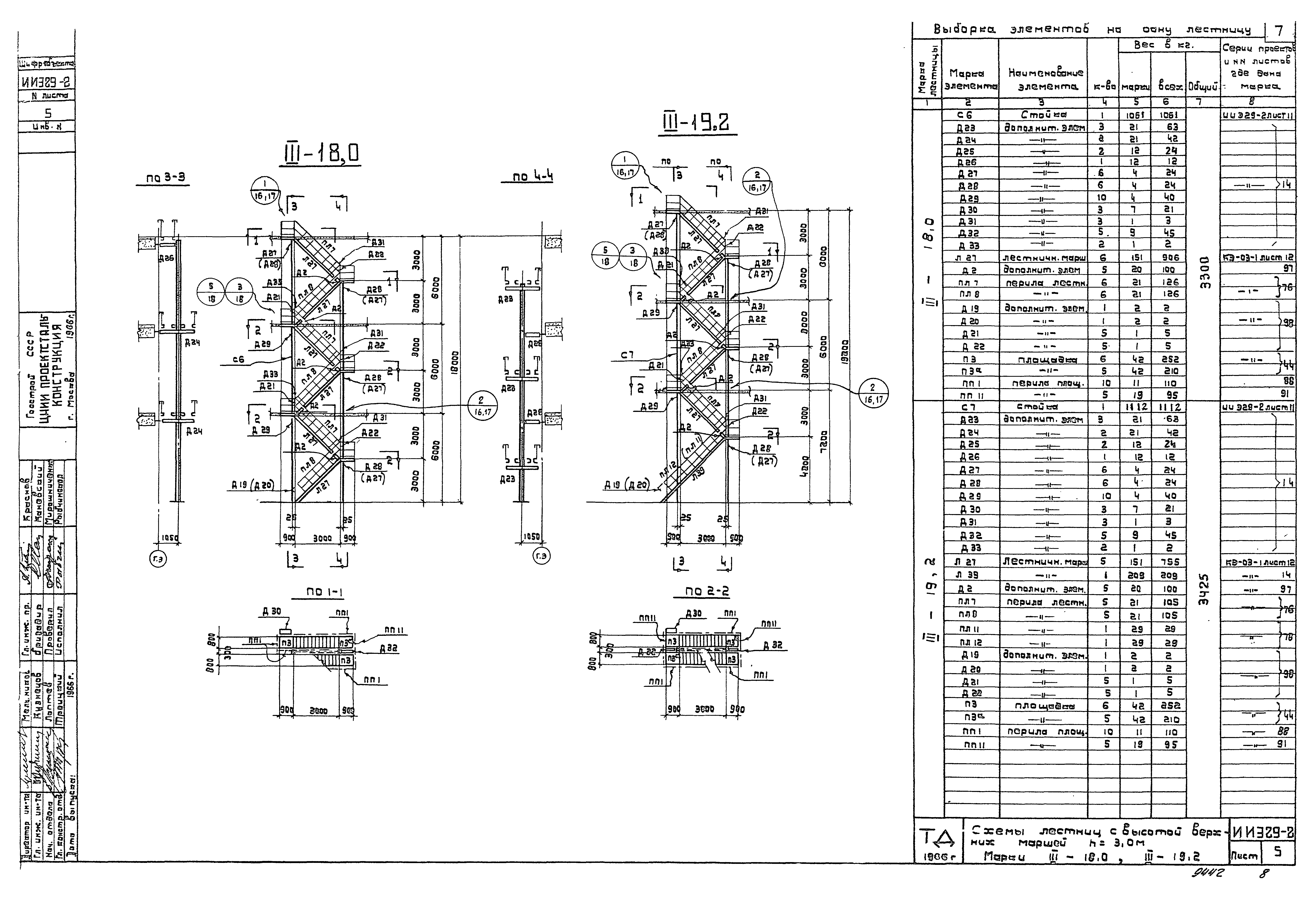
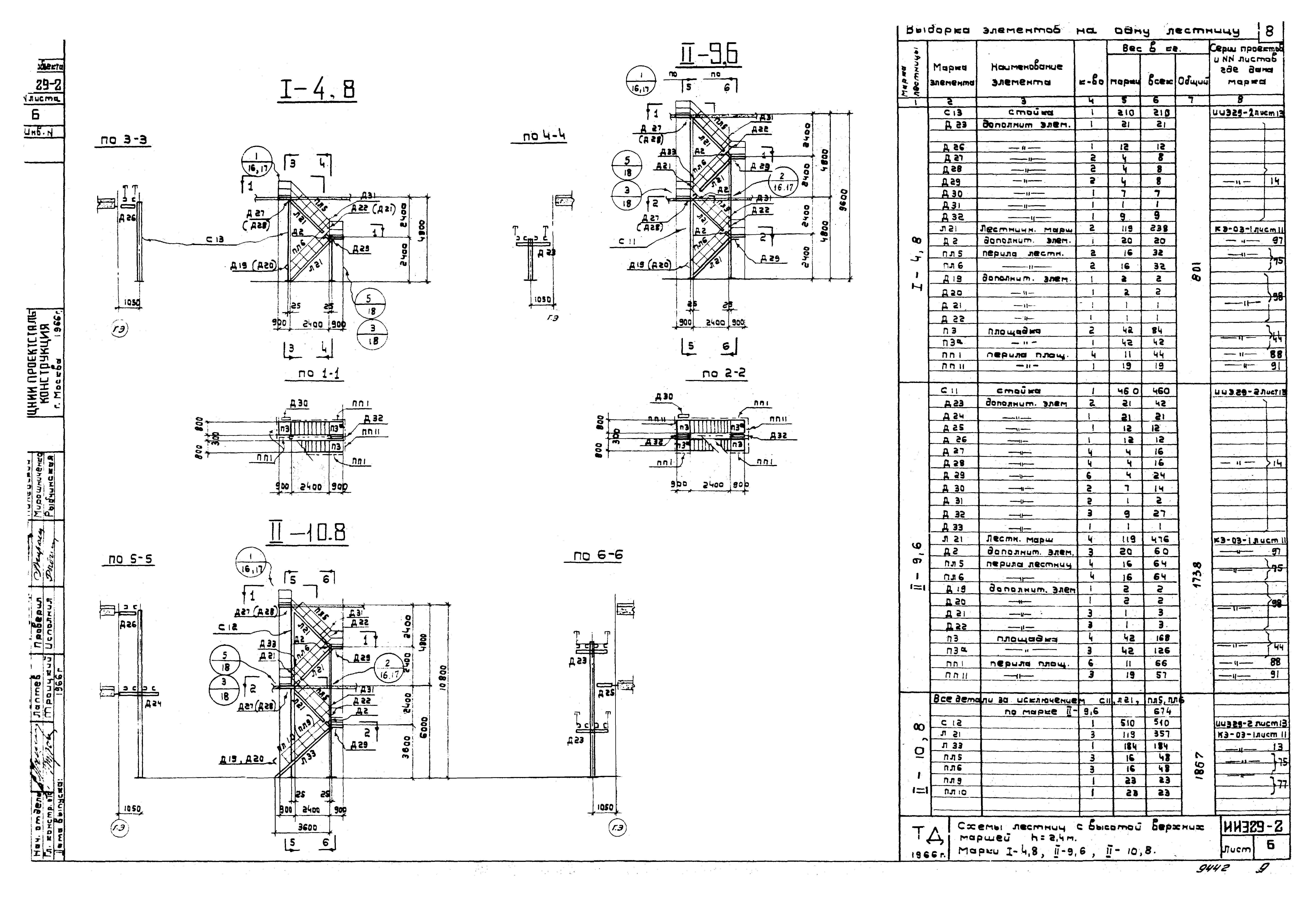
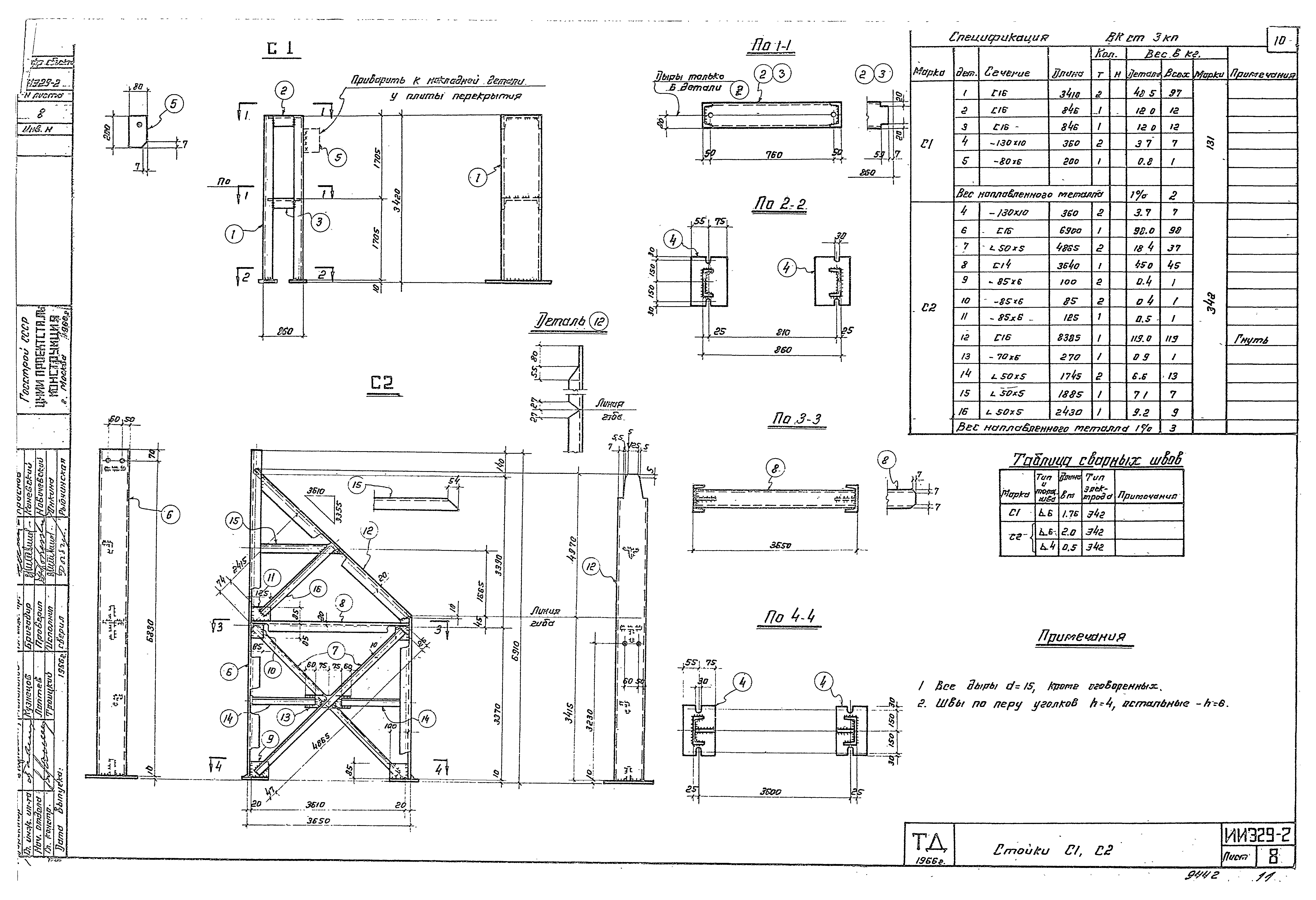
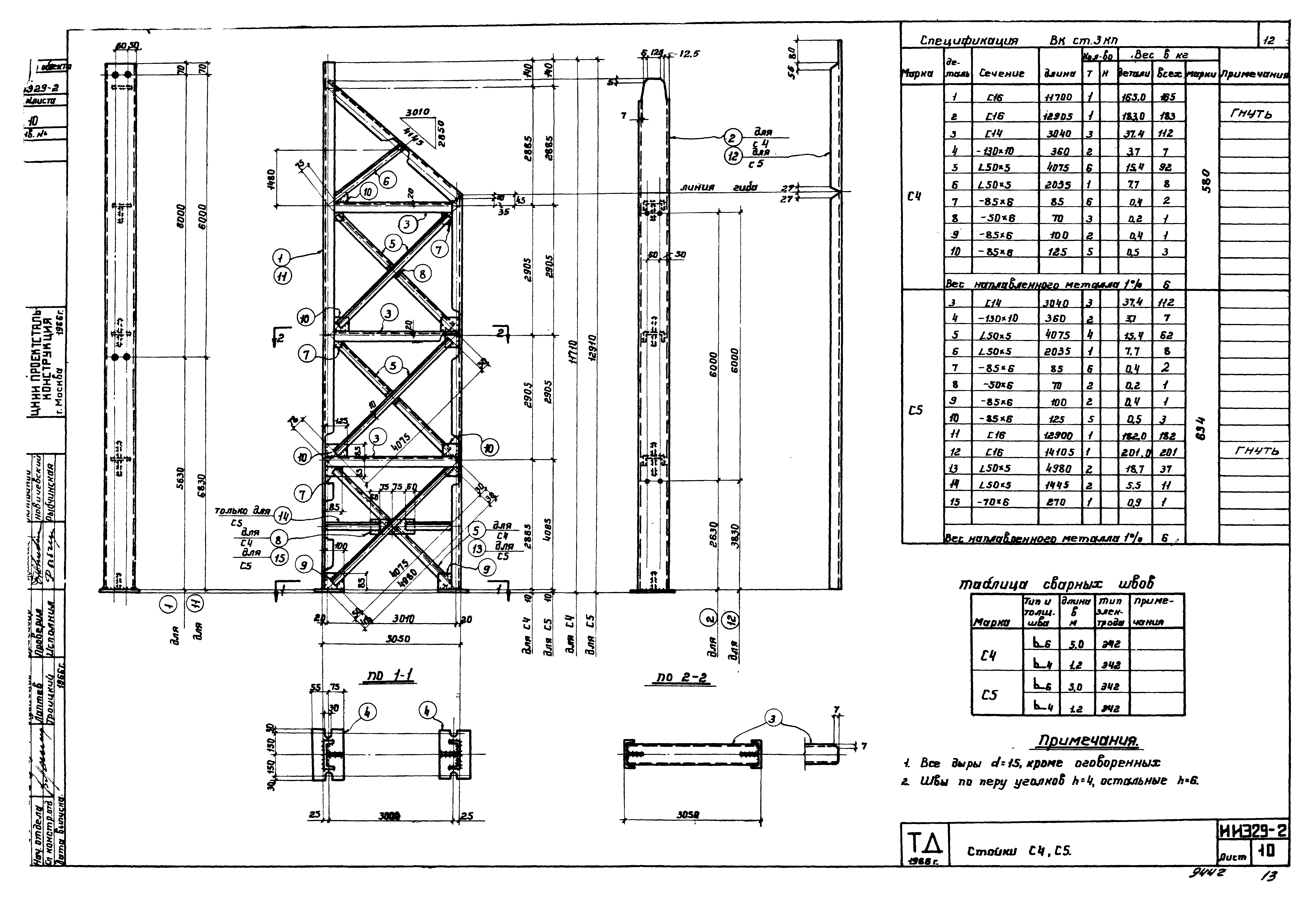
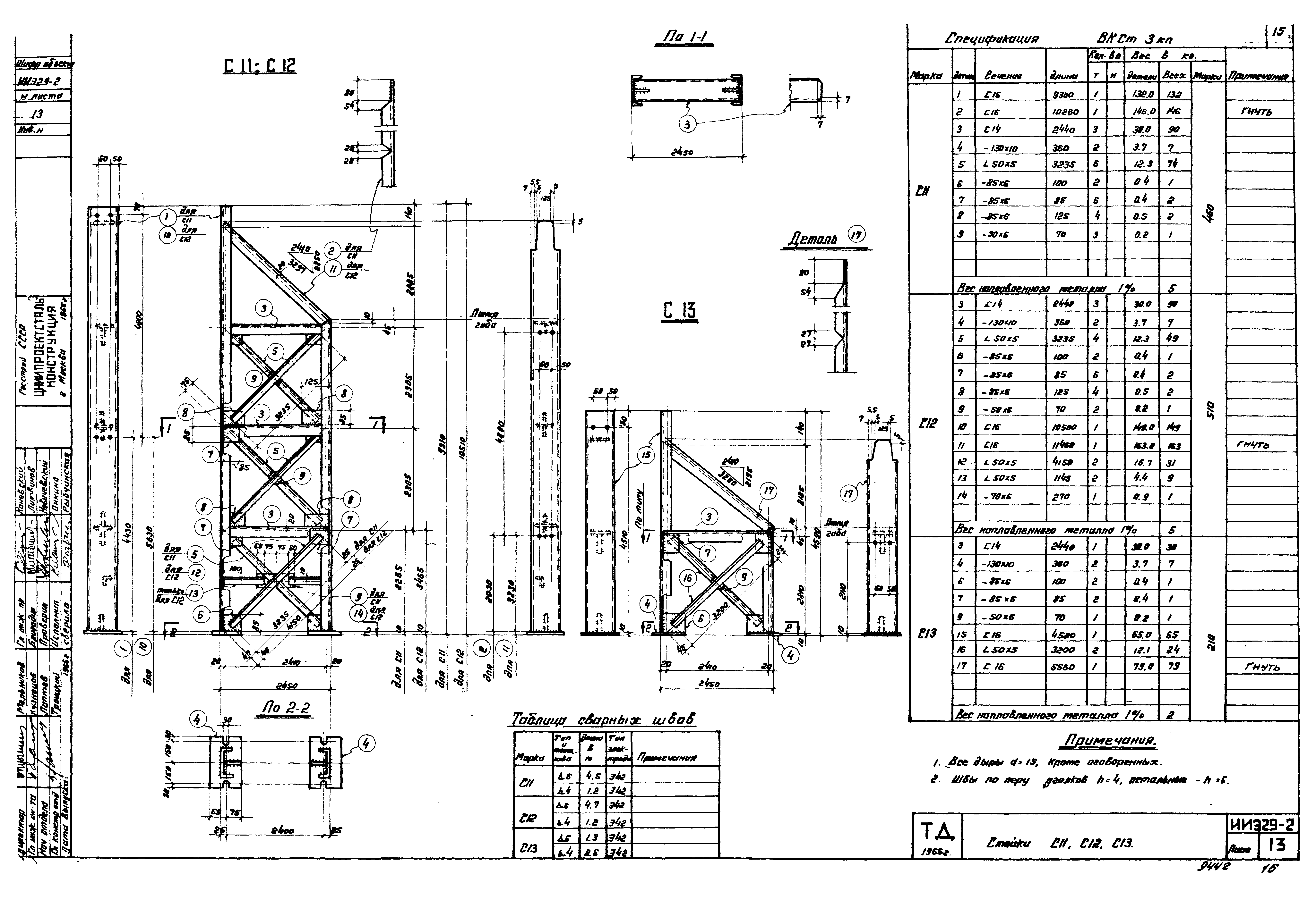
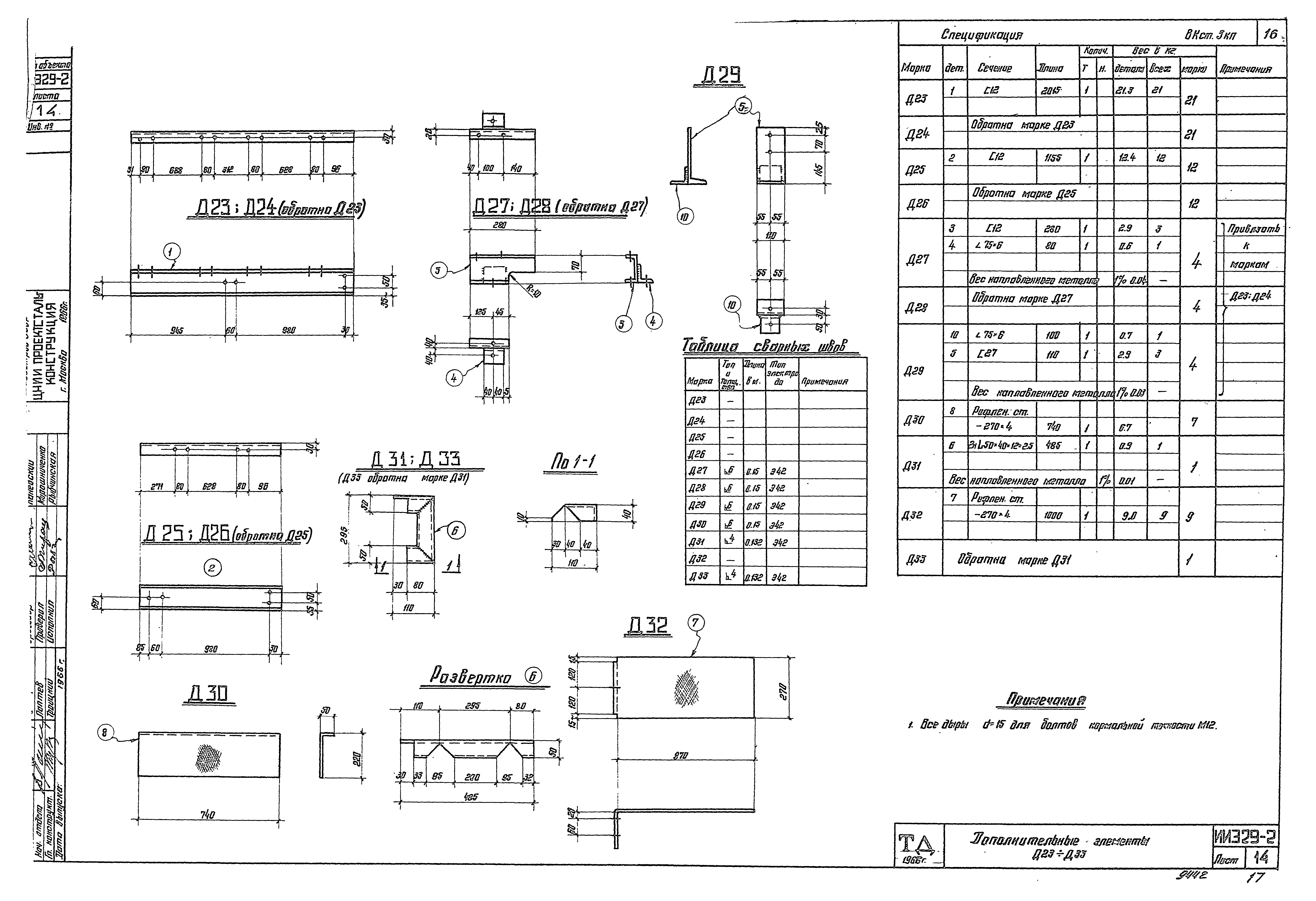
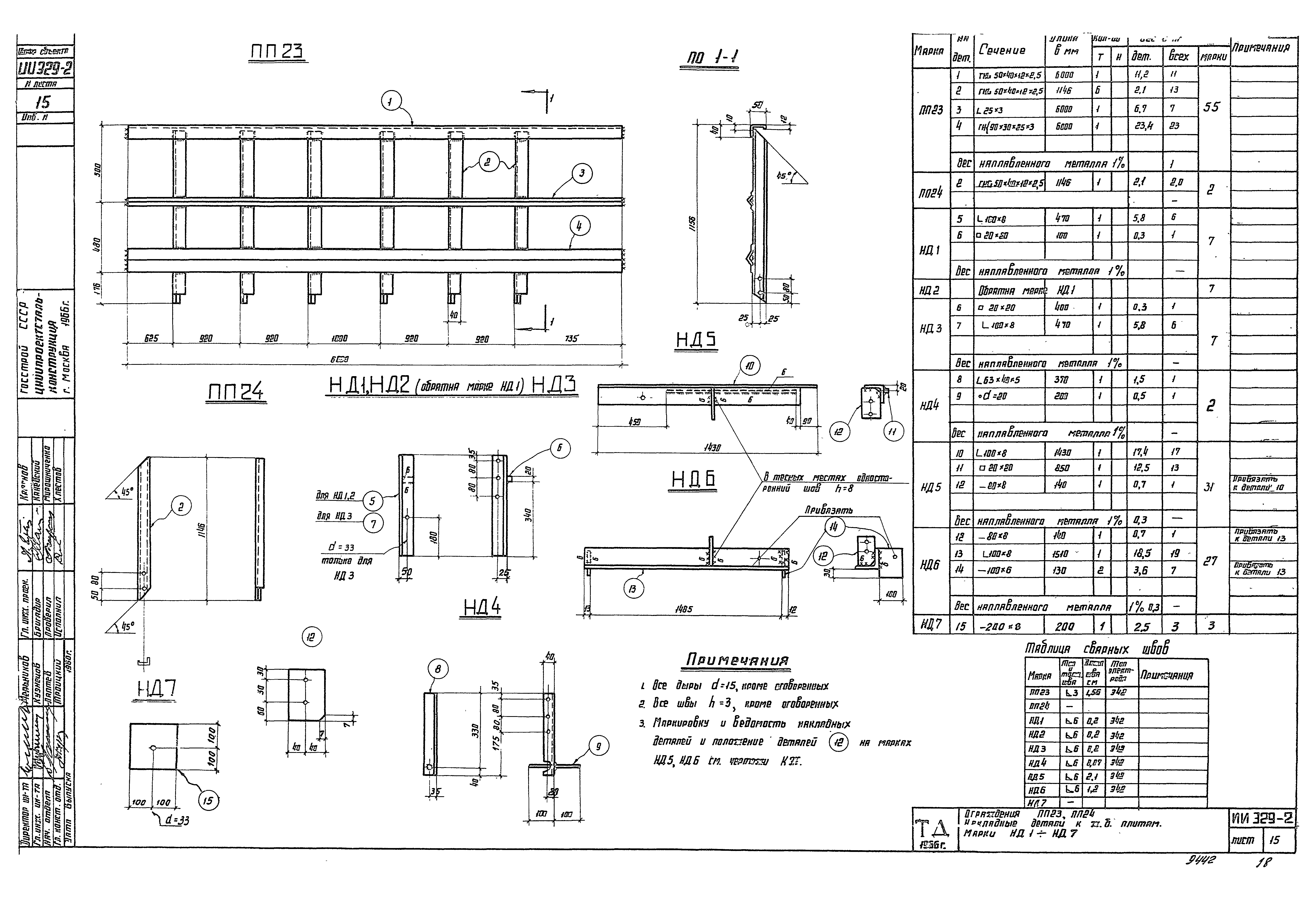
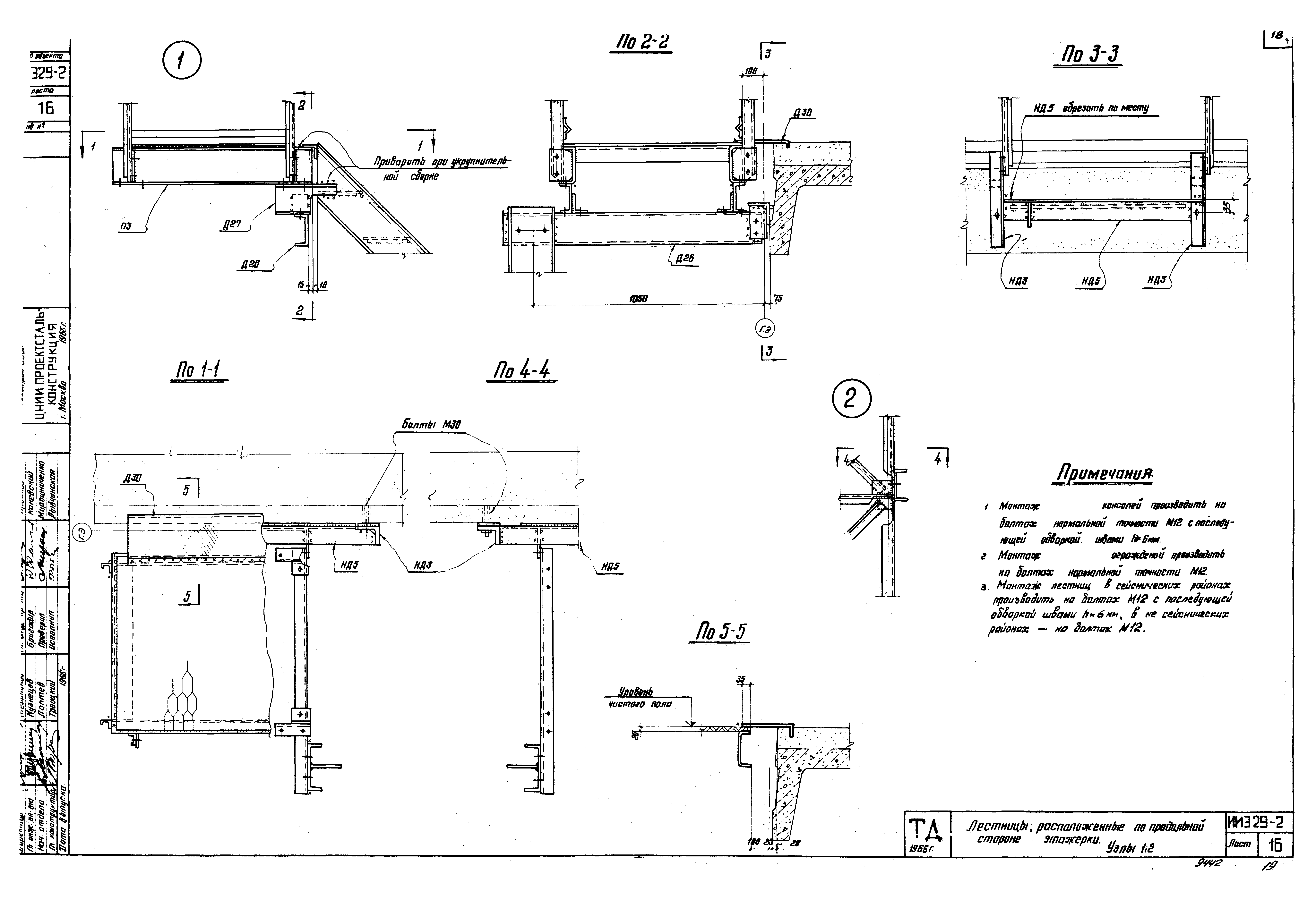
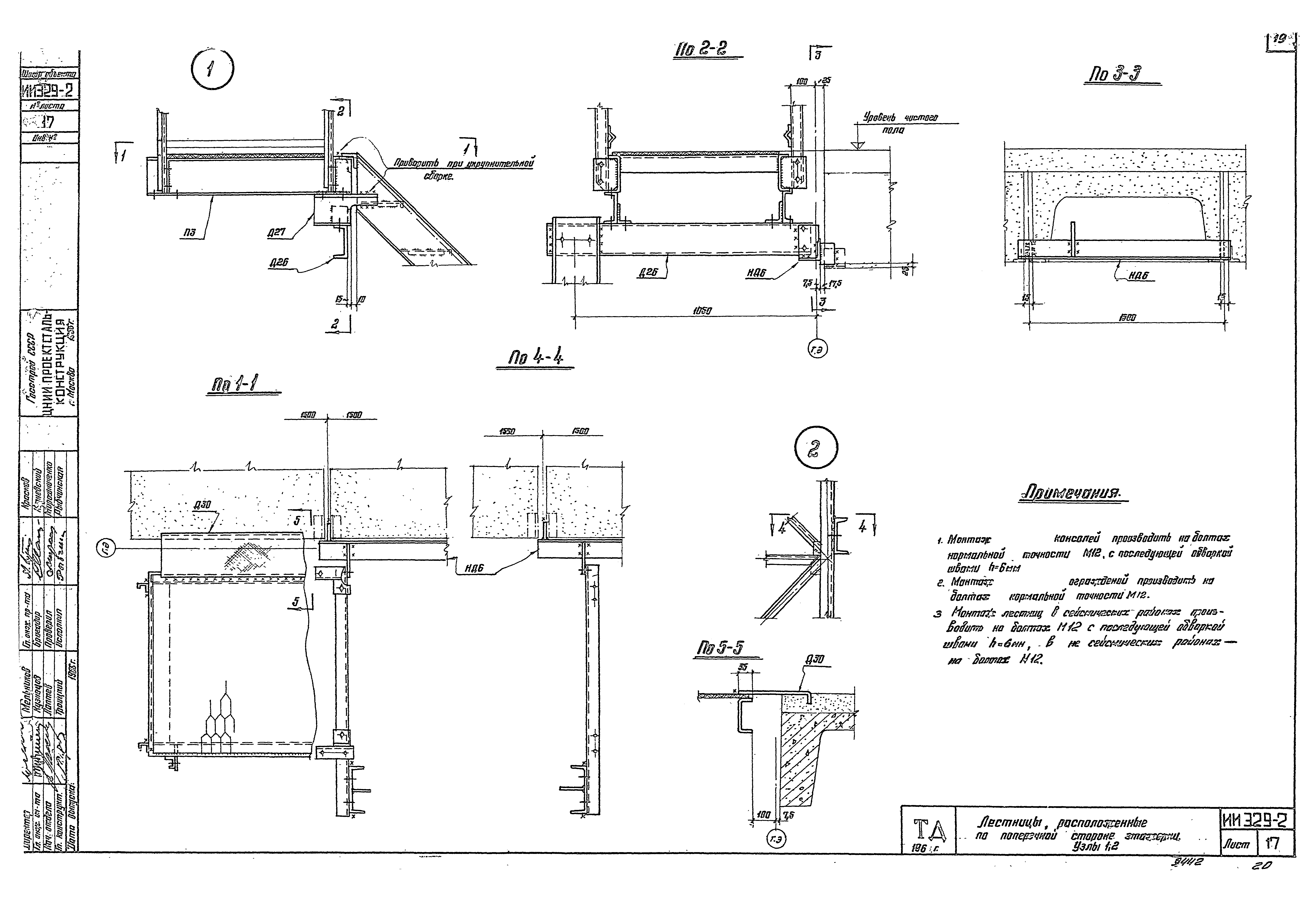
| Оглавление: | Титульный лист Содержание. Пояснительная записка Пример привязки типовых лестниц и ограждений ж.б. этажерки Ограждения по ж.б. этажеркам. Схемы и узлы Схемы лестниц с высотой маршей h=3.6 м. Марки I-3.6; I-7.2; II-7.2; III-10.8 м Схемы лестниц с высотой маршей h=3.0 м. Марки I-6.0; I-12.0; II-13.2 Схемы лестниц с высотой маршей h=3.0 м. Марки III-18.0; III-19.2 Схемы лестниц с высотой маршей h=2.4 м. Марки I-4.8; II-9.6; II-10.8 Схемы лестниц с высотой маршей h=2.4 м. Марки III-14.4; III-15.2 Стойки С1;С2 Стойка С3 Стойки С4;С5 Стойки С6;С7 Стойки С8;С9;С10 Стойки С11;С12;С13 Дополнительные элементы Д23-Д33 Ограждения ПП23; ПП24. Накладные детали к ж.б. плитам. Марки НД1-НД7 Лестницы, расположенные по продольной стороне этажерки. Узлы 1-2 Лестницы, расположенные по поперечной стороне этажерки. Узлы 1,2 Лестницы. Узлы 3,4,5 |
| Разработан: | ЦНИИпромзданий ЦНИИпроектстальконструкция |
| Утверждён: | 29.08.1967 Госстрой СССР (Государственный комитет Совета Министров СССР по делам строительства) (USSR Gosstroy 160) |




















