Скачать Типовой проект 904-1-70.86 Альбом 10. Сметы на технологические решения для 4 компрессоровДата актуализации: 01.01.2021
|
| Обозначение: | Типовой проект 904-1-70.86 |
| Обозначение англ: | 904-1-70.86 |
| Статус: | действует |
| Название рус.: | Альбом 10. Сметы на технологические решения для 4 компрессоров |
| Дата добавления в базу: | 01.09.2013 |
| Дата актуализации: | 01.01.2021 |
| Дата введения: | 14.11.1986 |
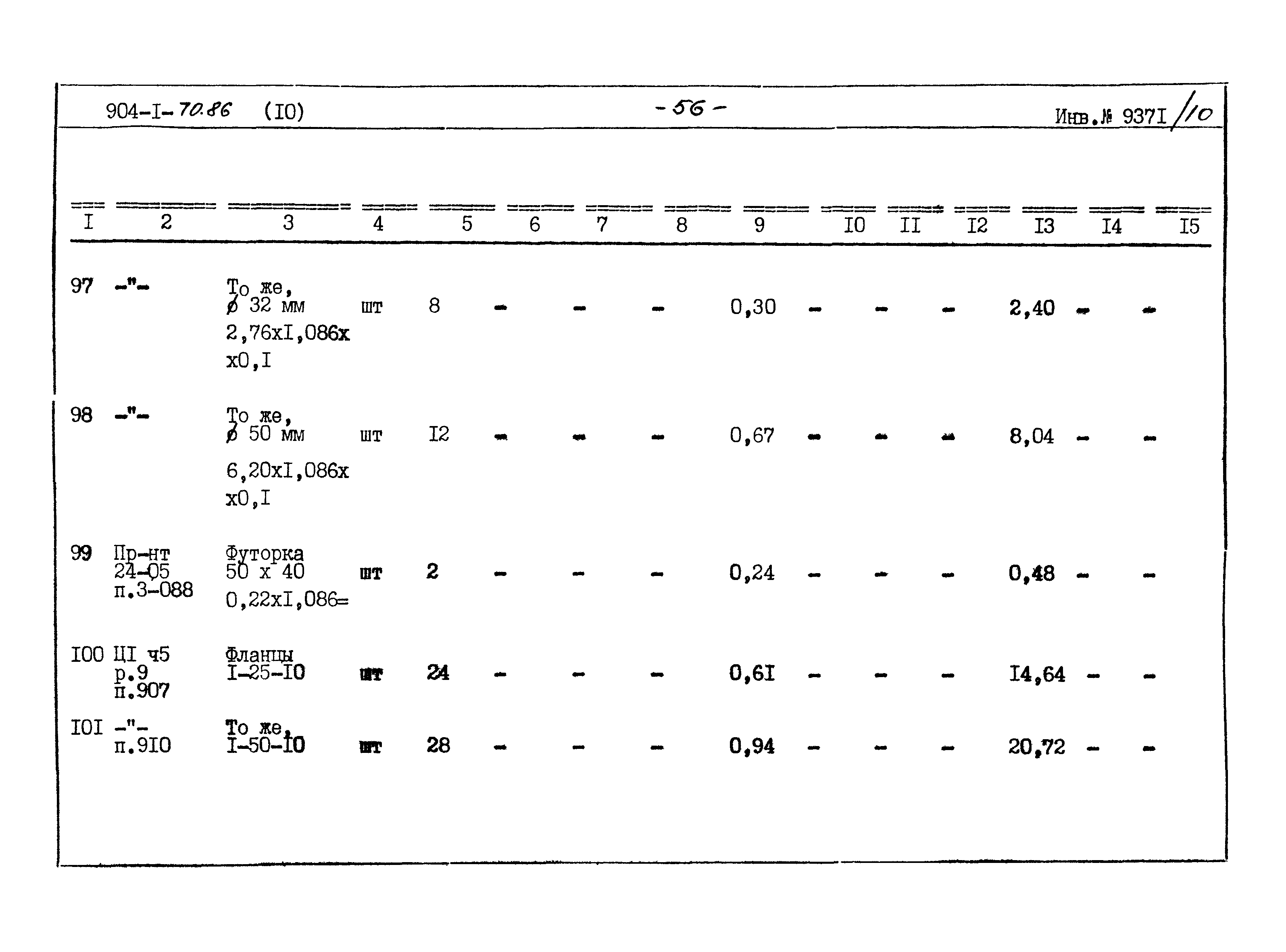
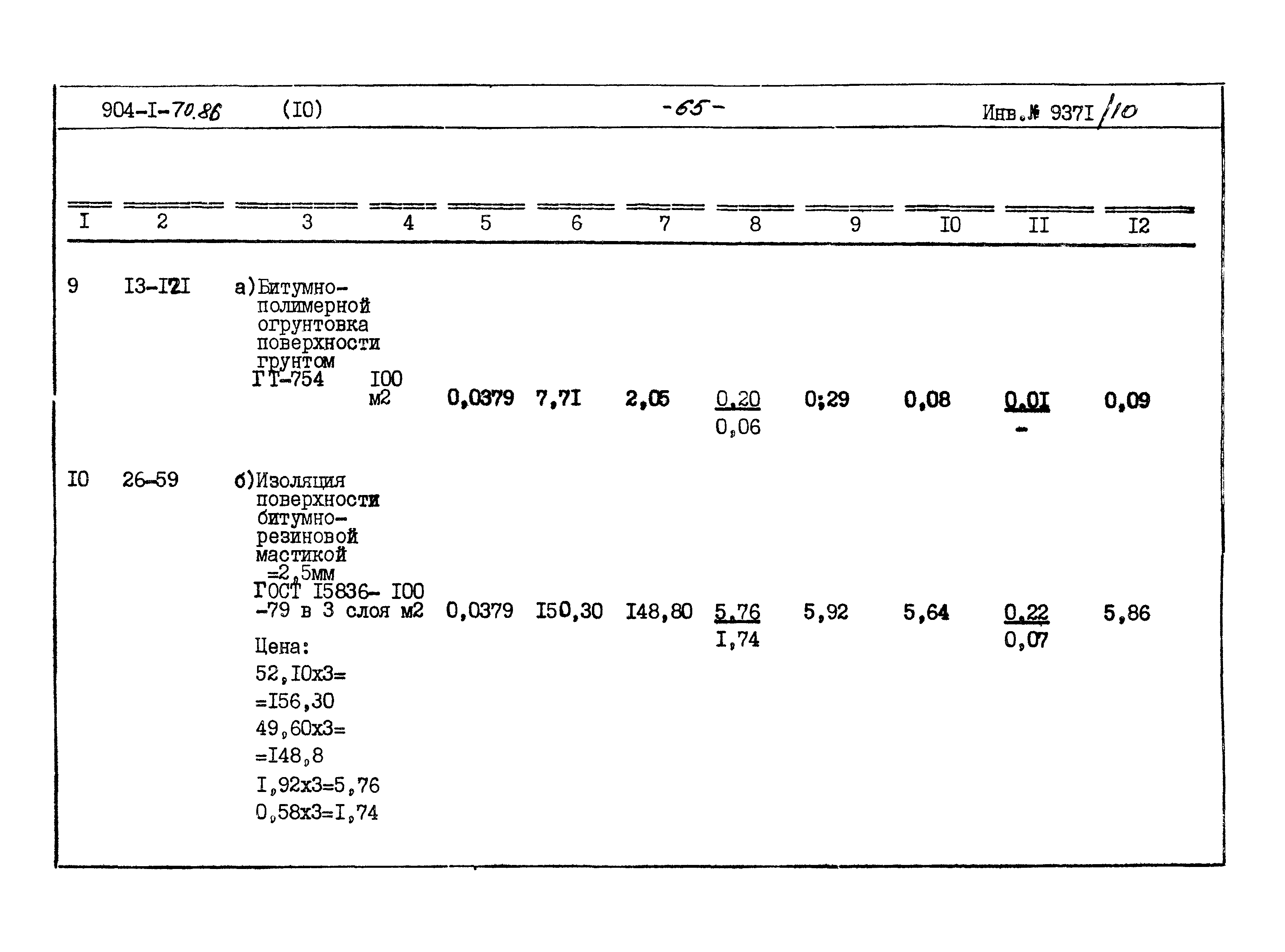
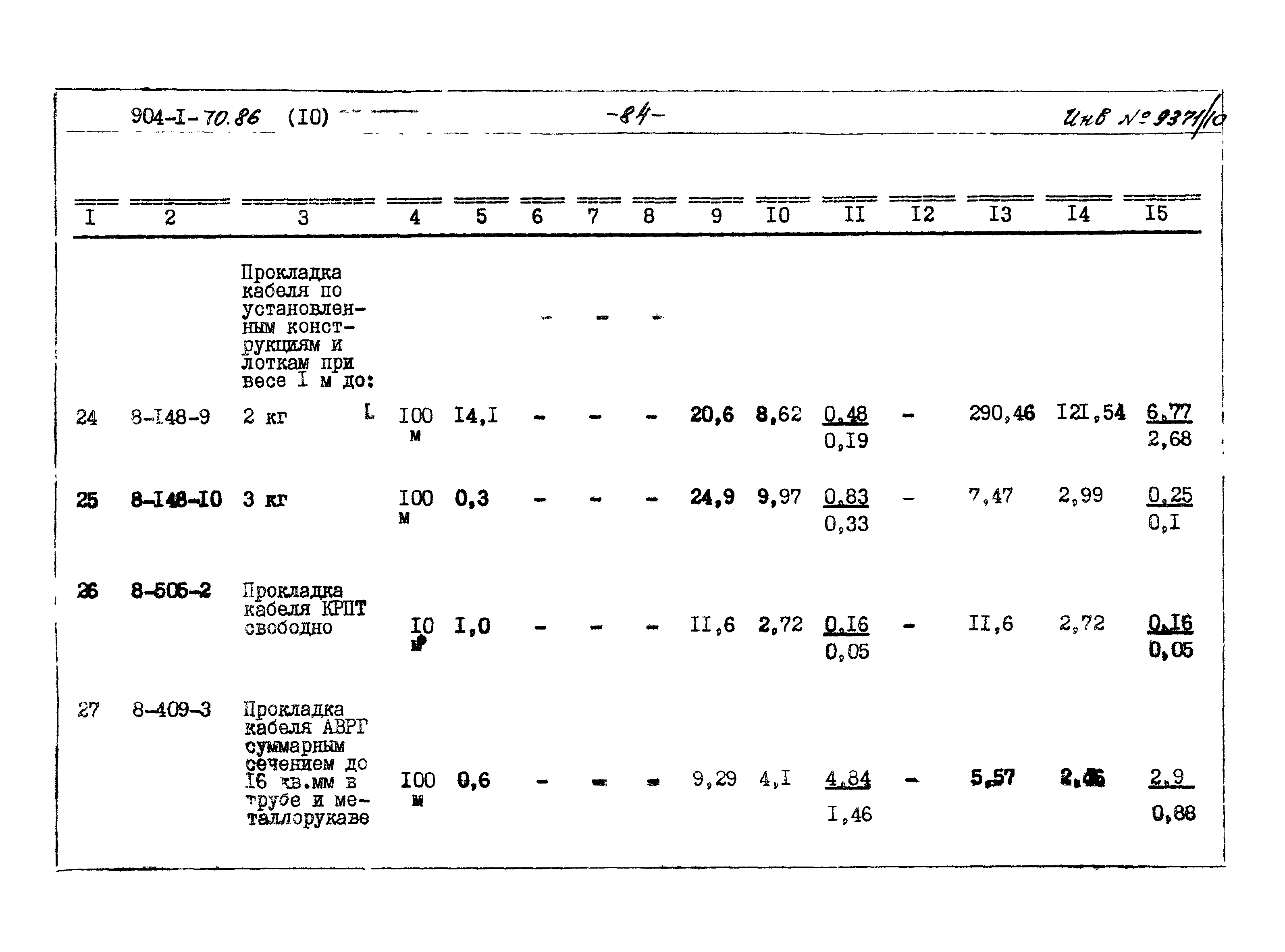
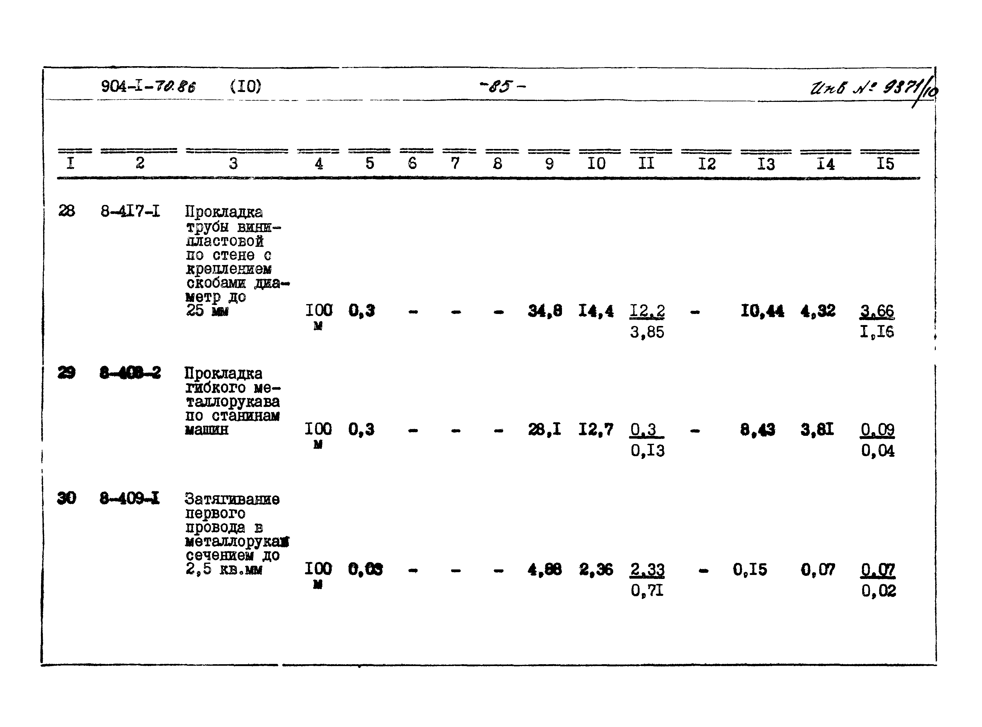
| Оглавление: | Пояснительная записка Объектная смета Смета № 1-ТХ Приобретение и монтаж технологического оборудования Смета № 2-ТХ Изготовление и монтаж нестандартизированного оборудования Смета № 3-ТХ Приобретение и монтаж технологических трубопроводов Смета № 4-ТХ Теплоизоляционные работы и антикоррозионное покрытие Смета № 5-ТХ Приобретение приспособлении и производственного инвентаря Смета № 1-ЭС Электрооборудование и монтаж распредустройства Смета № 1-ЭМ Приобретение и монтаж силового электрооборудования Смета № 1-ЭО Монтаж электроосвещения Смета № 1-СС Монтаж сетей связи и сигнализации Смета № А-1 Автоматизация установок Ведомость потребности в производственных ресурсах |
| Разработан: | Гипростройдормаш |
| Утверждён: | 14.11.1986 Минстройдормаш (Minstroydormash 640) |























































































































































































