Скачать Типовой проект 902-1-73.83 Альбом IV. Строительные решения. Подземная часть. Сборно-монолитный вариант (открытый способ в сухих грунтах)Дата актуализации: 01.01.2021
|
| Обозначение: | Типовой проект 902-1-73.83 |
| Обозначение англ: | 902-1-73.83 |
| Статус: | заменен |
| Название рус.: | Альбом IV. Строительные решения. Подземная часть. Сборно-монолитный вариант (открытый способ в сухих грунтах) |
| Дата добавления в базу: | 01.09.2013 |
| Дата актуализации: | 01.01.2021 |
| Дата введения: | 28.10.1983 |
| Дата окончания срока действия: | 01.11.1990 |
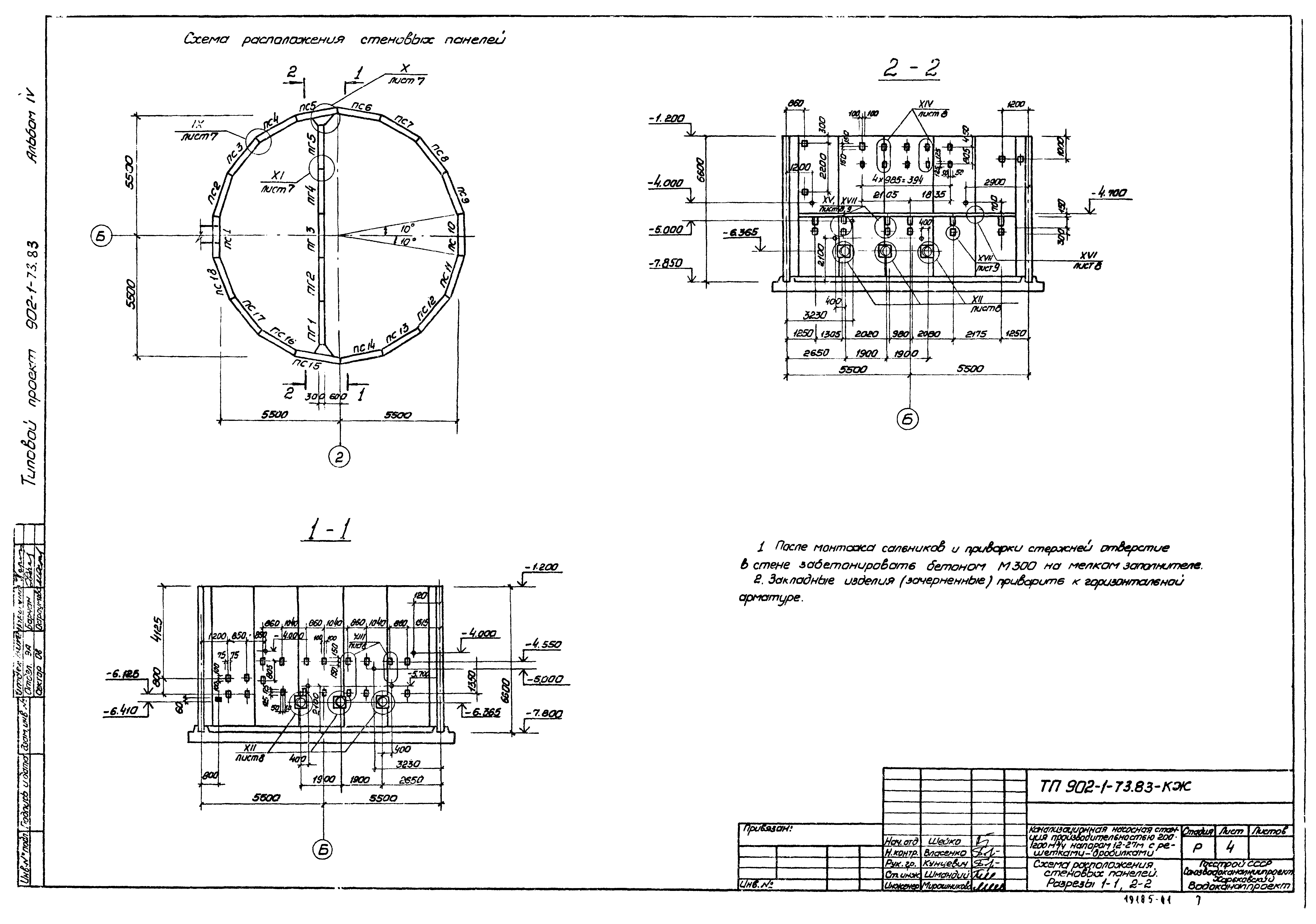
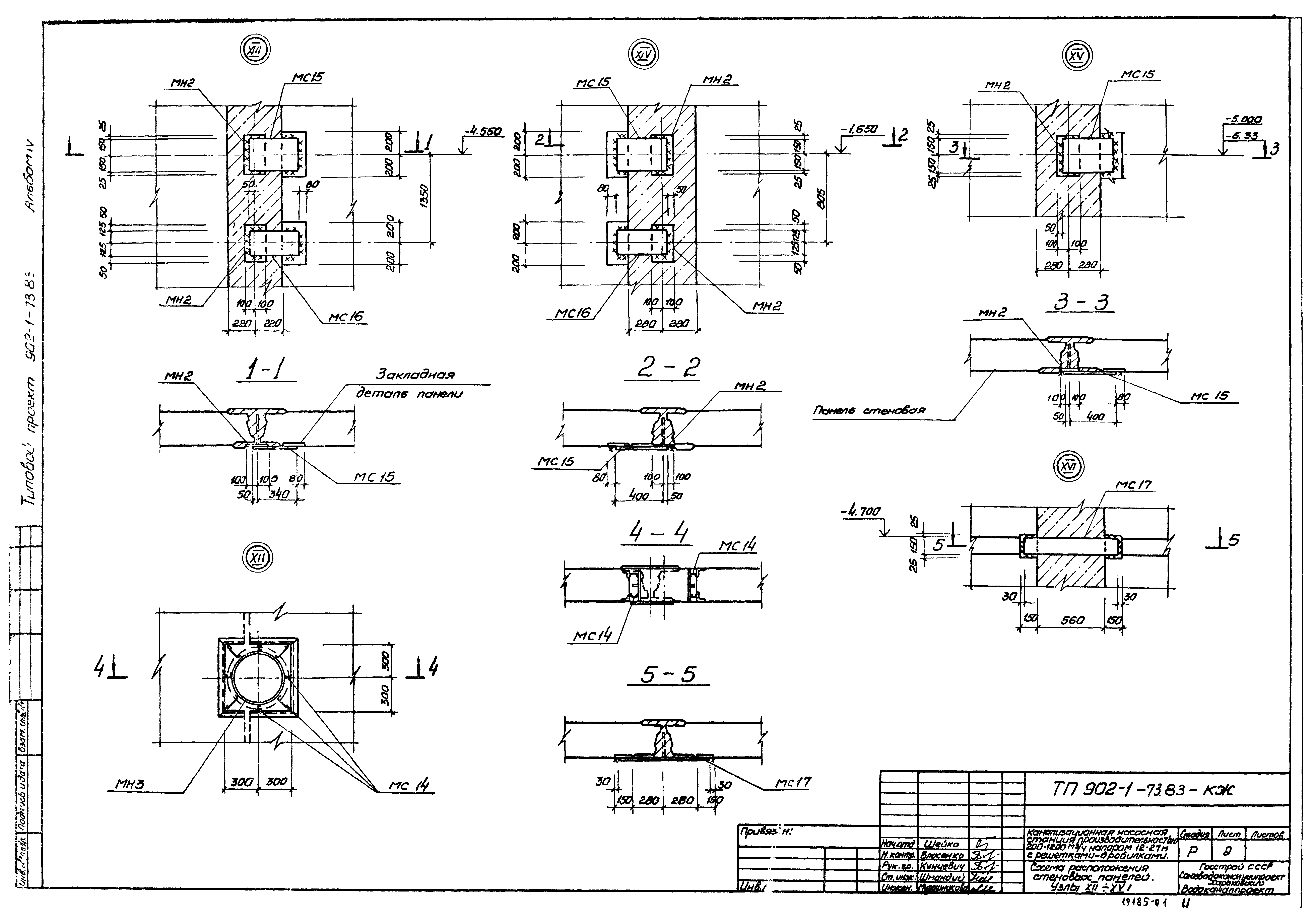
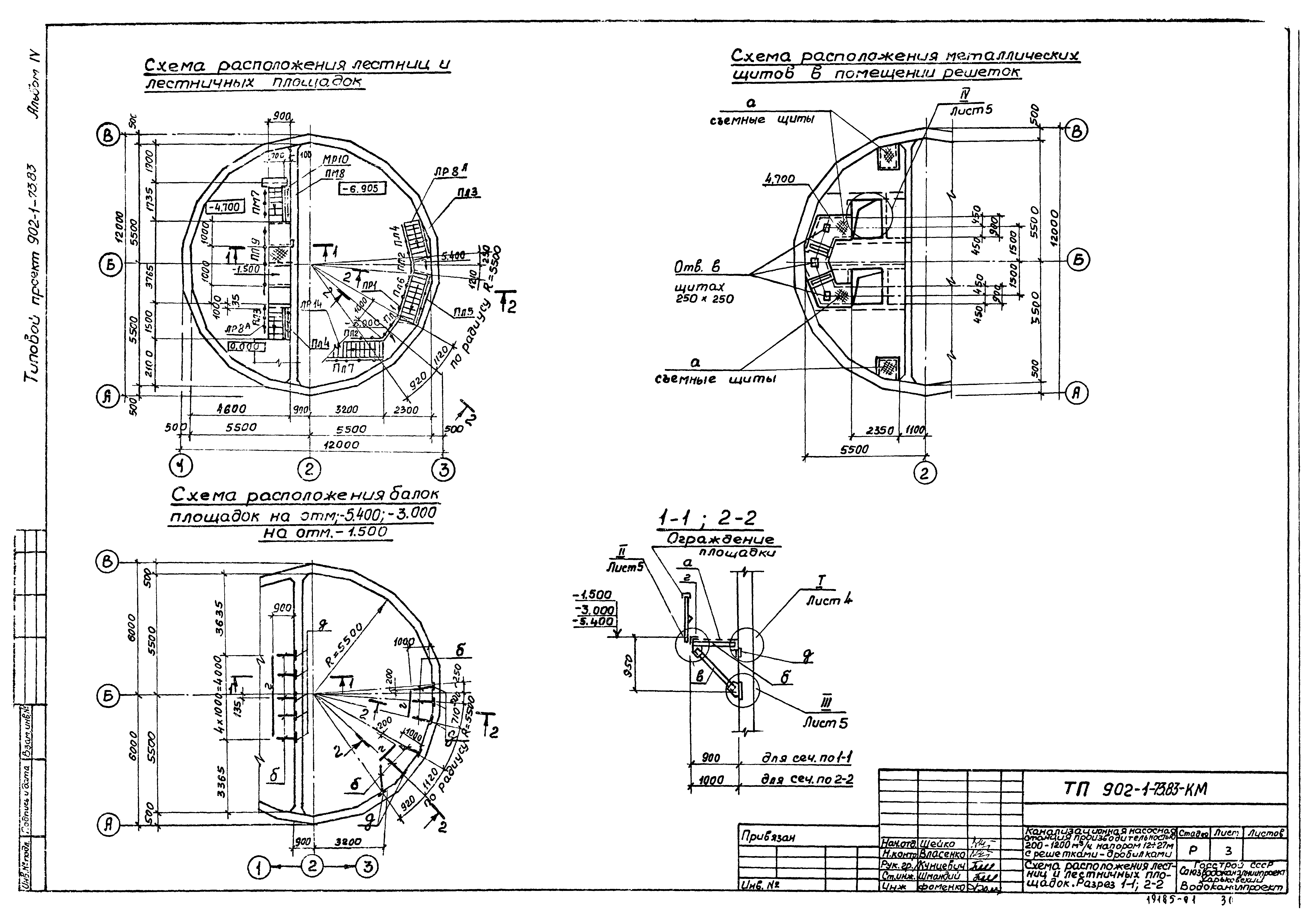
| Оглавление: | Содержание Основной комплект КЖ Общие данные План на отм. -6.950 и -4.700. Разрезы 1-1;2-2 Схема расположения монолитных конструкций подземной части Схема расположения стеновых панелей. Разрезы 1-1;2-2 Схема расположения стеновых панелей. Развертка наружной стены. Узлы 1,2 Схема расположения стеновых панелей. Узлы 3-8 Схема расположения стеновых панелей. Узлы 9-11 Схема расположения стеновых панелей. Узлы 12-16 Схема расположения стеновых панелей. Спецификация. Узел 17 Плита днища ПДМ1. Общий вид и схема армирования Плита днища ПДМ1. Схема армирования. Спецификация РКМ2. Перекрытие на отм. -4.700. План и сечения 1-1 - 3-3,7-7 РКМ2. Перекрытие на отм. -4.700. Элемент плана 1. Сечения 4-4 - 6-6 РКМ2. Перекрытие на отм. -4.700. Плита ПМ1. Балки БМ1-БМ3. Схема армирования РКМ2, РКМ3. Перекрытие на отм. -4.700. Балки БМ4-БМ8, колонны КМ1,КМ2. Схема армирования РКМ2. Перекрытие на отм. -4.700. Лоток ЛТМ1. Схема армирования РКМ2. Спецификация перекрытия (начало) РКМ2. Спецификация перекрытия (окончание) РКМ3. Перекрытие на отм. -4.700. План и сечения 1-1-3-3,7-7 РКМ3. Перекрытие на отм. -4.700. Элемент плана 1. Сечения 4-4-6-6 РКМ3. Перекрытие на отм. -4.700. Плита ПМ2. Балки БМ1-БМ3. Схема армирования РКМ3. Перекрытие на отм. -4.700. Лоток ЛТМ2. Схема армирования РКМ3. Спецификация перекрытия (начало) РКМ3. Спецификация перекрытия (окончание) Основной комплект КМ Общие данные (начало) Общие данные (окончание) Схема расположения лестниц и лестничных площадок. Разрезы 1-1,2-2 Схемы узлов лестниц. Узел 1 Узлы 2-5 |
| Разработан: | Харьковский Водоканалпроект |
| Утверждён: | 27.06.1983 СоюзводоканалНИИпроект (SoyuzvodokanalNIIproject 32) |
| Чем заменён: |
































