Скачать Типовой проект 902-1-74.83 Альбом IV. Строительные решения. Подземная часть. Сборно-монолитный вариант (опускной способ в мокрых грунтах)Дата актуализации: 01.01.2021
|
| Обозначение: | Типовой проект 902-1-74.83 |
| Обозначение англ: | 902-1-74.83 |
| Статус: | действует |
| Название рус.: | Альбом IV. Строительные решения. Подземная часть. Сборно-монолитный вариант (опускной способ в мокрых грунтах) |
| Дата добавления в базу: | 01.09.2013 |
| Дата актуализации: | 01.01.2021 |
| Дата введения: | 28.10.1983 |
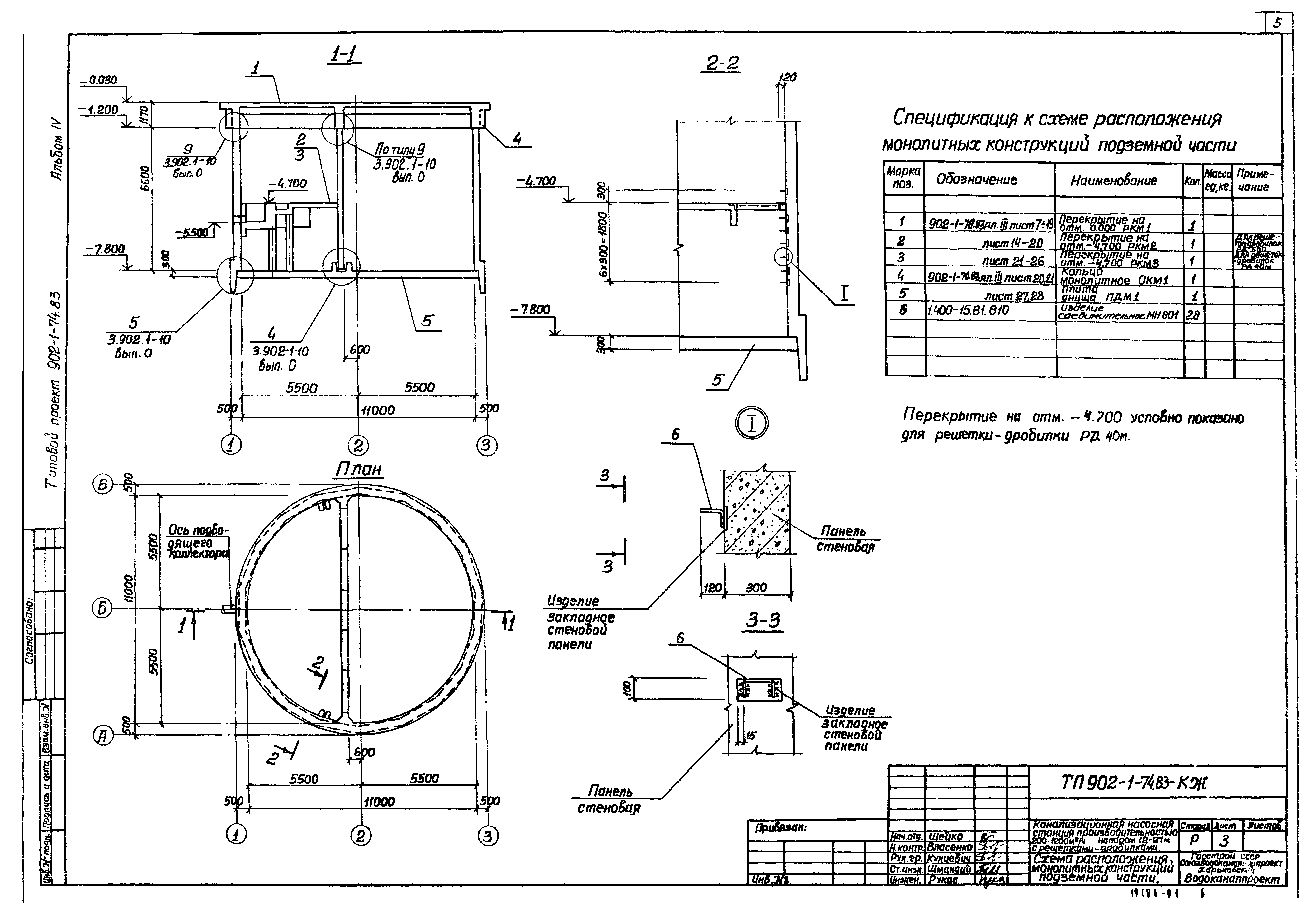
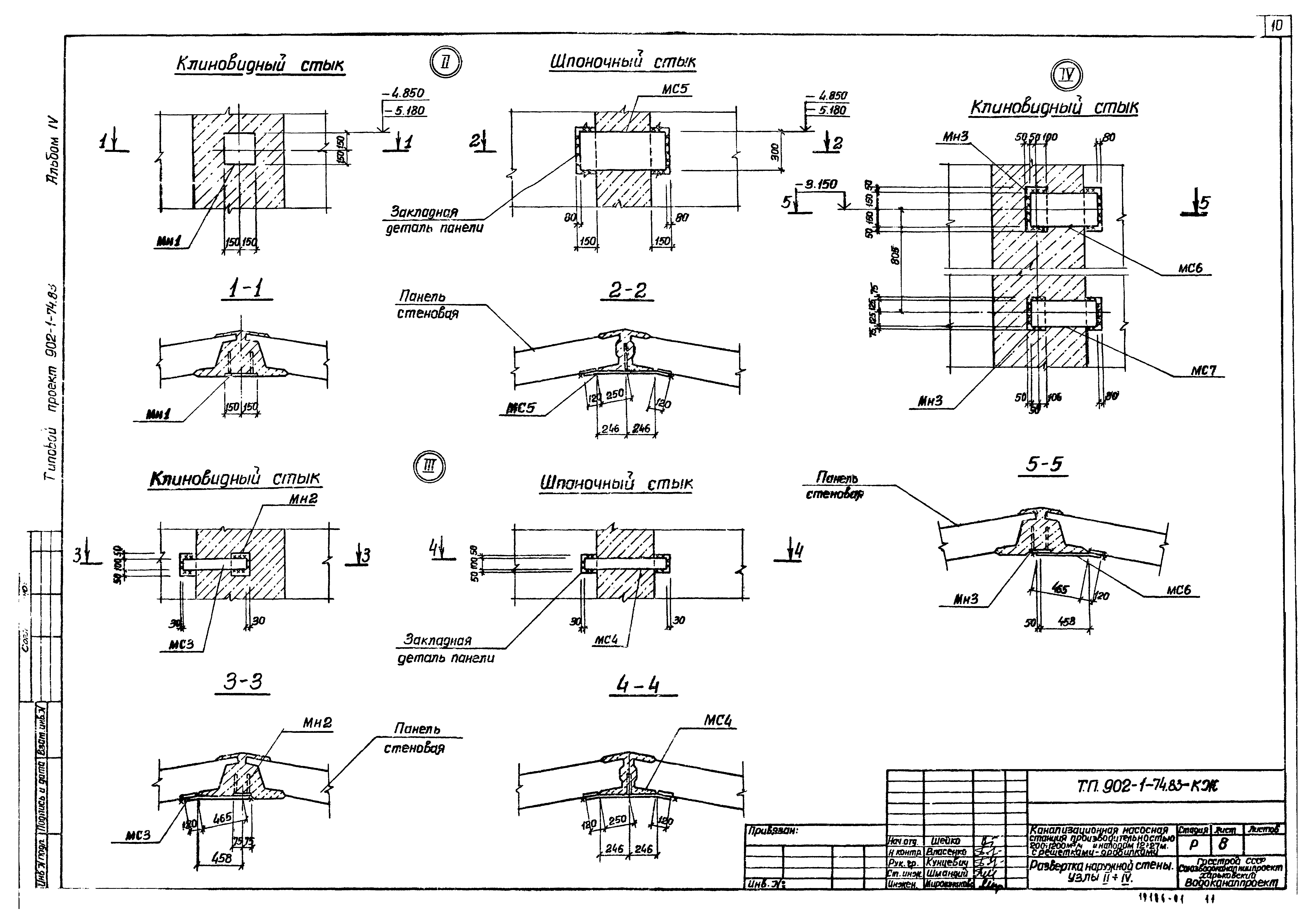
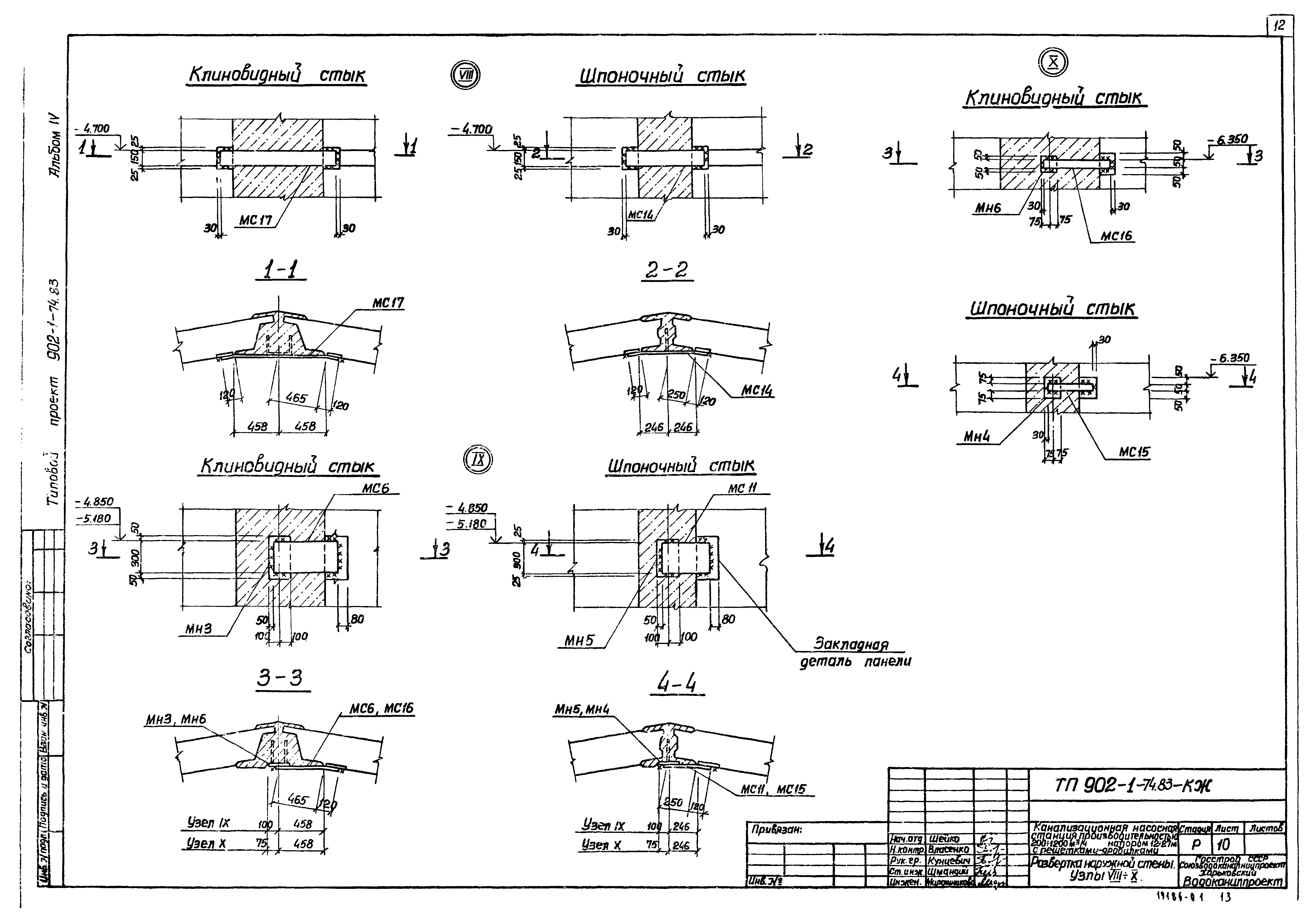
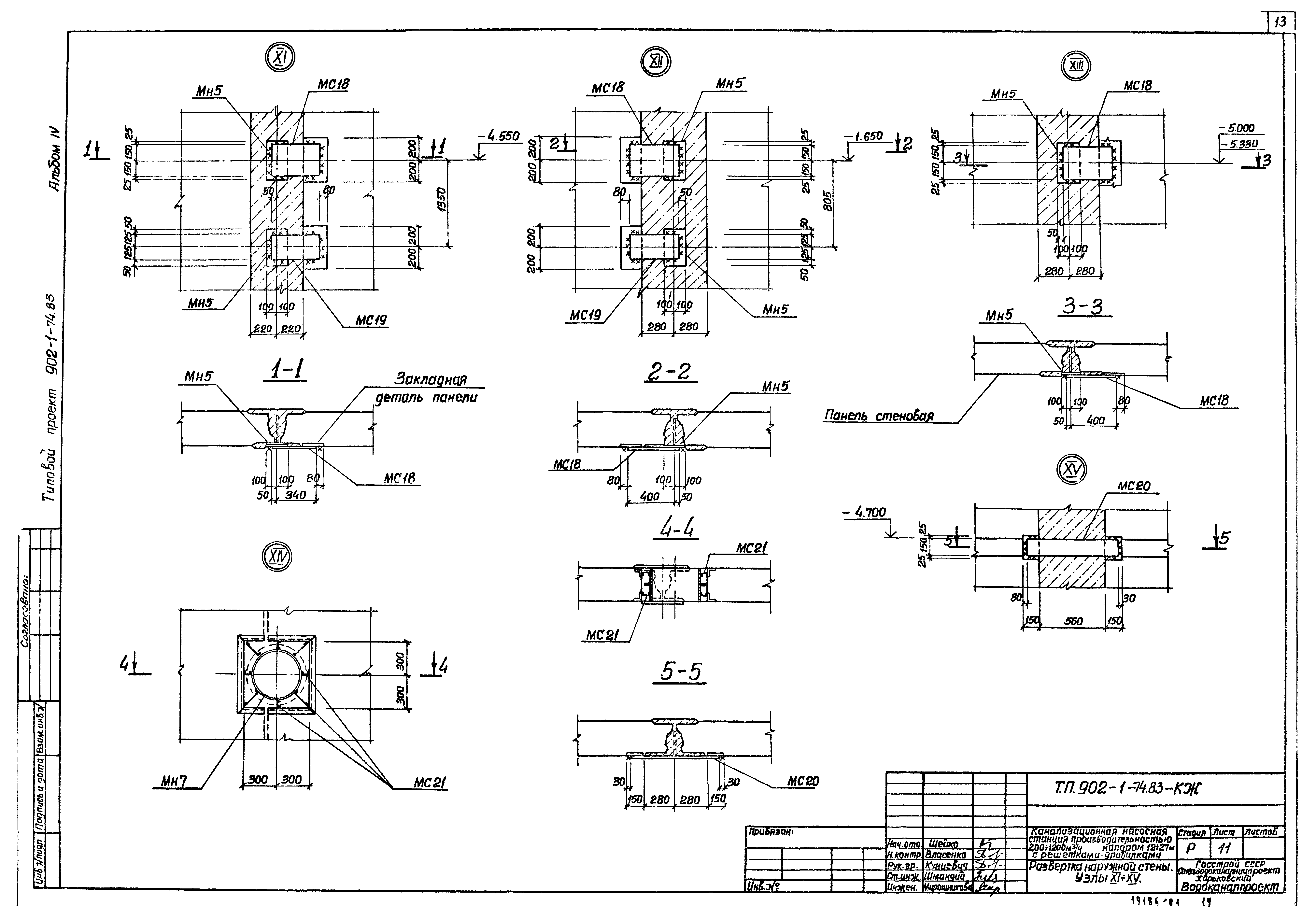
| Оглавление: | Содержание Основной комплект КЖ Общие данные Планы подземной части на отм. -6.950 и -4.700. Разрезы 1-1;2-2 Схема расположения монолитных конструкций подземной части Схема расположения стеновых панелей. Спецификация (начало) Схема расположения стеновых панелей. Спецификация (окончание). Узел 21 Схема расположения стеновых панелей. Сечения 1-1,2-2 Развертка наружной стены. Узел 1 Развертка наружной стены. Узлы 2-4 Развертка наружной стены. Узлы 5-7 Развертка наружной стены. Узлы 8-10 Развертка наружной стены. Узлы 11-15 Схема расположения стеновых панелей. Узлы 16-18 Схема расположения стеновых панелей. Узлы 19,20 РКМ2. Перекрытие на отм. -4.700. План и сечения 1-1-3-3,7-7 РКМ2. Перекрытие на отм. -4.700. Элемент плана 1. Сечения 4-4-6-6 РКМ2. Перекрытие на отм. -4.700. Плита ПМ1. Балки БМ1-БМ3. Схема армирования РКМ2, РКМ3. Перекрытие на отм. -4.700. Балки БМ4-БМ8, колонны КМ1,КМ2. Схема армирования РКМ2. Перекрытие на отм. -4.700. Лоток ЛТМ1. Схема армирования РКМ2. Спецификация перекрытия РКМ2 (начало) РКМ2. Спецификация перекрытия (окончание) РКМ3. Перекрытие на отм. -4.700. План и сечения 1-1-3-3,7-7 РКМ3. Перекрытие на отм. -4.700. Элемент плана 1. Сечения 4-4-6-6 РКМ3. Перекрытие на отм. -4.700. Плита ПМ2. Балки БМ1-БМ3. Схема армирования РКМ3. Перекрытие на отм. -4.700. Схема армирования. Лоток ЛТМ2 РКМ3. Спецификация перекрытия (начало) РКМ3. Спецификация перекрытия (окончание) Плита днища ПДМ1. Схема армирования Плита днища ПДМ1. Схема армирования. Спецификация Основной комплект КМ Общие данные (начало) Общие данные (окончание) Схема расположения лестниц и лестничных площадок. Разрезы 1-1,2-2 Схемы узлов лестниц. Узел 1 Узлы 2-5 |
| Разработан: | Харьковский Водоканалпроект |
| Утверждён: | 27.06.1983 СоюзводоканалНИИпроект (SoyuzvodokanalNIIproject 32) |




































