Скачать Типовой проект 902-1-76.83 Альбом VI. Подземная часть. ИзделияДата актуализации: 01.01.2021
|
| Обозначение: | Типовой проект 902-1-76.83 |
| Обозначение англ: | 902-1-76.83 |
| Статус: | действует |
| Название рус.: | Альбом VI. Подземная часть. Изделия |
| Дата добавления в базу: | 01.09.2013 |
| Дата актуализации: | 01.01.2021 |
| Дата введения: | 28.10.1983 |
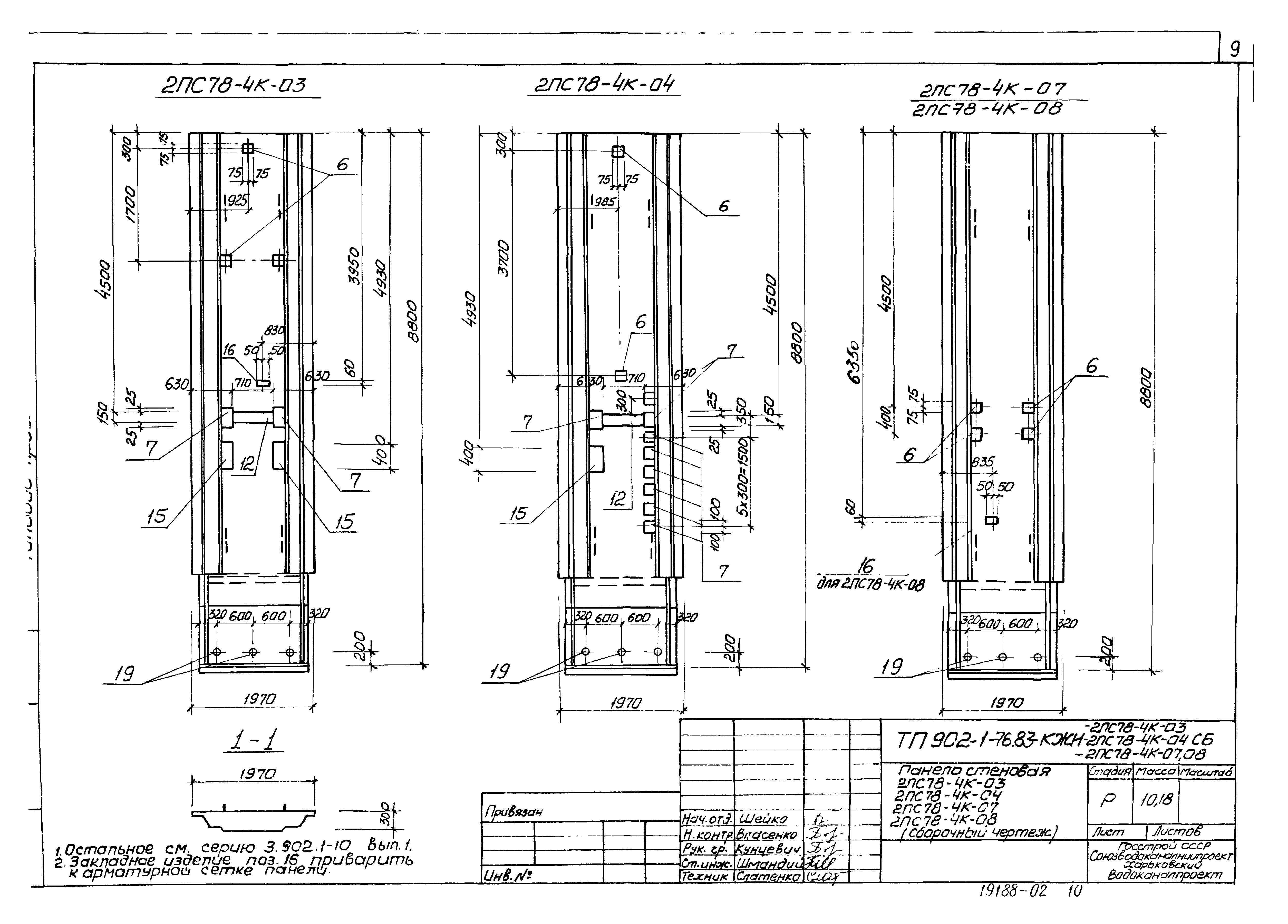
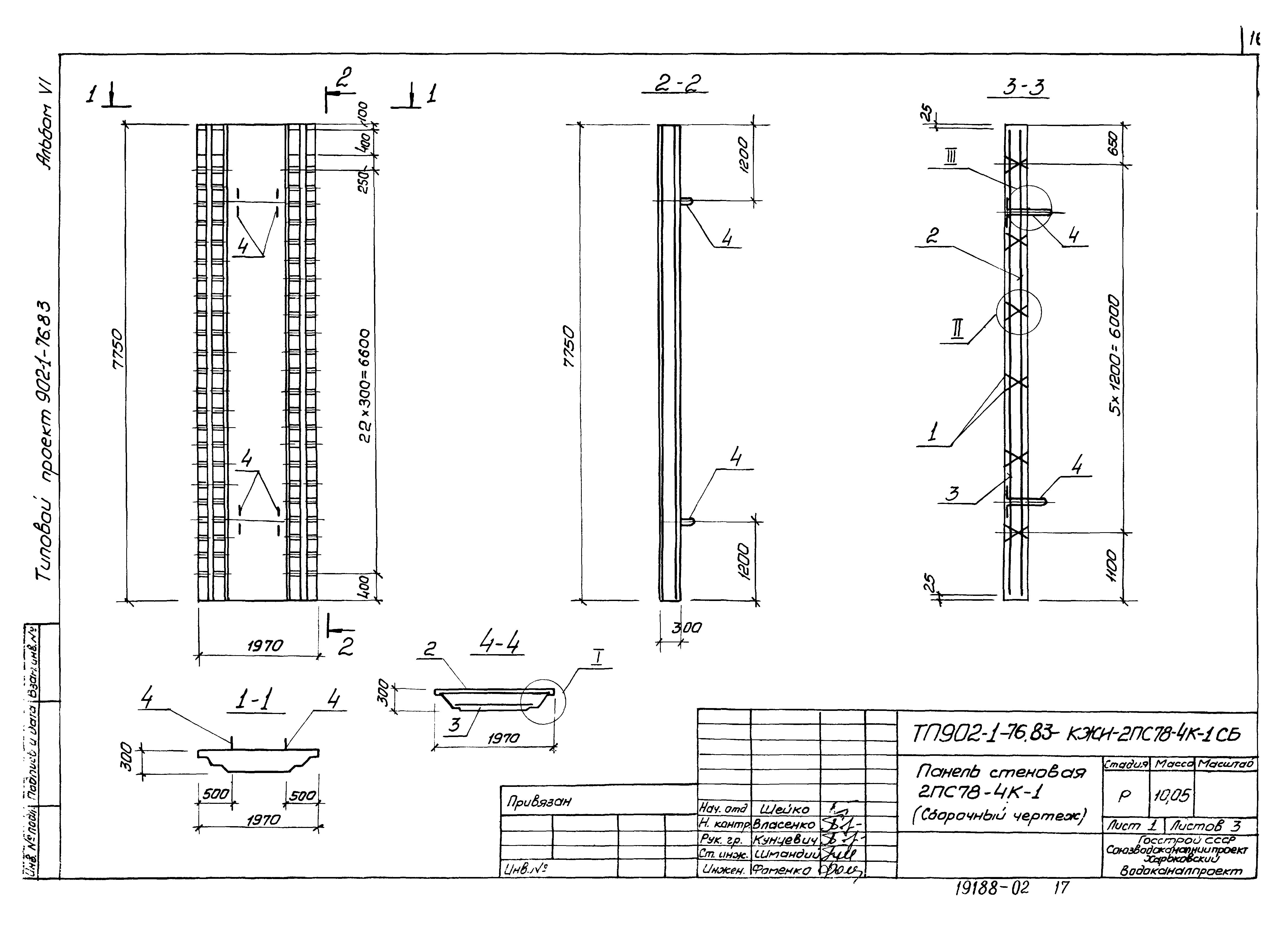
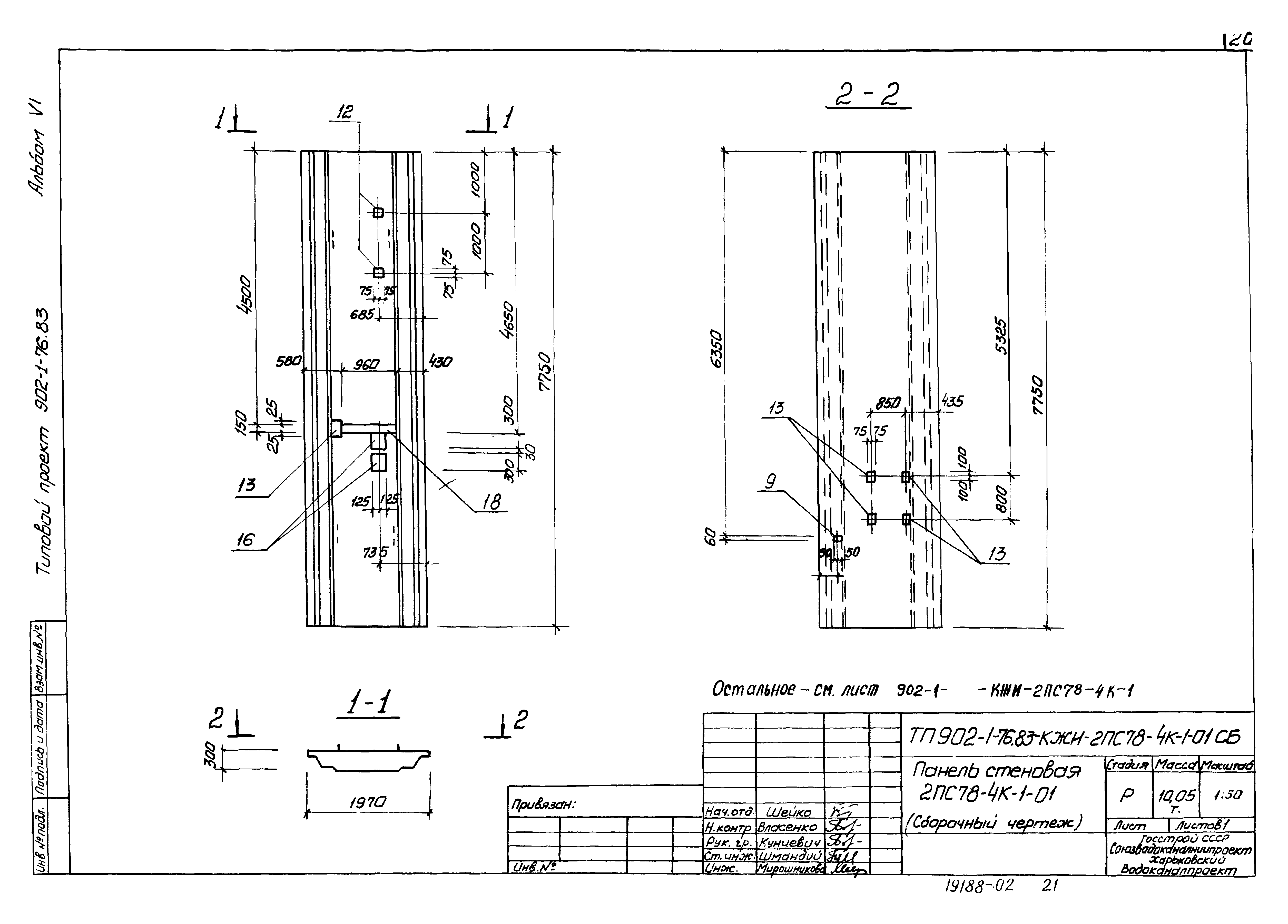
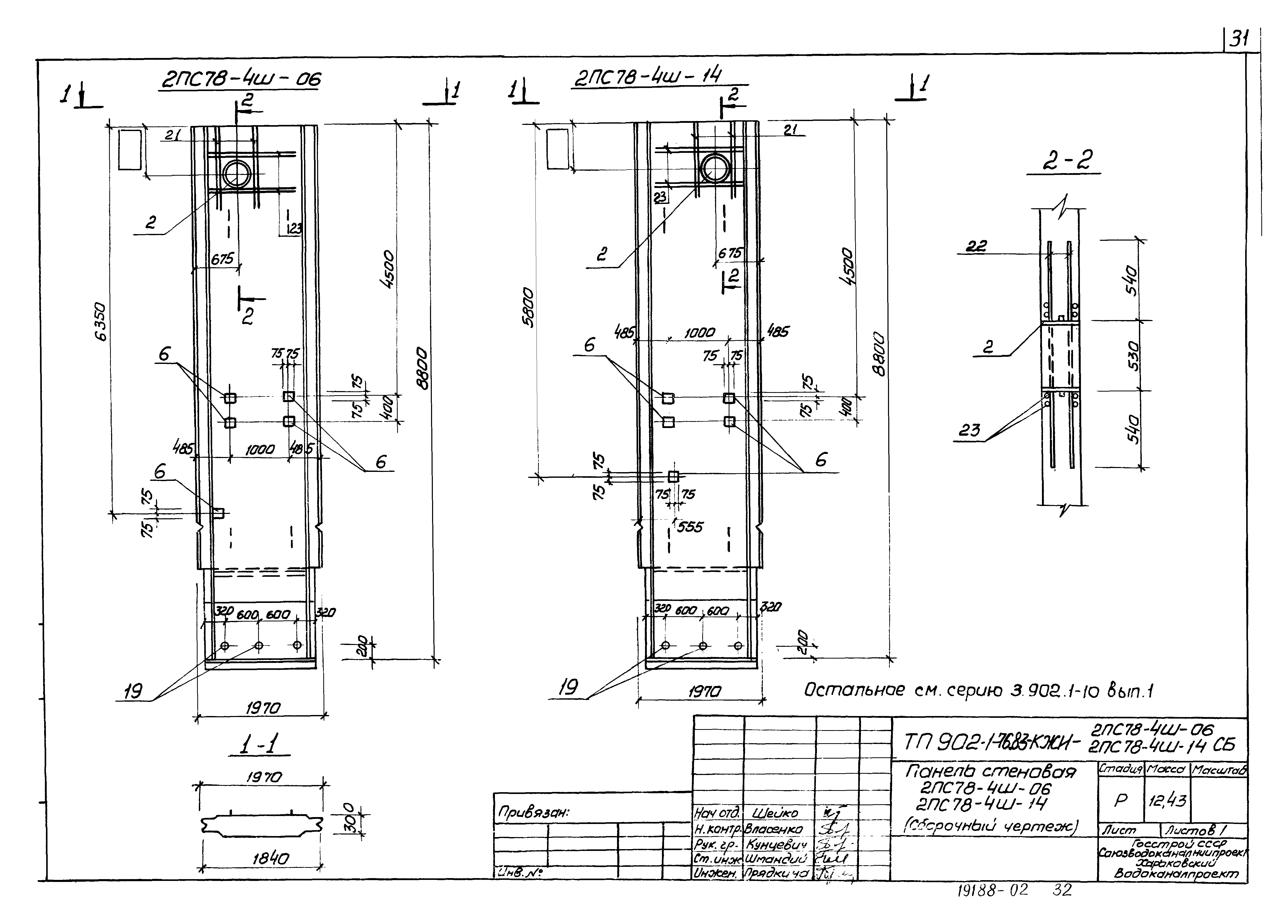
| Оглавление: | 902-1-76.83-КЖИ-ДО Содержание листов выпуска 902-1-76.83-КЖИ-ТТ1 Технические требования к изготовлению сборных железобетонных изделий 902-1-76.83-КЖИ-ТТ2 Технические требования к изготовлению арматурных и закладных изделий 902-1-76.83-КЖИ-2ПС78-4К-01-2ПС78-4К-18 Панель стеновая 2ПС78-4К-01-2ПС78-4К-18 902-1-76.83-КЖИ-2ПС78-4К-01,2ПС78-4К-02 СБ Панель стеновая 2ПС78-4К-01,2ПС78-4К-02. Сборочный чертеж 902-1-76.83-КЖИ-2ПС78-4К-03,2ПС78-4К-04,2ПС78-4К-07,2ПС78-4К-08 СБ Панель стеновая 2ПС78-4К-03,2ПС78-4К-04,2ПС78-4К-07,2ПС78-4К-08. Сборочный чертеж 902-1-76.83-КЖИ-2ПС78-4К-09,2ПС78-4К-10,2ПС78-4К-11 СБ Панель стеновая 2ПС78-4К-09,2ПС78-4К-10,2ПС78-4К-11. Сборочный чертеж 902-1-76.83-КЖИ-2ПС78-4К-05,2ПС78-4К-15 СБ Панель стеновая 2ПС78-4К-05,2ПС78-4К-15. Сборочный чертеж 902-1-76.83-КЖИ-2ПС78-4К-06,2ПС78-4К-14 СБ Панель стеновая 2ПС78-4К-06,2ПС78-4К-14. Сборочный чертеж 902-1-76.83-КЖИ-2ПС78-4К-12,2ПС78-4К-13,2ПС78-4К-16 СБ Панель стеновая 2ПС78-4К-12,2ПС78-4К-13,2ПС78-4К-16. Сборочный чертеж 902-1-76.83-КЖИ-2ПС78-4К-17,2ПС78-4К-18 СБ Панель стеновая 2ПС78-4К-17,2ПС78-4К-18. Сборочный чертеж 902-1-76.83-КЖИ-2ПС78-4К-1 Панель стеновая 2ПС78-4К-1 902-1-76.83-КЖИ-2ПС78-4К-1 СБ Панель стеновая 2ПС78-4К-1. Сборочный чертеж 902-1-76.83-КЖИ-2ПС78-4К-1-01-2ПС78-4К-1-05 Панель стеновая 2ПС78-4К-1-01-2ПС78-4К-1-05 902-1-76.83-КЖИ-2ПС78-4К-1-01 СБ Панель стеновая 2ПС78-4К-1-01. Сборочный чертеж 902-1-76.83-КЖИ-2ПС78-4К-1-02 СБ Панель стеновая 2ПС78-4К-1-02. Сборочный чертеж 902-1-76.83-КЖИ-2ПС78-4К-1-03 СБ Панель стеновая 2ПС78-4К-1-03. Сборочный чертеж 902-1-76.83-КЖИ-2ПС78-4К-1-04 СБ Панель стеновая 2ПС78-4К-1-04. Сборочный чертеж 902-1-76.83-КЖИ-2ПС78-4К-1-05 СБ Панель стеновая 2ПС78-4К-1-05. Сборочный чертеж 902-1-76.83-КЖИ-2ПС78-4Ш-01-2ПС78-4Ш-18 Панель стеновая 2ПС78-4Ш-01-2ПС78-4Ш-18 902-1-76.83-КЖИ-2ПС78-4Ш-01,2ПС78-4Ш-02 СБ Панель стеновая 2ПС78-4Ш-01,2ПС78-4Ш-02. Сборочный чертеж 902-1-76.83-КЖИ-2ПС78-4Ш-03,2ПС78-4Ш-04,2ПС78-4Ш-07,2ПС78-4Ш-08 СБ Панель стеновая 2ПС78-4Ш-03,2ПС78-4Ш-04,2ПС78-4Ш-07,2ПС78-4Ш-08. Сборочный чертеж 902-1-76.83-КЖИ-2ПС78-4Ш-05,2ПС78-4Ш-15 Панель стеновая 2ПС78-4Ш-05,2ПС78-4Ш-15. Сборочный чертеж 902-1-76.83-КЖИ-2ПС78-4Ш-06,2ПС78-4Ш-14 СБ Панель стеновая 2ПС78-4Ш-06,2ПС78-4Ш-14. Сборочный чертеж 902-1-76.83-КЖИ-2ПС78-4Ш-09,2ПС78-4Ш-10,2ПС78-4Ш-11 СБ Панель стеновая 2ПС78-4Ш-09,2ПС78-4Ш-10,2ПС78-4Ш-11. Сборочный чертеж 902-1-76.83-КЖИ-2ПС78-4Ш-12,2ПС78-4Ш-13,2ПС78-4Ш-16 СБ Панель стеновая 2ПС78-4Ш-12,2ПС78-4Ш-13,2ПС78-4Ш-16. Сборочный чертеж 902-1-76.83-КЖИ-2ПС78-4Ш-17,2ПС78-4Ш-18 СБ Панель стеновая 2ПС78-4Ш-17,2ПС78-4Ш-18. Сборочный чертеж 902-1-76.83-КЖИ-2ПС78-4Ш-1 Панель стеновая 2ПС78-4Ш-1 902-1-76.83-КЖИ-2ПС78-4Ш-1 СБ Панель стеновая 2ПС78-4Ш-1. Сборочный чертеж 902-1-76.83-КЖИ-2ПС78-4Ш-1-01-2ПС78-4Ш-1-05 СБ Панель стеновая 2ПС78-4Ш-1-01-2ПС78-4Ш-1-05. Сборочный чертеж 902-1-76.83-КЖИ-2ПС78-4Ш-1-01 СБ Панель стеновая 2ПС78-4Ш-1-01. Сборочный чертеж 902-1-76.83-КЖИ-2ПС78-4Ш-1-02 Панель стеновая 2ПС78-4Ш-1-02. Сборочный чертеж 902-1-76.83-КЖИ-2ПС78-4Ш-1-03 Панель стеновая 2ПС78-4Ш-1-03. Сборочный чертеж 902-1-76.83-КЖИ-2ПС78-4Ш-1-04,2ПС78-4Ш-1-05 СБ Панель стеновая 2ПС78-4Ш-1-04,2ПС78-4Ш-1-05. Сборочный чертеж 902-1-76.83-КЖИ-ВМС Ведомость расхода стали 902-1-76.83-КЖИ-КР1 Каркас плоский КР1 902-1-76.83-КЖИ-КР2 Каркас плоский КР2 902-1-76.83-КЖИ-КР3 Каркас плоский КР3 902-1-76.83-КЖИ-КР4 Каркас плоский КР4 902-1-76.83-КЖИ-КР5 Каркас плоский КР5 902-1-76.83-КЖИ-КР6 Каркас плоский КР6 902-1-76.83-КЖИ-КР7 Каркас плоский КР7 902-1-76.83-КЖИ-КР8 Каркас плоский КР8 902-1-76.83-КЖИ-КР9 Каркас плоский КР9 902-1-76.83-КЖИ-КР10 Каркас плоский КР10 902-1-76.83-КЖИ-КР11 Каркас плоский КР11 902-1-76.83-КЖИ-КР19 Каркас плоский КР19 902-1-76.83-КЖИ-КР12 Каркас плоский КР12 902-1-76.83-КЖИ-КР13 Каркас плоский КР13 902-1-76.83-КЖИ-КР14,КР15 Каркас плоский КР14,КР15 902-1-76.83-КЖИ-КР14,КР15 СБ Каркас плоский КР14,КР15. Сборочный чертеж 902-1-76.83-КЖИ-КР16,КР17,КР18 Каркас плоский КР16,КР17,КР18 902-1-76.83-КЖИ-КР16,КР17,КР18 СБ Каркас плоский КР16,КР17,КР18. Сборочный чертеж 902-1-76.83-КЖИ-КР19,КР20 Каркас плоский КР19,КР20 902-1-76.83-КЖИ-КР21 Каркас плоский КР21 902-1-76.83-КЖИ-КР22,КР23 Каркас плоский КР22,КР23 902-1-76.83-КЖИ-КР24 Каркас плоский КР24 902-1-76.83-КЖИ-С1 Сетка арматурная С1 902-1-76.83-КЖИ-С2 Сетка арматурная С2 902-1-76.83-КЖИ-С4,С5 Сетка арматурная С4,С5 902-1-76.83-КЖИ-С4,С5 СБ Сетка арматурная С4,С5. Сборочный чертеж 902-1-76.83-КЖИ-С6,С7 Сетка арматурная С6,С7 902-1-76.83-КЖИ-С6,С7 СБ Сетка арматурная С6,С7. Сборочный чертеж 902-1-76.83-КЖИ-МН1 Изделие закладное МН1 902-1-76.83-КЖИ-МН2 Изделие закладное МН2 902-1-76.83-КЖИ-МН4 Изделие закладное МН4 902-1-76.83-КЖИ-МН5 Изделие закладное МН5 902-1-76.83-КЖИ-МН3 Изделие закладное МН3 902-1-76.83-КЖИ-МС1 Изделие соединительное МС1 902-1-76.83-КЖИ-МС3,МС9 Изделие соединительное МС3,МС9 902-1-76.83-КЖИ-МС4 Изделие соединительное МС4 902-1-76.83-КЖИ-МС5 Изделие соединительное МС5 902-1-76.83-КЖИ-МС6,МС7 Изделие соединительное МС6,МС7 902-1-76.83-КЖИ-МС8 Изделие соединительное МС8 902-1-76.83-КЖИ-МС10 Изделие соединительное МС10 902-1-76.83-КЖИ-МС11,МС12,МС13,МС15,МС16 Изделие соединительное МС11,МС12,МС13,МС15,МС16 902-1-76.83-КЖИ-МС11,МС12,МС13,МС15,МС16 СБ Изделие соединительное МС11,МС12,МС13,МС15,МС16. Сборочный чертеж 902-1-76.83-КЖИ-МС14 Изделие соединительное МС14 902-1-76.83-КЖИ-МС17 Изделие соединительное МС17 902-1-76.83-КЖИ-МС22 Изделие соединительное МС22 902-1-76.83-КЖИ-МС23 Изделие соединительное МС23 902-1-76.83-КЖИ-МС24,МС25 Изделие соединительное МС24,МС25 902-1-76.83-КЖИ-МС26,МС30 Изделие соединительное МС26,МС30 902-1-76.83-КЖИ-МС27 Изделие соединительное МС27 902-1-76.83-КЖИ-МС28 Изделие соединительное МС28 902-1-76.83-КЖИ-МС29 Изделие соединительное МС29 902-1-76.83-КЖИ-МС31,МС32 Изделие соединительное МС31,МС32 902-1-76.83-КЖИ-МС38 Изделие соединительное МС38 902-1-76.83-КЖИ-МС40 Изделие соединительное МС40 |
| Разработан: | Харьковский Водоканалпроект |
| Утверждён: | 27.06.1983 СоюзводоканалНИИпроект (SoyuzvodokanalNIIproject 32) |











































































