Скачать Серия 1.420-8 Выпуск 1. Колонны железобетонные двухэтажные для зданий высотой 10,8; 12,0; 13,2; и 14,4 м. Рабочие чертежиДата актуализации: 01.01.2021
|
| Обозначение: | Серия 1.420-8 |
| Обозначение англ: | Series 1.420-8 |
| Статус: | не действует |
| Название рус.: | Выпуск 1. Колонны железобетонные двухэтажные для зданий высотой 10,8; 12,0; 13,2; и 14,4 м. Рабочие чертежи |
| Дата добавления в базу: | 01.09.2013 |
| Дата актуализации: | 01.01.2021 |
| Дата введения: | 01.12.1978 |
| Дата окончания срока действия: | 01.02.1983 |
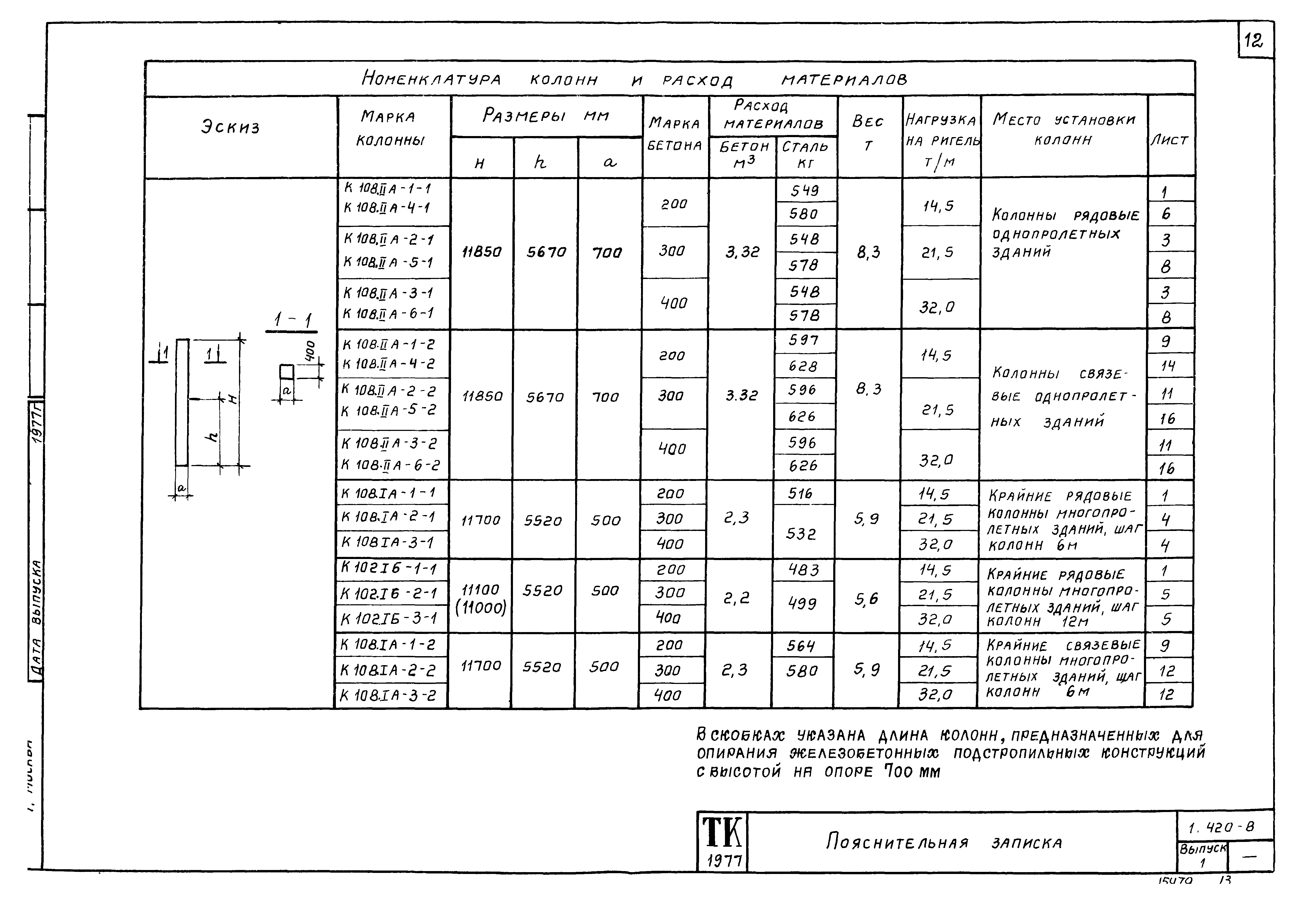
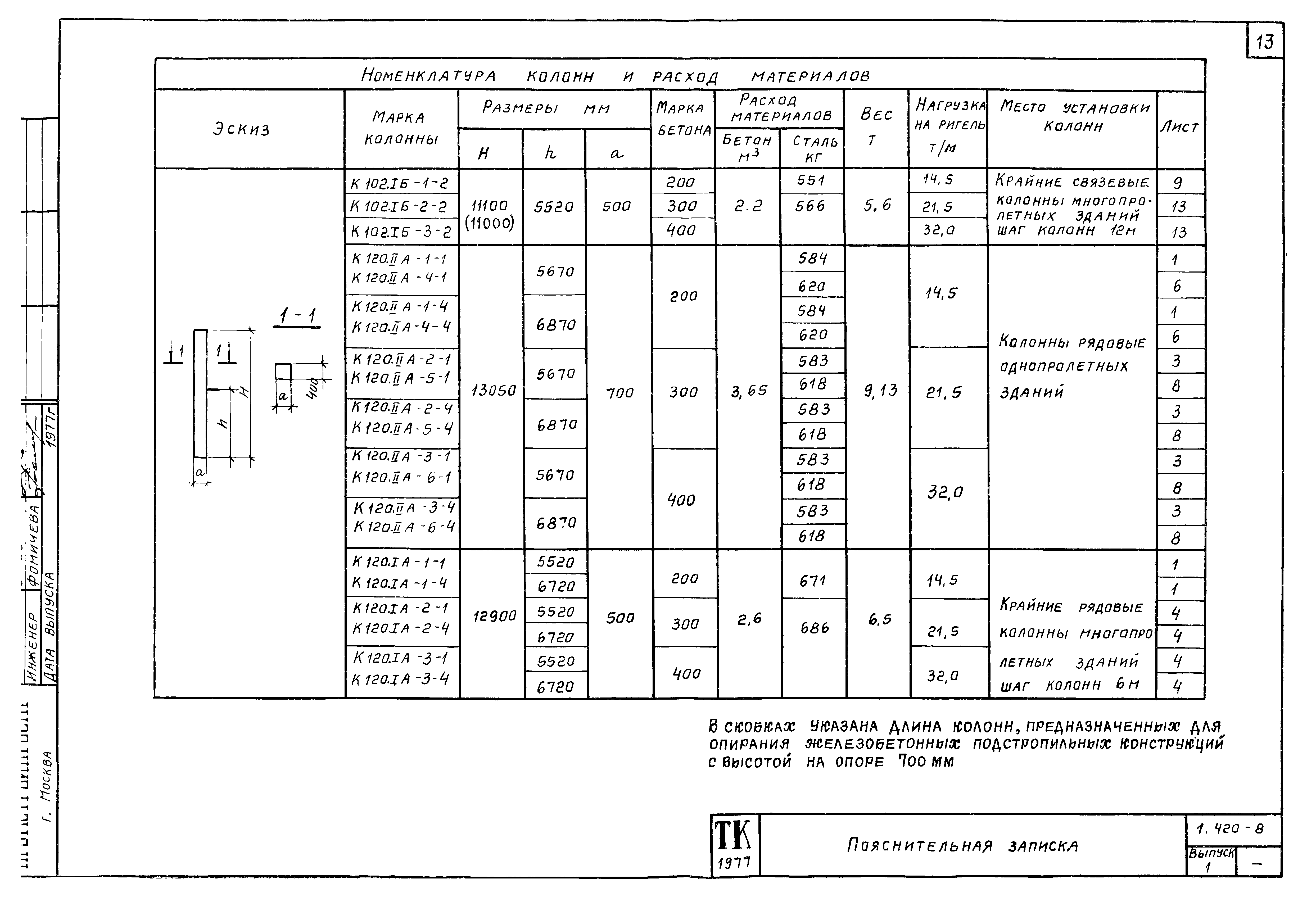
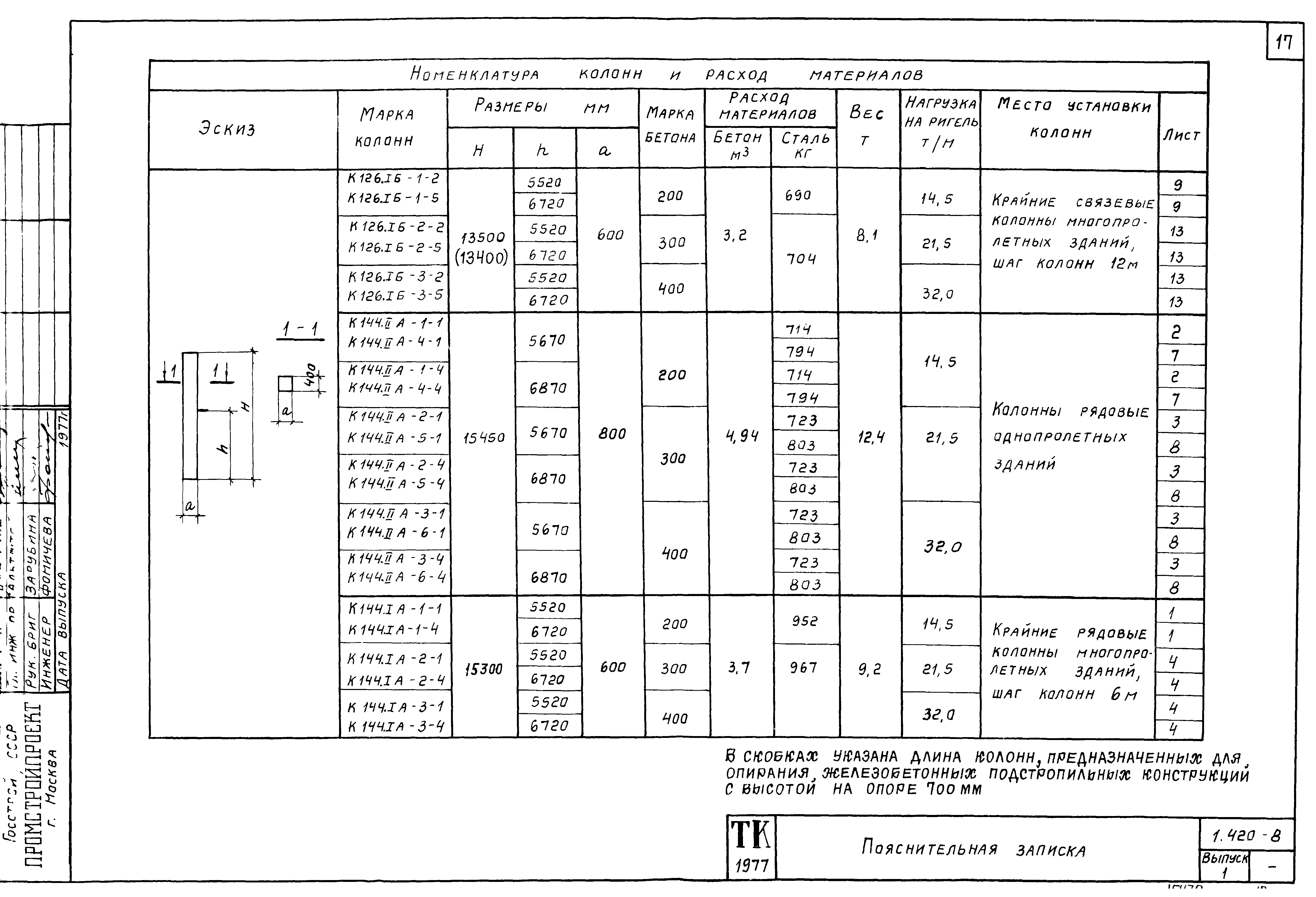
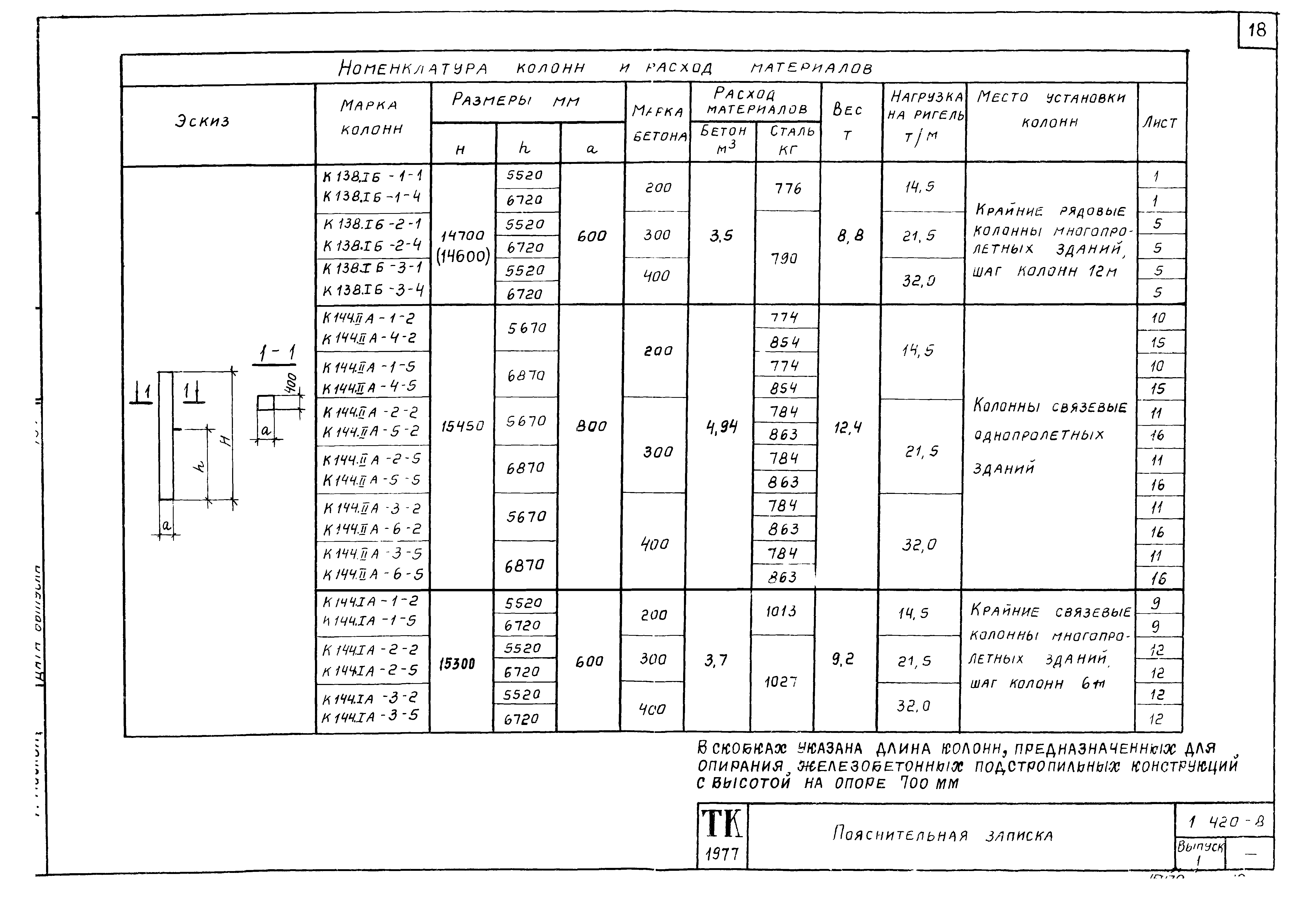
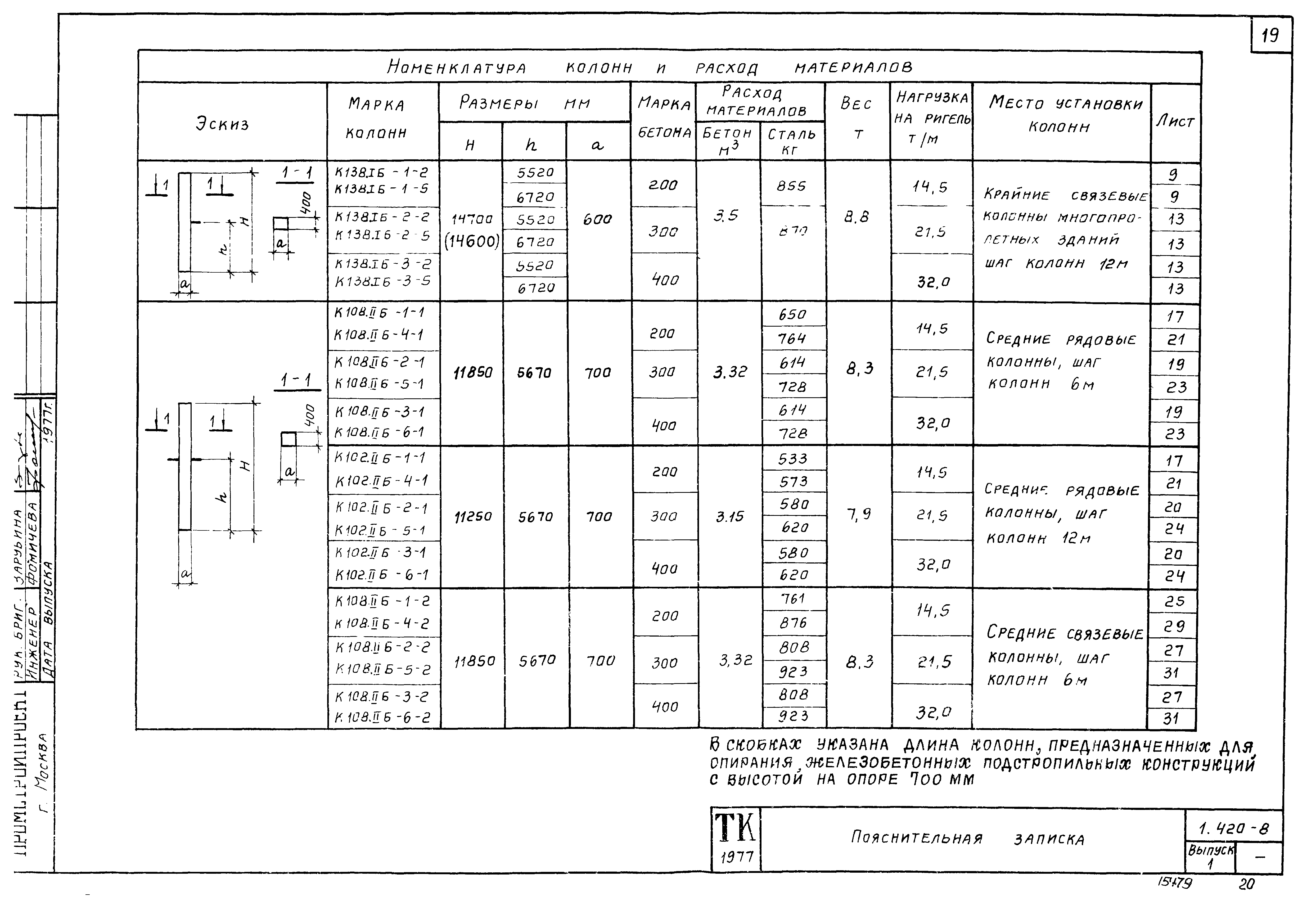
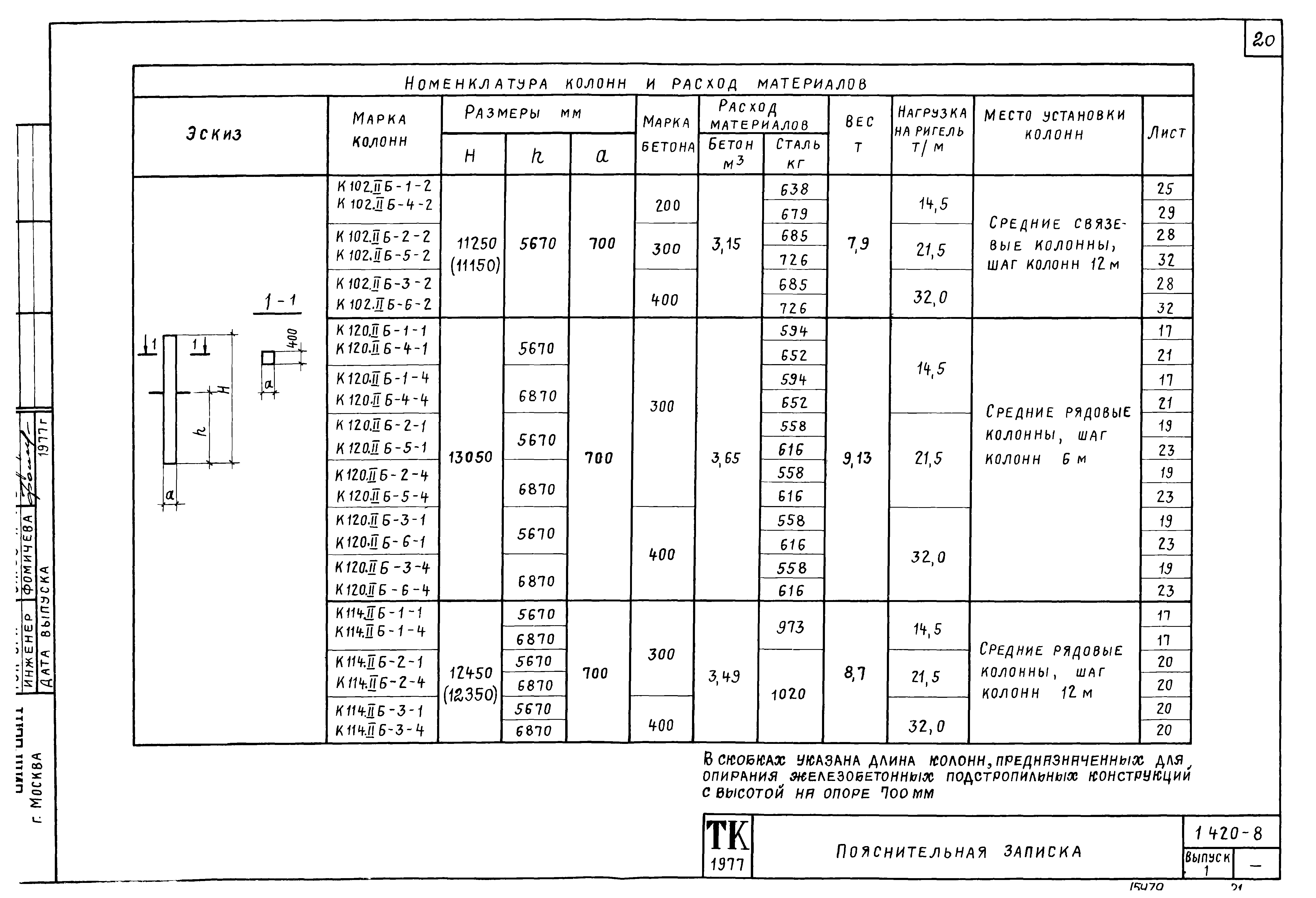
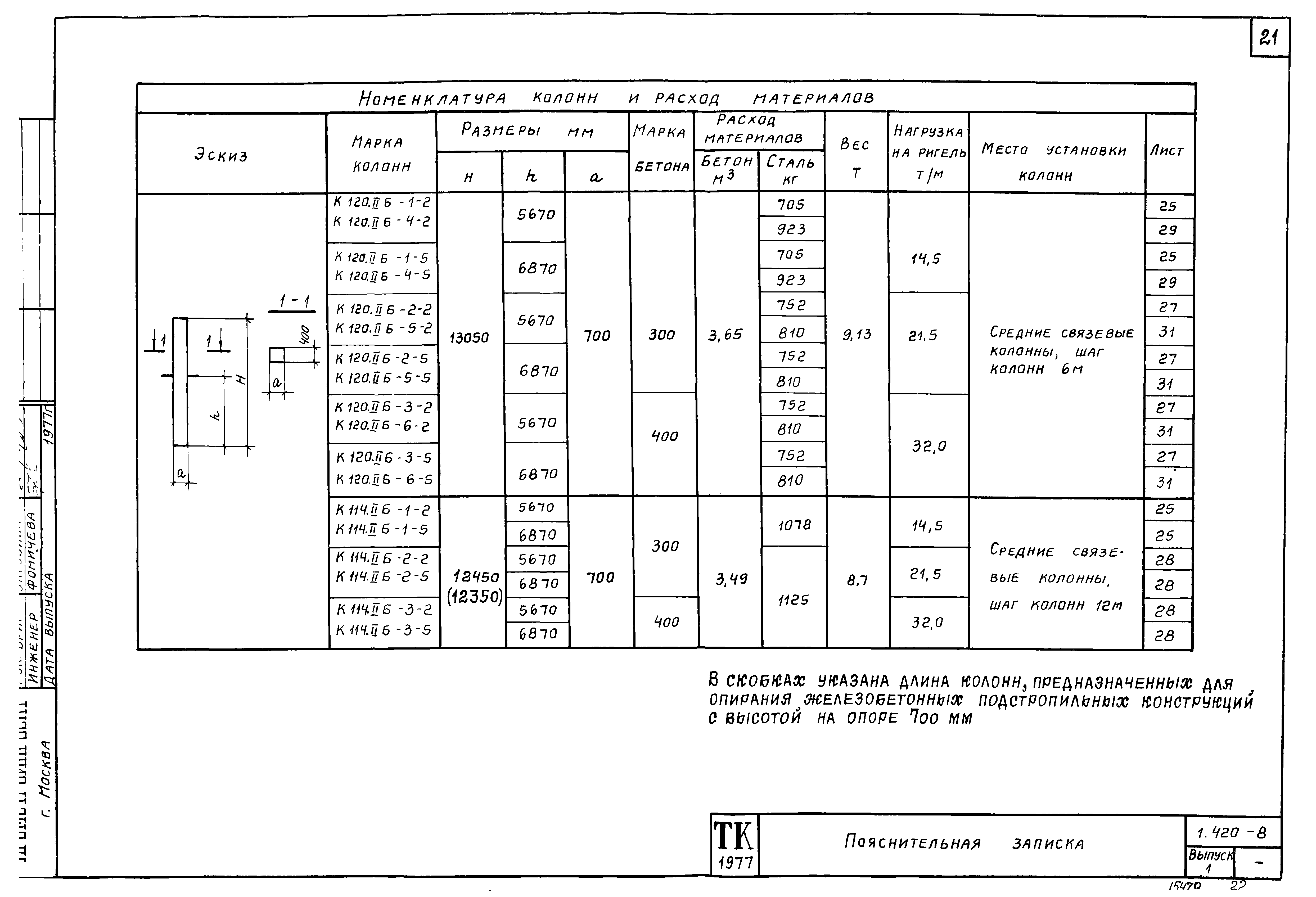
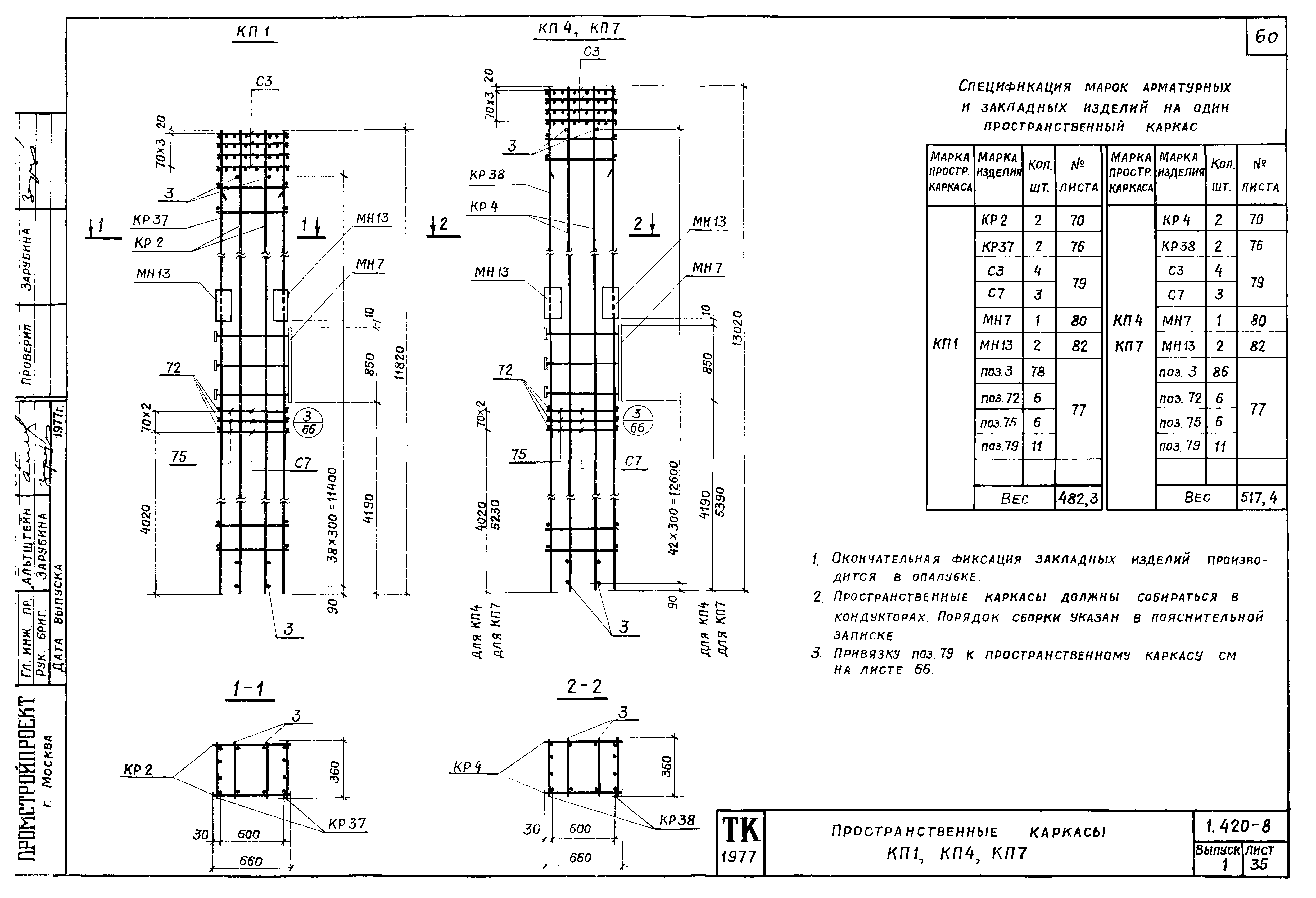
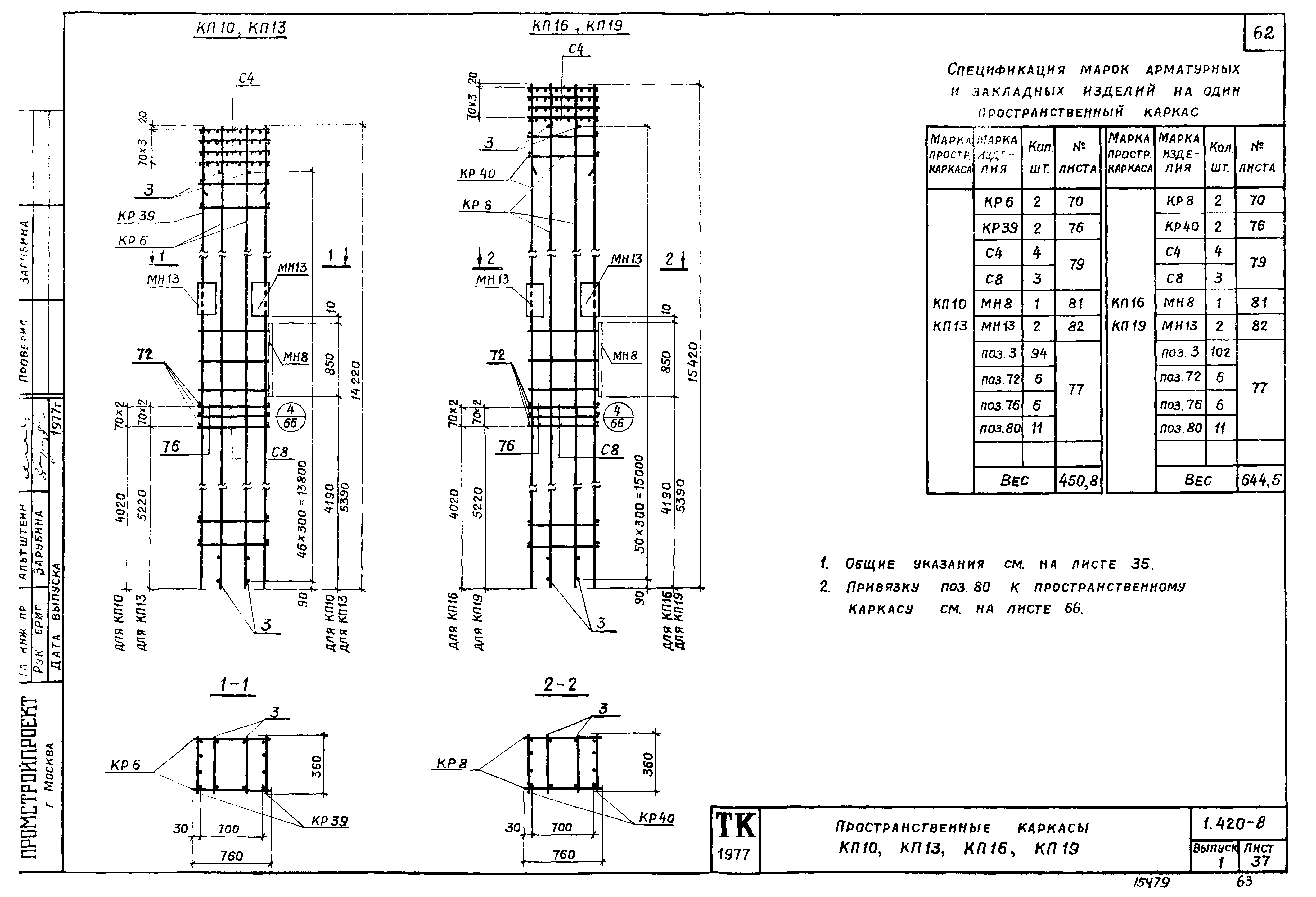
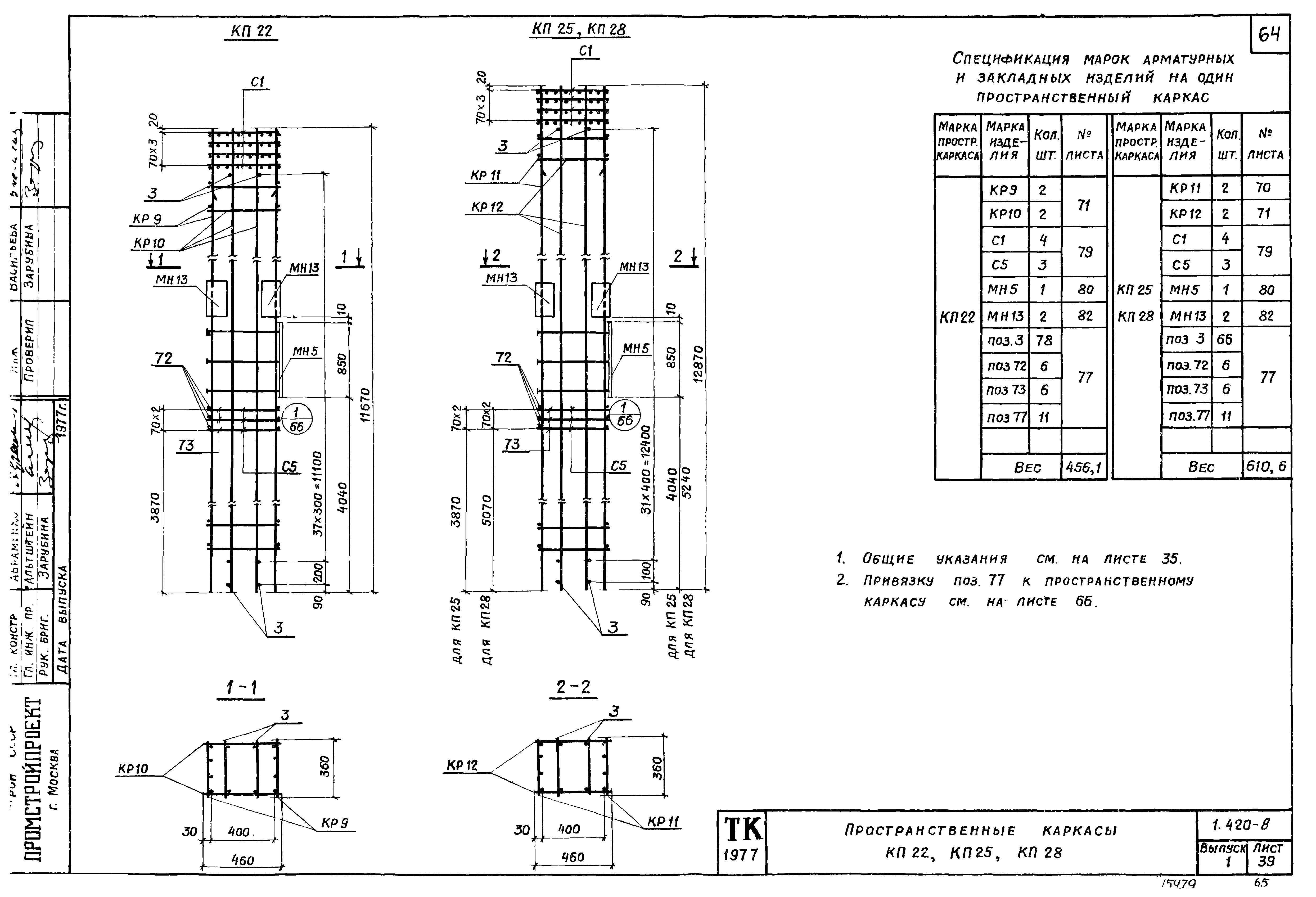
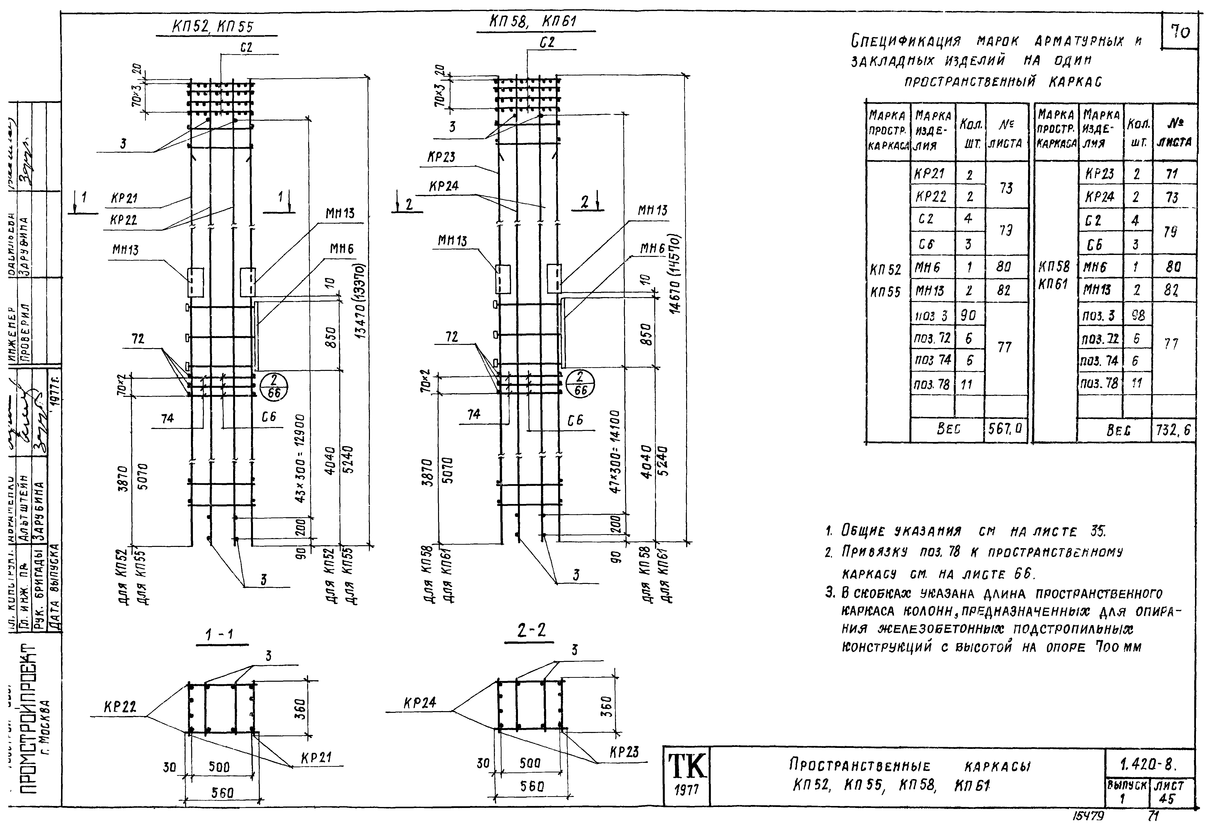
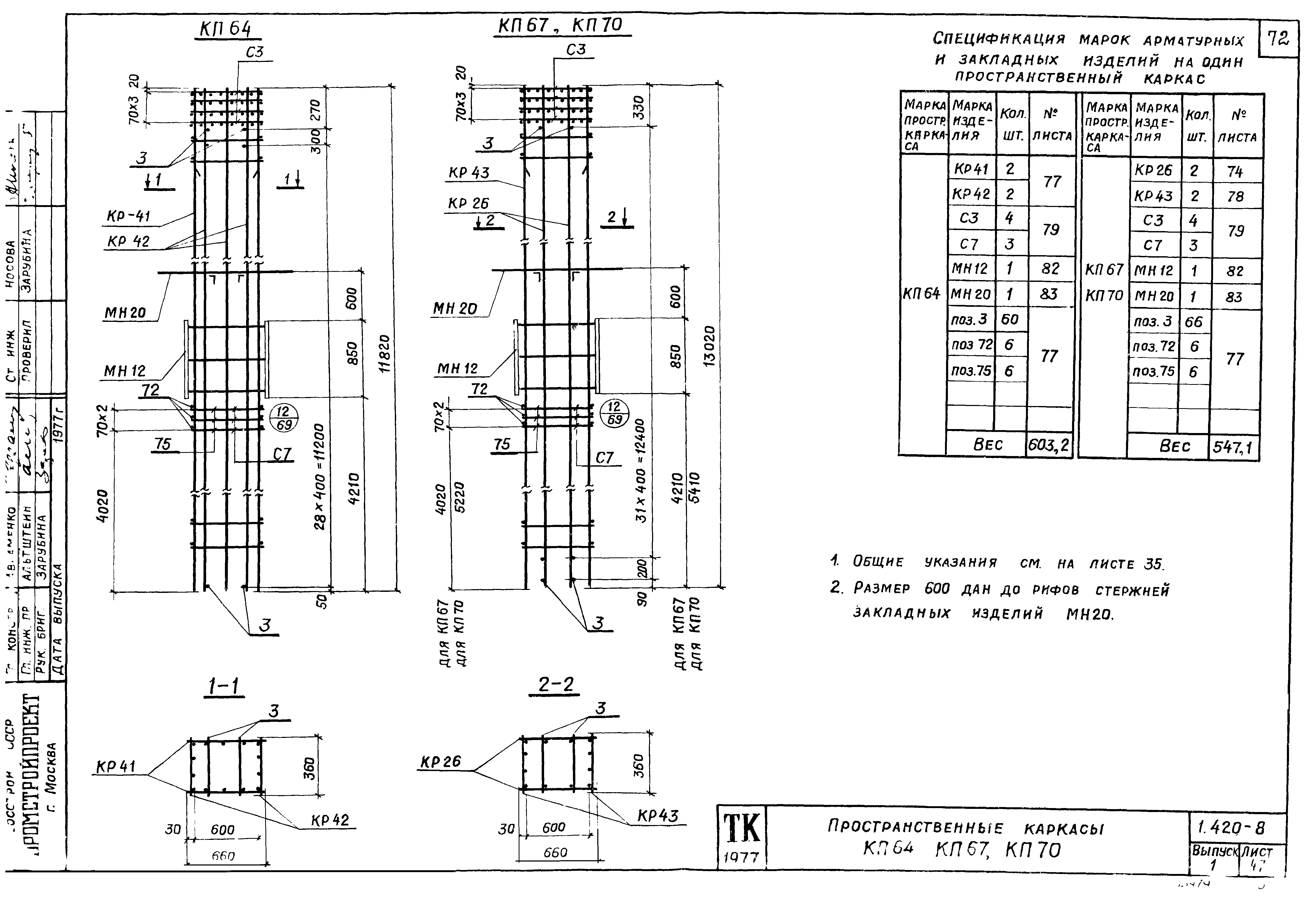
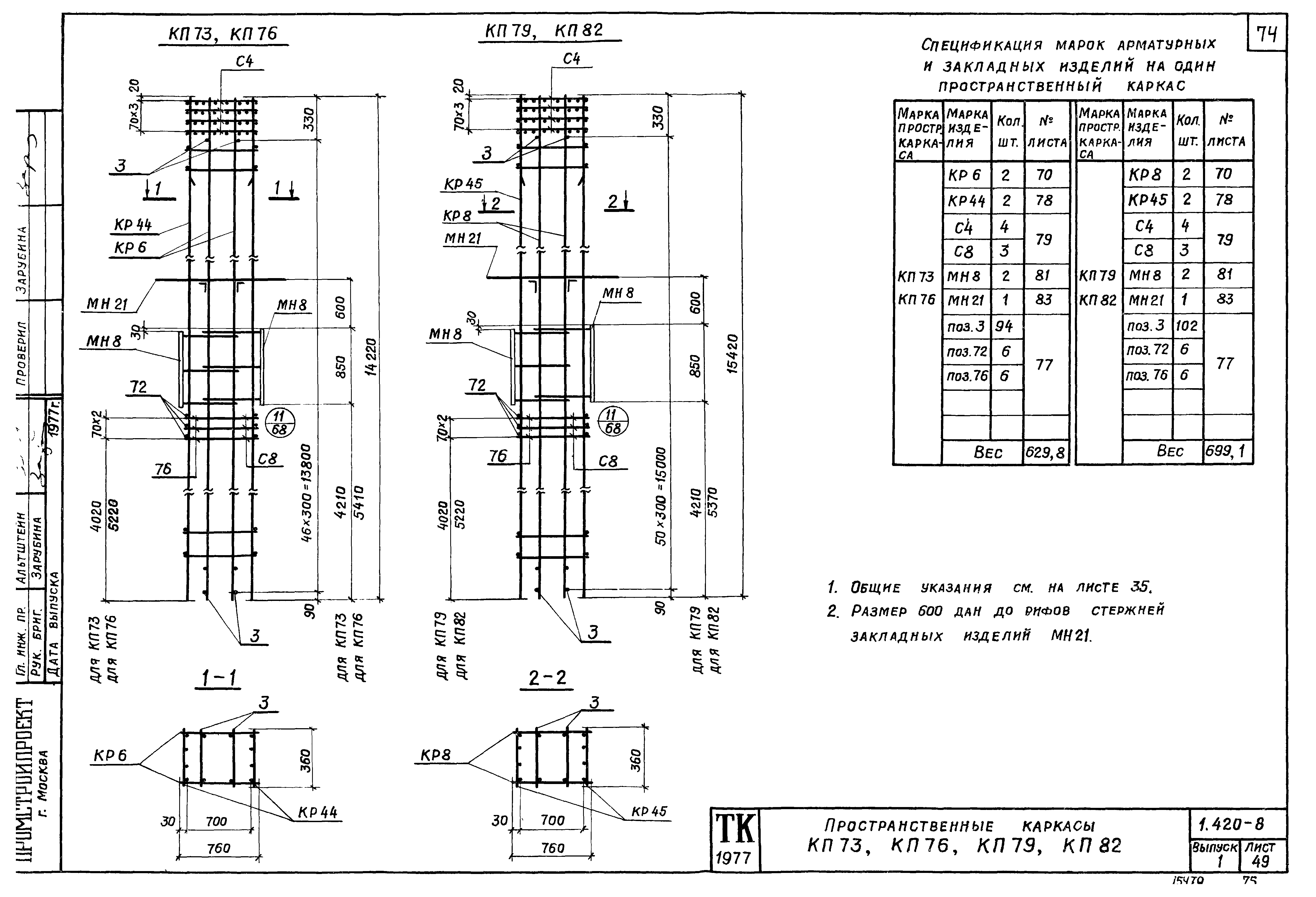
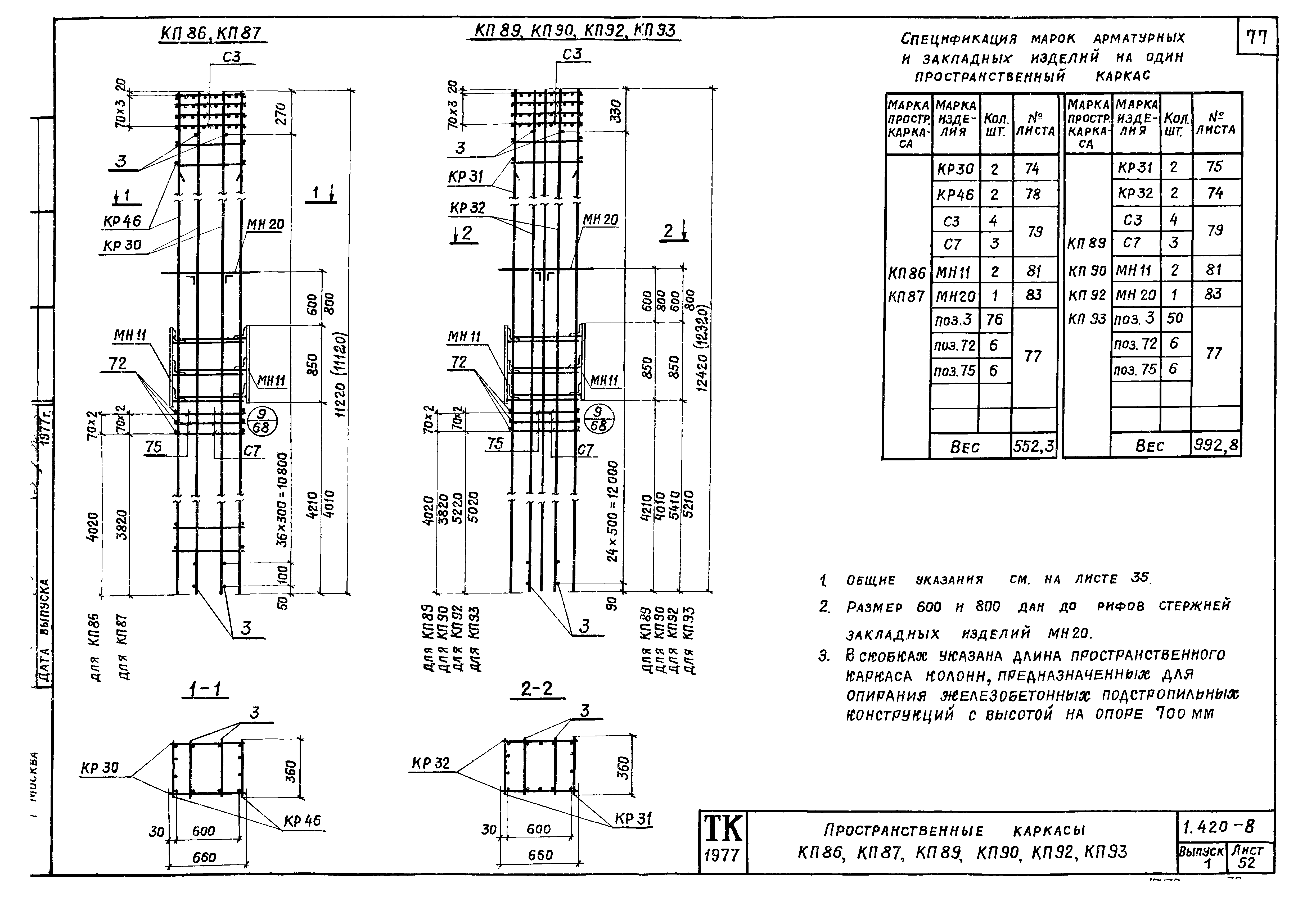
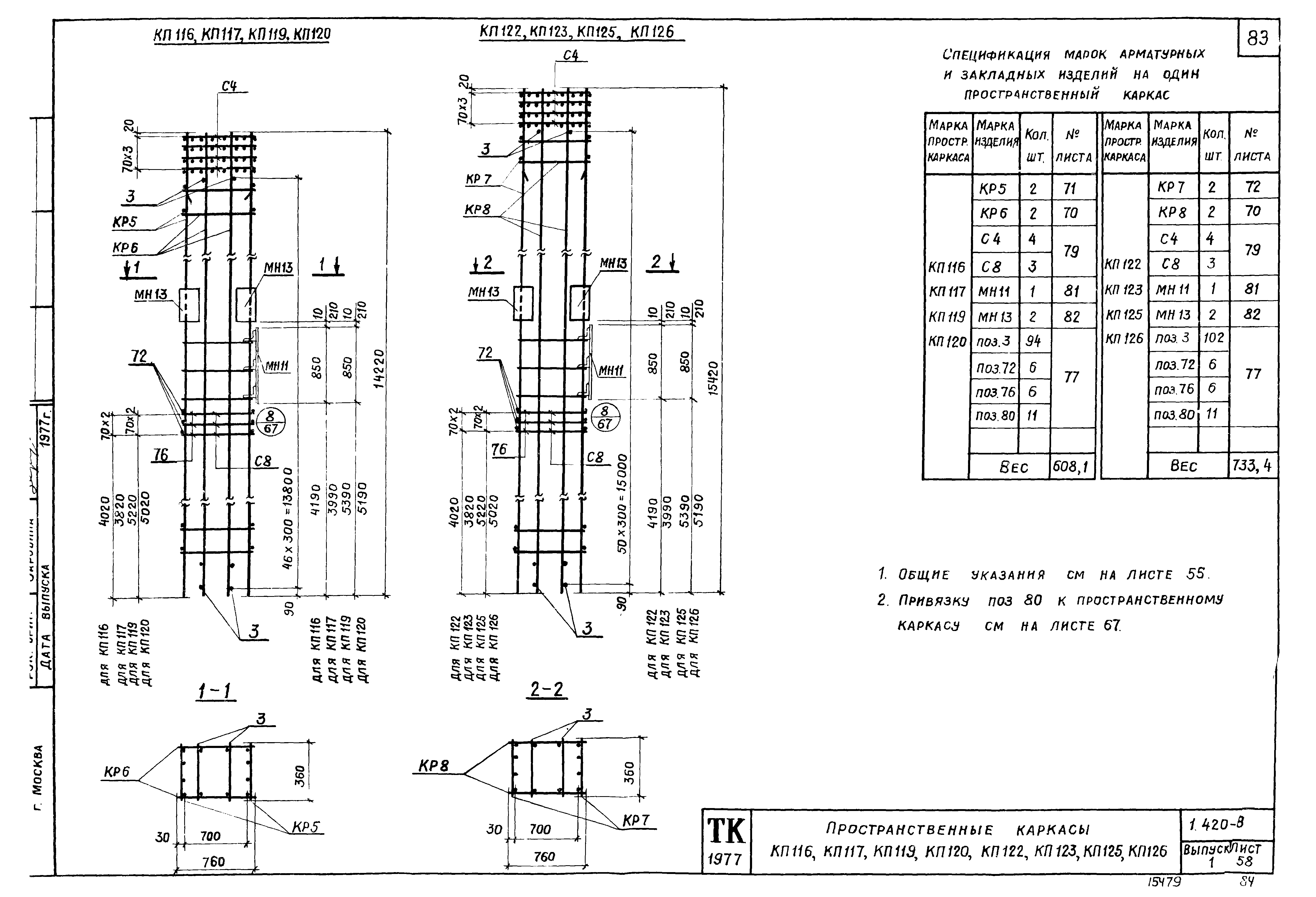
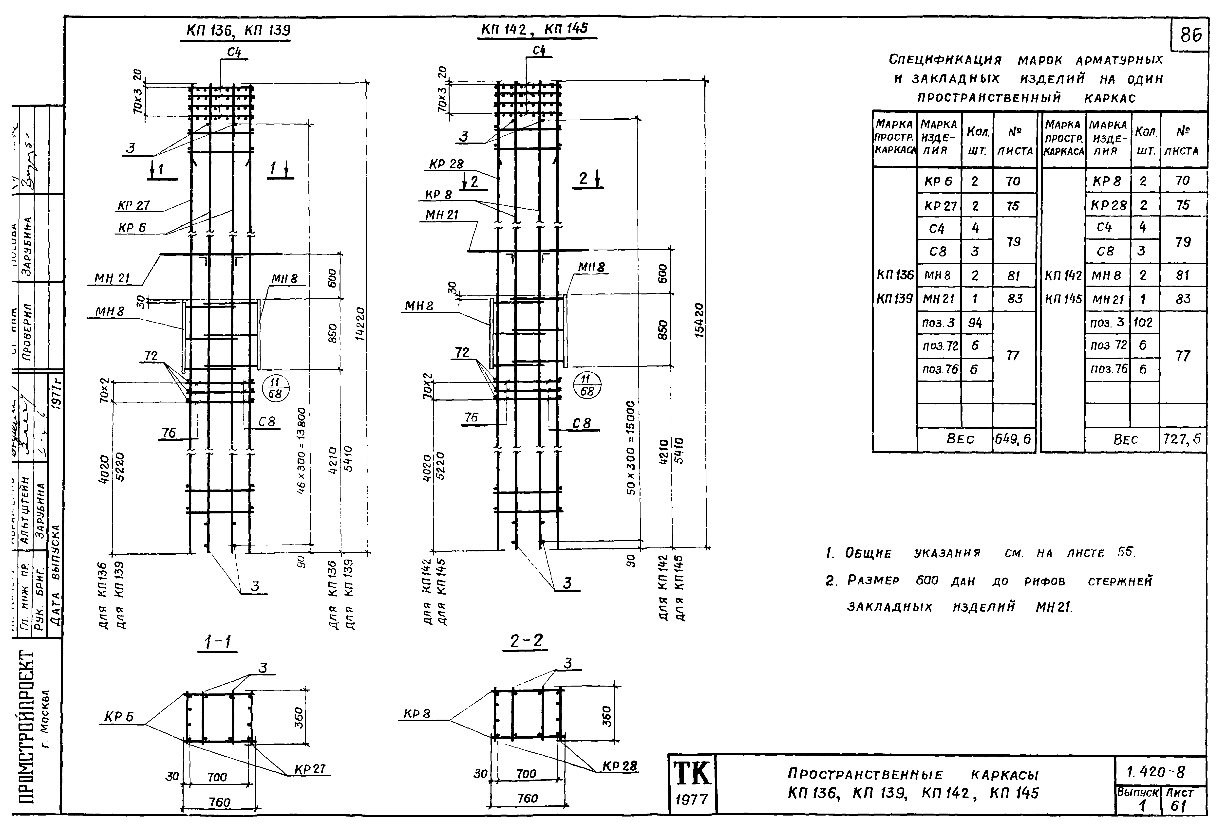
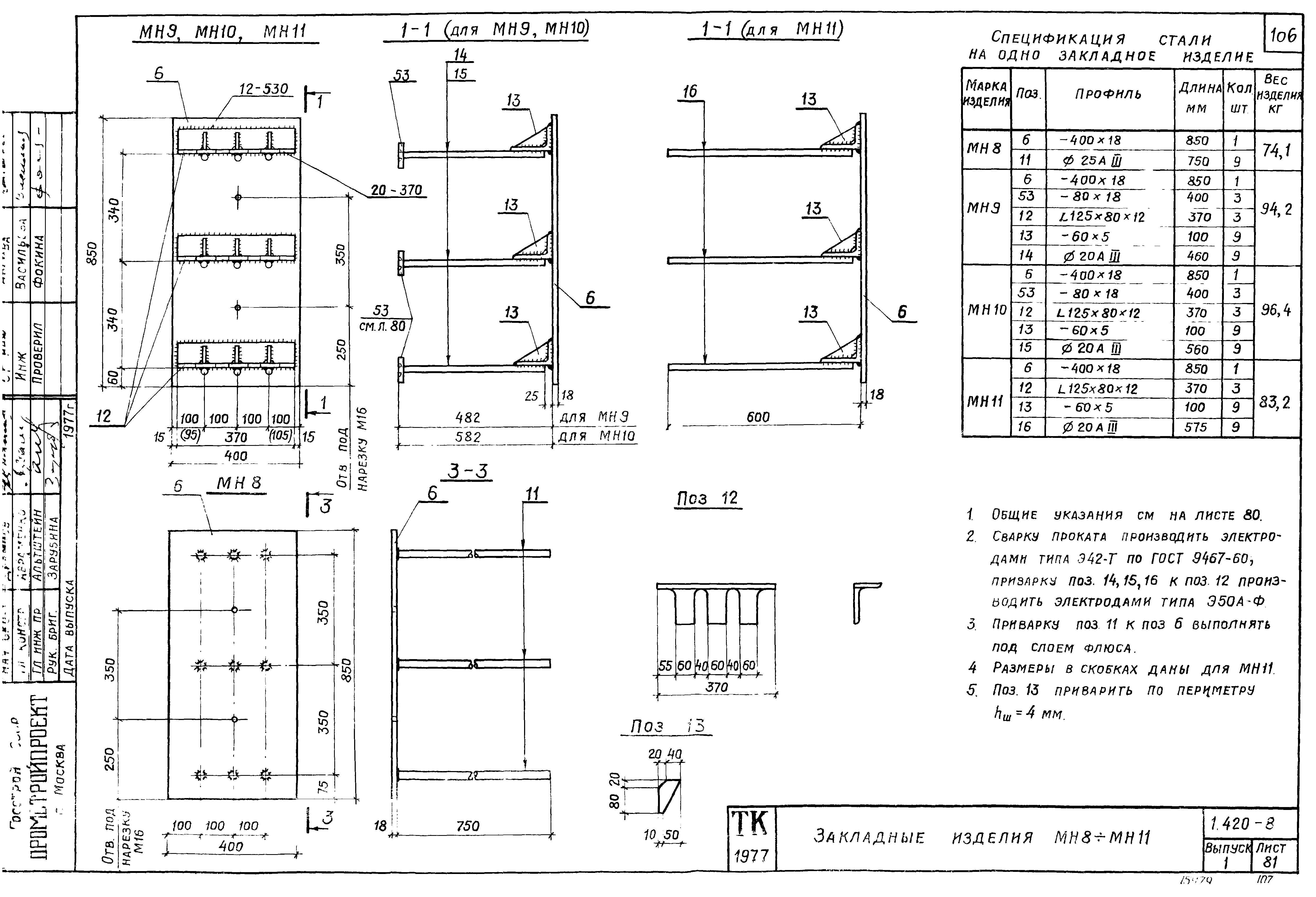
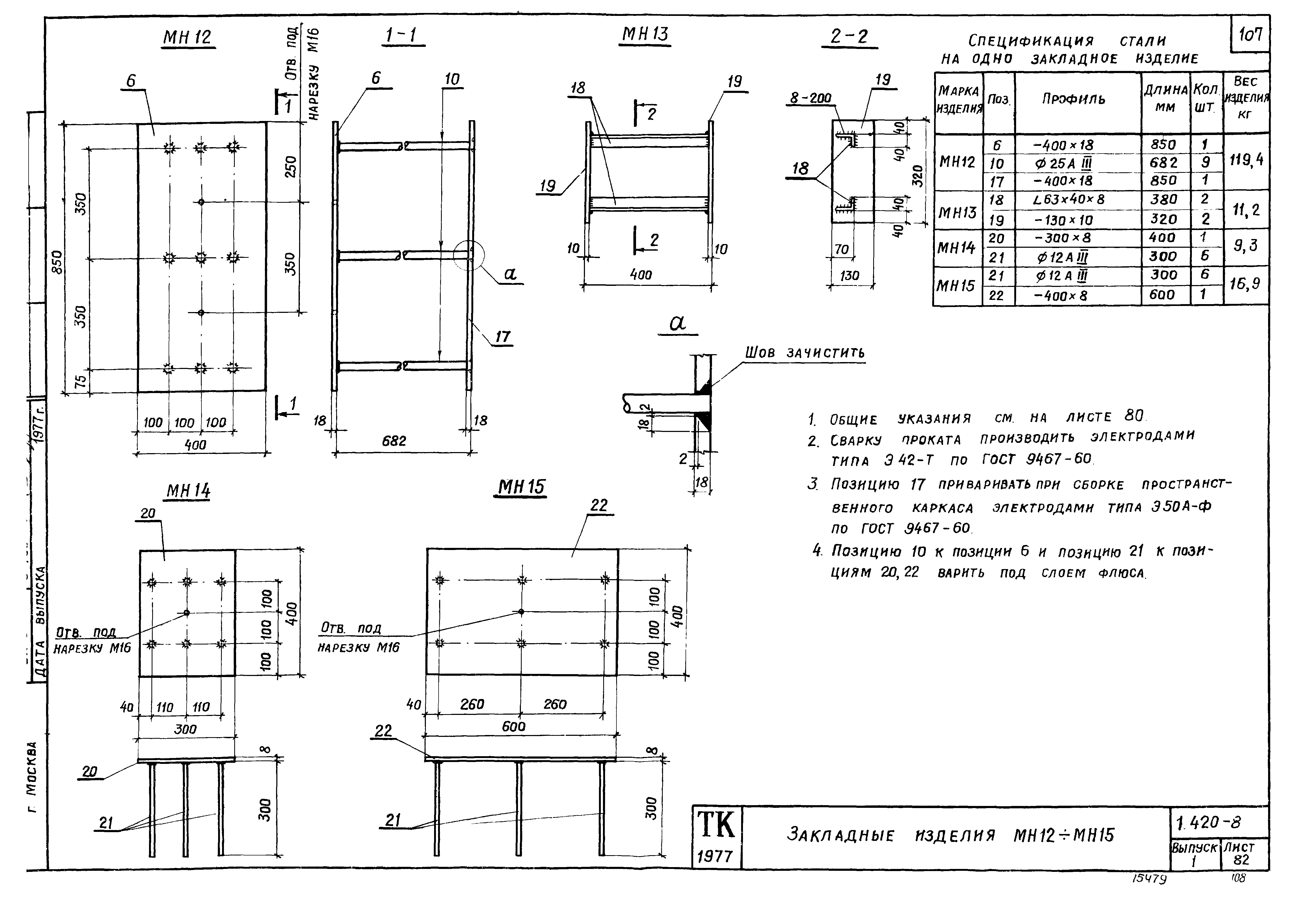
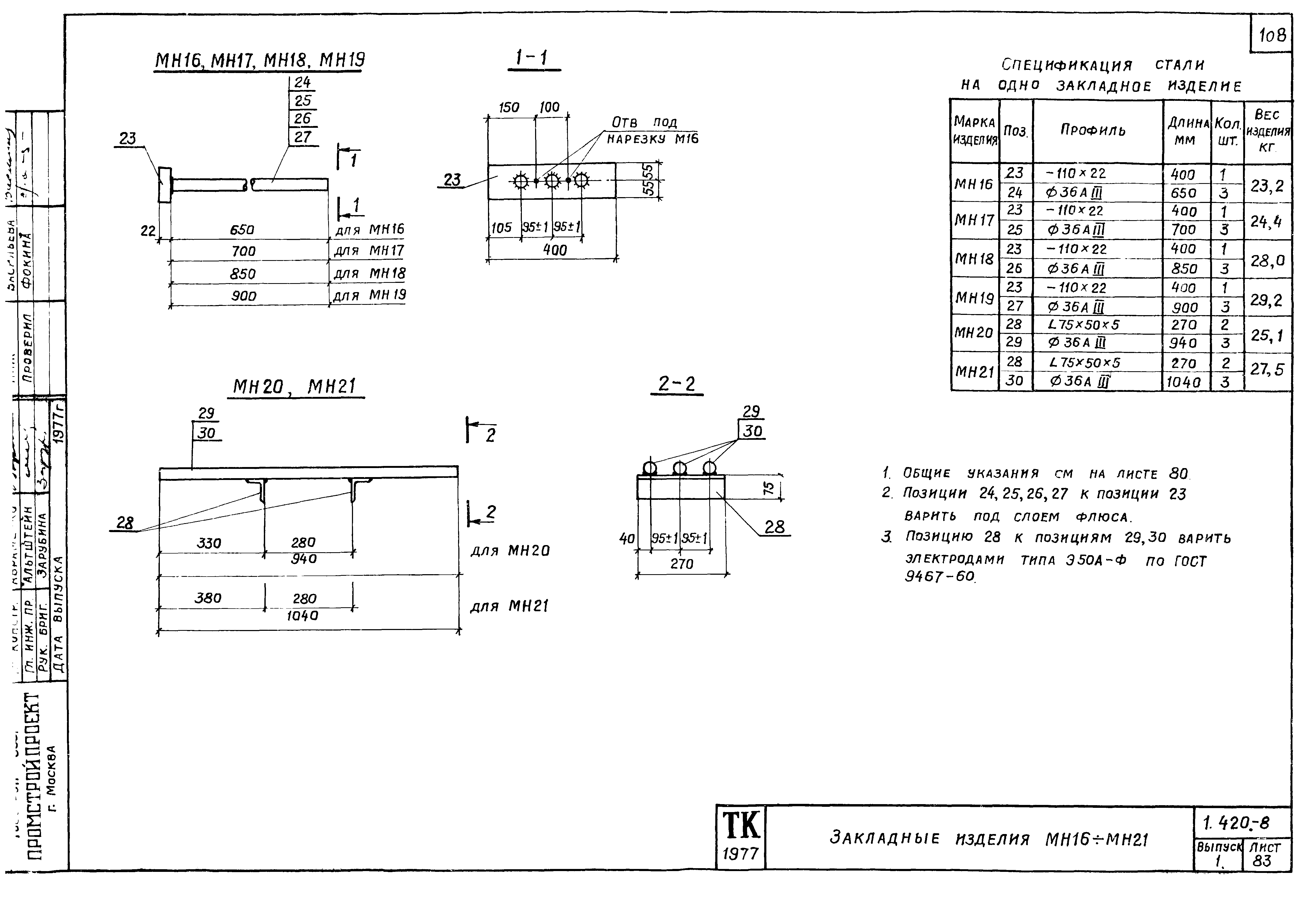
| Оглавление: | Содержание Пояснительная записка Колонны рядовые для однопролетных зданий под нагрузку типа 1. Колонны крайние рядовые для многопролетных зданий под нагрузку типа 1 при шаге колонн 6 м и 12 м Колонны рядовые для однопролетных зданий под нагрузку типа 1 Колонны рядовые для однопролетных зданий под нагрузку типа 2,3 Колонны крайние рядовые для многопролетных зданий под нагрузку типа 2,3 при шаге колонн 6 м Колонны крайние рядовые для многопролетных зданий под нагрузку типа 2,3 при шаге колонн 12 м Колонны рядовые для однопролетных зданий под нагрузку типа 4 Колонны рядовые для однопролетных зданий под нагрузку типа 4 (продолжение) Колонны рядовые для однопролетных зданий под нагрузку типа 5,6 Колонны связевые для однопролетных зданий под нагрузку типа 1. Колонны крайние связевые для многопролетных зданий под нагрузку типа 1 при шаге колонн 6 м и 12 м Колонны связевые для однопролетных зданий под нагрузку типа 1 Колонны связевые для однопролетных зданий под нагрузку типа 2,3 Колонны крайние связевые для многопролетных зданий под нагрузку типа 2,3 при шаге колонн 6 м Колонны крайние связевые для многопролетных зданий под нагрузку типа 2,3 при шаге колонн 12 м Колонны связевые для однопролетных зданий под нагрузку типа 4 Колонны связевые для однопролетных зданий под нагрузку типа 4 (продолжение) Колонны связевые для однопролетных зданий под нагрузку типа 5,6 Средние рядовые колонны под нагрузку типа 1 при шаге колонн 6 м и 12 м Средние рядовые колонны под нагрузку типа 1 при шаге колонн 6 м и 12 м (продолжение) Средние рядовые колонны под нагрузку типа 2,3 при шаге колонн 6 м Средние рядовые колонны под нагрузку типа 2,3 при шаге колонн 12 м Средние рядовые колонны под нагрузку типа 4 при шаге колонн 6 м и 12 м Средние рядовые колонны под нагрузку типа 4 при шаге колонн 6 м и 12 м (продолжение) Средние рядовые колонны под нагрузку типа 5,6 при шаге колонн 6 м Средние рядовые колонны под нагрузку типа 5,6 при шаге колонн 12 м Средние связевые колонны под нагрузку типа 1 при шаге колонн 6 м и 12 м Средние связевые колонны под нагрузку типа 1 при шаге колонн 6 м и 12 м (продолжение) Средние связевые колонны под нагрузку типа 2,3 при шаге колонн 6 м Средние связевые колонны под нагрузку типа 2,3 при шаге колонн 12 м Средние связевые колонны под нагрузку типа 4 при шаге колонн 6 м и 12 м Средние связевые колонны под нагрузку типа 4 при шаге колонн 6 м и 12 м (продолжение) Средние связевые колонны под нагрузку типа 5,6 при шаге колонн 6 м Средние связевые колонны под нагрузку типа 5,6 при шаге колонн 12 м Разбивка закладных изделий для крепления связей Пример разбивки закладных изделий для крепления продольных стен Пространственные каркасы КП1,КП4,КП7 Пространственные каркасы КП2,КП3,КП5,КП6,КП8,КП9 Пространственные каркасы КП10,КП13,КП16,КП19 Пространственные каркасы КП11,КП12,КП14,КП15,КП17,КП18,КП20,КП21 Пространственные каркасы КП22,КП25,КП28 Пространственные каркасы КП23,КП24,КП26,КП27,КП29,КП30 Пространственные каркасы КП31,КП34,КП37,КП40 Пространственные каркасы КП32,КП33,КП35,КП36,КП38,КП39,КП41,КП42 Пространственные каркасы КП43,КП46,КП49 Пространственные каркасы КП44,КП45,КП47,КП48,КП50,КП51 Пространственные каркасы КП52,КП55,КП58,КП61 Пространственные каркасы КП53,КП54,КП56,КП57,КП59,КП60,КП62,КП63 Пространственные каркасы КП64,КП67,КП70 Пространственные каркасы КП65,КП66,КП68,КП69,КП71,КП72 Пространственные каркасы КП73,КП76,КП79,КП82 Пространственные каркасы КП74,КП75,КП77,КП78,КП80,КП81,КП83,КП84 Пространственные каркасы КП85,КП88,КП91 Пространственные каркасы КП86,КП87,КП89,КП90,КП92,КП93 Пространственные каркасы КП94,КП97,КП100,КП103 Пространственные каркасы КП95,КП96,КП98,КП99,КП101,КП102,КП104,КП105 Пространственные каркасы КП106,КП109,КП112 Пространственные каркасы КП107,КП108,КП110,КП111,КП113,КП114 Пространственные каркасы КП115,КП118,КП121,КП124 Пространственные каркасы КП116,КП117,КП119,КП120,КП122,КП125,КП126 Пространственные каркасы КП127,КП130,КП133 Пространственные каркасы КП128,КП129,КП131,КП132,КП134,КП135 Пространственные каркасы КП136,КП139,КП142,КП145 Пространственные каркасы КП137,КП138,КП140,КП141,КП143,КП144,КП146,КП147 Пространственные каркасы КП148,КП149,КП150 Пространственные каркасы КП151,КП154,КП157,КП160 Пространственные каркасы КП152,КП153,КП155,КП156,КП158,КП159,КП161,КП162 Пространственные каркасы. Узлы 1-4 Пространственные каркасы. Узлы 5-8 Пространственные каркасы. Узлы 9-11 Пространственные каркасы. Узел 12 Плоские каркасы КР1,КР2,КР4,КР6,КР8,КР11,КР17 Плоские каркасы КР3,КР5,КР9,КР10,КР12,КР23 Плоские каркасы КР7,КР13,КР14,КР15,КР16 Плоские каркасы КР18,КР19,КР20,КР21,КР22,КР24 Плоские каркасы КР25,КР26,КР30,КР32,КР34,КР36 Плоские каркасы КР27,КР28,КР29,КР31,КР33,КР35 Плоские каркасы КР37,КР38,КР39,КР40 Плоские каркасы КР41,КР42,КР49. Отдельные позиции 3,46,72-75 Плоские каркасы КР43,КР44,КР45,КР46,КР47,КР48 Сетки С1-С8 Закладные изделия МН1-МН7 Закладные изделия МН8-МН11 Закладные изделия МН12-МН15 Закладные изделия МН16-МН21 Закладные изделия МН22-МН26 Закладные изделия МН27-МН31 Выборка стали на рядовые колонны для однопролетных зданий под нагрузку типа 1,2,3 Выборка стали на рядовые колонны для однопролетных зданий под нагрузку типа 4,5,6 Выборка стали на крайние рядовые колонны многопролетных зданий при шаге колонн 6 м Выборка стали на крайние рядовые колонны многопролетных зданий при шаге колонн 12 м Выборка стали на связевые колонны для однопролетных зданий под нагрузку типа 1,2,3 Выборка стали на связевые колонны для однопролетных зданий под нагрузку типа 4,5,6 Выборка стали на крайние связевые колонны многопролетных зданий при шаге колонн 6 м Выборка стали на крайние связевые колонны многопролетных зданий при шаге колонн 12 м Выборка стали на крайние средние рядовые колонны под нагрузку типа 1,2,3 при шаге колонн 6 м Выборка стали на средние рядовые колонны под нагрузку типа 4,5,6 при шаге колонн 6 м Выборка стали на средние рядовые колонны под нагрузку типа 1,2,3 при шаге колонн 12 м Выборка стали на средние рядовые колонны под нагрузку типа 4,5,6 при шаге колонн 12 м Выборка стали на средние связевые колонны под нагрузку типа 1,2,3 при шаге колонн 6 м Выборка стали на средние связевые колонны под нагрузку типа 4,5,6 при шаге колонн 6 м Выборка стали на средние связевые колонны под нагрузку типа 1,2,3 при шаге колонн 12 м Выборка стали на средние связевые колонны под нагрузку типа 4,5,6 при шаге колонн 12 м Спецификация позиций арматурных изделий на альбома Спецификация позиций закладных изделий на альбома Пример образования пространственного каркаса при помощи шпилек Устройство связей в пространственном каркасе, образованном с помощью шпилек |
| Разработан: | НИИЖБ Промстройпроект |
| Утверждён: | 31.07.1978 Госстрой СССР (Государственный комитет Совета Министров СССР по делам строительства) (USSR Gosstroy 151) |



































































































































