Скачать Серия 1.420-8 Выпуск 2. Колонны железобетонные одноэтажные для первого этажа высотой 4,8 и 6,0 м. Рабочие чертежиДата актуализации: 01.01.2021
|
| Обозначение: | Серия 1.420-8 |
| Обозначение англ: | Series 1.420-8 |
| Статус: | не действует |
| Название рус.: | Выпуск 2. Колонны железобетонные одноэтажные для первого этажа высотой 4,8 и 6,0 м. Рабочие чертежи |
| Дата добавления в базу: | 01.09.2013 |
| Дата актуализации: | 01.01.2021 |
| Дата введения: | 01.12.1978 |
| Дата окончания срока действия: | 01.02.1987 |
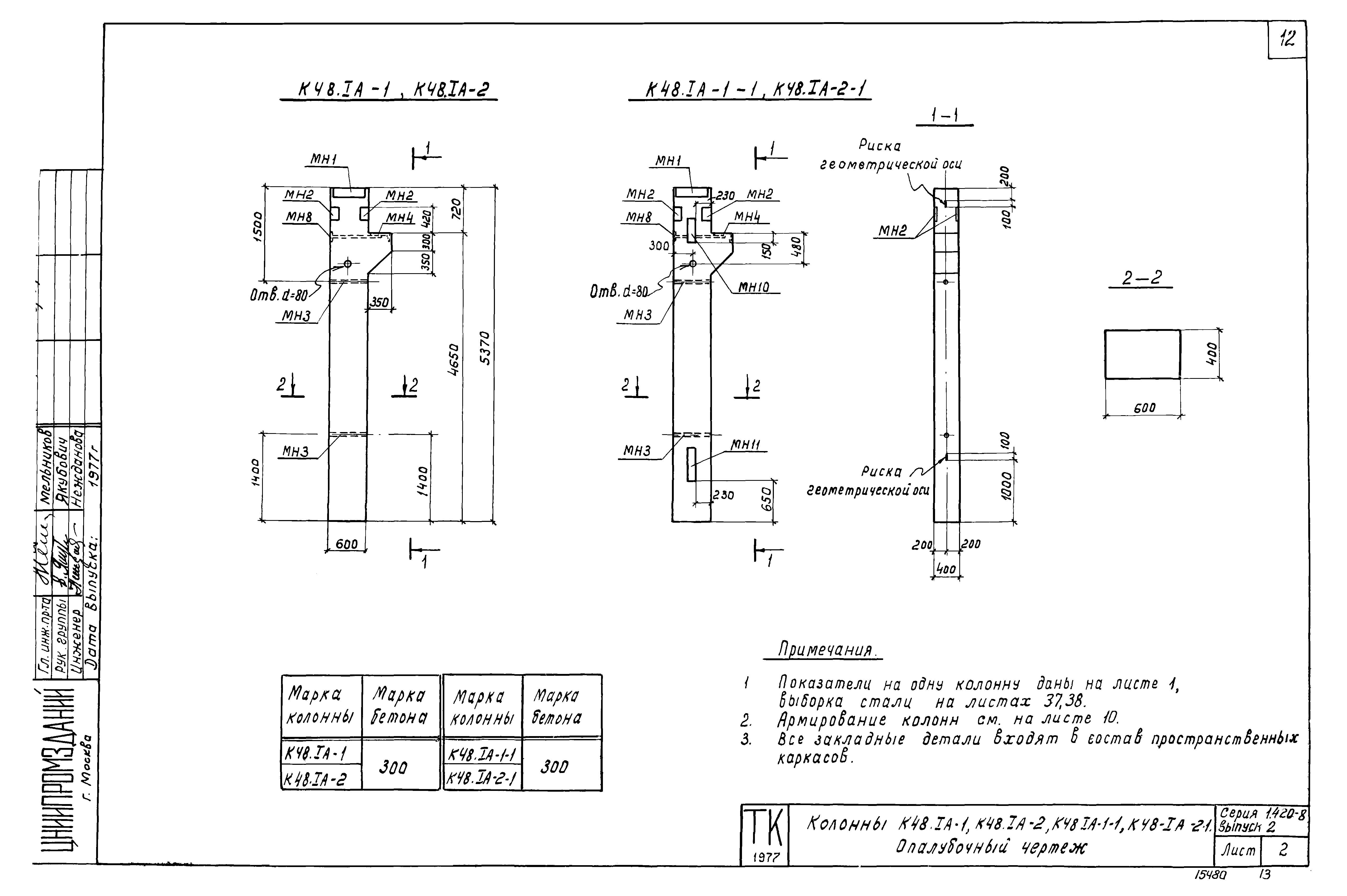
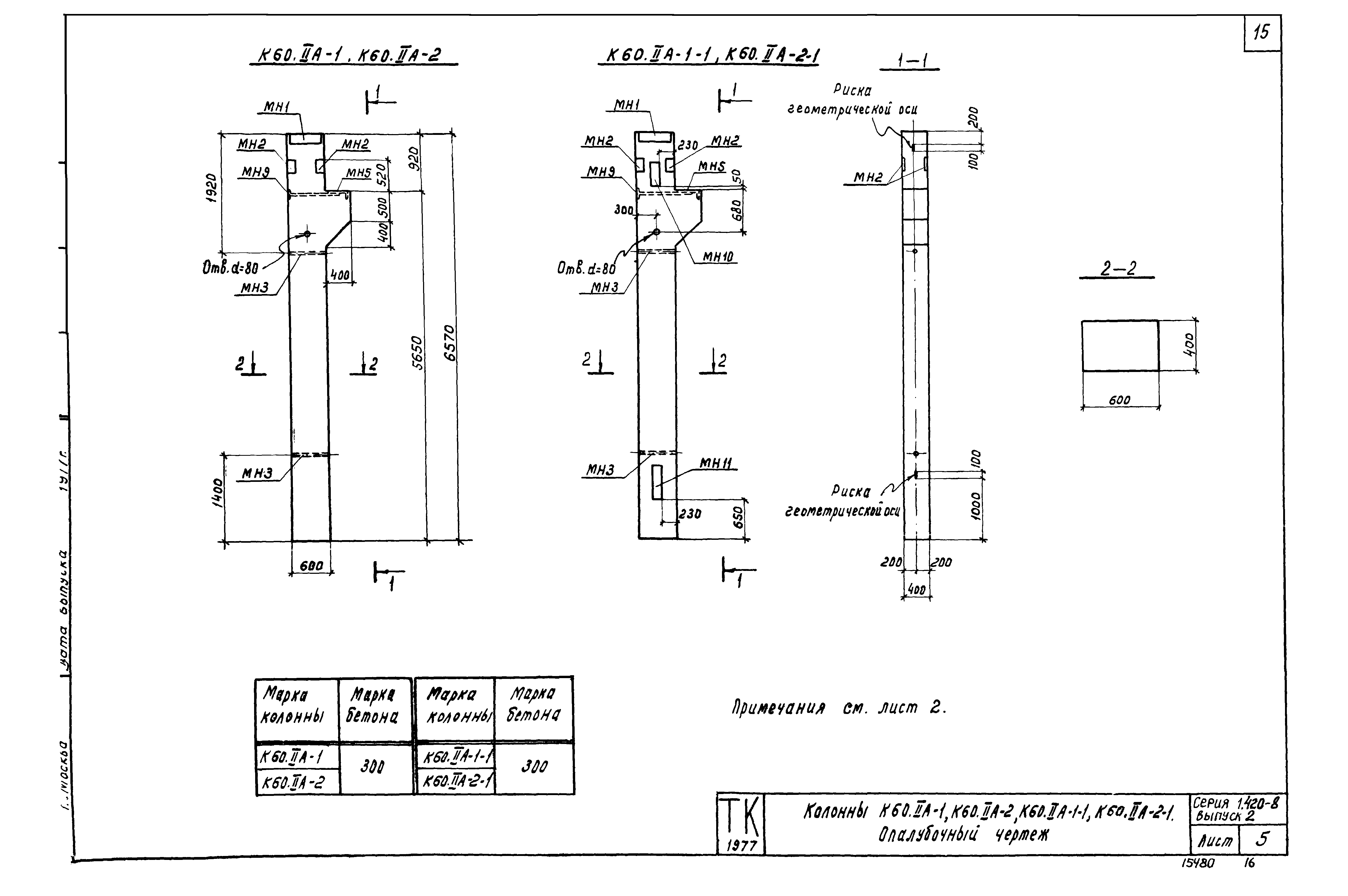
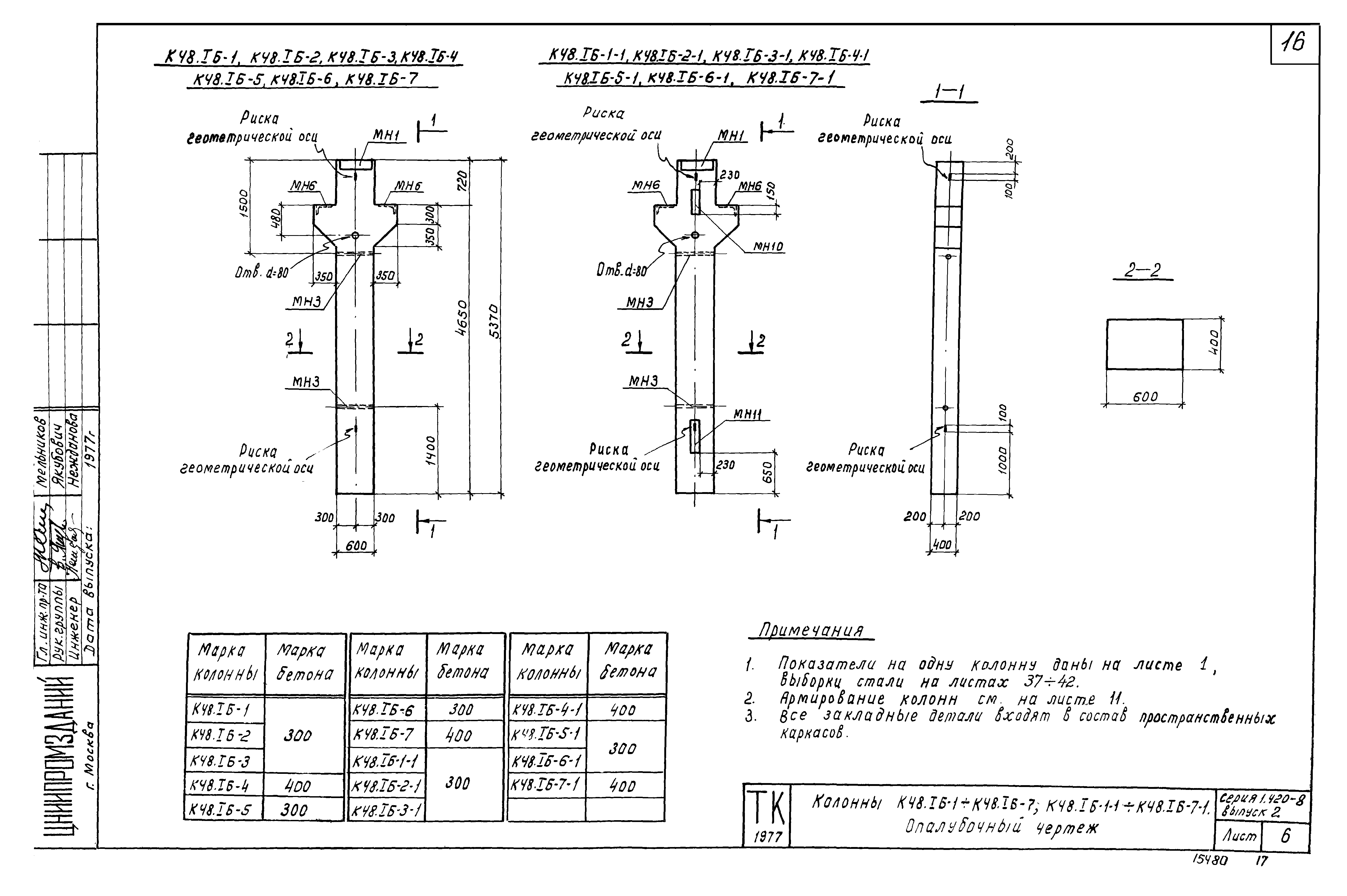
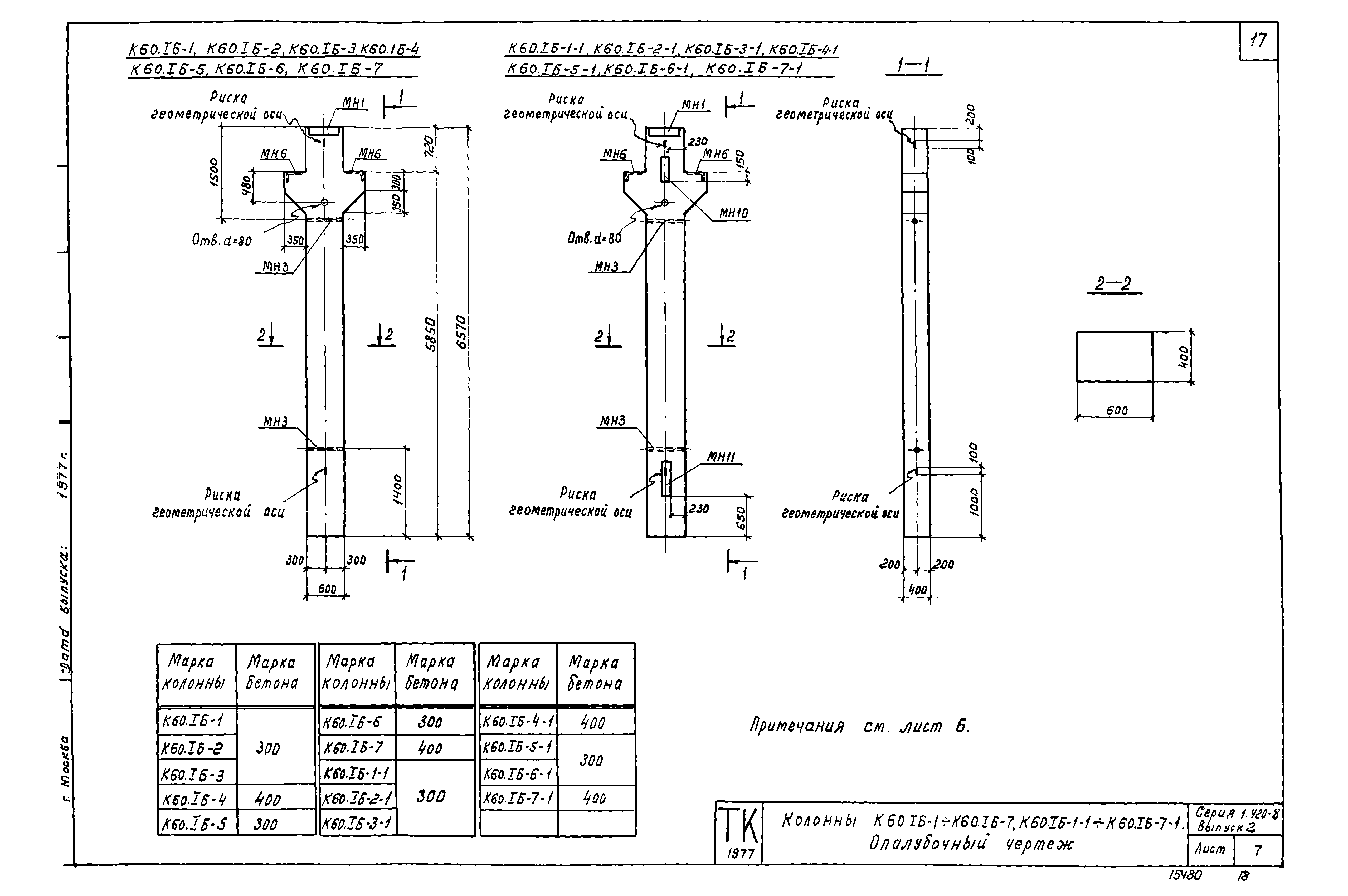
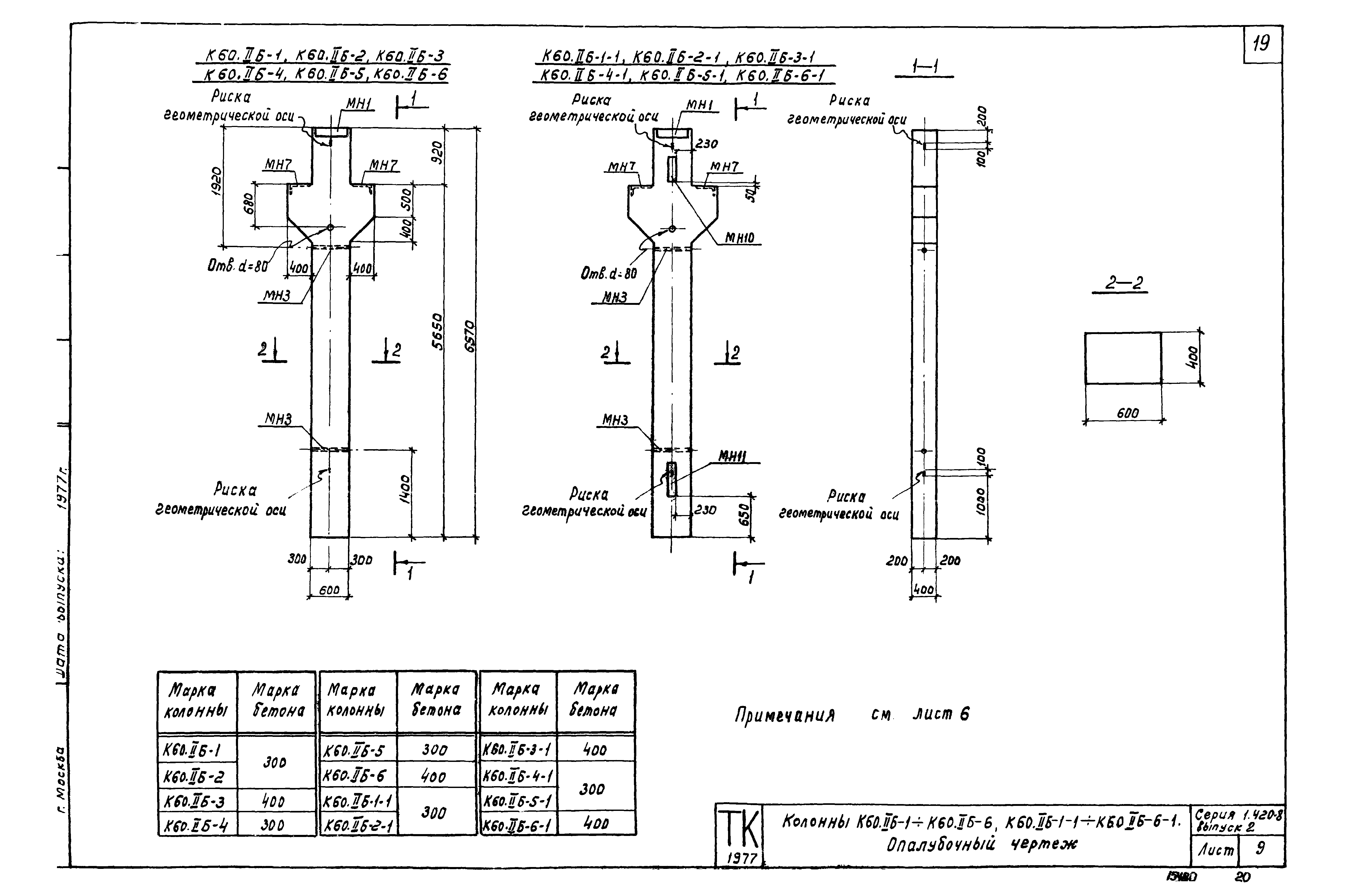
| Оглавление: | Содержание 1. Пояснительная записка 2. Рабочие чертежи 1. Показатели на одну колонну 2. Колонны К48.1А-1,К48.1А-2,К48.1А-1-1,К48.1А-2-1. Опалубочный чертеж 3. Колонны К60.1А-1,К60.1А-2,К60.1А-1-,К60.1А-2-1. Опалубочный чертеж 4. Колонны К48.IIА-1,К48.IIА-2,К48.IIА-1-1,К48.IIА-2-1. Опалубочный чертеж 5. Колонны К60.IIА-1,К60.IIА-2,К60.IIА-1-1,К60.IIА-2-1. Опалубочный чертеж 6. Колонны К48.1Б-1-К48.1Б-7,К48.1Б-1-1-К48.1Б-7-1. Опалубочный чертеж 7. Колонны К60.1Б-1-К60.1Б-7,К60.1Б-1-1-К60.1Б-7-1. Опалубочный чертеж 8. Колонны К48.IIБ-1-К48.IIБ-6,К48.IIБ-1-1-К48.IIБ-6-1. Опалубочный чертеж 9. Колонны К60.IIБ-1-К60.IIБ-6,К60.IIБ-1-1-К60.IIБ-6-1. Опалубочный чертеж 10. Колонны К48.1А-1,К48.1А-2,К48.1А-1-1,К48.1А-2-1,К60.1А-1,К60.1А-2,К60.1А-1-1,К60.1А-2-1,К48.IIА-1,К48.IIА-2,К48.IIА-1-1,К48.IIА-2-1,К60.IIА-1,К60.IIА-2,К60.IIА-1-1,К60.IIА-2-1. Арматурный чертеж 11. Колонны К48.1Б-1-К48.1Б-7,К48.1Б-1-1-К48.1Б-7-1,К60.1Б-1-К60.1Б-7,К60.1Б-1-1-К60.1Б-7-1,К48.IIБ-1-К48.IIБ-6,К48.IIБ-1-1-К48.IIБ-6-1,К60.IIБ-1-К60.IIБ-6,К60.IIБ-1-1-К60.IIБ-6-1. Арматурный чертеж 12. Установка пространственных каркасов. Узлы 1,2,3,4,5 13. Установка пространственных каркасов. Узлы 6,7,8,9 14. Пространственные каркасы КП1,КП2,КП1-1,КП2-1 15. Пространственные каркасы КП3,КП4,КП3-1,КП4-1 16. Пространственные каркасы КП5,КП6,КП5-1,КП6-1 17. Пространственные каркасы КП7,КП8,КП7-1,КП8-1 18. Пространственные каркасы КП9,КП10,КП11,КП12,КП13,КП9-1,КП10-1,КП11-1,КП12-1,КП13-1 19. Пространственные каркасы КП14,КП15,КП16,КП17,КП18,КП14-1,КП15-1,КП16-1,КП17-1,КП18-1 20. Пространственные каркасы КП19,КП20,КП21,КП22,КП19-1,КП20-1,КП21-1,КП22-1 21. Пространственные каркасы КП23,КП24,КП25,КП26,КП23-1,КП24-1,КП25-1,КП26-1 22. Пространственные каркасы. Узлы 10,11,12,13 23. Пространственные каркасы. Узлы 14,15 24. Пространственные каркасы. Узлы 16,17 25. Пространственные каркасы. Узлы 18,19 26. Плоские каркасы КР1,КР2,КР5,КР6,КР9,КР10 27. Плоские каркасы КР3,КР4,КР7,КР8,КР11,КР12. Сетка С1 28. Арматурные изделия. Позиции 12-23 и спецификация 29. Арматурные изделия. Позиции 24-36 и спецификация 30. Закладные детали МН1,МН2,МН3 31. Закладные детали МН4,МН5 32. Закладные детали МН6,МН7 33. Закладные детали МН8,МН9,МН10,МН11 34. Закладные детали МН8*,МН9*,МН10*,МН11*,МН8*,МН9* 35. Закладные детали. Заготовочные чертежи отдельных позиций 36. Спецификация позиций закладных деталей и арматурных изделий на альбом 37. Выборка стали на одну колонну 38. Выборка стали на одну колонну 39. Выборка стали на одну колонну 40. Выборка стали на одну колонну 41. Выборка стали на одну колонну 42. Выборка стали на одну колонну 43. Пример образования пространственного каркаса при помощи шпилек 44. Узел пространственного каркаса КП14-1 45. Устройство связей в пространственном каркасе, образованном с помощью шпилек |
| Разработан: | ЦНИИпромзданий НИИЖБ |
| Утверждён: | 31.07.1978 Госстрой СССР (Государственный комитет Совета Министров СССР по делам строительства) (USSR Gosstroy 151) |
























































