Скачать Серия 3.903 КЛ-14 Выпуск 1-1. Теплоснабжение. Каналы непроходные. Опоры неподвижные щитовыеДата актуализации: 01.01.2021
|
| Обозначение: | Серия 3.903 КЛ-14 |
| Обозначение англ: | Series 3.903 КЛ-14 |
| Статус: | не действует |
| Название рус.: | Выпуск 1-1. Теплоснабжение. Каналы непроходные. Опоры неподвижные щитовые |
| Дата добавления в базу: | 01.09.2013 |
| Дата актуализации: | 01.01.2021 |
| Область применения: | В выпуске 1-1 серии 3.903 КЛ-14 разработаны рабочие чертежи сборных железобетонных лотков для теплофикационных непроходных каналов и опоры неподвижные щитовые |
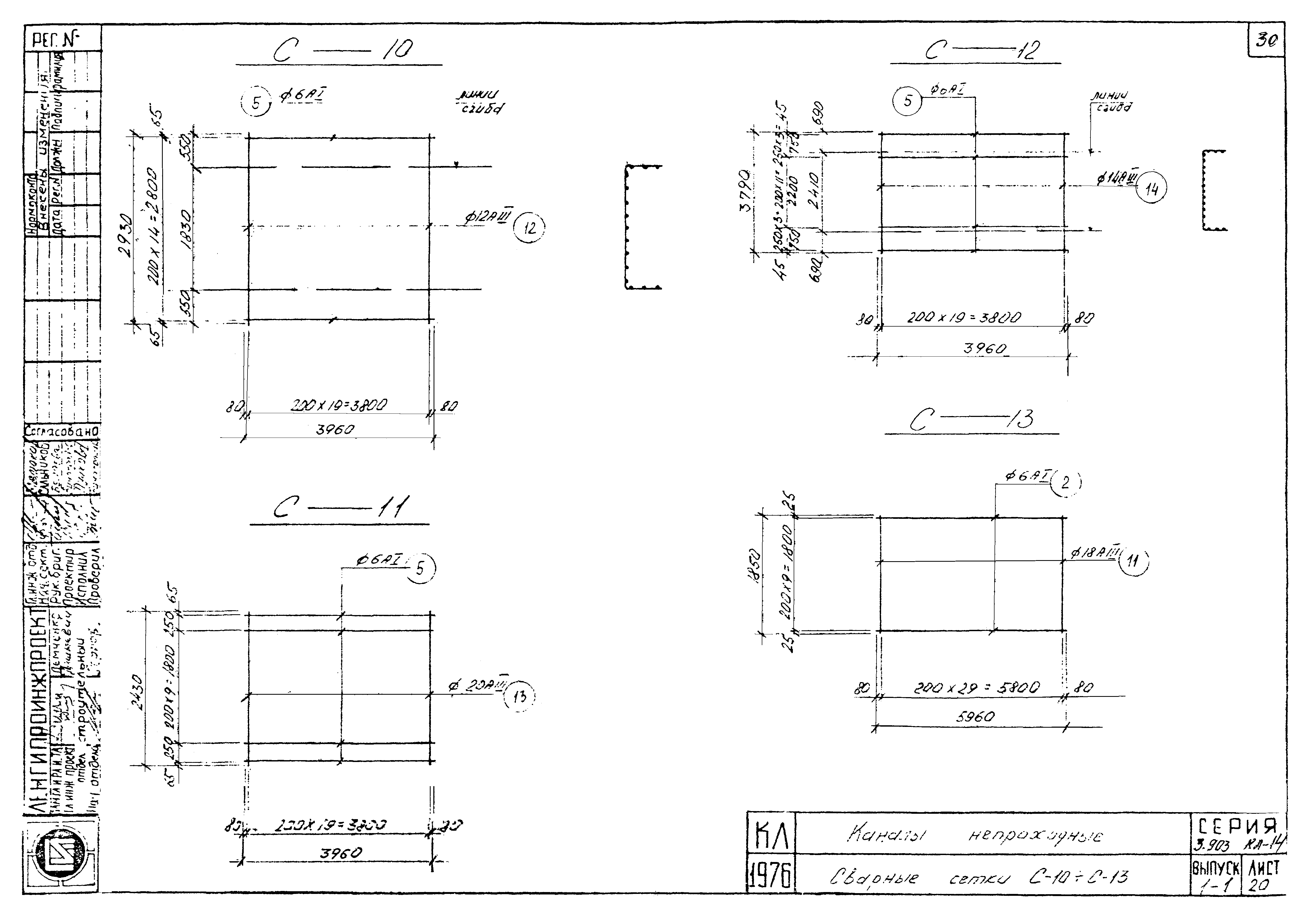
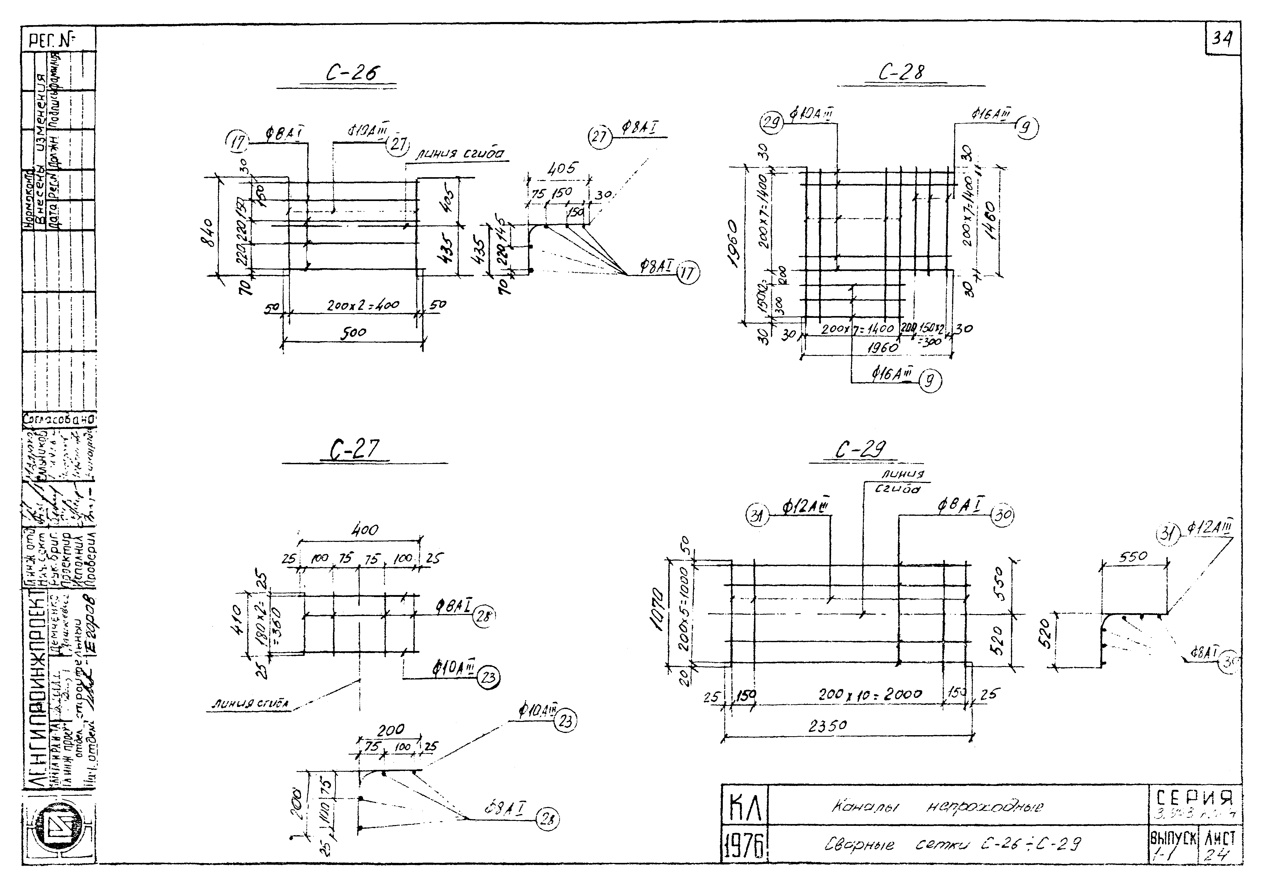
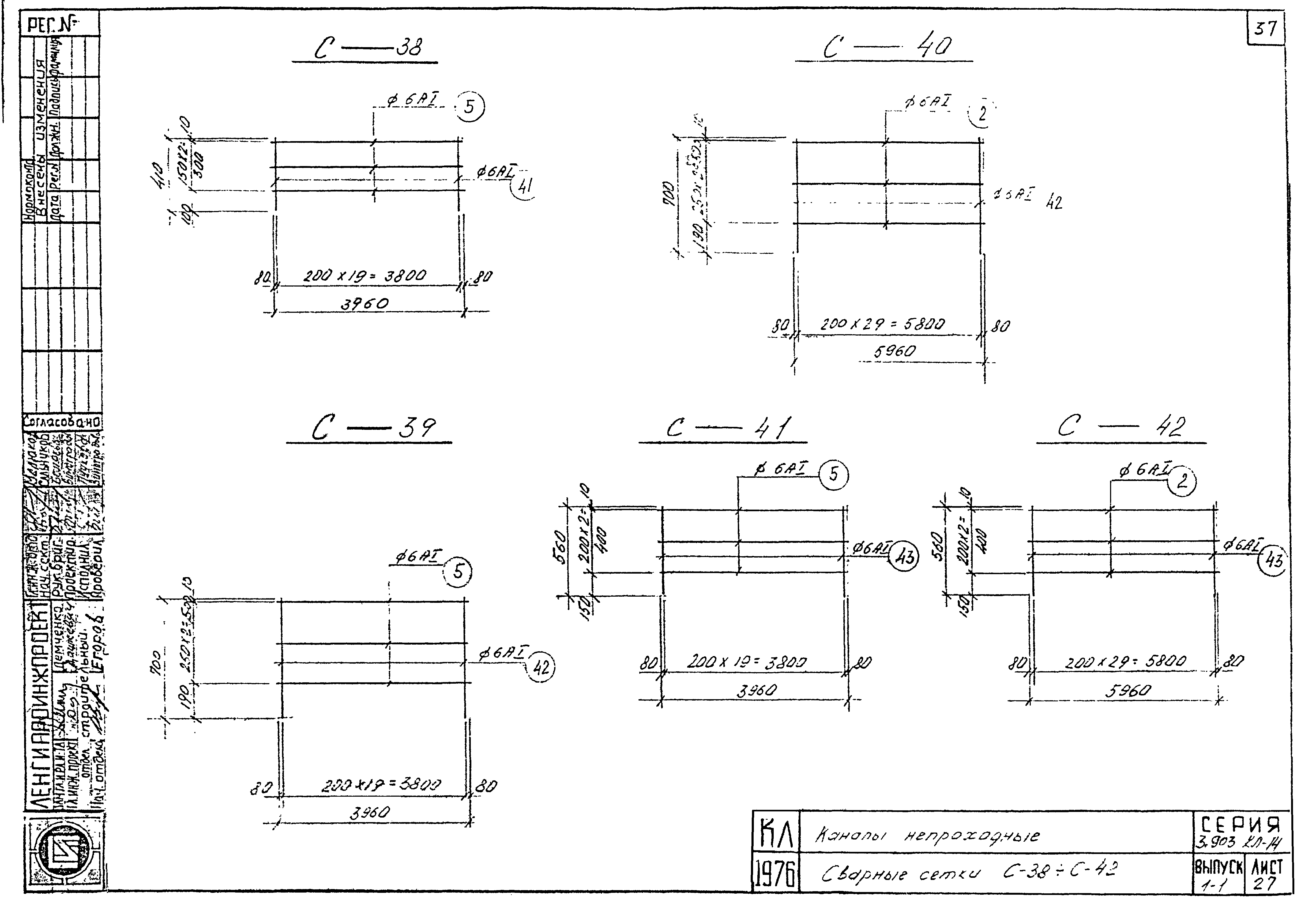
| Оглавление: | С-1 Содержание ПЗ-1-4 Пояснительная записка ПЗ-5-6 Расчетные схемы ПЗ-7 Монтажные схемы Лоток ЛТ-60.3.5 Лоток ЛТ-40.8.2 Лоток ЛТ-40.10.3 Лоток ЛТ-40.13.3 Лоток ЛТ-40.16.5 Лоток ЛТ-40.21.6 Лоток ЛТ-60.16.5 Лоток ЛТ-60.21.6 Лоток УЛТ-75 Лоток УЛТ-100 Лоток УЛТ-125 Лоток УЛТ-160 Лоток УЛТ-210 Опоры НО-1-1;НО-1-2 Опоры НО-2-1;НО-2-2 Опоры НО-3-1;НО-3-2 Плита П-4 Сварные сетки С-1-С-5 Сварные сетки С-6-С-9 Сварные сетки С-10-С-13 Сварные сетки С-14-С-17 Сварные сетки С-18-С-21 Сварные сетки С-21-С-25 Сварные сетки С-26-С-29 Сварные сетки С-30-С-33 Сварные сетки С-34-С-37 Сварные сетки С-38-С-42 Сварные сетки С-43-С-46 Спецификация и выборка стали на одно арматурное изделие Закладные элементы М-1-М-7 |
| Разработан: | Ленгипроинжпроект Ленгорисполкома |
| Утверждён: | 18.12.1976 Ленгипроинжпроект (Lengiproinzhproject 144) |









































