Скачать Серия 4.407-258 Проводки на струнах и установка светильников с лампами накаливания в тоннелях (рабочие чертежи)Дата актуализации: 01.01.2021
|
| Обозначение: | Серия 4.407-258 |
| Обозначение англ: | Series 4.407-258 |
| Статус: | не действует |
| Название рус.: | Проводки на струнах и установка светильников с лампами накаливания в тоннелях (рабочие чертежи) |
| Дата добавления в базу: | 01.09.2013 |
| Дата актуализации: | 01.01.2021 |
| Дата введения: | 17.09.1979 |
| Дата окончания срока действия: | 01.03.1991 |
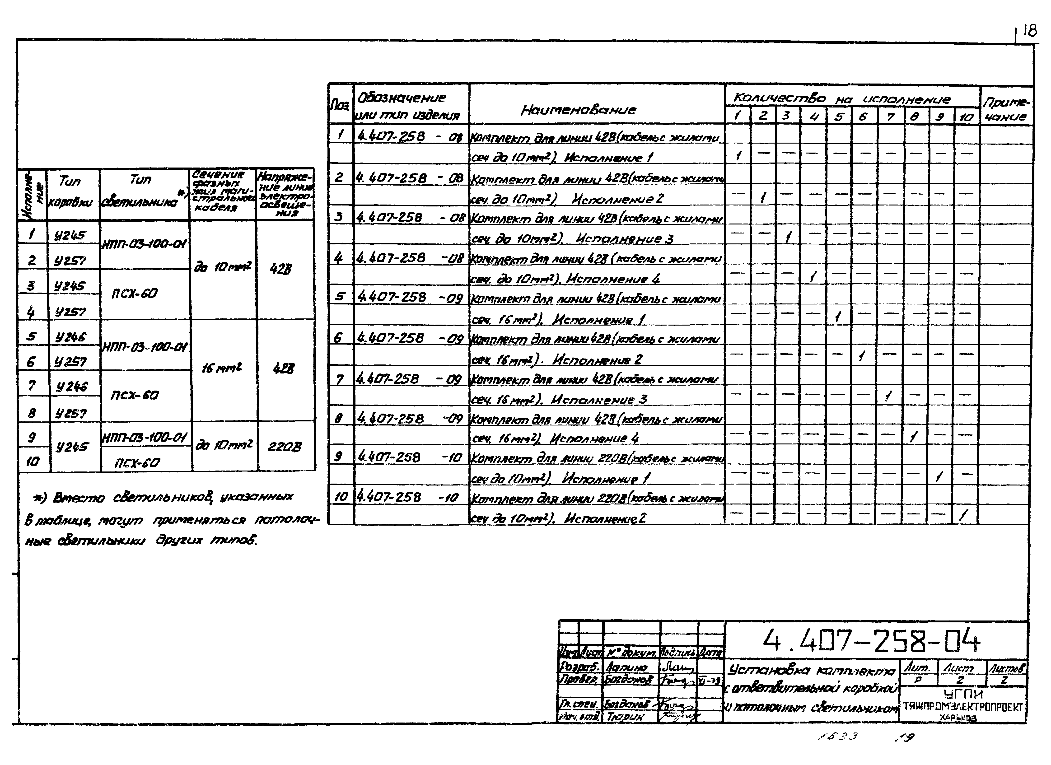
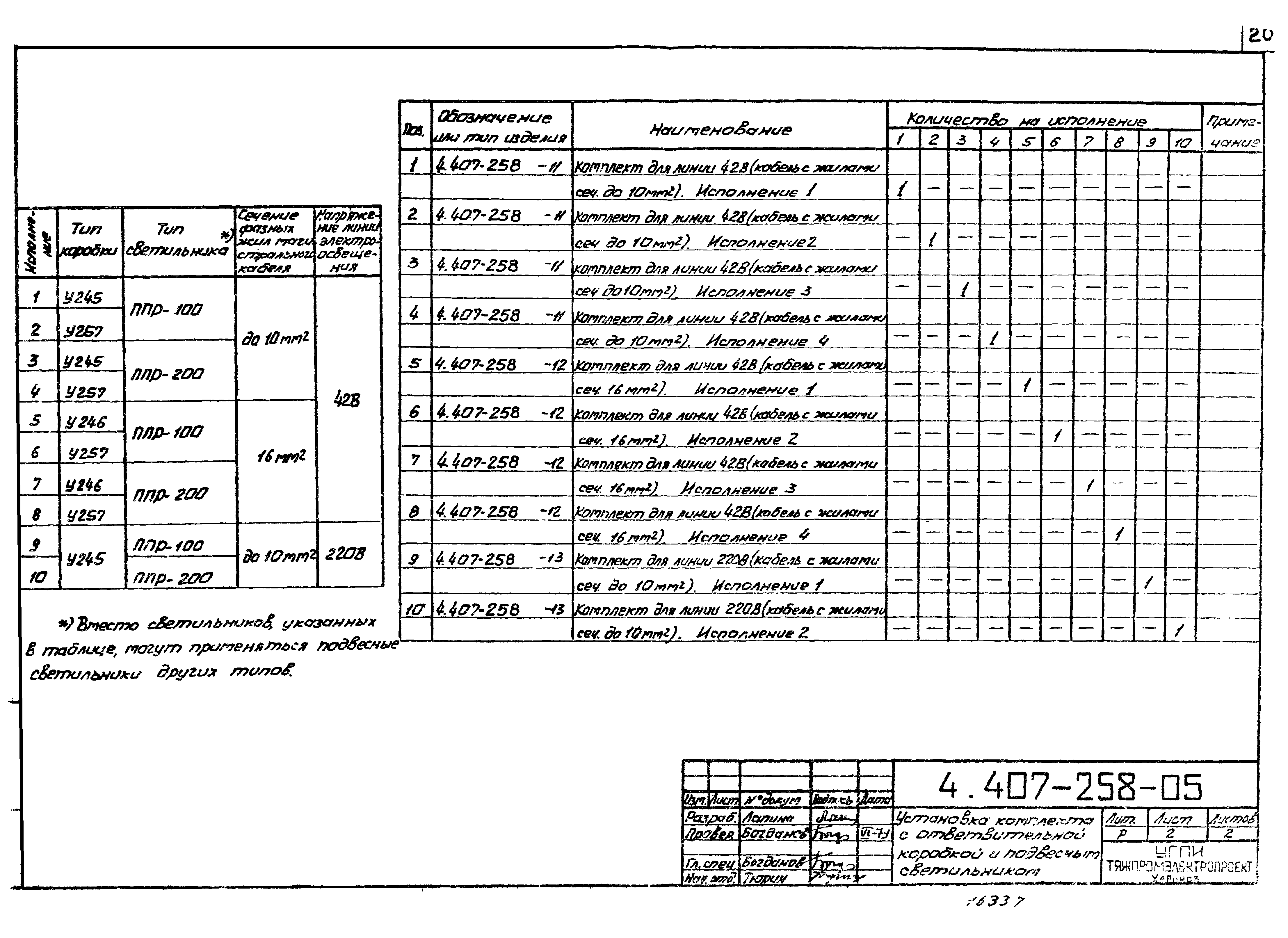
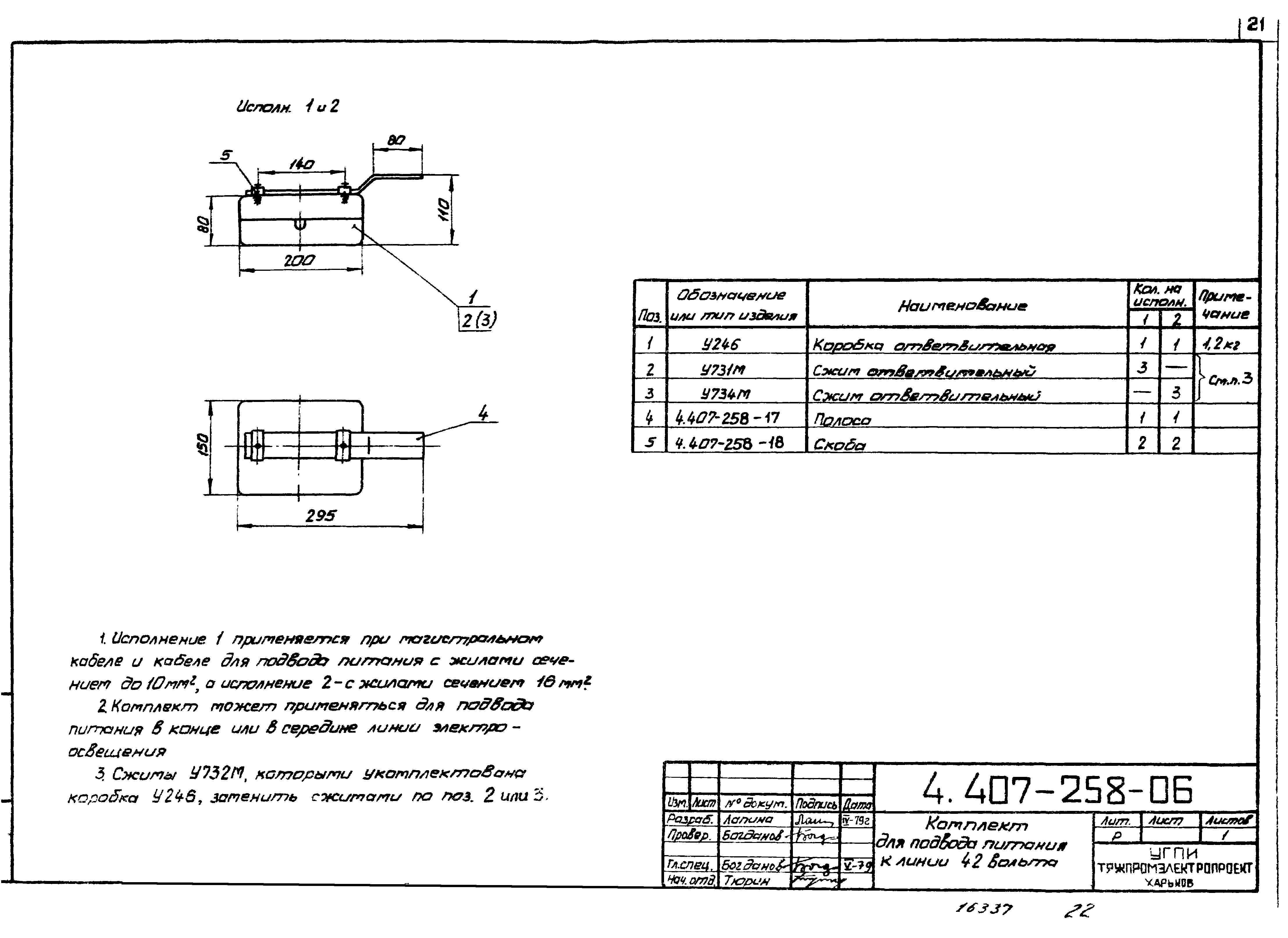
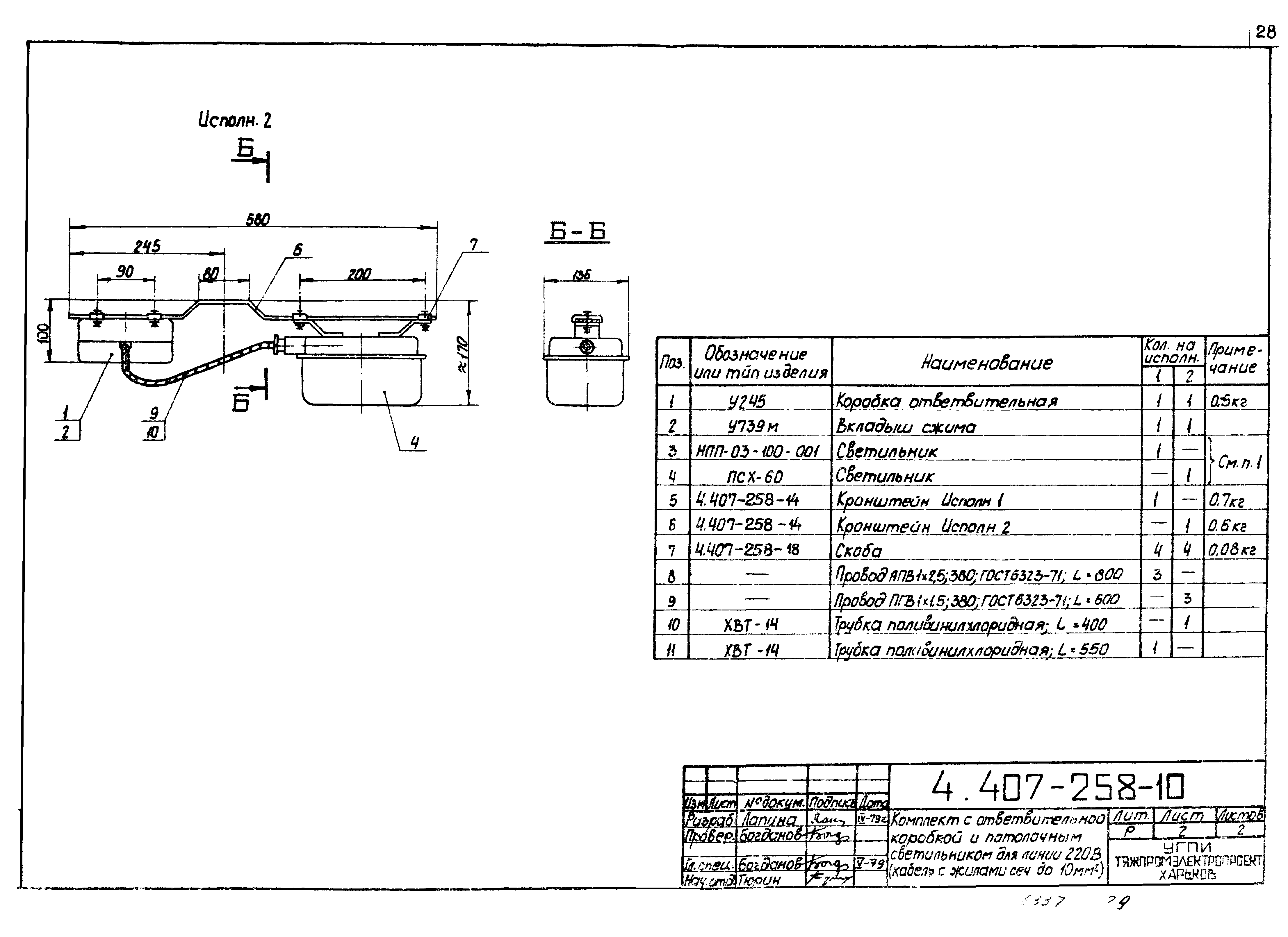
| Оглавление: | 4.407-258-Д Общие данные Установочные чертежи 4.407-258-01 Осветительная линия 42 вольта 4.407-258-02 Осветительная линия 220 вольт 4.407-258-03 Установка комплекта для подвода питания к линии электроосвещения 4.407-258-04 Установка комплекта с ответвительной коробкой и потолочным светильником 4.407-258-05 Установка комплекта с ответвительной коробкой и подвесным светильником Сборочные чертежи и детали 4.407-258-06 Комплект для подвода питания к линии 42 вольта 4.407-258-07 Комплект для подвода питания к линии 220 вольт 4.407-258-08 Комплект с ответвительной коробкой и потолочным светильником для линии 42 В (кабель с жилами сеч. до 10 мм²) 4.407-258-09 Комплект с ответвительной коробкой и потолочным светильником для линии 42 В (кабель с жилами сеч. 16 мм²) 4.407-258-10 Комплект с ответвительной коробкой и потолочным светильником для линии 220 В (кабель с жилами сеч. до 10 мм²) 4.407-258-11 Комплект с ответвительной коробкой и подвесным светильником для линии 42 В (кабель с жилами сеч. до 10 мм²) 4.407-258-12 Комплект с ответвительной коробкой и подвесным светильником для линии 42 В (кабель с жилами сеч. 16 мм²) 4.407-258-13 Комплект с ответвительной коробкой и подвесным светильником для линии 220 В (кабель с жилами сеч. до 10 мм²) 4.407-258-14 Кронштейн 4.407-258-15 Крючок 4.407-258-16 Полоса 4.407-258-17 Полоса 4.407-258-18 Скоба 4.407-258-19 Крюк 4.407-258-20 Схема подключения ответвительной коробки для подвода питания к линии 42 В 4.407-258-21 Схема подключения ответвительной коробки для подвода питания к линии 220 В 4.407-258-22 Схема подключения ответвительной коробки для подвода питания для линии 42 В (кабель с жилами сечением до 10 мм² и 16мм²) 4.407-258-23 Схема подключения ответвительной коробки для подвода питания для линии 220 В (кабель с жилами сечением до 10 мм²) |
| Разработан: | УГПИ Тяжпромэлектропроект Минмонтажспецстроя УССР Укрглавэлектромонтаж Минмонтажспецстроя УССР |
| Утверждён: | 03.07.1979 ВНИПИ Тяжпромэлектропроект им. Ф.Б. Якубовского (F.B.Yakubovskiy Tyazhpromelektroproject VNIPI 106) |








































