Скачать Типовой проект 168-02-01 Выпуск I. Ворота распашные без калитки ВРП 3,6х3,6Дата актуализации: 01.01.2021
|
| Обозначение: | Типовой проект 168-02-01 |
| Обозначение англ: | 168-02-01 |
| Статус: | не действует |
| Название рус.: | Выпуск I. Ворота распашные без калитки ВРП 3,6х3,6 |
| Дата добавления в базу: | 01.09.2013 |
| Дата актуализации: | 01.01.2021 |
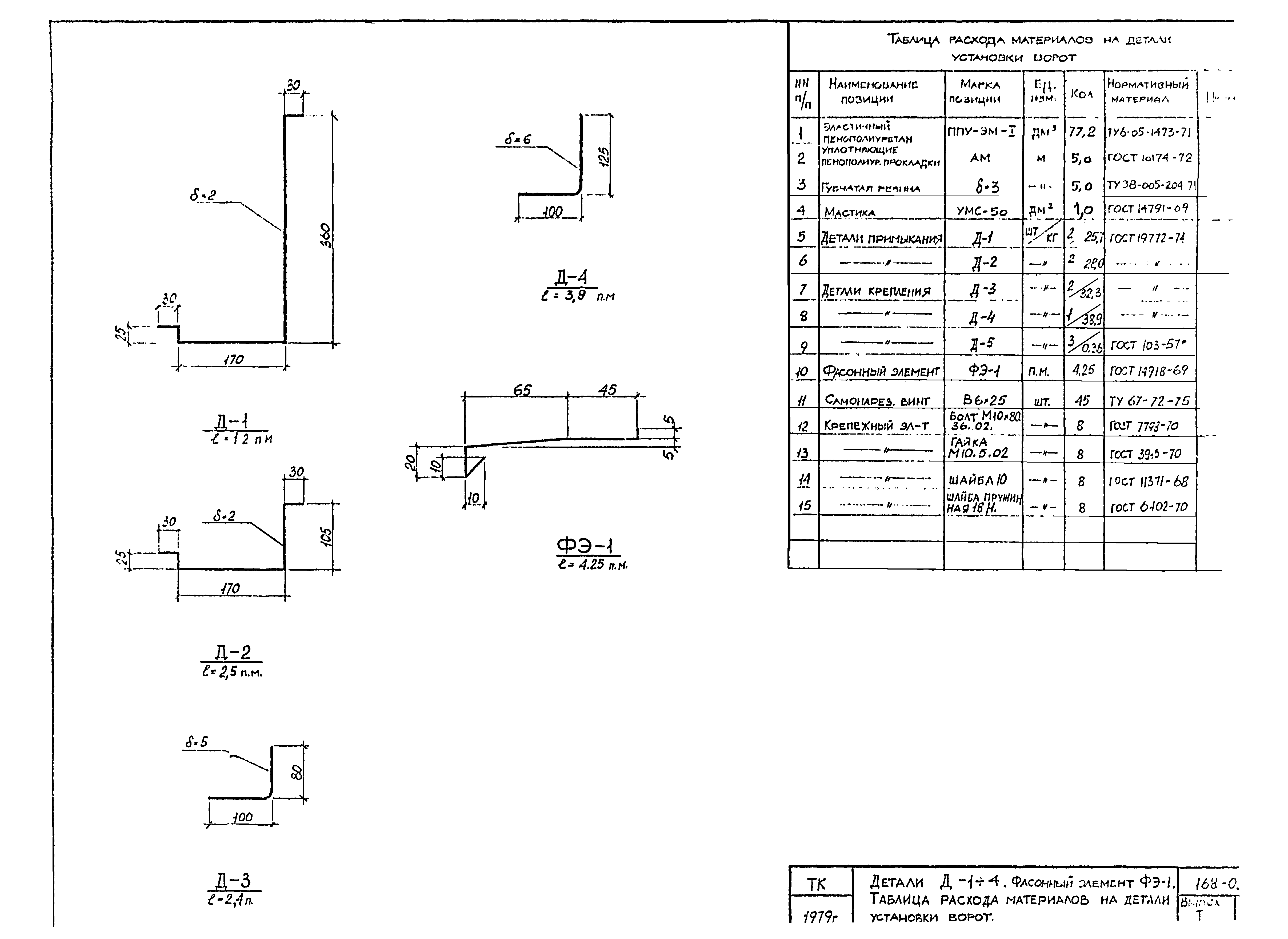
| Оглавление: | Пояснительная часть Схемы 1,2. Сечения 1-1-4-4 Полотна воротные. Сечение 1-1,2-2 Сечения 3-3-8-8. Спецификация стали Узлы 1-3 Детали Д-1-4, фасонный элемент ФЭ-1, таблица расхода материалов на детали установки ворот |
| Разработан: | ВПО Союзстройконструкция |
| Утверждён: | 01.01.1979 Минтяжстрой СССР (USSR Mintyazhstroy ) |






