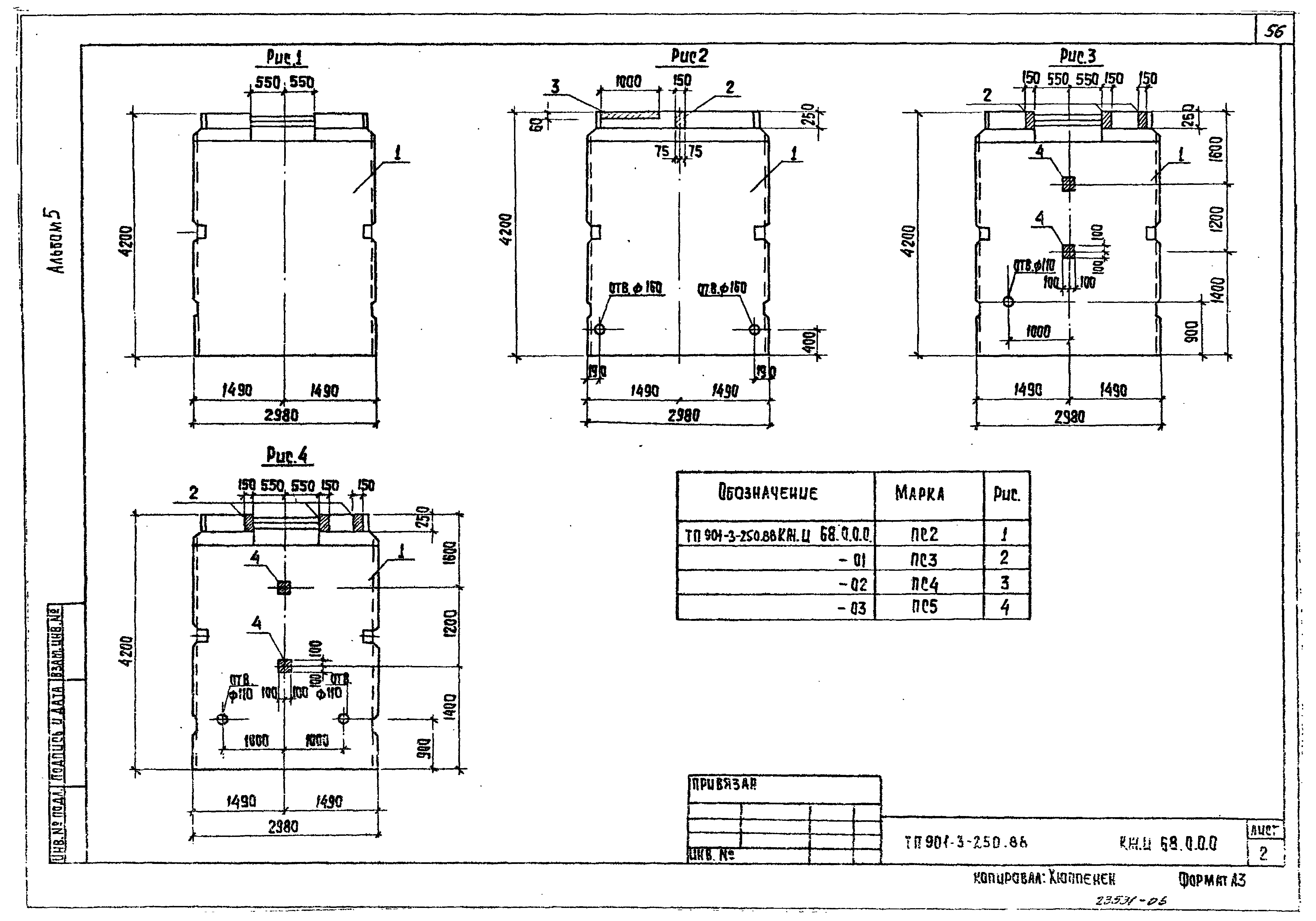
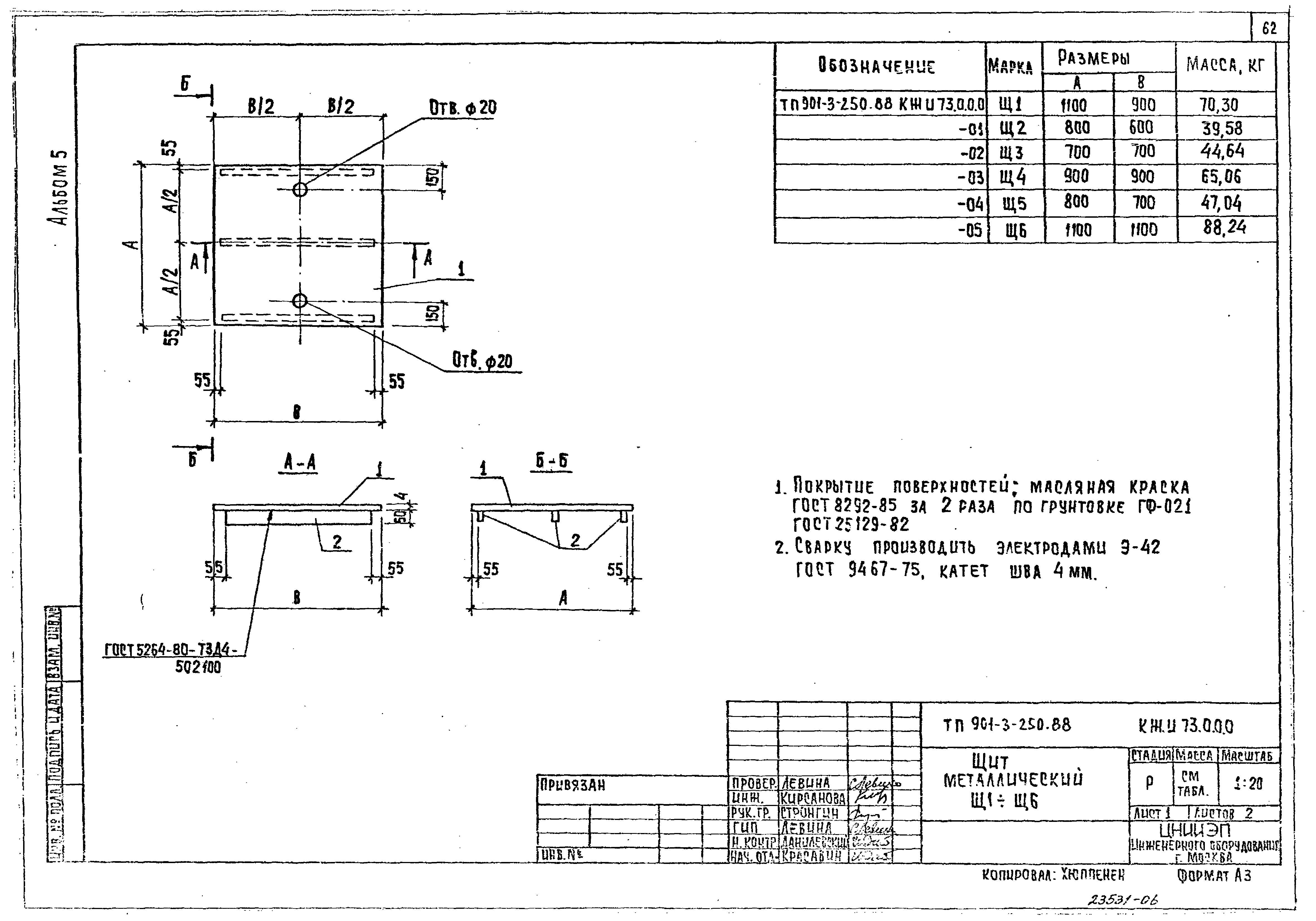
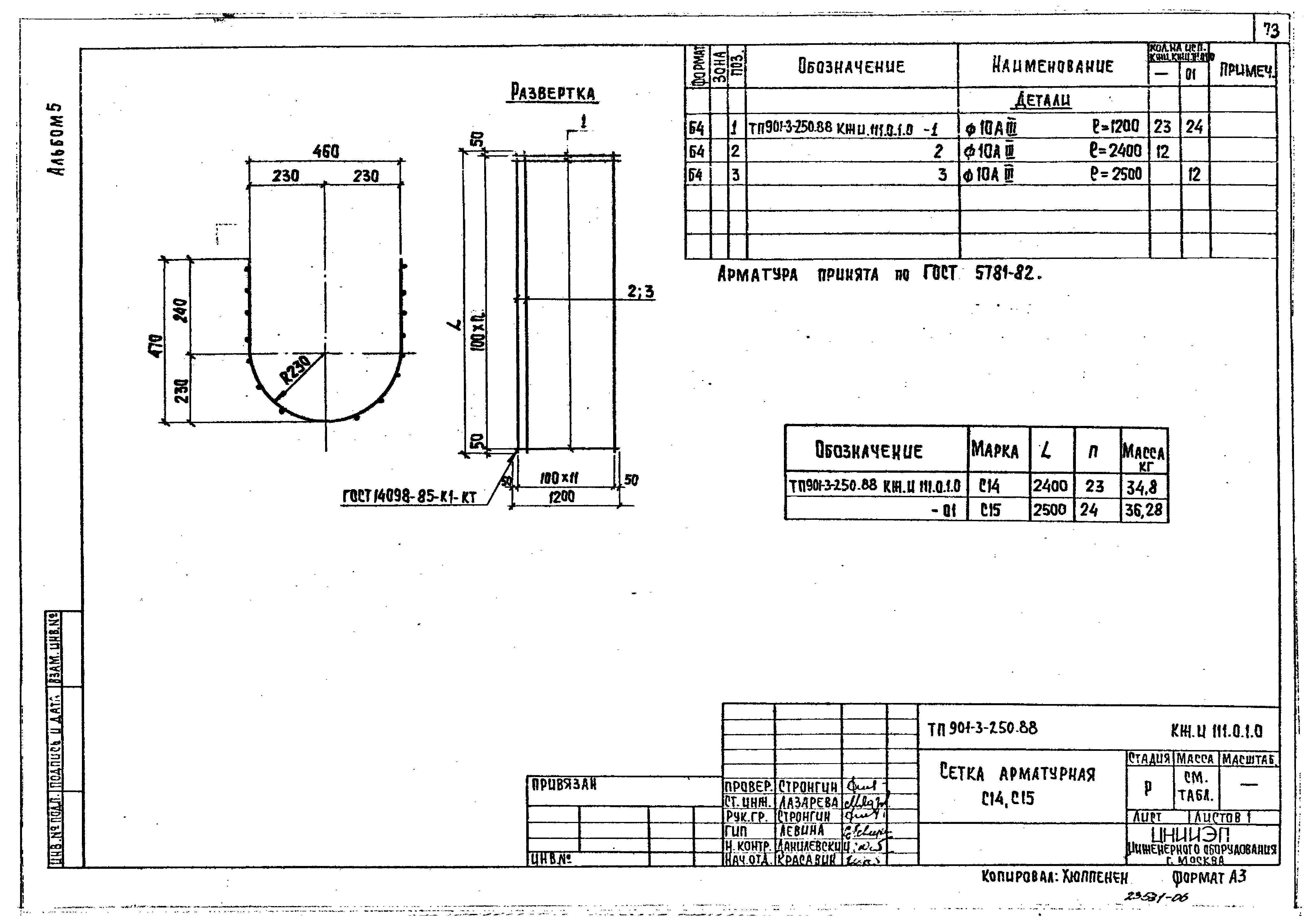
Скачать Типовой проект 901-3-250.88 Альбом 5. Строительные изделияДата актуализации: 01.01.2021
|
| Обозначение: | Типовой проект 901-3-250.88 |
| Обозначение англ: | 901-3-250.88 |
| Статус: | не определен законодательством |
| Название рус.: | Альбом 5. Строительные изделия |
| Дата добавления в базу: | 01.09.2013 |
| Дата актуализации: | 01.01.2021 |
| Дата введения: | 29.07.1986 |
| Дата окончания срока действия: | 30.06.2003 |
| Разработан: | ЦНИИЭП |
| Утверждён: | 29.07.1986 Госгражданстрой (Gosgrazhdanstroy 242) |
| Издан: | Госстрой СССР (1988 г. ) |
















































































