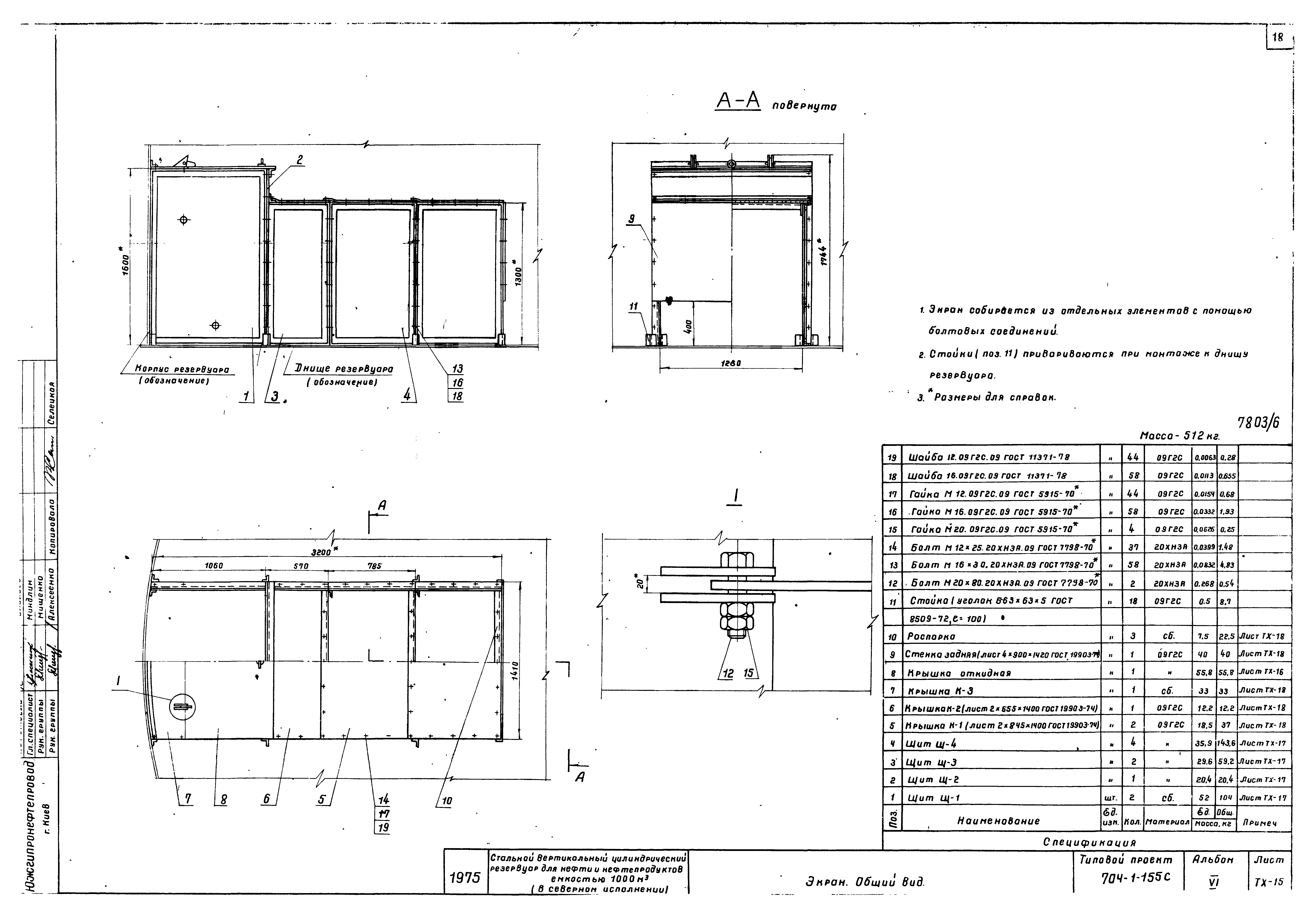
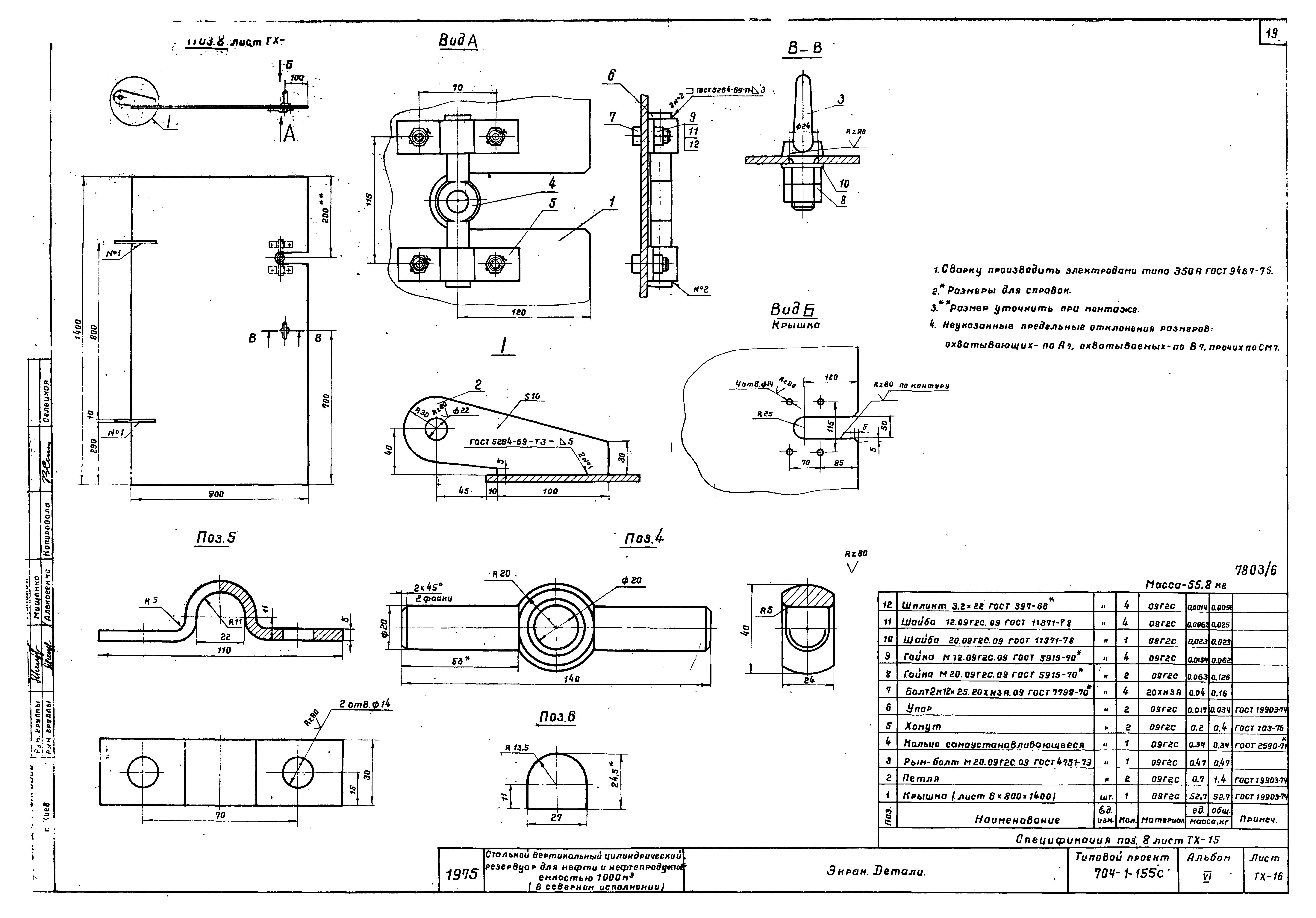
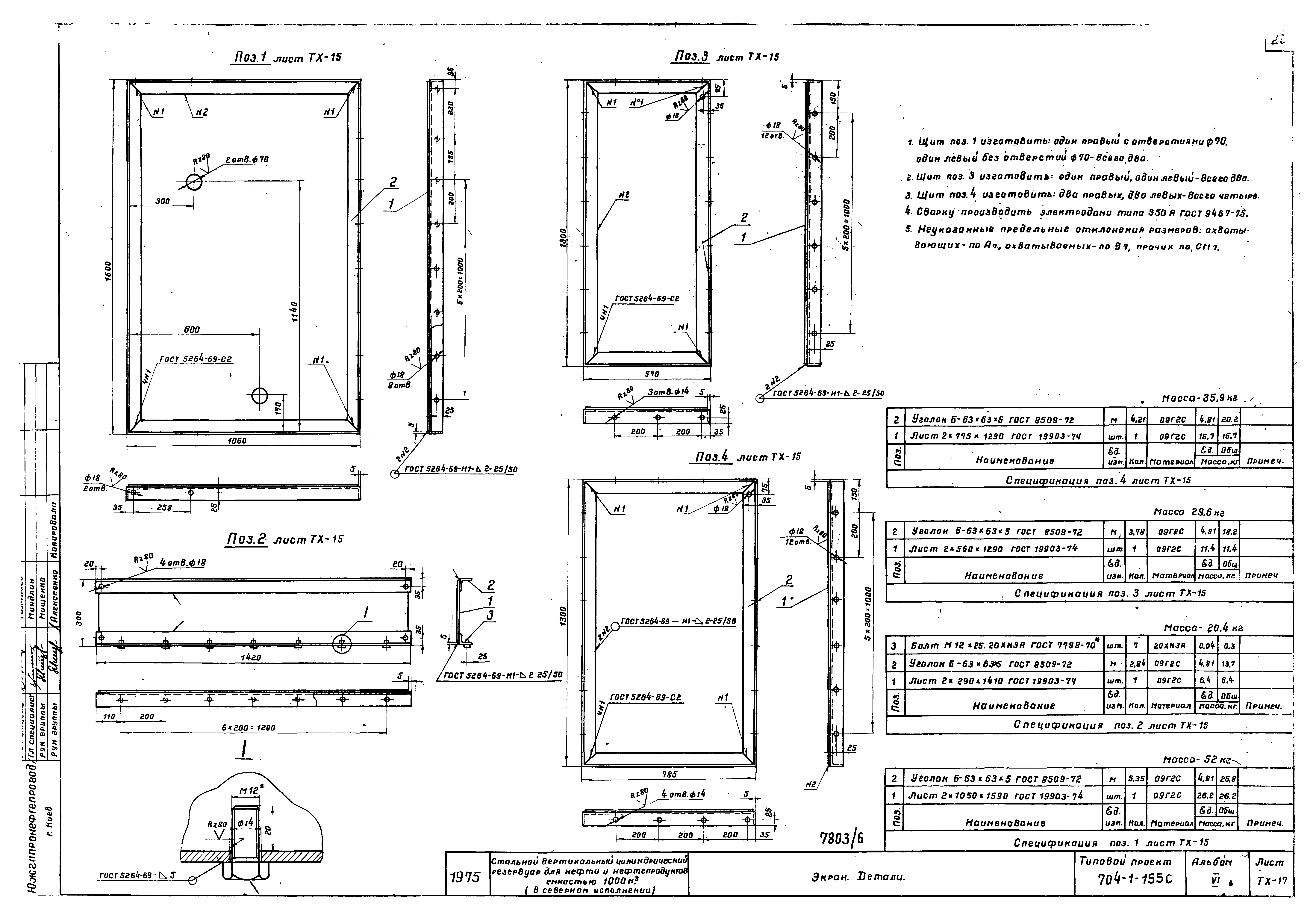
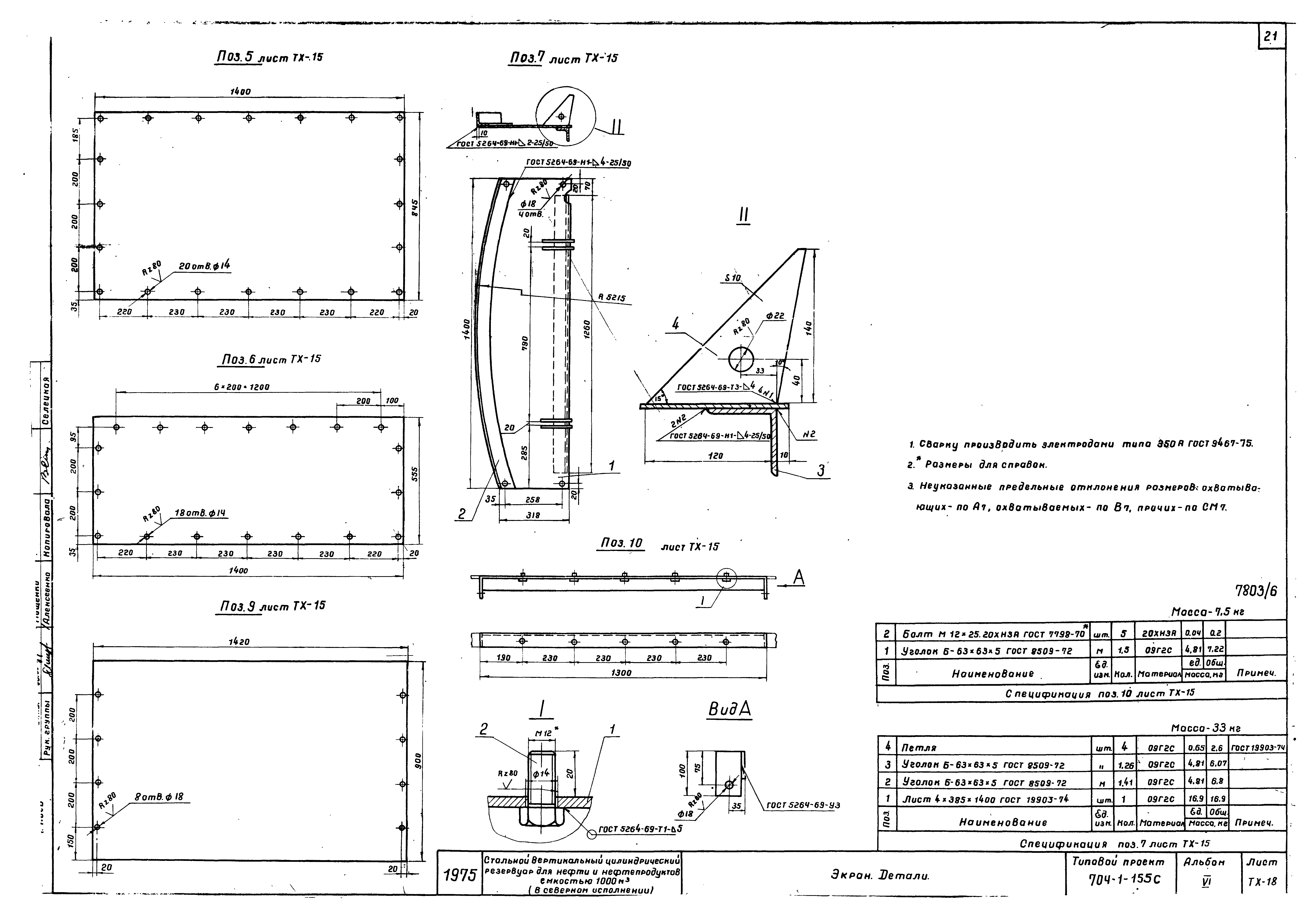
Скачать Типовой проект 704-1-155с Альбом VI. Оборудование резервуара для темных нефтепродуктовДата актуализации: 01.01.2021 Типовой проект 704-1-155с
Альбом VI. Оборудование резервуара для темных нефтепродуктов| Обозначение: | Типовой проект 704-1-155с | | Обозначение англ: | 704-1-155с | | Статус: | не действует | | Название рус.: | Альбом VI. Оборудование резервуара для темных нефтепродуктов | | Дата добавления в базу: | 01.09.2013 | | Дата актуализации: | 01.01.2021 | | Разработан: | ЦНИИпроектстальконструкция
| | Утверждён: | 21.03.1977 Миннефтепром (Minnefteprom )
|
                                        
|