Скачать Серия ПР-05-50/67 Выпуск 1. Рабочие чертежи КМДата актуализации: 01.01.2021
|
| Обозначение: | Серия ПР-05-50/67 |
| Обозначение англ: | Series ПР-05-50/67 |
| Статус: | не действует |
| Название рус.: | Выпуск 1. Рабочие чертежи КМ |
| Дата добавления в базу: | 01.09.2013 |
| Дата актуализации: | 01.01.2021 |
| Дата введения: | 01.01.1969 |
| Дата окончания срока действия: | 01.02.1972 |
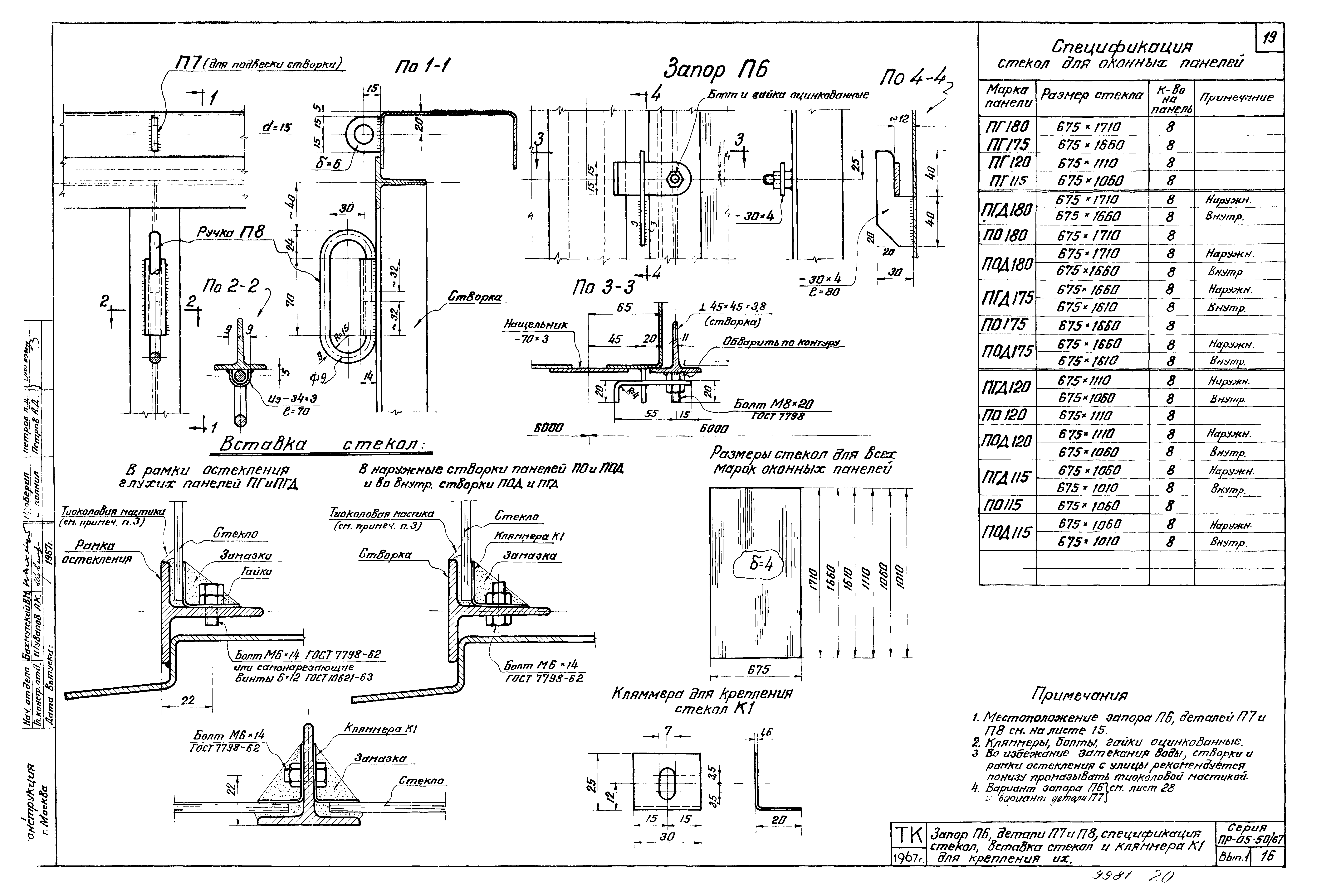
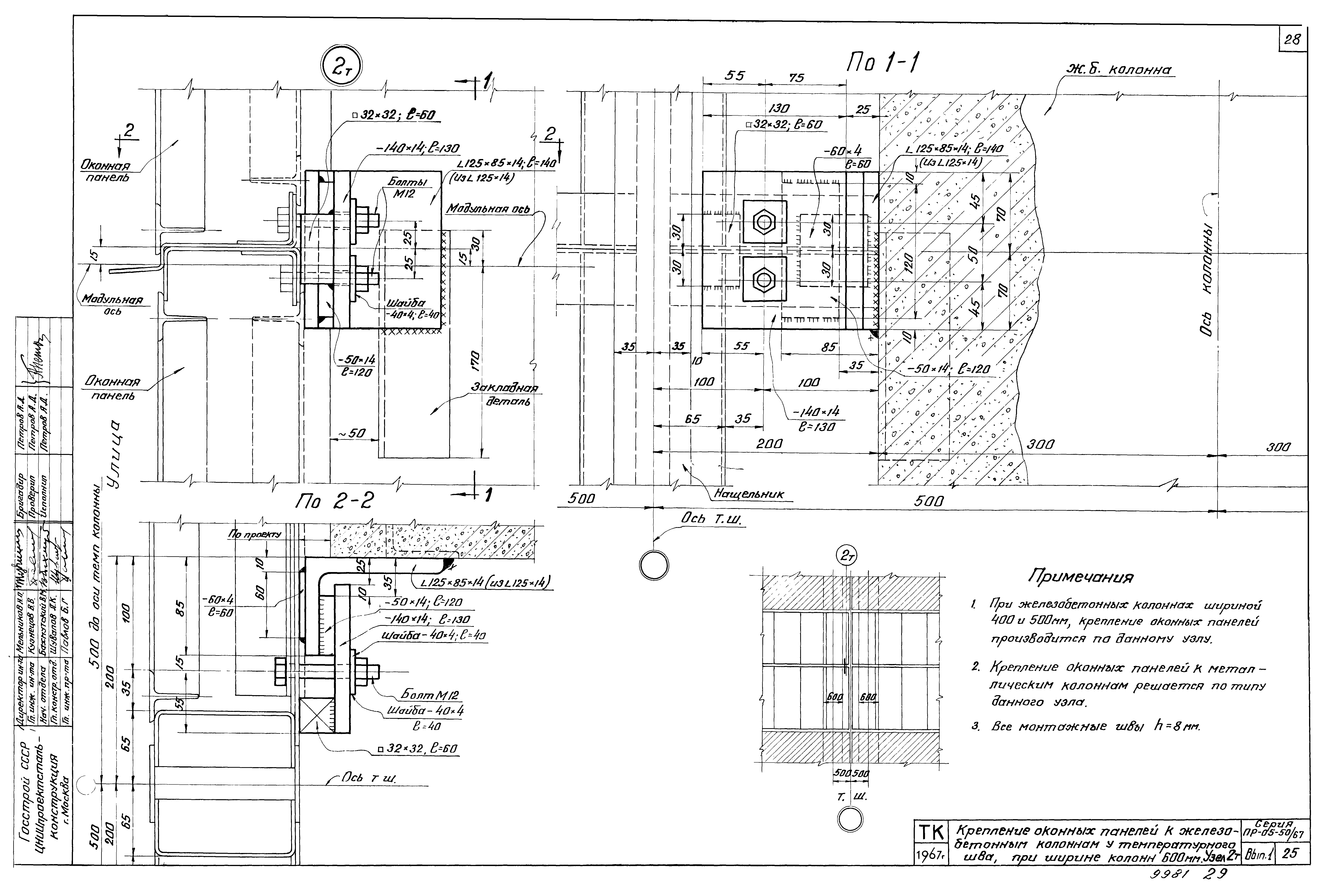
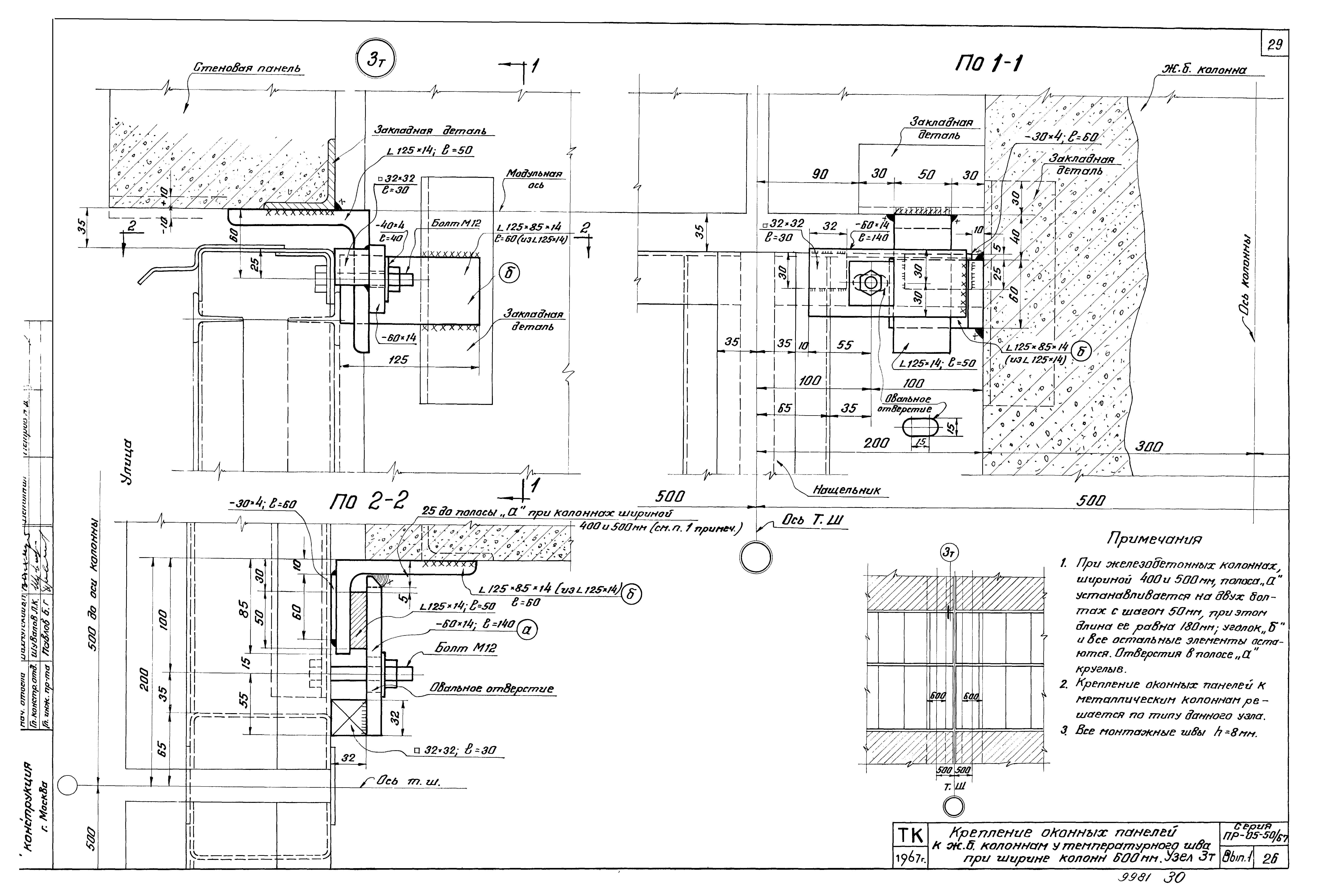
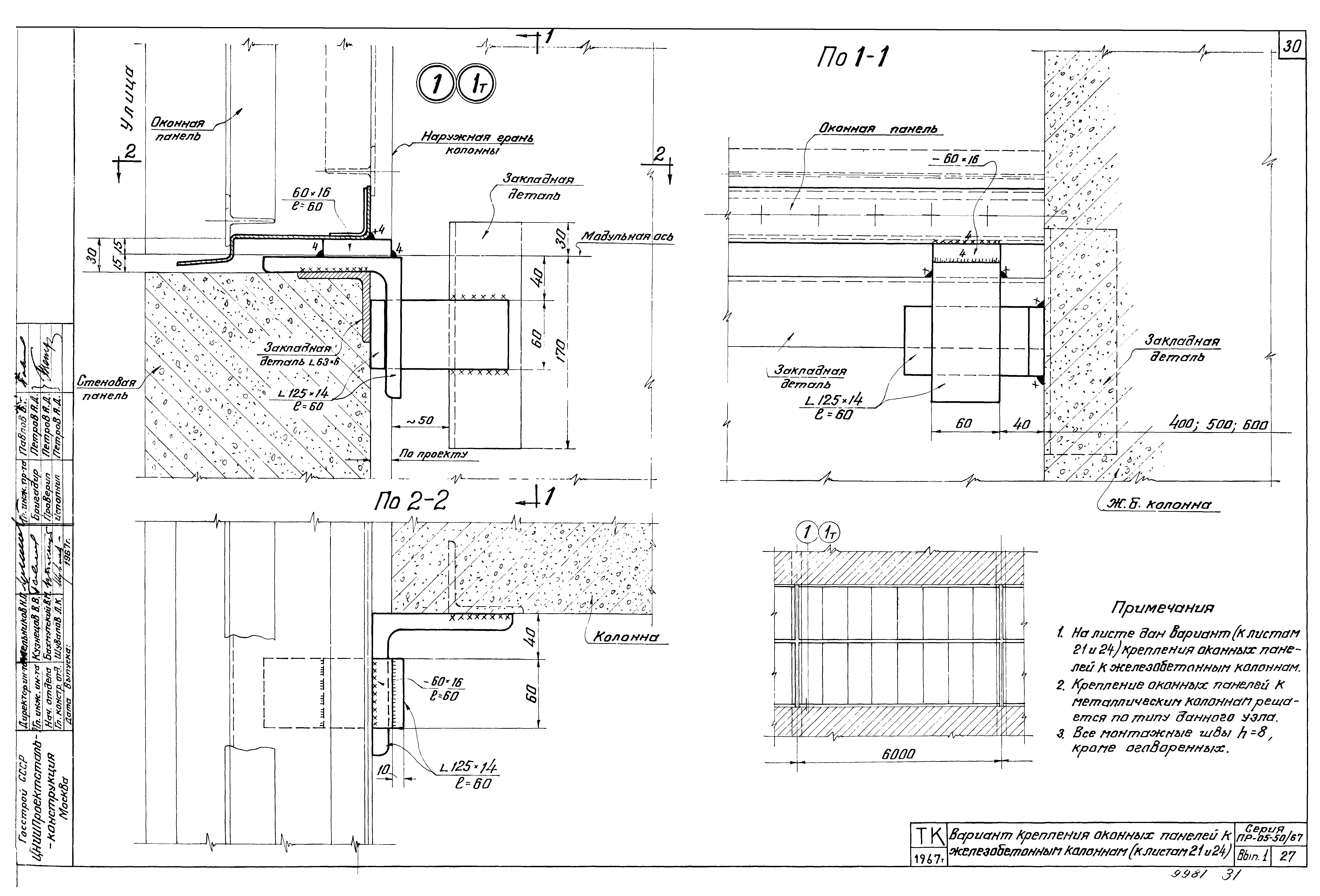
| Оглавление: | Пояснительная записка Схема глухих панелей (ПГ) 1800х6000;1750х6000 и 1200х6000. Сортамент профилей Схема глухих панелей (ПГД) 1800х6000;1750х6000 Схема глухих панелей (ПГД) 1200х6000;1150х6000 Схема открывающихся оконных панелей (ПО и ПОД) 1800х6000;1750х6000 Схема открывающихся оконных панелей (ПО и ПОД) 1200х6000;1150х6000 Общий вид оконных панелей с двойным остеклением ПГД180,ПГД175 и ПОД180,ПОД175 Общий вид оконных панелей с двойным остеклением ПГД120,ПГД115 и ПОД120,ПОД115 Общий вид оконных панелей с одинарным остеклением ПГ180,ПГ175 и ПО180,ПО175 Общий вид оконных панелей с одинарным остеклением ПГ120,ПГ115 и ПО120,ПО115 Примеры заполнения проемов оконными панелями Вертикальные разрезы по оконным панелям Горизонтальные разрезы по оконным панелям Узлы оконных панелей 1-6 Петли, типовые детали и схемы расположения из в оконных панелях Запор П6, детали П7 и П8, спецификация стекол, вставка стекол и кляммера для крепления из - К1 Сопряжение оконных панелей у колонны Сопряжение оконных панелей у температурного шва Сопряжение оконных панелей 1750 и 1150 в проемах. Высотой 1800 и 1200 у температурного шва Сопряжение оконных панелей со стеновыми панелями. Варианты крепления стекла на замазке и резине Крепление оконных панелей к железобетонным колоннам. Узел 1 Крепление оконных панелей к железобетонным колоннам. Узел 2 Крепление оконных панелей к железобетонным колоннам. Узел 3 Крепление оконных панелей к железобетонным колоннам у температурного шва при ширине колонны 600 мм. Узел 1т Крепление оконных панелей к железобетонным колоннам у температурного шва при ширине колонны 600 мм. Узел 2т Крепление оконных панелей к железобетонным колоннам у температурного шва при ширине колонны 600 мм. Узел 3т Вариант крепления оконных панелей к железобетонным колоннам (к листам 21 и 24) Запор П6 (вариант) и вариант детали П7 Спецификация для заказа металла на оконные панели |
| Разработан: | ЦНИИпроектстальконструкция |
| Утверждён: | 25.10.1968 Госстрой СССР (Государственный комитет Совета Министров СССР по делам строительства) (USSR Gosstroy 93) |
| Заменяет собой: |
|
| Чем заменён: |


































