Скачать Серия 1.172-1 Выпуск 1. Элементы и детали заводского изготовленияДата актуализации: 01.01.2021
|
| Обозначение: | Серия 1.172-1 |
| Обозначение англ: | Series 1.172-1 |
| Статус: | не действует |
| Название рус.: | Выпуск 1. Элементы и детали заводского изготовления |
| Дата добавления в базу: | 01.09.2013 |
| Дата актуализации: | 01.01.2021 |
| Дата окончания срока действия: | 01.08.1978 |
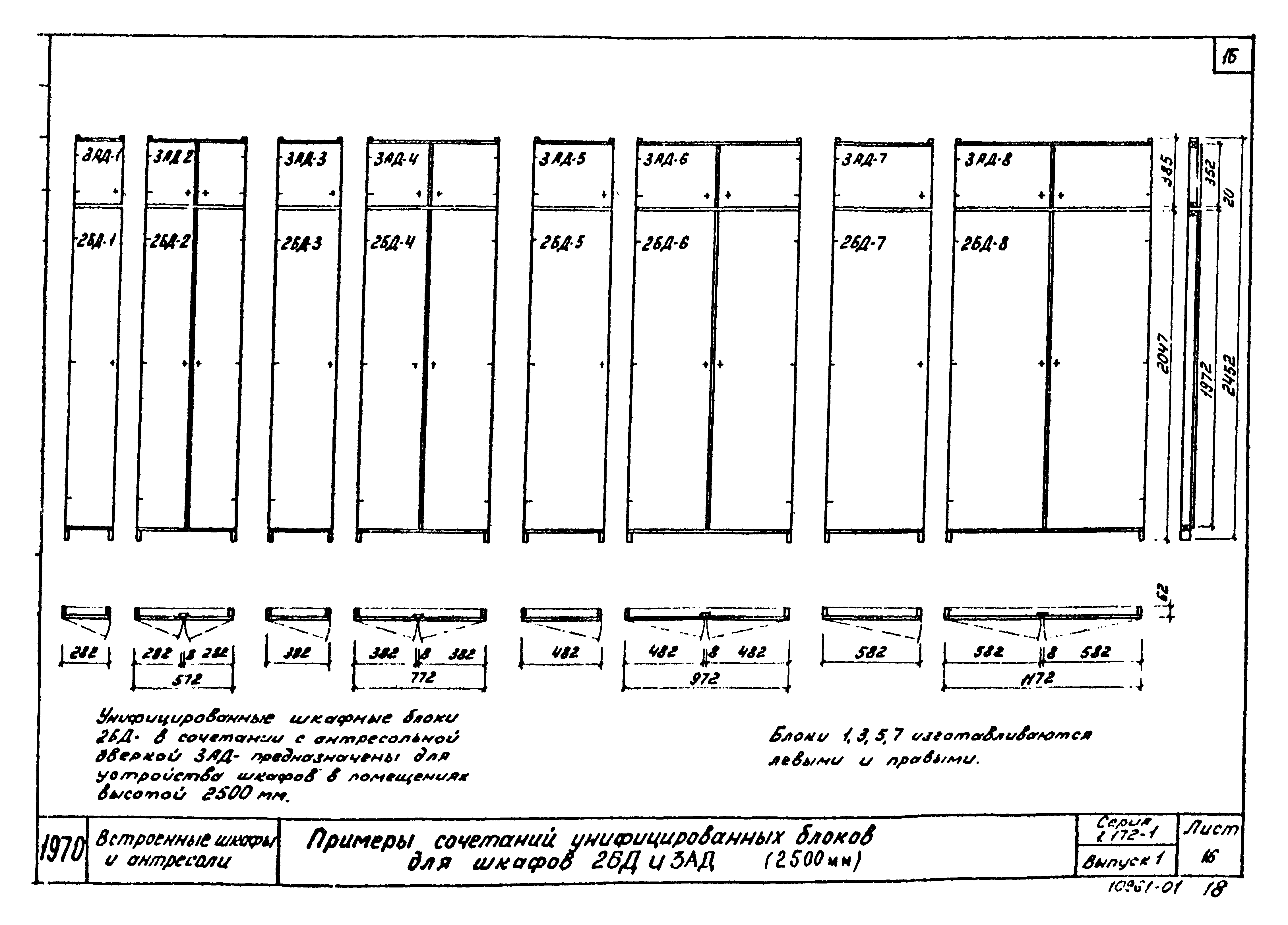
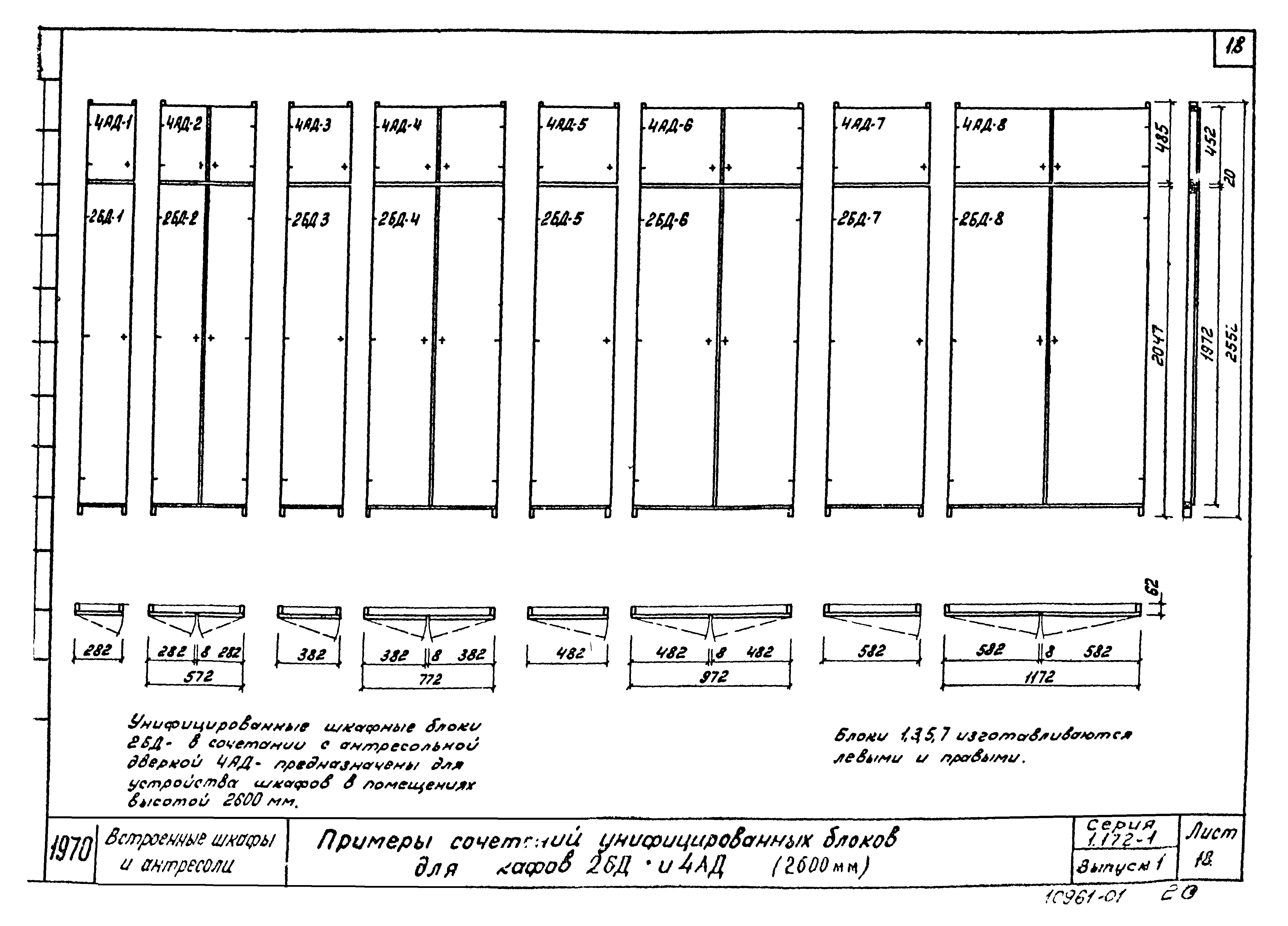
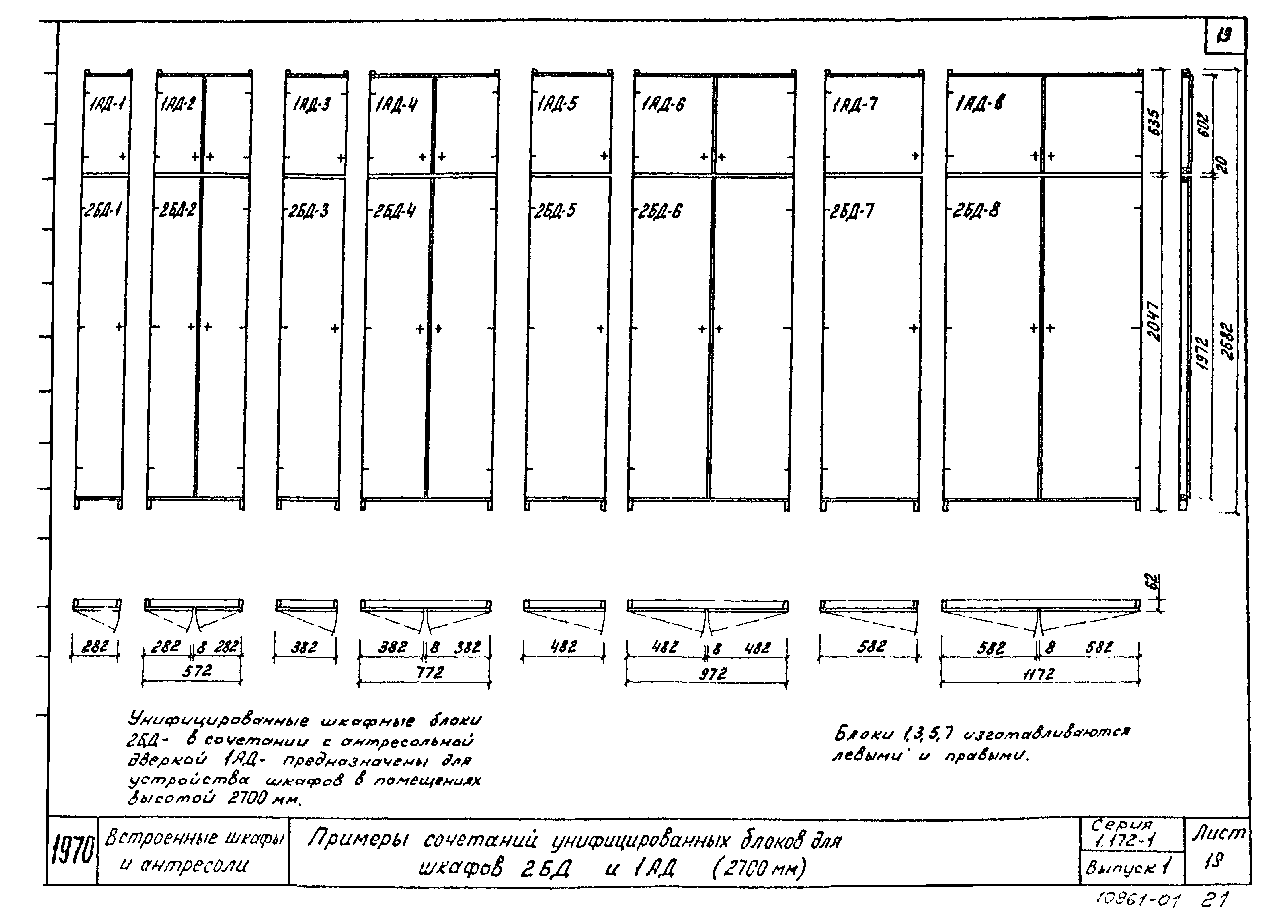
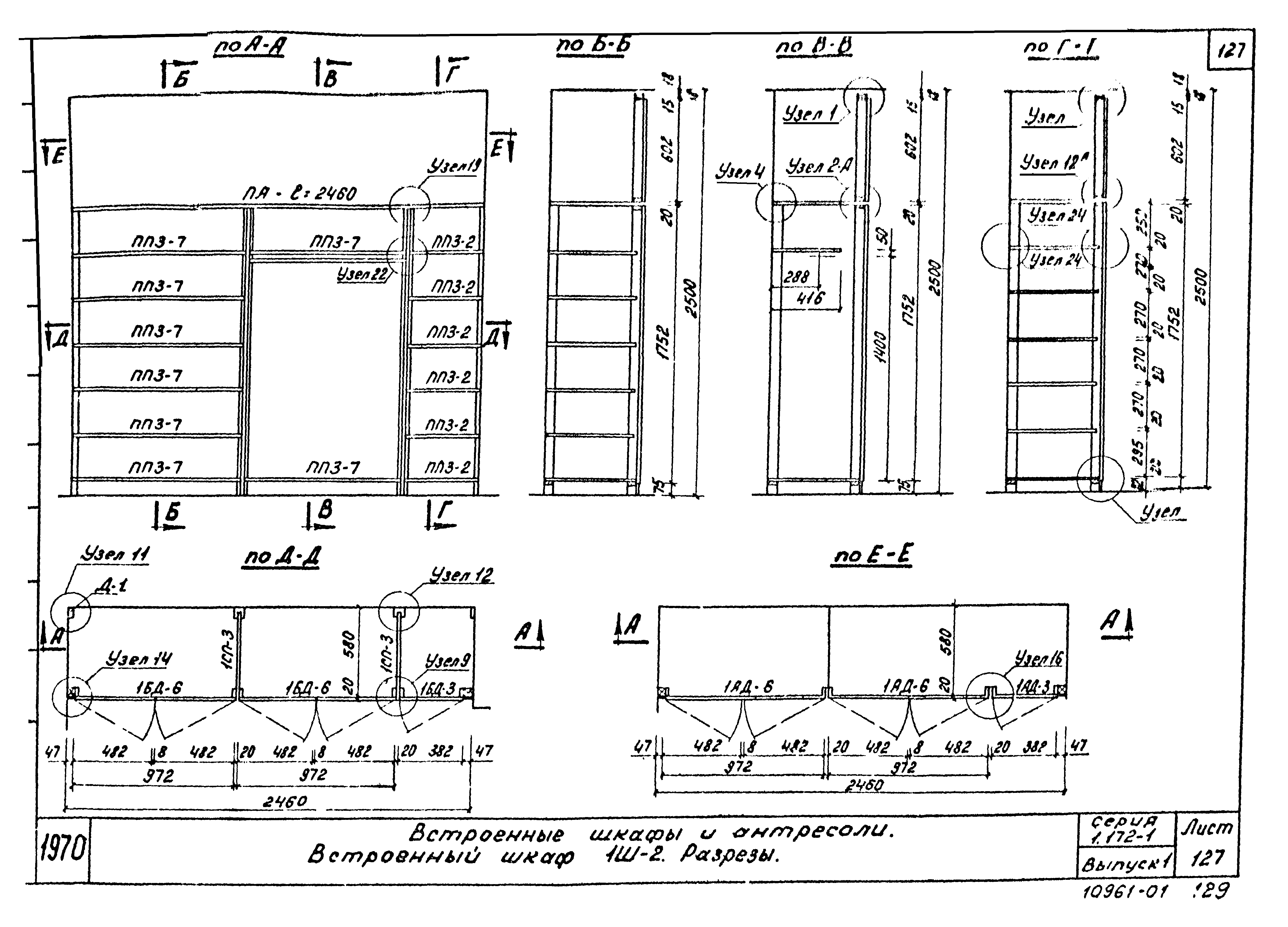
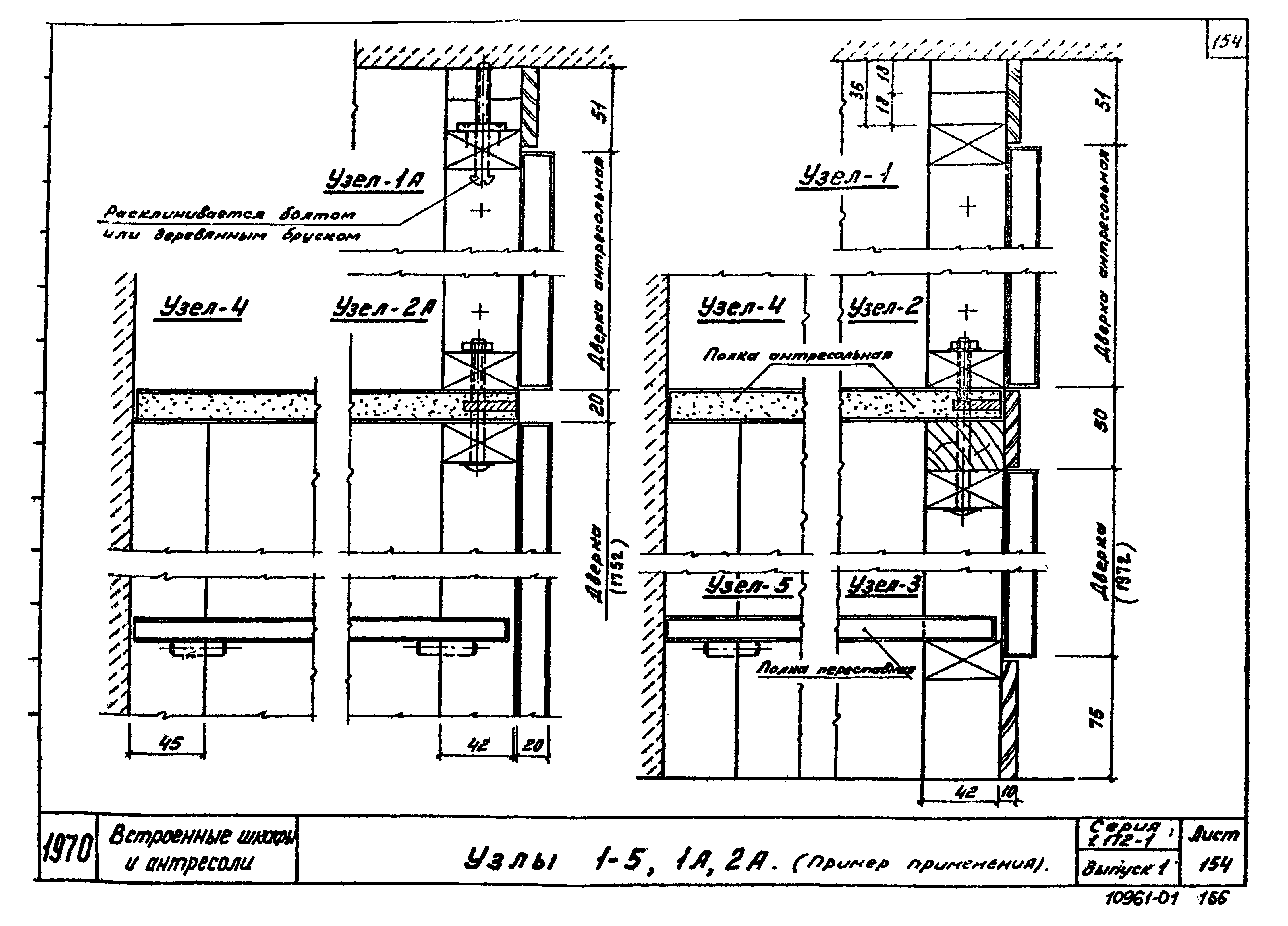
| Оглавление: | Содержание альбома Пояснительная записка Номенклатура унифицированных дверных блоков для шкафов 1ая группа (h=1827) Номенклатура унифицированных дверных блоков для шкафов 2ая группа (h=2027) Номенклатура унифицированных антресольных дверных блоков. 1ая группа (h=635) и 2ая группа (h=735) для шкафов Номенклатура унифицированных антресольных дверных блоков. 3ая группа (h=385) и 4ая группа (h=485) Номенклатура унифицированных антресольных дверных блоков для проходных дверей Примеры сочетаний унифицированных блоков для шкафов 1БД и 1АД (2500 мм) Примеры сочетаний унифицированных блоков для шкафов 2БД и 3АД (2500 мм) Примеры сочетаний унифицированных блоков для шкафов 1БД и 2АД (2600 мм) Примеры сочетаний унифицированных блоков для шкафов 2БД и 4АД (2600 мм) Примеры сочетаний унифицированных блоков для шкафов 2БД и 1АД (2700 мм) Примеры сочетаний унифицированных блоков для шкафов 2БД и 2АД (2800 мм) Оптовые и сметные цены на элементы и детали, дверные блоки h=1827 мм, h=2047 мм Оптовые и сметные цены на элементы и детали, антресольные дверные блоки h=635 мм,h=735 мм Оптовые и сметные цены на элементы и детали, антресольные дверные блоки h=385 мм Оптовые и сметные цены на элементы и детали, антресольные дверные блоки h=485 мм Оптовые и сметные цены на элементы и детали, стенки боковые Оптовые и сметные цены на элементы и детали, стенки промежуточные Оптовые и сметные цены на элементы и детали. Полки антресольные Оптовые и сметные цены на элементы и детали. Полки переставные Оптовые и сметные цены на элементы и детали. Штанги, деревянные детали Блок дверной 1БД-1 Блок дверной 1БД-2 Блок дверной 1БД-3 Блок дверной 1БД-4 Блок дверной 1БД-5 Блок дверной 1БД-6 Блок дверной 1БД-7 Блок дверной 1БД-8 Блок дверной 2БД-1 Блок дверной 2БД-2 Блок дверной 2БД-3 Блок дверной 2БД-4 Блок дверной 2БД-5 Блок дверной 2БД-6 Блок дверной 2БД-7 Блок дверной 2БД-8 Блок дверной антресольный 1АД-1 Блок дверной антресольный 1АД-2 Блок дверной антресольный 1АД-3 Блок дверной антресольный 1АД-4 Блок дверной антресольный 1АД-5 Блок дверной антресольный 1АД-6 Блок дверной антресольный 1АД-7 Блок дверной антресольный 1АД-8 Блок дверной антресольный 2АД-1 Блок дверной антресольный 2АД-2 Блок дверной антресольный 2АД-3 Блок дверной антресольный 2АД-4 Блок дверной антресольный 2АД-5 Блок дверной антресольный 2АД-6 Блок дверной антресольный 2АД-7 Блок дверной антресольный 2АД-8 Блок дверной антресольный 3АД-1 Блок дверной антресольный 3АД-2 Блок дверной антресольный 3АД-3 Блок дверной антресольный 3АД-4 Блок дверной антресольный 3АД-5 Блок дверной антресольный 3АД-6 Блок дверной антресольный 3АД-7 Блок дверной антресольный 3АД-8 Блок дверной антресольный 3АД-9 Блок дверной антресольный 3АД-10 Блок дверной антресольный 3АД-11 Блок дверной антресольный 3АД-12 Блок дверной антресольный 3АД-13 Блок дверной антресольный 4АД-1 Блок дверной антресольный 4АД-2 Блок дверной антресольный 4АД-3 Блок дверной антресольный 4АД-4 Блок дверной антресольный 4АД-5 Блок дверной антресольный 4АД-6 Блок дверной антресольный 4АД-7 Блок дверной антресольный 4АД-8 Блок дверной антресольный 4АД-9 Блок дверной антресольный 4АД-10 Блок дверной антресольный 4АД-11 Блок дверной антресольный 4АД-12 Блок дверной антресольный 4АД-13 Блоки дверные и антресольные. Узлы (вариант конструкции дверок) Блоки дверные и антресольные. Узлы (вариант) Установочный чертеж навески дверок на карточных петлях (вариант) Стенки боковые 1СБ-1;1СБ-2;1СБ-3 Стенки боковые 2СБ-1;2СБ-2;2СБ-3 Стенки боковые 3СБ-1;3СБ-2;3СБ-3 Стенки боковые 4СБ-1;4СБ-2;4СБ-3 Стенки промежуточные 1СП-1,1СП-2,1СП-3 Стенки промежуточные 2СП-1,2СП-2,2СП-3 Крепежный брус 1Д-1,1Д-2. Шкант-полкодержатель Крепежный брус 2Д-1,2Д-2. Шкант-полкодержатель Полки антресольные ПА1-1 по ПА1-8;ПА2-1 по ПА2-8;ПА3-1 по ПА3-8 Полки антресольные ПП1-1 по ПП1-8;ПП2-1 по ПП2-8;ПП3-1 по ПП3-9 Штангодержатель, штанга Штанга (вариант 1). Штангодержатель (вариант) Плинтус, наличники 1,2,3. Штопик. Монтажный брус Петля тип 1. Вариант с гайкой Петля карточная-специальная тип 2 Петля пятниковая ПП-8. Петля в сборе Петля пятниковая ПП-8. Кронштейн 1-01 Петля пятниковая ПП-8. Кронштейн 1-02 Петля пятниковая ПП-8 /ось 1-03, шайба 1-04/ Петля пятниковая ПП-11 /установочный чертеж/ Петля пятниковая ПП-11 /сборочный 1-0-00/ Петля пятниковая ПП-11 /кронштейн 1-0-01/ Петля пятниковая ПП-11 /корпус 1-0-02/ Петля пятниковая /ось 1-0-03, шайба 1-0-04/ Петля пятниковая ПП-12 /установочный чертеж/ Петля пятниковая ПП-12 /сборочный 2-0-00/ Петля пятниковая ПП-12 /кронштейн 2-0-01/ Петля пятниковая ПП-12 /кронштейн 2-0-02/ Петля пятниковая ПП-12 /ось 2-1-03, шайба 2-1-04/ Штанга выдвижная ШВ-1 Угольник УМ-1 и пластина ПМ-1 крепежные Примеры применения Встроенные шкафы и антресоли. Встроенный шкаф 1Ш-1 (левый и правый). Общий вид Встроенные шкафы и антресоли. Встроенный шкаф 1Ш-1 (левый и правый). Разрезы Встроенные шкафы и антресоли. Встроенный шкаф 1Ш-2. Общий вид Встроенные шкафы и антресоли. Встроенный шкаф 1Ш-2. Разрезы Встроенные шкафы и антресоли. Встроенный шкаф 1Ш-2 (левый и правый). Разрезы Встроенные шкафы и антресоли. Встроенный шкаф 1Ш-3. Разрезы Встроенные шкафы и антресоли. Встроенный шкаф 1Ш-3 (левый и правый). Разрезы Встроенные шкафы и антресоли. Встроенный шкаф 1Ш3-1 (левый и правый). Общий вид. Разрезы Встроенные шкафы и антресоли. Встроенный шкаф 1Ш-4 (левый и правый). Общий вид. Разрезы Шкаф 2Ш-1 и антресоль 2А-1, общий вид Шкаф 2Ш-1 и антресоль 2А-1, разрезы Расчет сметной стоимости шкафа 2Ш-1 и антресоли 2А-1 Шкаф с антресолью 2Ш-2, общий вид Шкаф с антресолью 2Ш-2, разрезы Шкаф с антресолью 2Ш-3, общий вид Шкаф с антресолью 2Ш-3, разрезы Шкаф 2Ш-4 и антресоль 2А-1, общий вид Шкаф 2Ш-4 и антресоль 2А-1, разрезы Шкаф 2Ш-5, общий вид, разрезы Шкаф с антресолью 2Ш-6, общий вид Шкаф с антресолью 2Ш-6, разрезы Шкаф с антресолью 2Ш-7, общий вид, спецификация Шкаф 2Ш-7, разрезы Шкаф 2Ш-8, общий вид, разрезы Шкаф 2Ш-9, общий вид, разрезы Антресоль 2А-1, общий вид, разрезы Антресоль 2А-2, общий вид, разрезы Антресоль 2А-3, общий вид, разрезы Антресоль 2А-4, общий вид, разрезы Антресоль 2А-5, общий вид, разрезы Узлы 1-5,1А,2А Узлы 1,2Б,6,7 Узлы 8-13 Узлы 11,11А,14,15,16,16А Узлы 17-25 |
| Разработан: | ЦНИИЭП жилища |
| Утверждён: | 19.02.1971 Госкомитет по гражданскому строительству и архитектуре при Госстрое СССР (National Committee on Nonindustrial Construction and Architecture, USSR Gosstroy 24) |
| Чем заменён: |






























































































































































