Скачать Серия ИИ-04-2 Выпуск 8. Колонны связевого каркаса сечением 30х30 см для зданий с высотой этажа 3,6 м. Опалубка и армирование. Рабочие чертежиДата актуализации: 01.01.2021
|
| Обозначение: | Серия ИИ-04-2 |
| Обозначение англ: | Series ИИ-04-2 |
| Статус: | не действует |
| Название рус.: | Выпуск 8. Колонны связевого каркаса сечением 30х30 см для зданий с высотой этажа 3,6 м. Опалубка и армирование. Рабочие чертежи |
| Дата добавления в базу: | 01.09.2013 |
| Дата актуализации: | 01.01.2021 |
| Дата окончания срока действия: | 01.04.1982 |
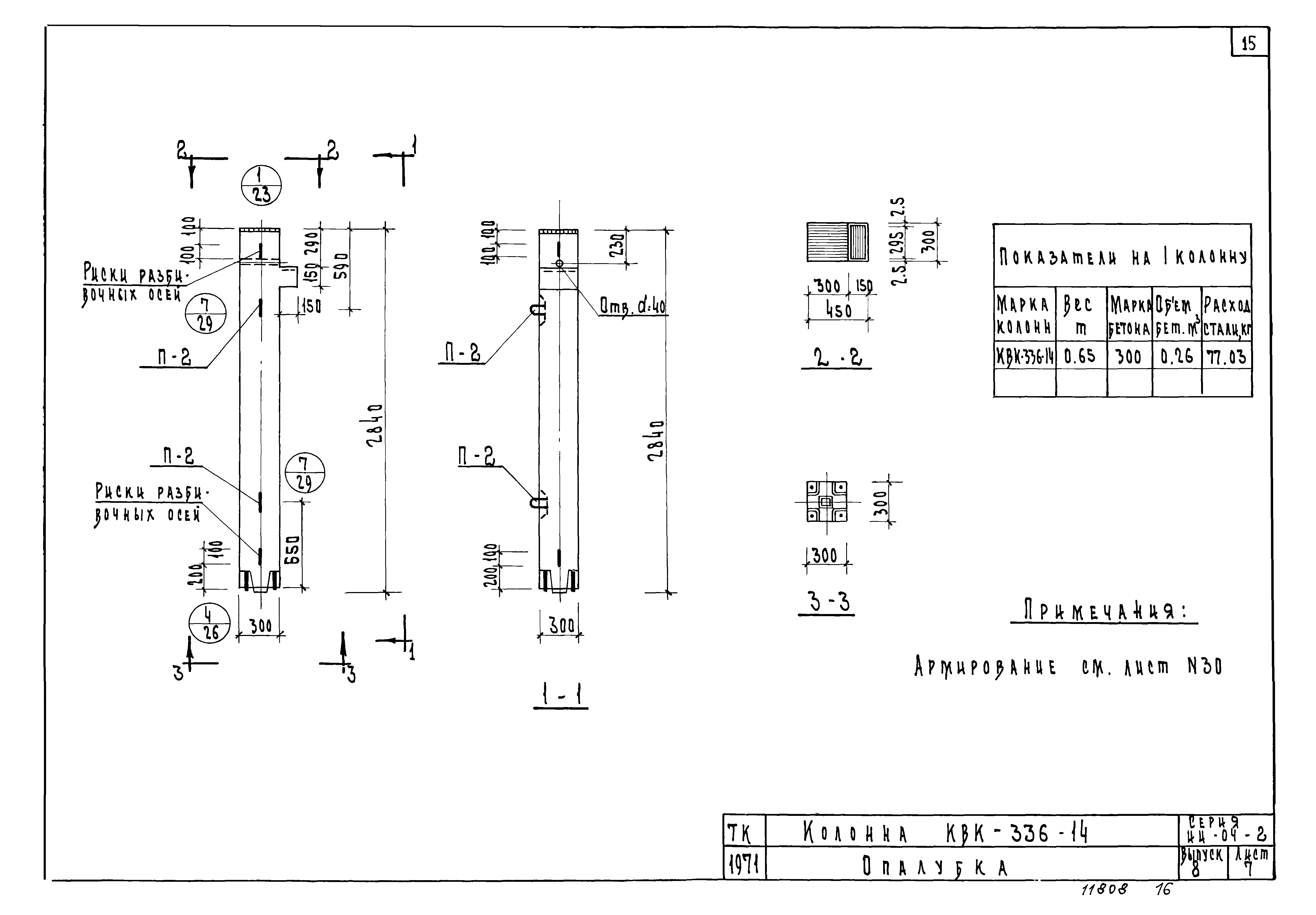
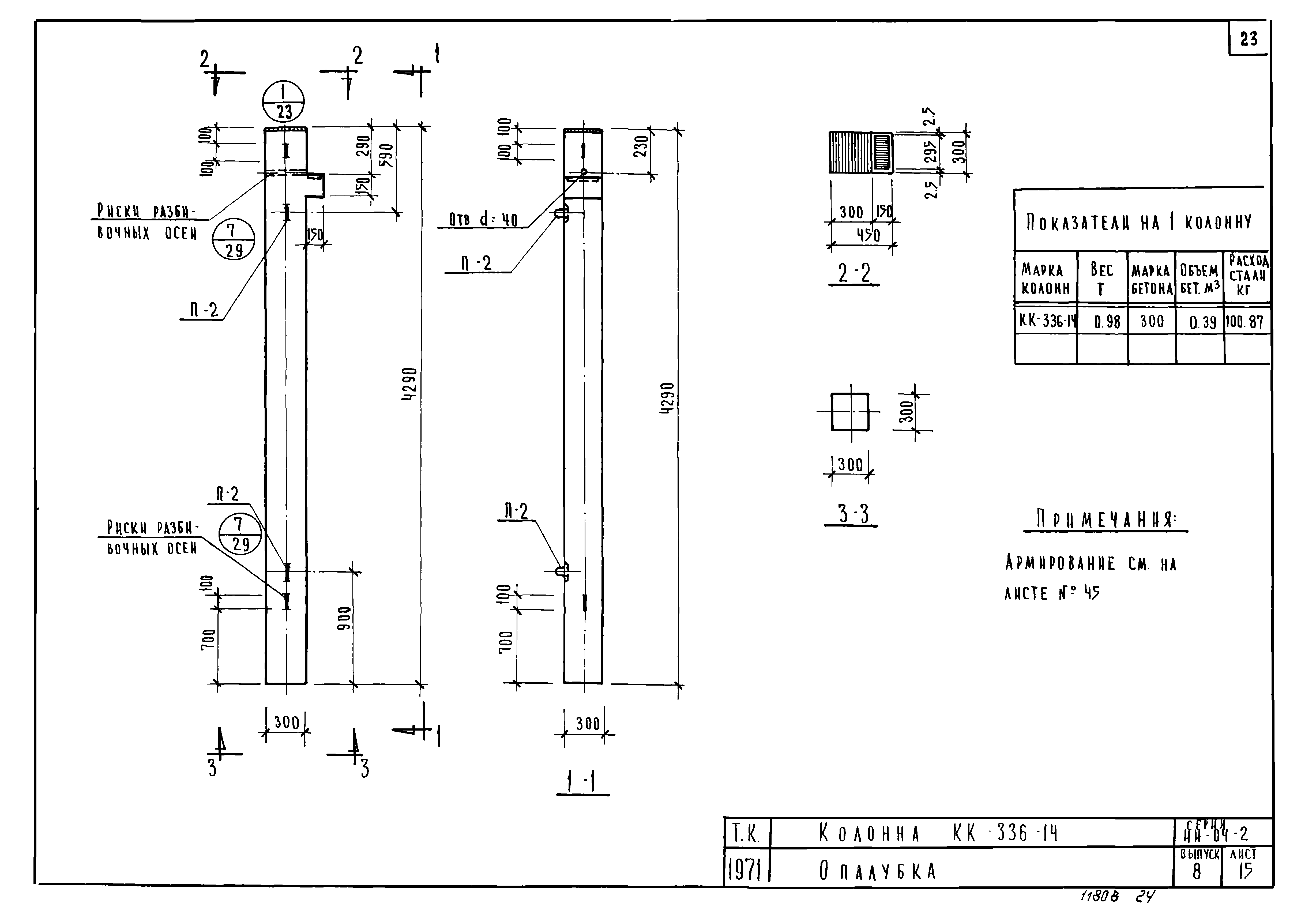
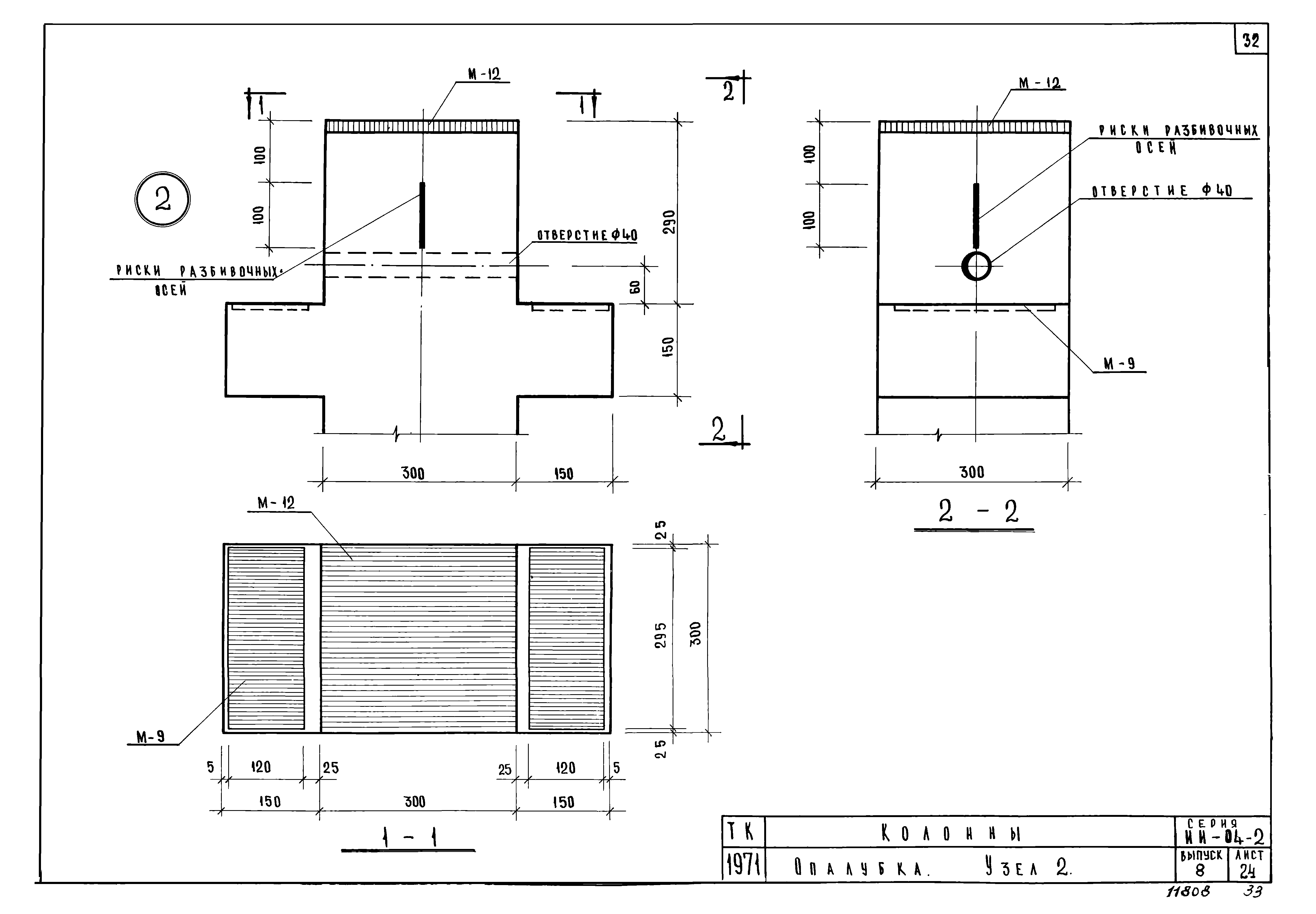
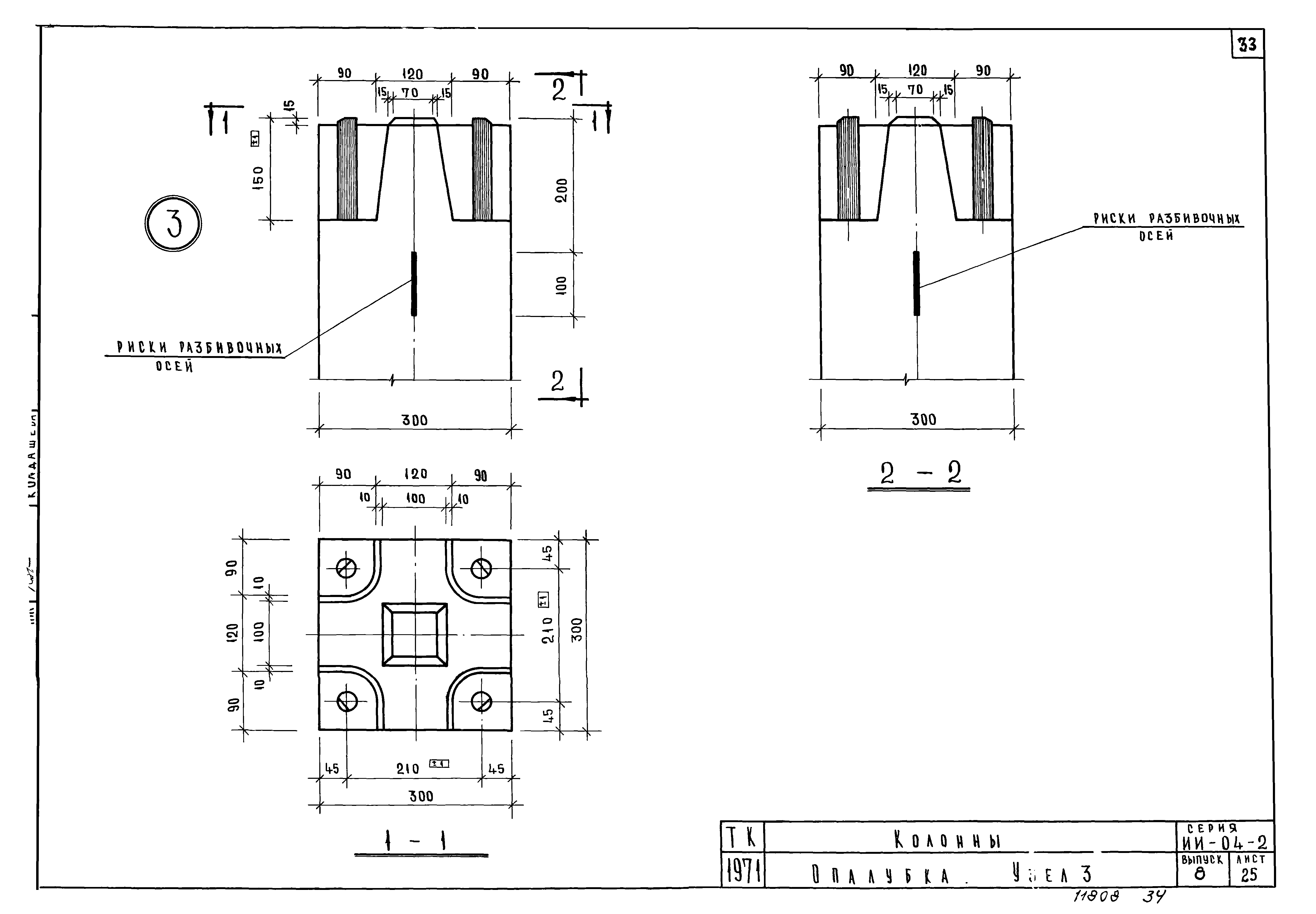
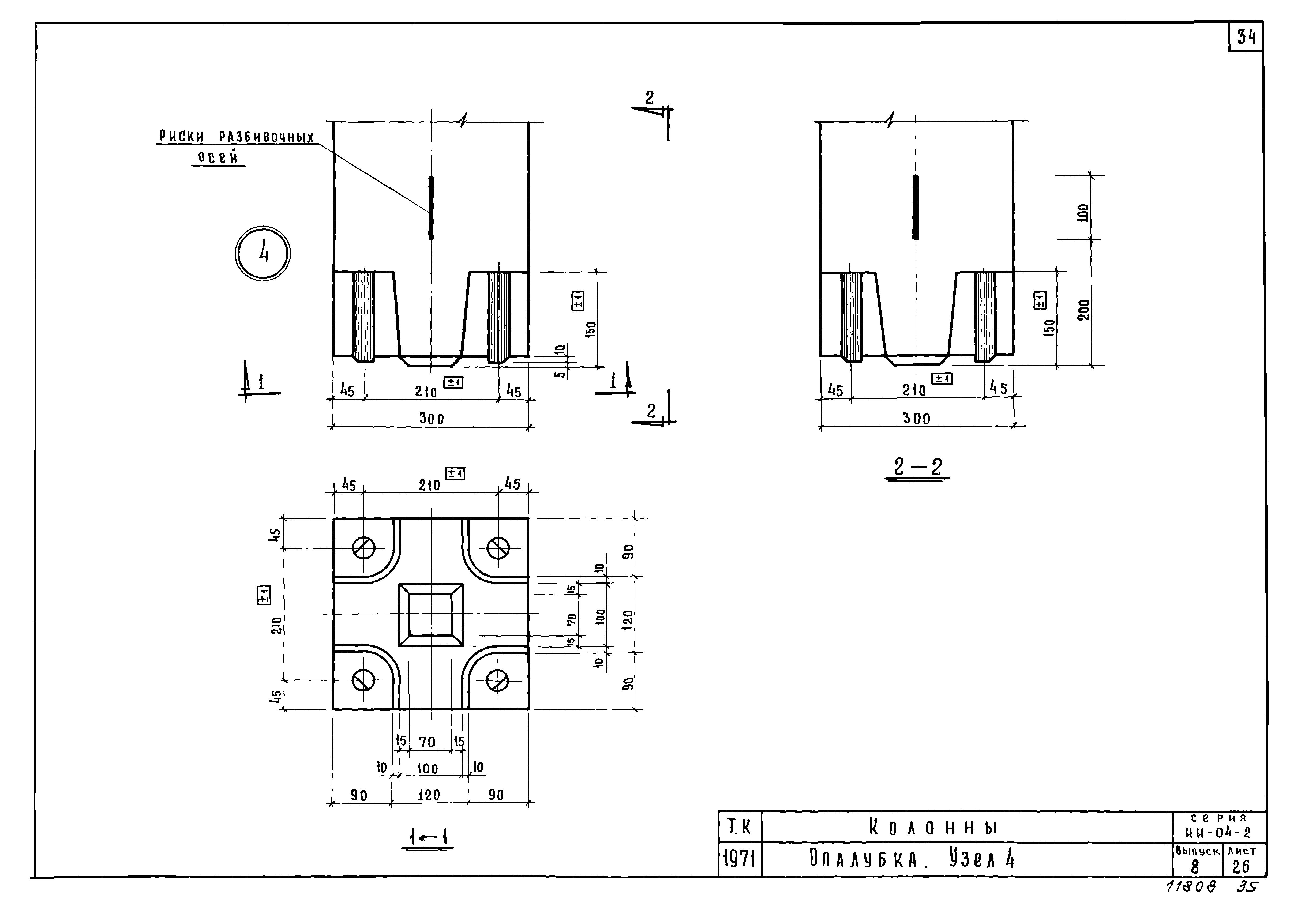
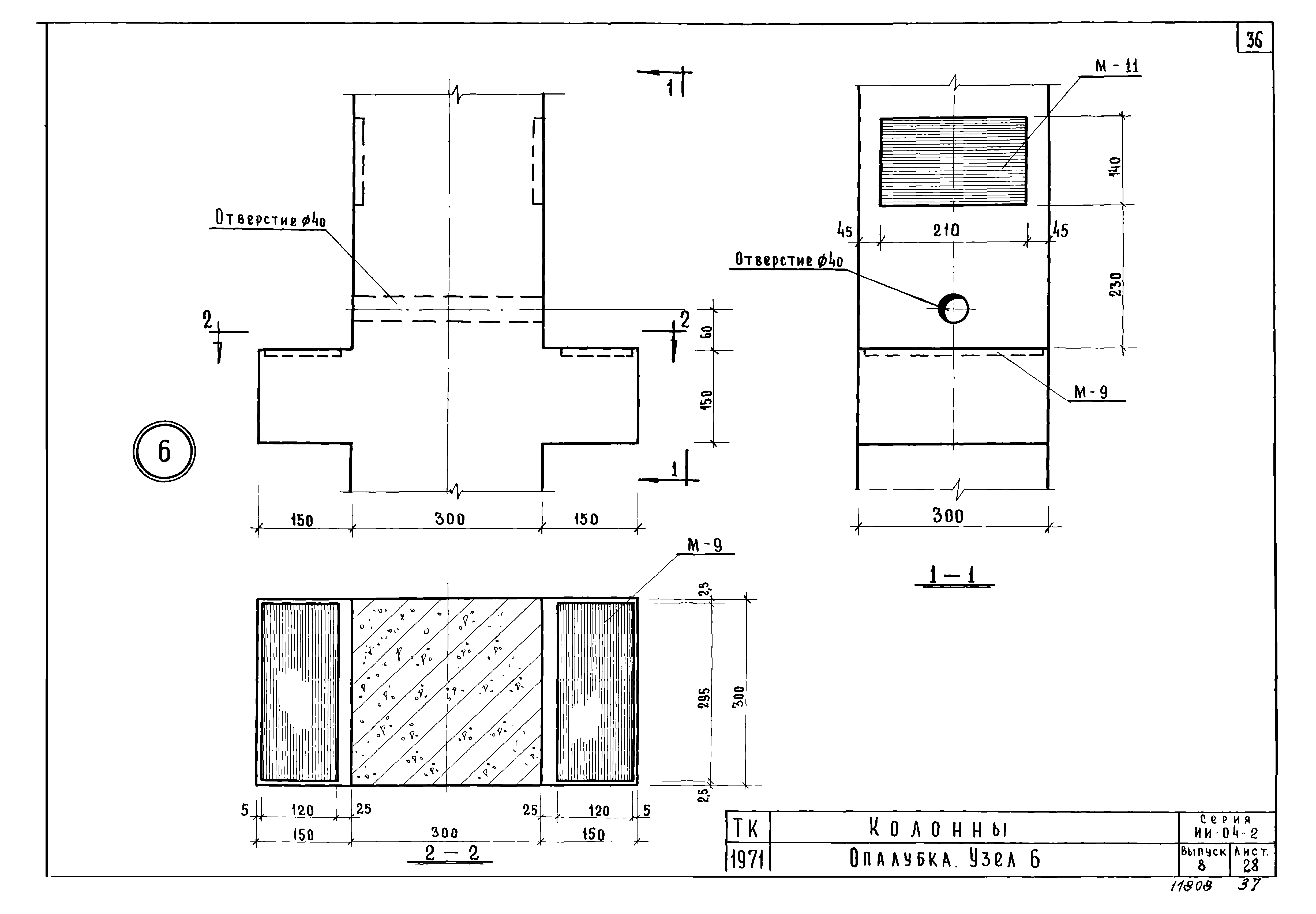
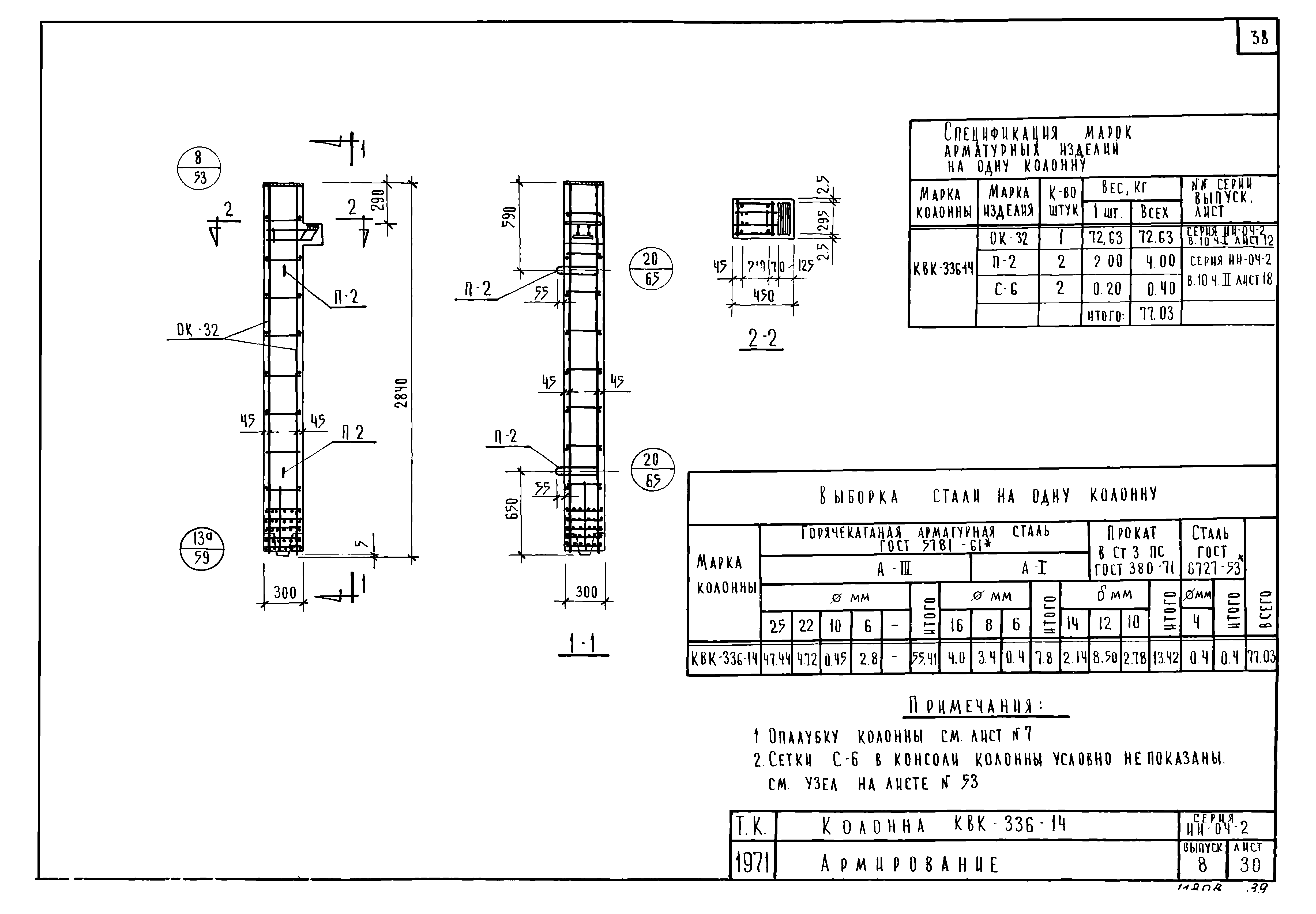
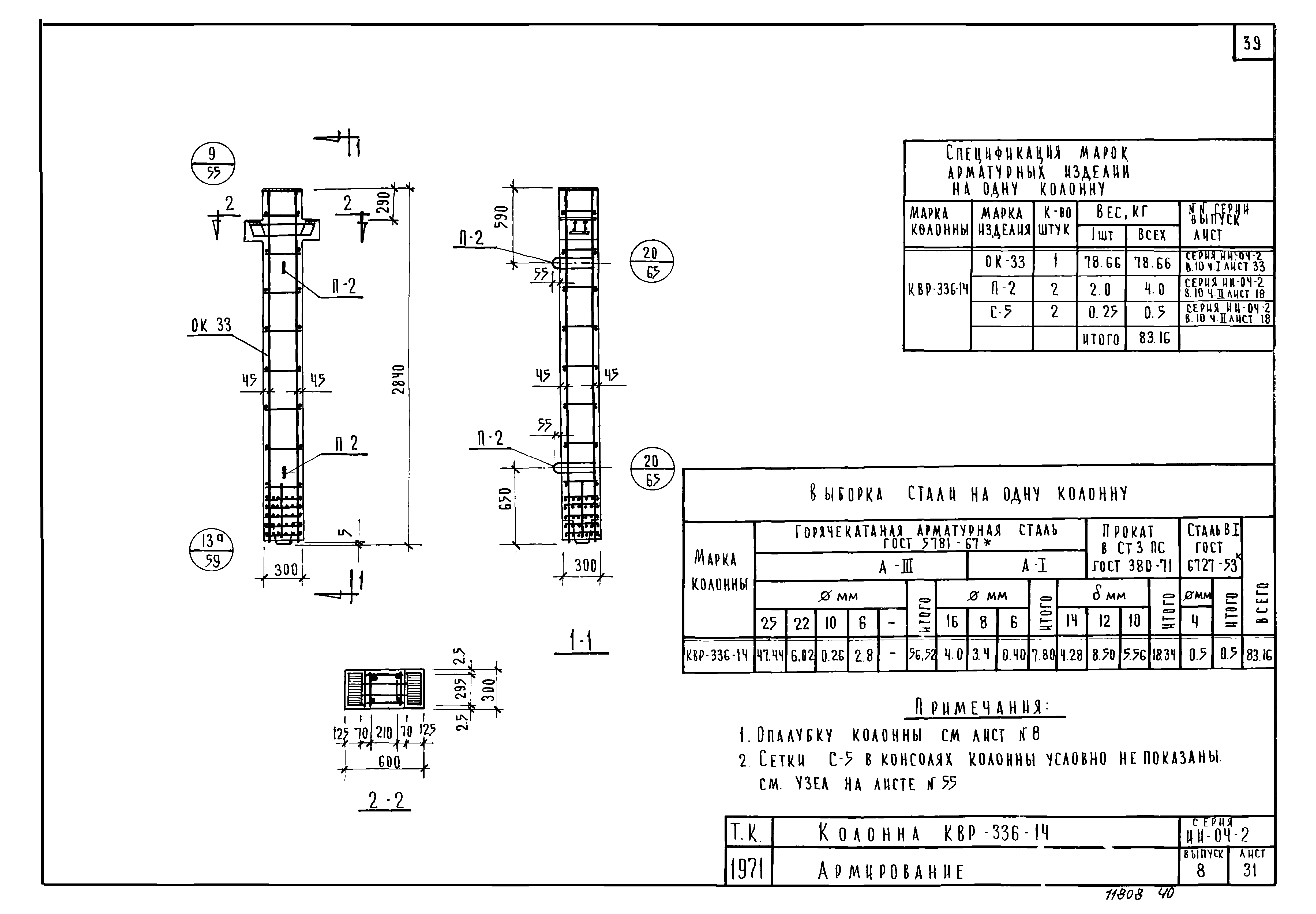
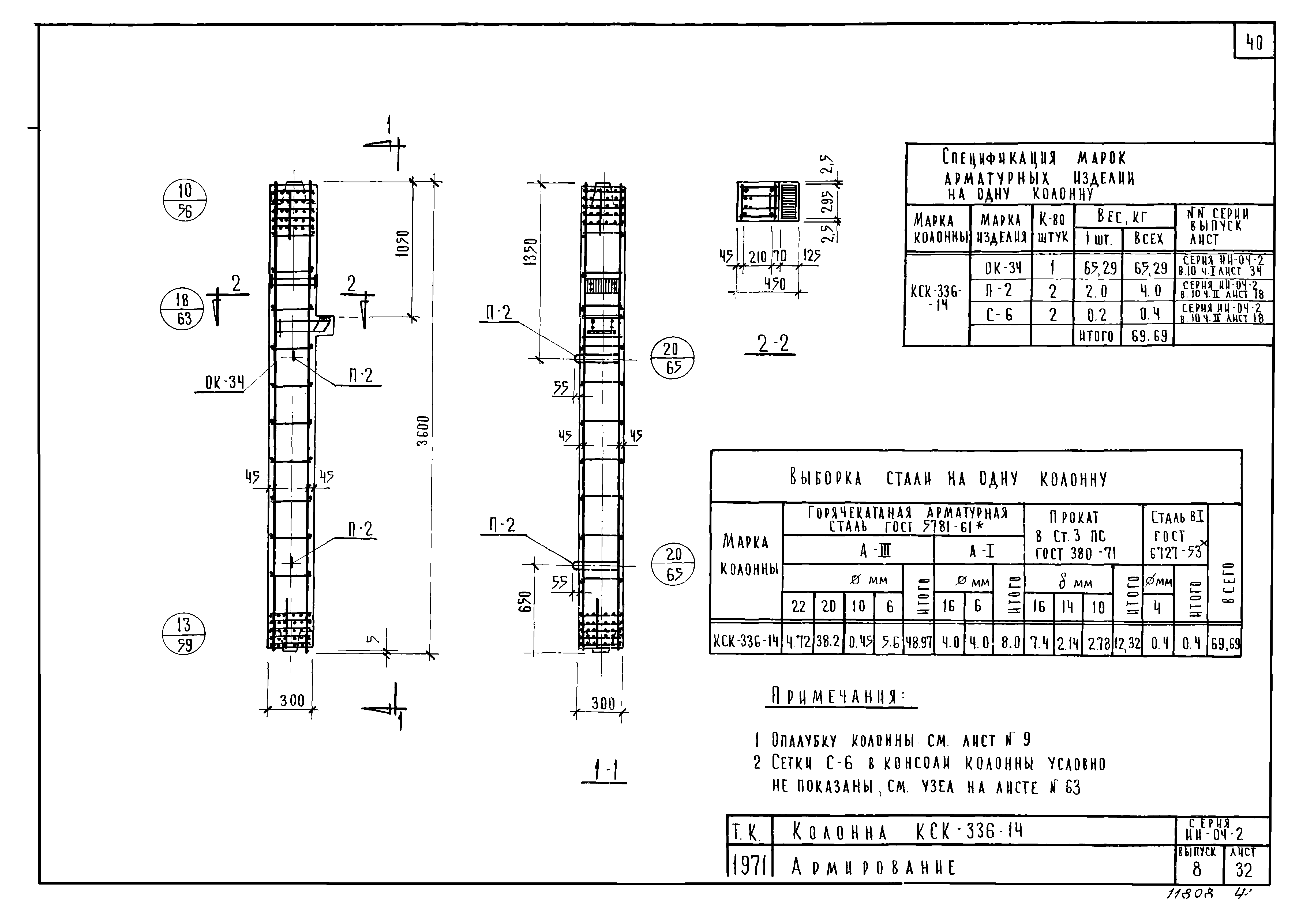
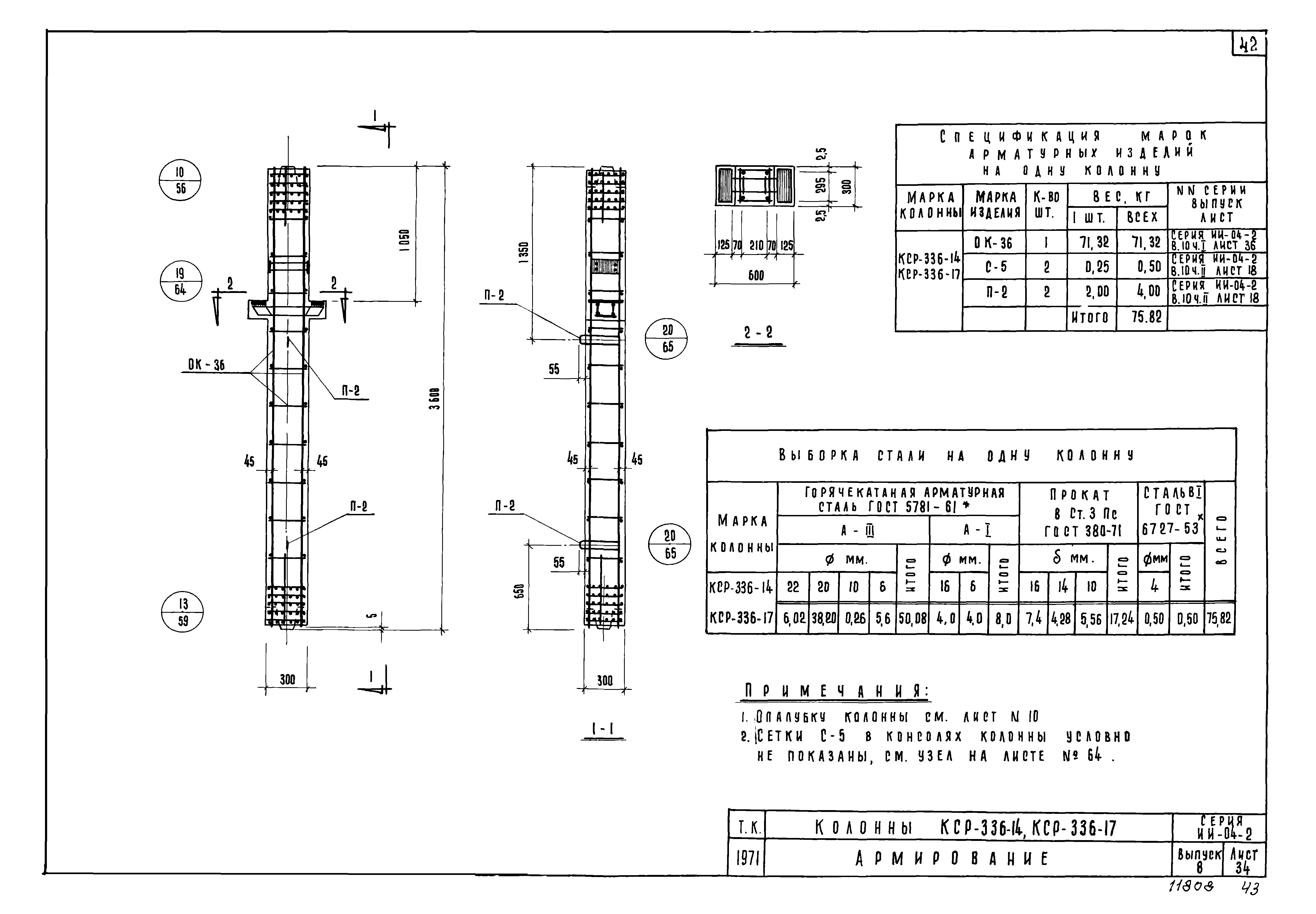
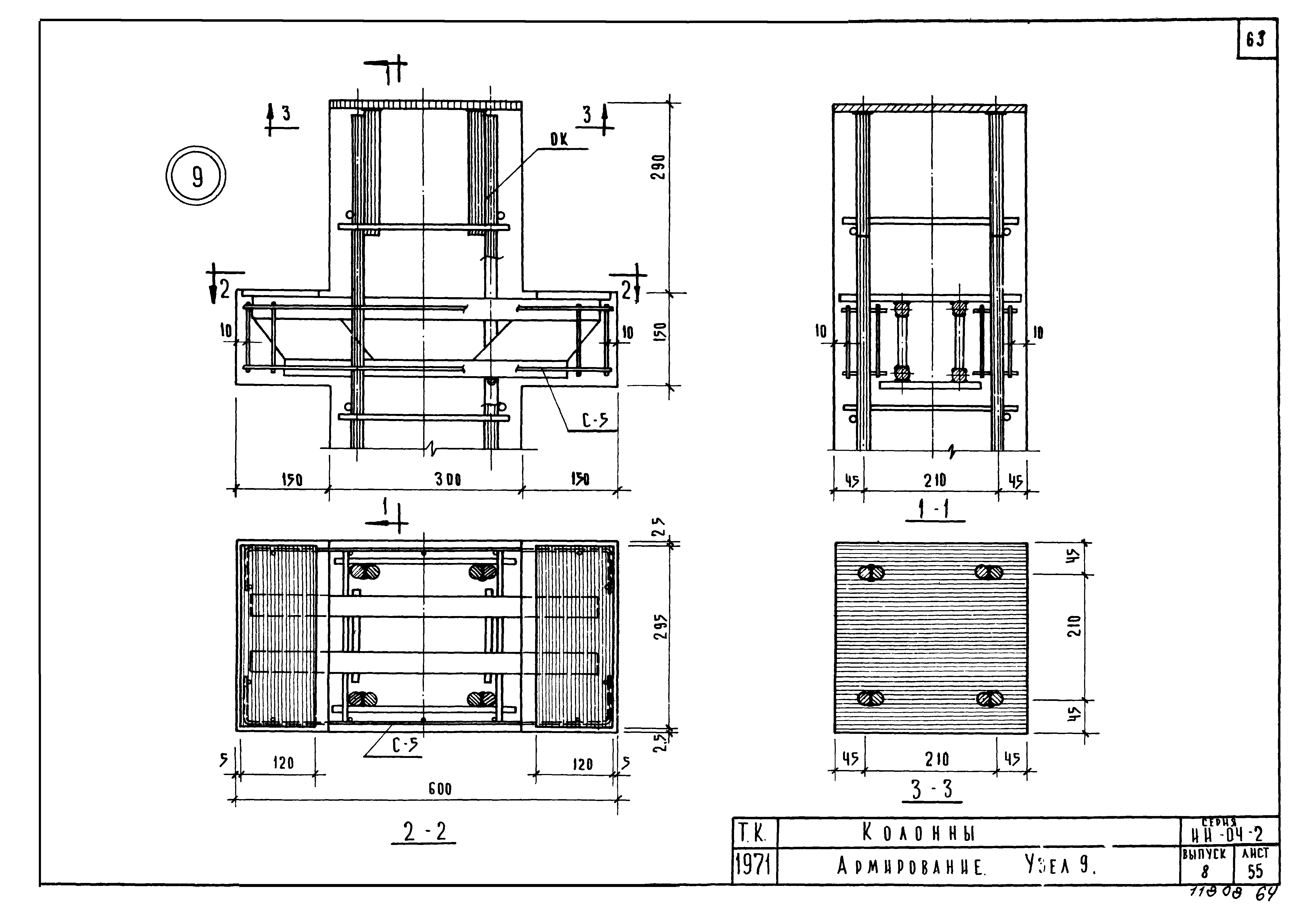
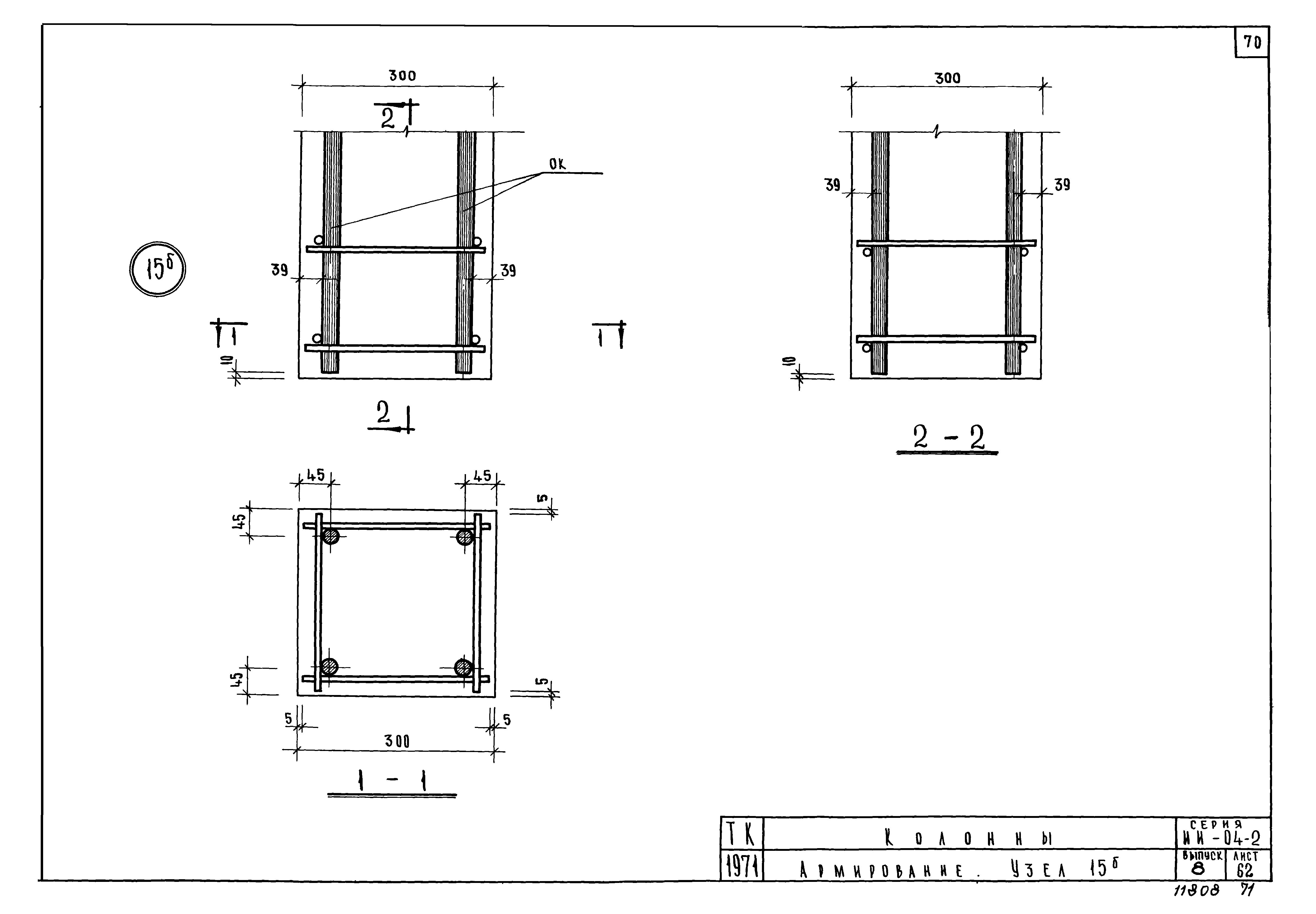
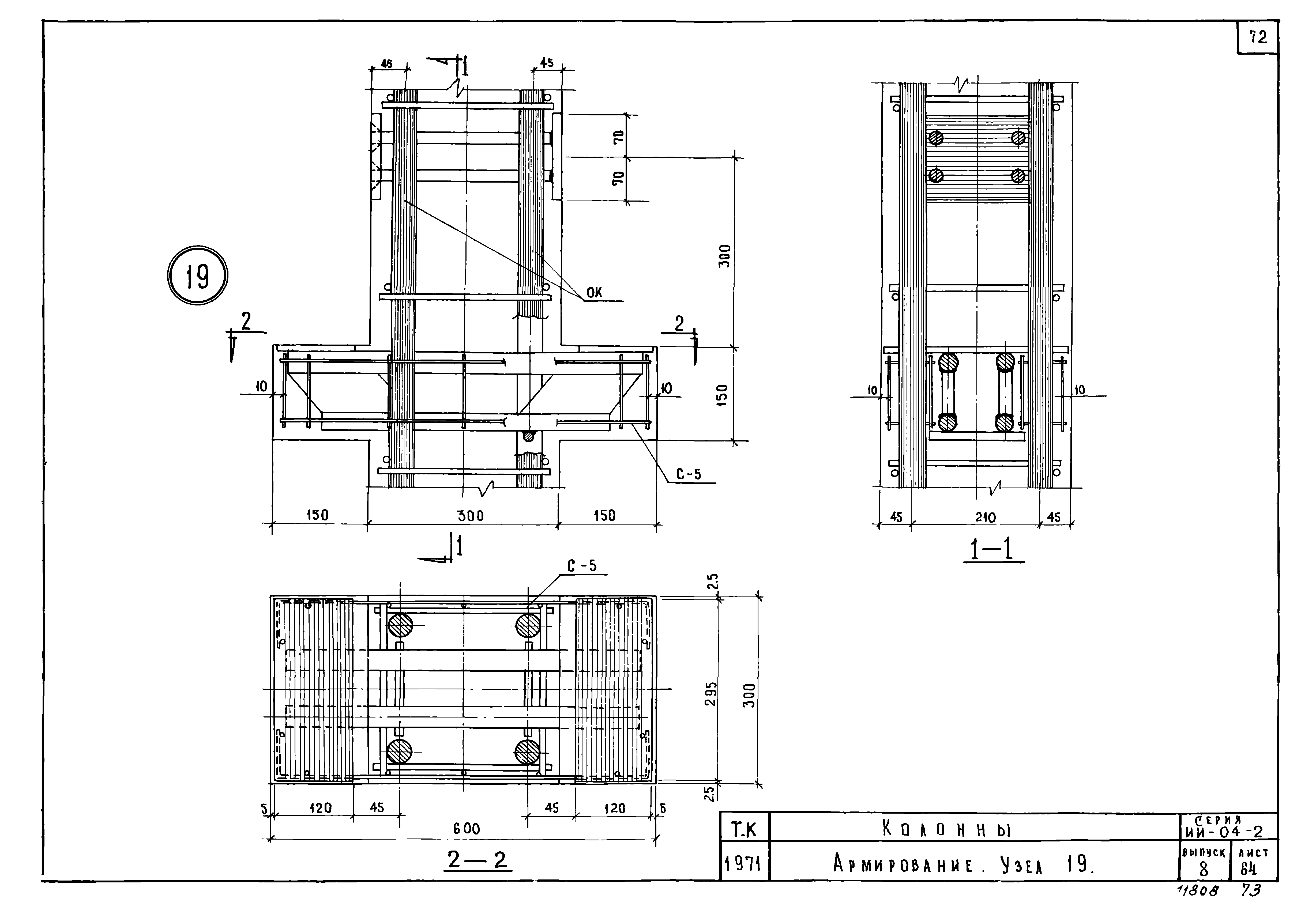
| Оглавление: | Перечень серий и выпусков Содержание выпуска Пояснительная записка Номенклатура Колонна КВК-336-14. Опалубка Колонна КВР-336-14. Опалубка Колонны КСК-336-14,КСК-336-23. Опалубка Колонны КСР-336-14,КСР-336-17,КСР-336-23. Опалубка Колонны КНК-336-14,КНК-336-17,КНК-336-23,КНК-336-28. Опалубка Колонны КНР-336-14,КНР-336-17,КНР-336-23,КНР-336-28. Опалубка Колонны КСК-372-14,КСК-372-17. Опалубка Колонны КСР-372-14,КСР-372-17,КСР-372-23. Опалубка Колонна КК-336-14. Опалубка Колонна КР-336-14. Опалубка Колонна КВК-372-14. Опалубка Колонна КВР-372-14. Опалубка Колонна КНК-372-14. Опалубка Колонна КНР-372-17. Опалубка Колонна КК-372-11. Опалубка Колонна КР-372-11. Опалубка Колонны. Опалубка. Узел 1 Колонны. Опалубка. Узел 2 Колонны. Опалубка. Узел 3 Колонны. Опалубка. Узел 4 Колонны. Опалубка. Узел 5 Колонны. Опалубка. Узел 6 Колонны. Опалубка. Узел 7 Колонны КВК-336-14. Армирование Колонны КВР-336-14. Армирование Колонны КСК-336-14. Армирование Колонны КСК-336-23. Армирование Колонны КСР-336-14,КСР-336-17. Армирование Колонна КСР-336-23. Армирование Колонны КНК-336-14,КНК-336-17. Армирование Колонны КНК-336-23. Армирование Колонна КНК-336-28. Армирование Колонны КНР-336-14,КНР-336-17. Армирование Колонна КНР-336-23. Армирование Колонна КНР-336-28. Армирование Колонны КСК-372-14,КСК-372-17. Армирование Колонны КСР-372-14,КСР-372-17. Армирование Колонна КСР-372-23. Армирование Колонна КК-366-14. Армирование Колонна КР-336-14. Армирование Колонна КВК-372-14. Армирование Колонна КВР-372-14. Армирование Колонна КНК-372-14. Армирование Колонна КНР-372-17. Армирование Колонна КК-372-11. Армирование Колонна КР-372-11. Армирование Колонны. Армирование. Узел 8 Колонны. Армирование. Узел 8А Колонны. Армирование. Узел 9 Колонны. Армирование. Узел 10 Колонны. Армирование. Узел 11 Колонны. Армирование. Узел 12 Колонны. Армирование. Узлы 13,13а Колонны. Армирование. Узел 14 Колонны. Армирование. Узлы 15,15А,16,17 Колонны. Армирование. Узел 15б Колонны. Армирование. Узел 18 Колонны. Армирование. Узел 19 Колонны. Армирование. Узел 20 Пример расположения дополнительных закладных деталей для крепления лестниц к средним колоннам Колонны. Пример расположения дополнительных закладных деталей для крепления лестниц к нижним колоннам Пример расположения дополнительных закладных деталей М-13 для крепления диафрагм к средним колоннам Пример расположения дополнительных закладных деталей М-13 для крепления диафрагм к нижним колоннам Пример крепления дополнительной закладной детали М-13 к объемному каркасу. Узел 33 Пример крепления дополнительной закладной детали М-13 к объемному каркасу. Узел 34 Пример крепления дополнительной закладной детали М-13 к объемному каркасу. Узел 35 Пример крепления дополнительной закладной детали М-13 к объемному каркасу. Узел 36 |
| Разработан: | НИИЖБ Госстроя СССР ЦНИИЭП торгово-бытовых зданий и туристских комплексов |
| Утверждён: | 28.01.1972 Государственный комитет по гражданскому строительству и архитектуре при Госстрое СССР (9) |
| Чем заменён: |





















































































