Скачать Типовой проект 320-53 Альбом II. Игровое оборудование для детейДата актуализации: 01.01.2021
|
| Обозначение: | Типовой проект 320-53 |
| Обозначение англ: | 320-53 |
| Статус: | действует |
| Название рус.: | Альбом II. Игровое оборудование для детей |
| Дата добавления в базу: | 01.09.2013 |
| Дата актуализации: | 01.01.2021 |
| Дата введения: | 30.12.1976 |
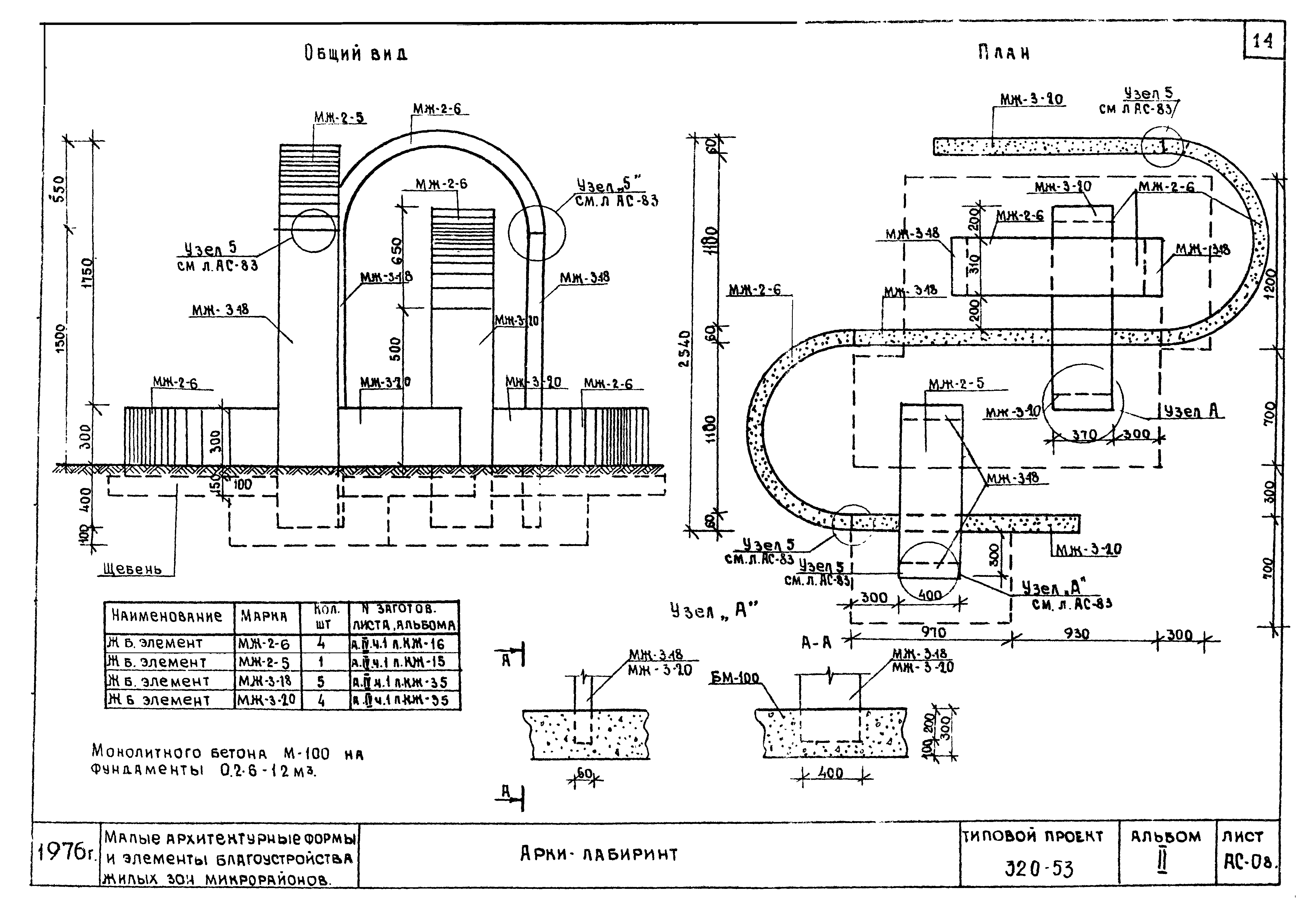
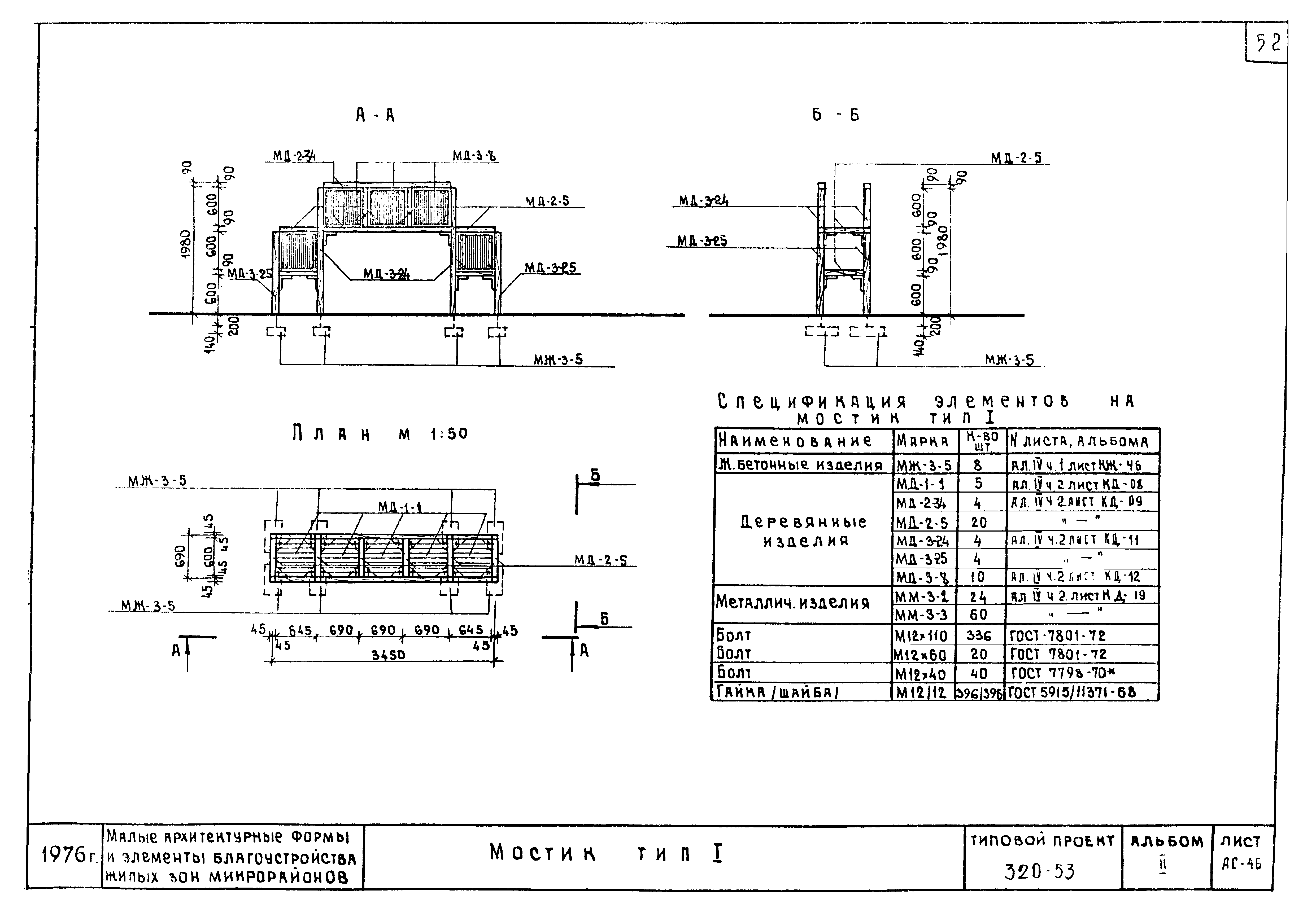
| Оглавление: | Содержание альбома 2 Пояснительная записка АС-01 Устройства для сюжетно-ролевых игр. Тип 1-А "Крепость" АС-02 Устройства для сюжетно-ролевых игр. Тип 1-Б,1-В "Крепость" АС-03 Устройства для сюжетно-ролевых игр. Тип 2-А,2-Б "Туннель" АС-04 Устройства для сюжетно-ролевых игр. Тип 2-В,2-Г "Туннель" АС-05 Устройства для сюжетно-ролевых игр. Тип 3 "Луноход" АС-06 Игровые стенки АС-07 Арка тип 1,2,3 АС-08 Арки - лабиринт АС-09 Стенки - лабиринт АС-10 Брусья - лабиринт тип 1, тип 2 АС-11 Брусья - лабиринт тип 1, план фундаментов АС-12 Брусья - лабиринт тип 3-А,3-Б АС-13 Брусья - лабиринт тип 3-В АС-14 Бум-балансир тип 1-А,Б,В АС-15 Бум-балансир тип 2 лестница для игр. Вариант компоновок тип 1,2 АС-16 Бум-балансир тип 3 бревно для равновесия 1-А,1-Б АС-17 Бум-балансир тип 3 бревно для равновесия 2-А,2-Б АС-18 Бум-балансир тип 3 бревно для равновесия 1-А,2-А-Б. Узлы, сечения АС-19 Варианты композиций бревен для равновесия АС-20 Бум-балансир тип 4-В. Вертикальный балансир АС-21 Бум-балансир тип 4-Б. Вертикальный балансир АС-22 Устройства для пролезания и прокатывания мяча тип 1-А "Волна" АС-23 Устройства для пролезания и прокатывания мяча тип 1-Б "Волна" АС-24 Устройства для пролезания и прокатывания мяча тип 2 "Башня" АС-25 Устройства для пролезания и прокатывания мяча тип 3-А,3-Б,3-В "Лианы" АС-26 Устройства для пролезания и прокатывания мяча тип 3-Г "Лианы" АС-27 Гимнастическая стенка АС-28 Игровые гимнастические комплексы из металлических элементов тип 1 шведские стенки АС-29 Игровые гимнастические комплексы из металлических элементов тип 2. Турник АС-30 Игровые гимнастические комплексы из металлических элементов тип 3-А. Кольца АС-31 Игровые гимнастические комплексы из металлических элементов тип 3-Б. Кольца АС-32 Игровые гимнастические комплексы из металлических элементов тип 4-А. Труба АС-33 Игровые гимнастические комплексы из металлических элементов тип 4-Б. Труба АС-34 Игровые гимнастические комплексы из металлических элементов тип 5-А. Рукоход АС-35 Игровые гимнастические комплексы из металлических элементов тип 5-Б. Рукоход АС-36 Игровые гимнастические комплексы из металлических элементов тип 6. Объемы для лазания АС-37 Игровой гимнастический комплекс тип 1 АС-38 Игровой гимнастический комплекс тип 2 АС-39 Игровой гимнастический комплекс тип 3 АС-40 Игровой гимнастический комплекс фронтальная композиция АС-41 Игровой гимнастический комплекс периметральная композиция АС-42 Игровой гимнастический комплекс центричная композиция АС-43 Стенка для рисования АС-44 Бум-балансир тип 1-К. Бум-балансир тип 2-К АС-45 Игровой столик АС-46 Мостик тип 1 АС-47 Мостик тип 2 АС-48 Горка для съезжания тип 1-К АС-49 Горка для съезжания тип 2-К АС-50 Горка для съезжания тип 3-К АС-51 Башня тип 1 АС-52 Башня тип 2 АС-53 Башня тип 3 АС-54 Стенка для лазания АС-55 Объем с сетками АС-56 Песочница тип 1-А, тип 1-Б, тип 2 АС-57 Варианты композиций песочниц АС-58 Песочный дворик АС-59 Песочный дворик из кругляка тип 1 АС-60 Песочный дворик из кругляка тип 2 АС-61 Бум-балансир тип 5 - горка из бревен композиции песочных двориков из кругляка АС-62 Песочные дворики из ж.б. элементов тип 1 АС-63 Песочные дворики из ж.б. элементов тип 2 АС-64 Песочные дворики из ж.б. элементов тип 3 АС-65 Песочные дворики из ж.б. элементов тип 4, тип 5 АС-66 Узлы 1-2. Спецификация АС-67 Горки - искусственный рельеф тип 1. Горка с туннелем АС-68 Горки - искусственный рельеф тип 1. Горка с туннелем. Туннель АС-69 Горки - искусственный рельеф тип 2. Горка с мостиками АС-70 Горки - искусственный рельеф тип 3. Велогорки АС-71 Горки - искусственный рельеф тип 4. Горки из валунов АС-72 Горка для съезжания тип 2 АС-73 Горка для съезжания тип 3-А АС-74 Горка для съезжания тип 3-Б АС-75 Ворота футбольные детские АС-76 Баскетбольная стойка тренировочная. Щит АС-77 Баскетбольная стойка тренировочная. Кольцо. Элементы щита АС-78 Волейбольная стойка АС-79 Ворота хоккейные. Общий вид АС-80 Ворота хоккейные. Узлы АС-81 Ограждение хоккейного поля АС-82 Стол для настольного тенниса АС-83 Узлы 3-8 АС-84 Узлы 9-21 АС-85 Песочница тип 1-А, тип 1-Б, тип 2. Песочный дворик. Фундаменты, сечения АС-86 Качалка-балансир тип 1 АС-87 Качалка-балансир тип 2 АС-88 Качалка-балансир тип 3 АС-89 Качалка-балансир тип 4 АС-90 Качалка-балансир тип 5 АС-91 Качели тип 1 АС-92 Качели тип 2 АС-93 Карусели тип 1, тип 2 АС-94 Карусели тип 3, тип 4 АС-95 Домик-лабиринт АС-96 Качалка-балансир тип 6. Качалка-скамья АС-97 Качалка-балансир тип 6. Столик. Чаша для песка |
| Разработан: | Белгоспроект |
| Утверждён: | 30.04.1976 Госстрой БССР (BSSR Gosstroy 59) |






































































































