Скачать Типовой проект 705-1-199.86 Альбом II. Строительные изделияДата актуализации: 01.01.2021
|
| Обозначение: | Типовой проект 705-1-199.86 |
| Обозначение англ: | 705-1-199.86 |
| Статус: | не определен законодательством |
| Название рус.: | Альбом II. Строительные изделия |
| Дата добавления в базу: | 01.09.2013 |
| Дата актуализации: | 01.01.2021 |
| Дата введения: | 16.04.1986 |
| Дата окончания срока действия: | 30.06.2003 |
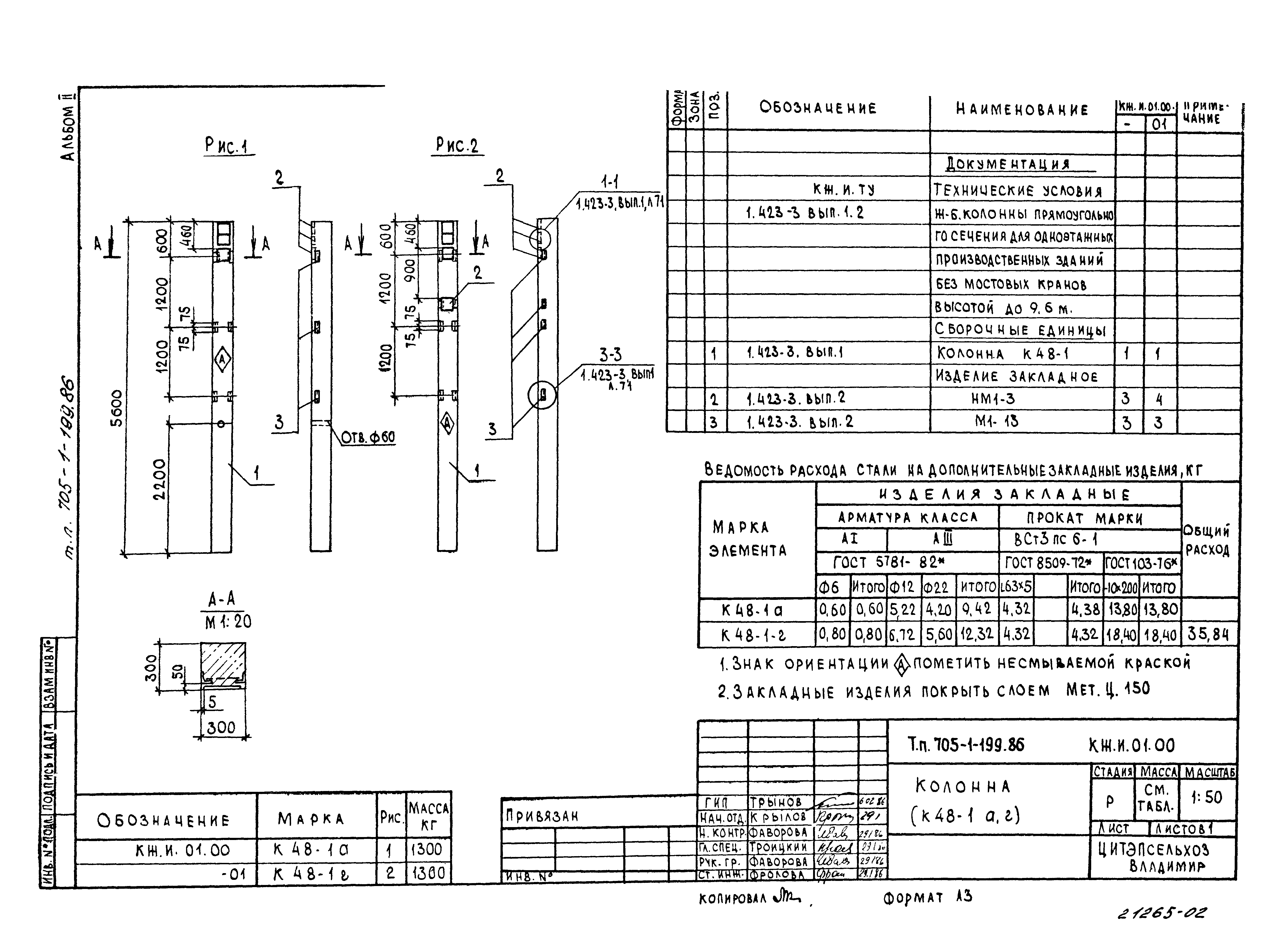
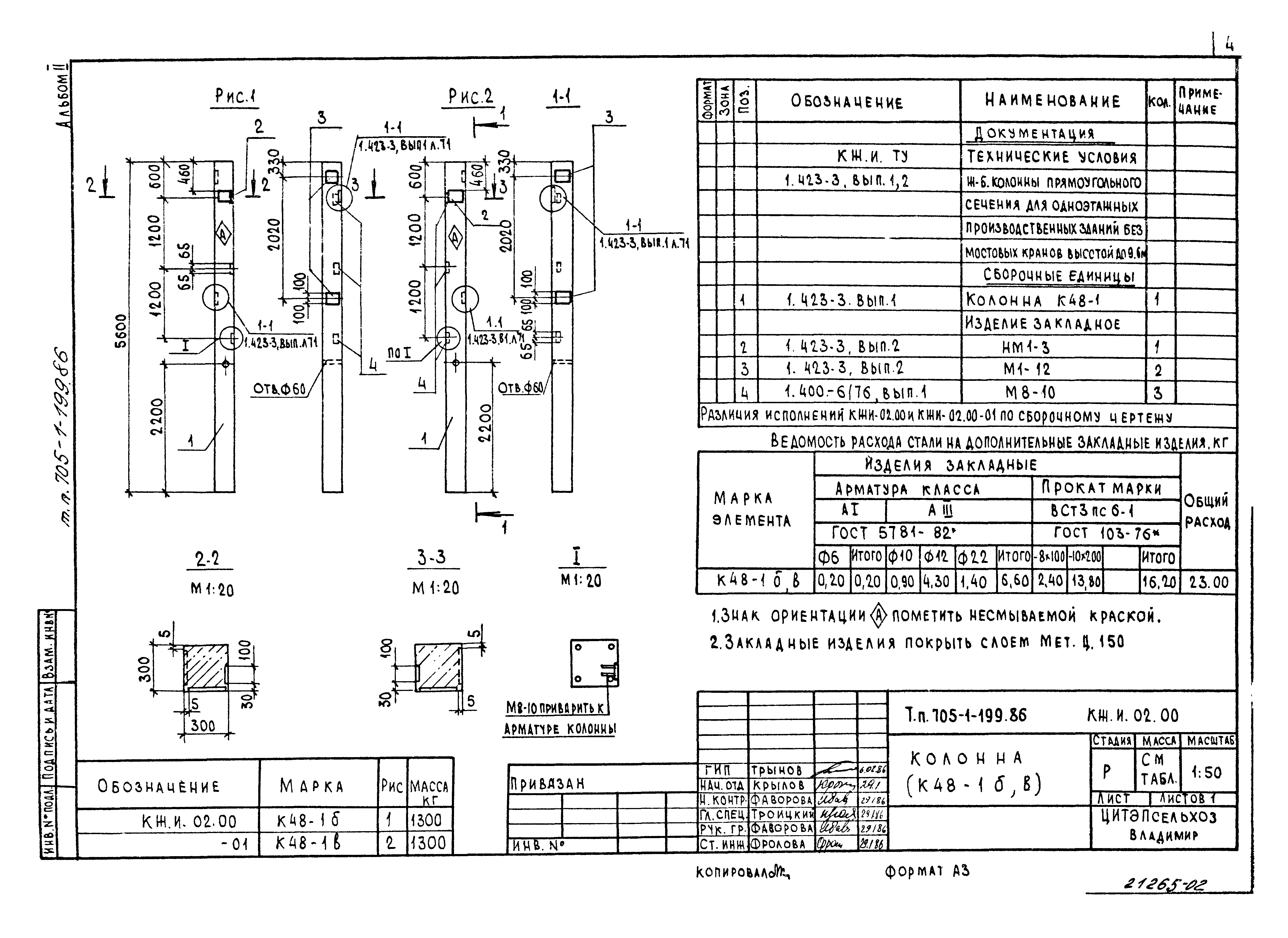
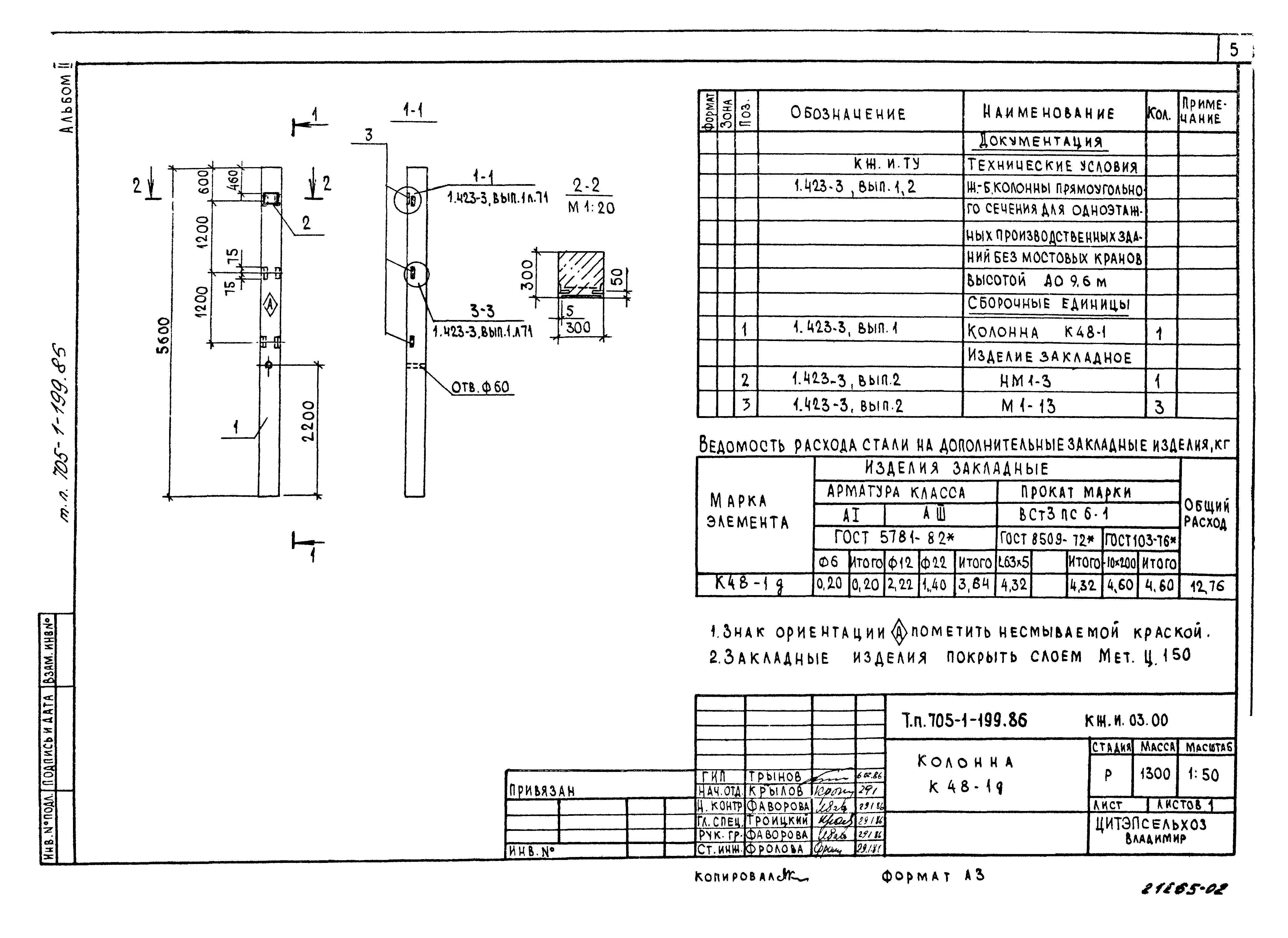
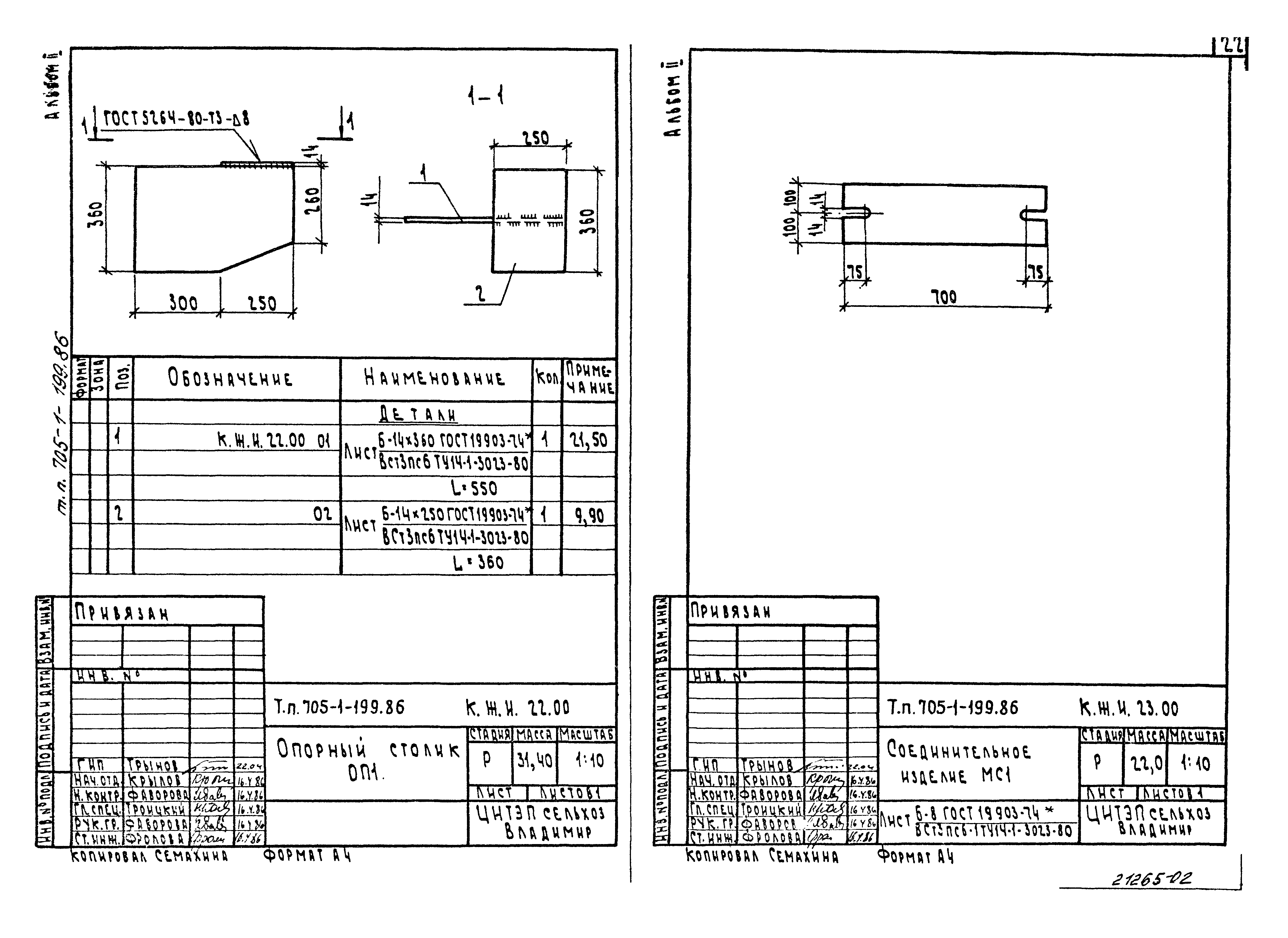
| Оглавление: | Содержание альбома КЖ.И.ТУ Технические условия КЖ.И.01.00 Колонна (К48-1а,г) КЖ.И.02.00 Колонна (К48-1б,в) КЖ.И.03.00 Колонна К48-1д КЖ.И.04.00 Колонна К48-24а КЖ.И.05.00 Колонна 1КФ52-1-На КЖ.И.06.00 Балка 36СО12-1АIV-На КЖ.И.07.00 Балка (2БН6-1а,б) КЖ.И.08.00 Балка (1БН4.5-1а,б) КЖ.И.09.00 Плита (ПГ2АIVТ-а,б) КЖ.И.10.00 Плита (ПГ2АIVТ-в,г) КЖ.И.11.00 Панель ПС600.18-7АIV-Т-1а КЖ.И.12.00 Панель ПС600.12-1АIV-Т-1а КЖ.И.13.00 Панель ПС600.12-1АIV-Т-11а КЖ.И.14.00 Панель ПС600.12-1АIV-Т-12а КЖ.И.15.00 Панель ПС600.18-1АIV-Т-11а КЖ.И.16.00 Панель ПС600.18-7АIV-Т-12а КЖ.И.17.00 Плита лицевая (ПЛ1-1а,б) КЖ.И.18.00 Насадка (НУ1,НУ2) КЖ.И.19.00 Элемент крепления Т13 КЖ.И.20.00 Насадка НФ2 КЖ.И.21.00 Насадка НФ3 КЖ.И.22.00 Опорный столик ОП1 КЖ.И.23.00 Соединительное изделие МС1 КЖ.И.24.00 Колонна (К48-1е,ж) КЖ.И.25.00 Колонна К48-24б |
| Разработан: | ЦИТЭПсельхозпром |
| Утверждён: | 12.12.1985 Минсельхоз СССР (USSR Minselkhoz 110-ЭГ) |

























