Скачать Типовой проект 902-2-380.84 Альбом II. Строительная частьДата актуализации: 01.01.2021
|
| Обозначение: | Типовой проект 902-2-380.84 |
| Обозначение англ: | 902-2-380.84 |
| Статус: | не действует |
| Название рус.: | Альбом II. Строительная часть |
| Дата добавления в базу: | 01.09.2013 |
| Дата актуализации: | 01.01.2021 |
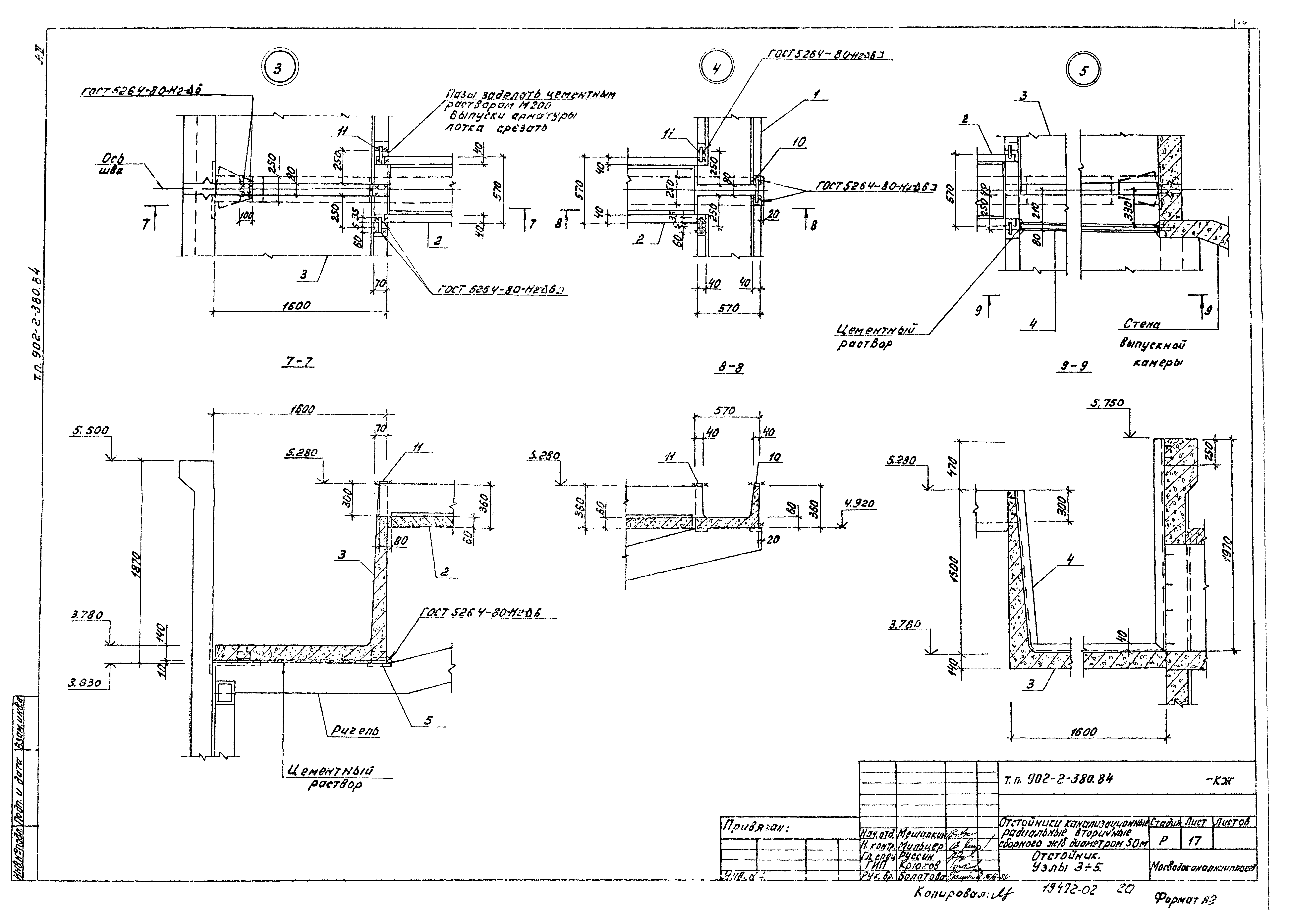
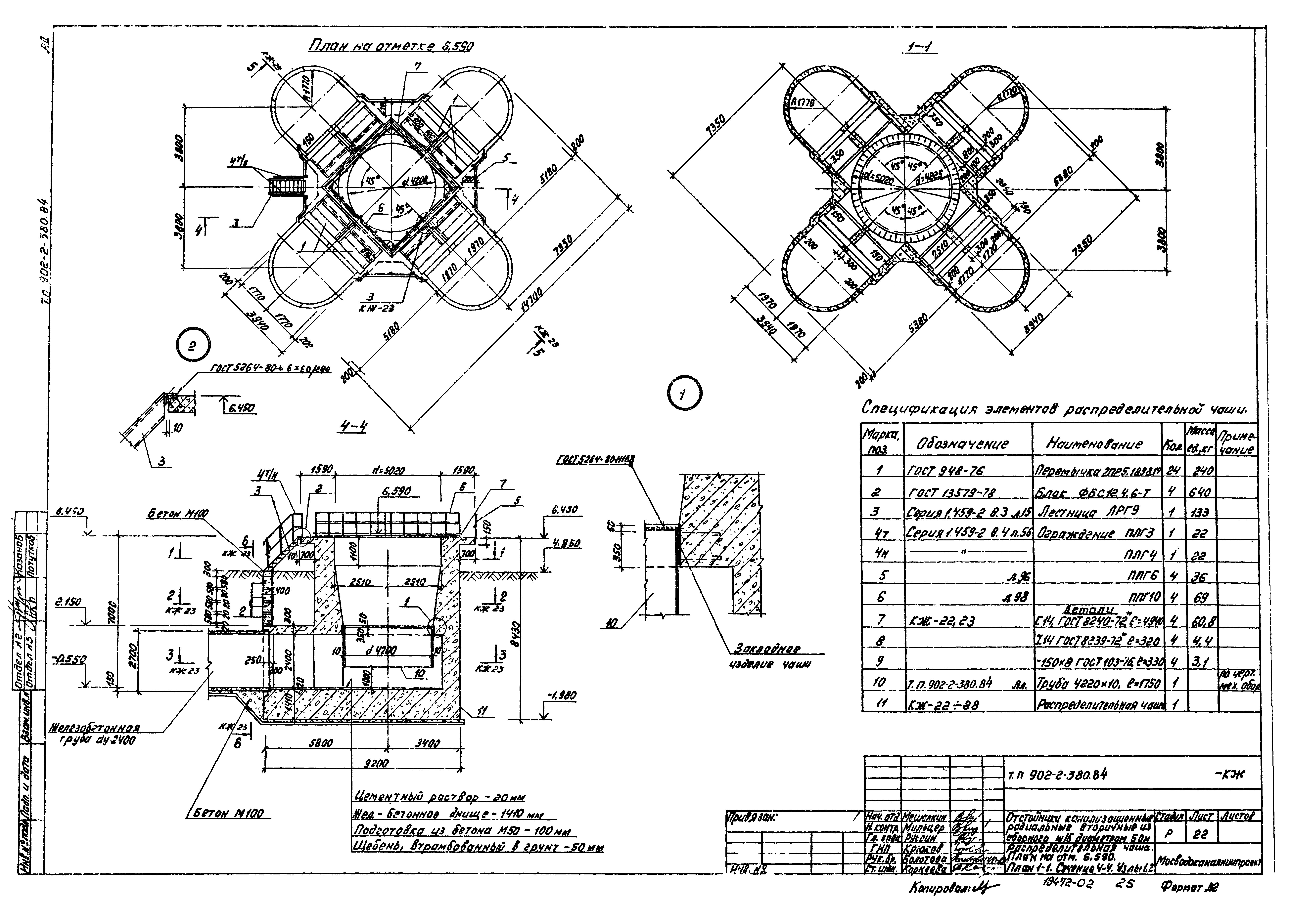
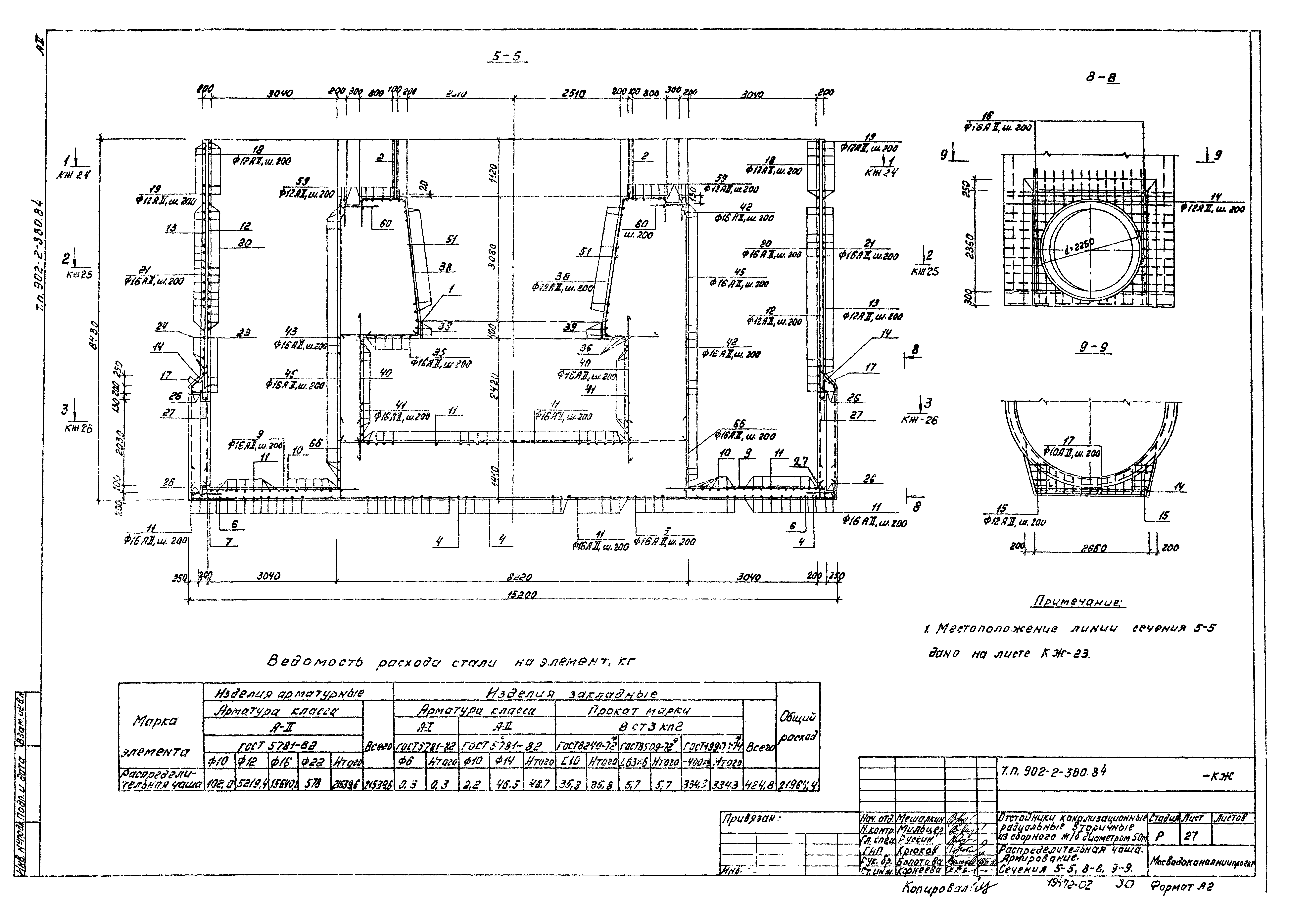
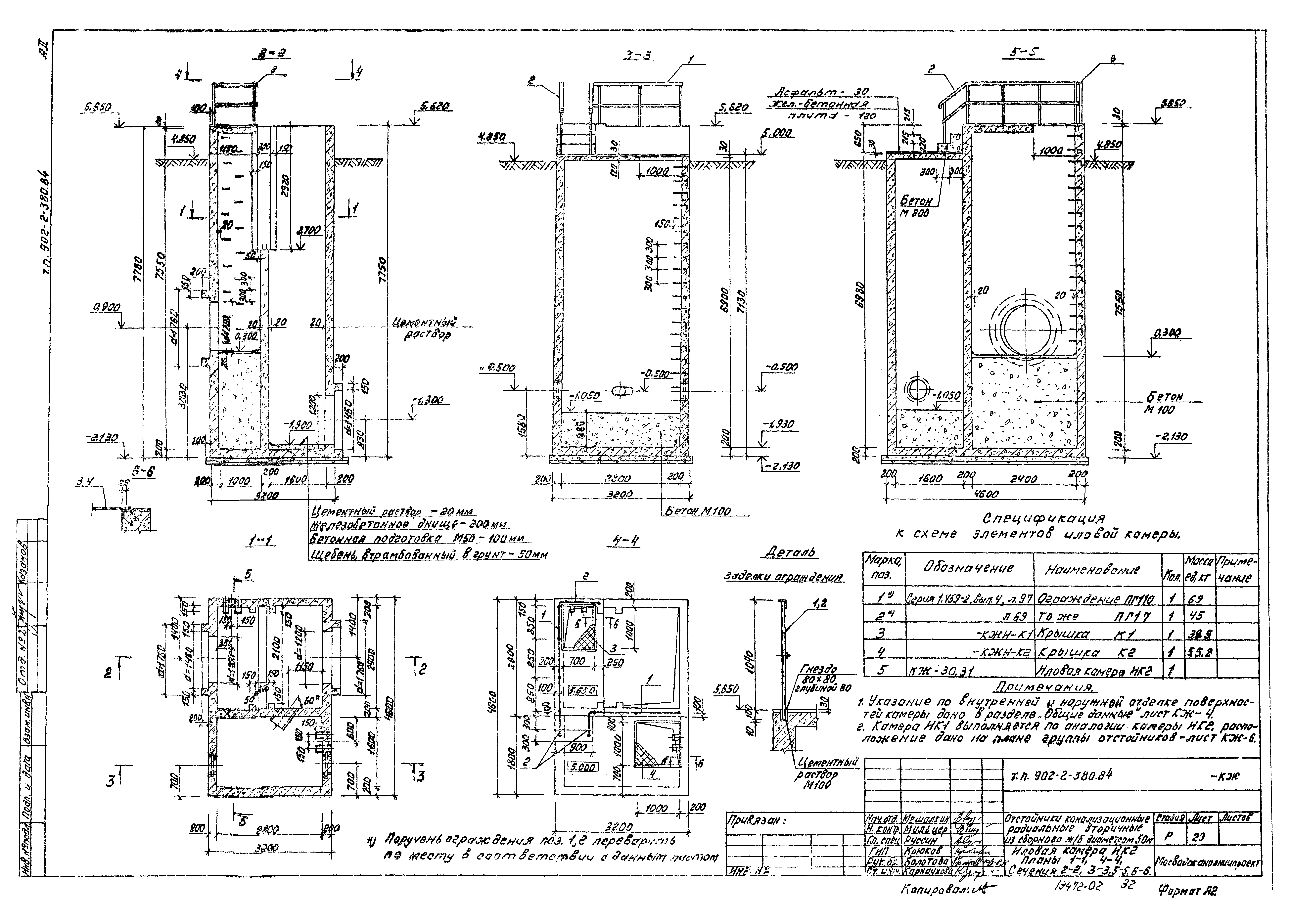
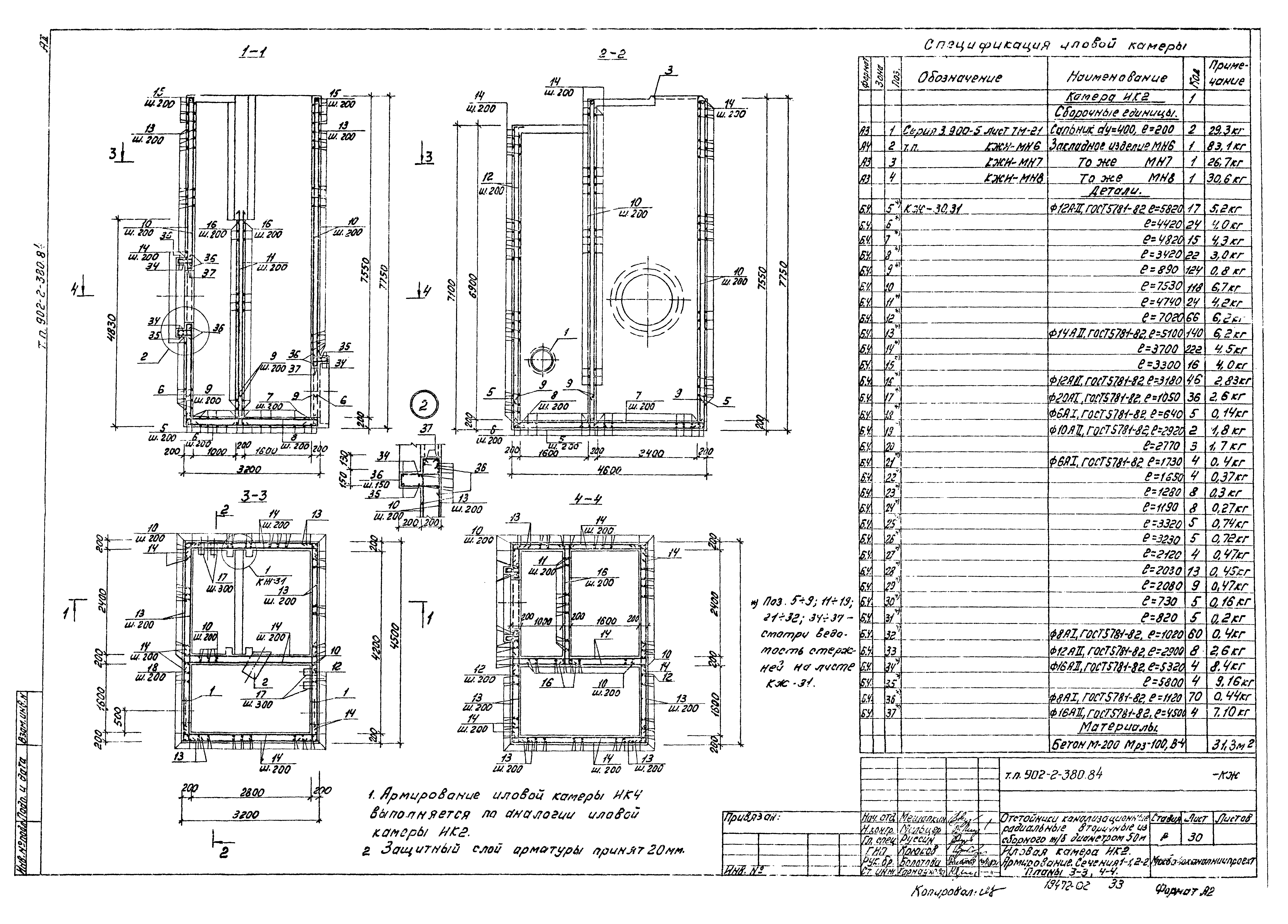
| Оглавление: | Содержание альбома Конструкции железобетонные КЖ-1 Общие данные (начало) КЖ-2 Общие данные (продолжение) КЖ-3 Общие данные (продолжение) КЖ-4 Общие данные (продолжение) КЖ-5 Общие данные (окончание) КЖ-6 План группы отстойников и коммуникаций КЖ-7 Отстойник. План 1-1. Сечения 2-2 - 5-5 КЖ-8 Отстойник. Сечения 6-6 - 11-11. Узел 1 КЖ-9 Отстойник. Днище. Армирование. Планы сеток и каркасов. Сечение 1-1 КЖ-10 Отстойник. Центральная часть. Армирование. Сечение 1-1 - 5-5 КЖ-11 Отстойник. Центральная часть. Армирование. Планы днища и перекрытия. Сечение 6-6 - 8-8. Узел 1 КЖ-12 Отстойник. Центральная часть. Армирование. Спецификация. Ведомости деталей и расход стали КЖ-13 Отстойник. Схема расположения панелей и подкосно-ригельной системы. Сечения 1-1 - 3-3. Узел 1 КЖ-14 Отстойник. Узлы 2-8 КЖ-15 Отстойник. Схема расположения лотков КЖ-16 Отстойник. Узлы 1 и 2 КЖ-17 Отстойник. Узлы 3 и 5 КЖ-18 Отстойник. Крепление водослива КЖ-19 Отстойник. Выпускная камера ВМ1. Планы, сечения КЖ-20 Отстойник. Выпускная камера ВМ1. Армирование. Сечения 1-1 - 7-7 КЖ-21 Отстойник. Выпускная камера ВМ1. Борт отстойников БМ1. Армирование. Спецификация КЖ-22 Распределительная чаша. План на отм. 6.590. План 1-1. Сечение 4-4. Узлы 1 и 2 КЖ-23 Распределительная чаша. Планы 2-2,3-3. Сечения 5-5,6-6. Узел 9 КЖ-24 Распределительная чаша. Армирование. План 1-1. Сечение 4-4 КЖ-25 Распределительная чаша. Армирование. План 2-2. Сечения 6-6,7-7 КЖ-26 Распределительная чаша. Армирование. План 3-3. Планы днища и перекрытия на отм. 2.150 КЖ-27 Распределительная чаша. Армирование. Сечения 5-5,8-8,9-9 КЖ-28 Распределительная чаша. Армирование. Ведомость деталей и спецификация КЖ-29 Иловая камера ИК2. Планы 1-1,4-4. Сечения 2-2,3-3,5-5 КЖ-30 Иловая камера ИК2. Армирование. Сечения 1-1,2-2. Планы 3-3,4-4 КЖ-31 Иловая камера ИК2. Армирование. План перекрытия. Сечения 5-5 - 7-7. Узел 1 КЖ-32 Камеры ОВ1 и ОВ2. Планы. Сечения КЖ-33 Камера ОВ1. Армирование. План. Сечения КЖ-34 Камера ОВ2. Армирование. План, сечения КЖ-35 Камеры ОВ3,ОВ4. План. Сечения КЖ-36 Камера ОВ3. Армирование. Планы, сечения КЖ-37 Камера ОВ4. Армирование. Планы. Сечения КЖ-38 Камера ОВ7. Опалубка и армирование. Планы, сечения КЖ-39 Камера ОВ8. Опалубка и армирование. Планы, сечения |
| Разработан: | МосводоканалНИИпроект |
| Утверждён: | 20.12.1983 МосводоканалНИИпроект (312) |









































