Скачать Типовой проект 902-2-380.84 Альбом IV. Электротехническая частьДата актуализации: 01.01.2021
|
| Обозначение: | Типовой проект 902-2-380.84 |
| Обозначение англ: | 902-2-380.84 |
| Статус: | не действует |
| Название рус.: | Альбом IV. Электротехническая часть |
| Дата добавления в базу: | 01.09.2013 |
| Дата актуализации: | 01.01.2021 |
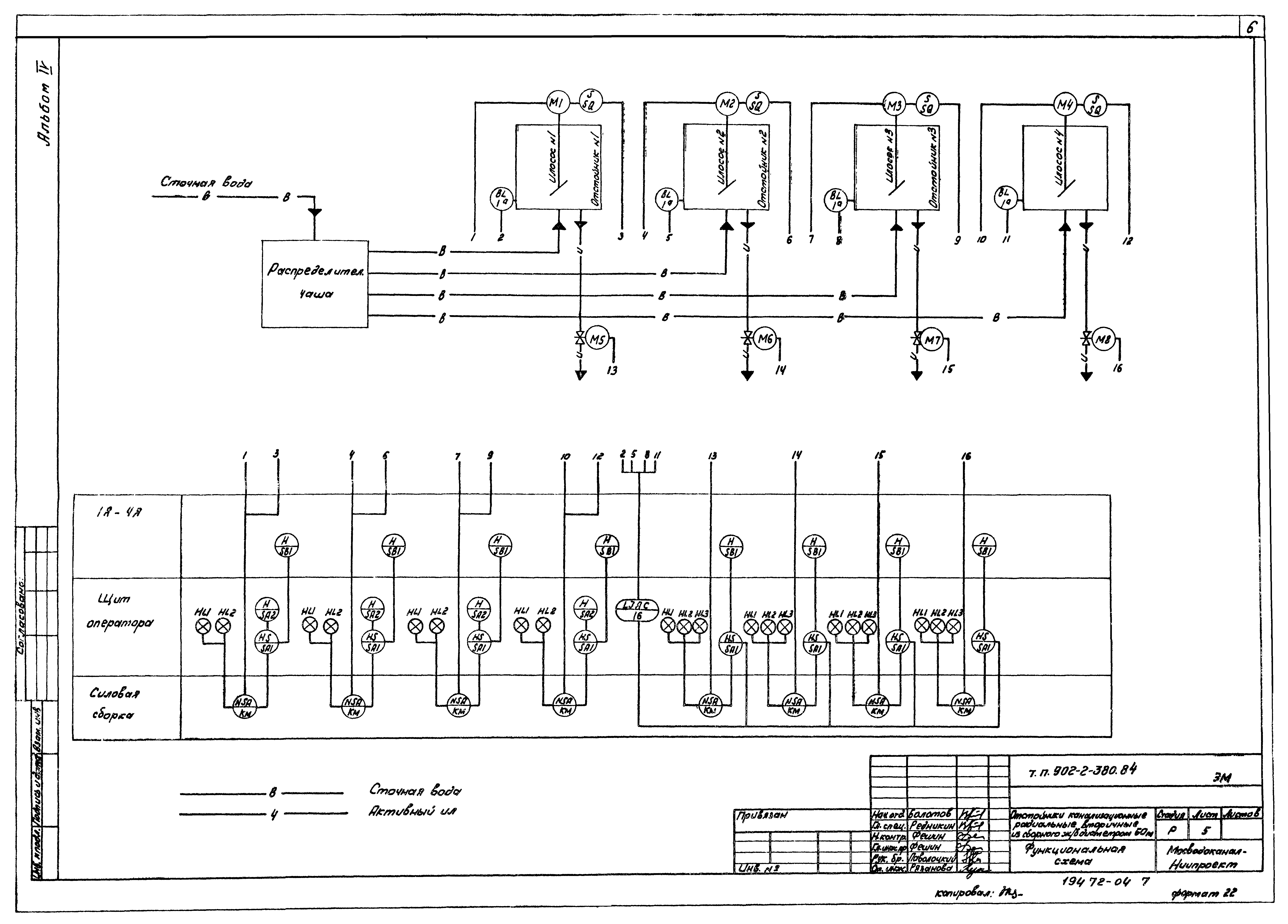
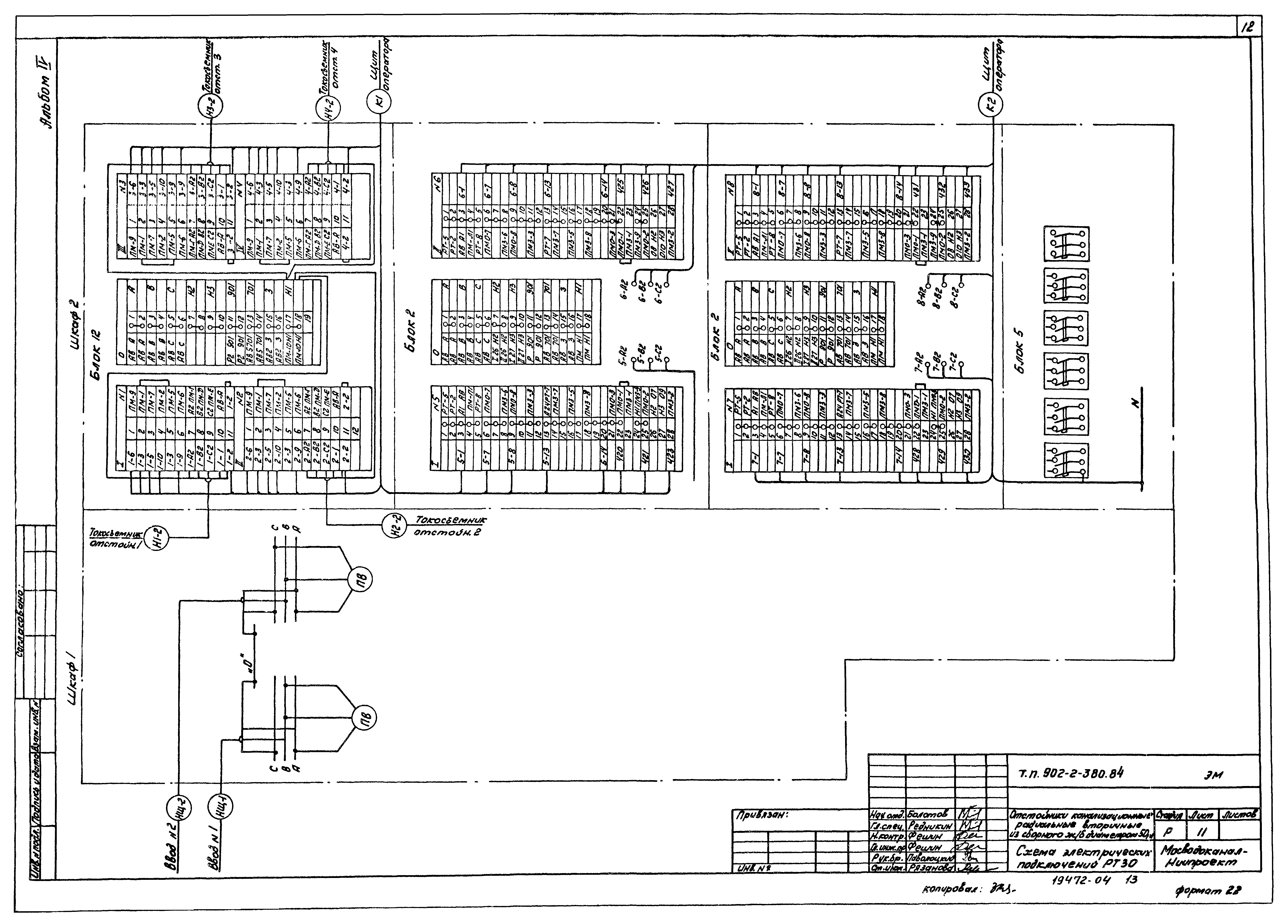
| Оглавление: | Общие данные (начало) Общие данные (окончание) Ведомость электрооборудования, кабельных изделий и материалов, поставляемых заказчиком. Ведомость объемов электромонтажных работ Схема электрическая принципиальная распределительной сети ~380/220 В Функциональная схема Схема электрическая принципиальная управления илососами Схема электрическая принципиальная управления щитовыми затворами Схема электрическая принципиальная регулирования уровня Схема электрическая принципиальная аварийной сигнализации Схема электрическая присоединений Схема электрических подключений РТ30 Схема электрических подключений щита оператора Схема электрических подключений ящиков управления и аппаратуры, расположенной по месту Кабельный журнал План установки электрооборудования, электроаппаратура и прокладки кабелей |
| Разработан: | МосводоканалНИИпроект |
| Утверждён: | 20.12.1983 МосводоканалНИИпроект (312) |
















